

1、单选题:
题图所示电路中,已知uS1=6V, uS2=2V,R1=3Ω, R2=1Ω, i3=4A,试求电流i1和i2分别为
选项:
A: i1=3A,i2=1A
B: i1=2A,i2=1A
C: i1=1A,i2=2A
D: i1=1A,i2=3A
答案: 【 i1=3A,i2=1A】
2、单选题:
图示电路节点C 的KCL方程是

选项:
A: 
B: 
C: 
D: 
答案: 【
】
3、单选题:
图示局部电路回路bdcb 的KVL方程是

选项:
A: 
B: 
C: 
D: 
答案: 【
】
4、单选题:
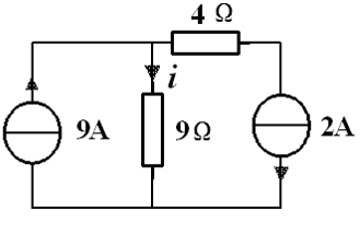
如图所示的电流是___________A

选项:
A: 7
B: -7
C: 11
D: -11
答案: 【 7】
5、单选题:
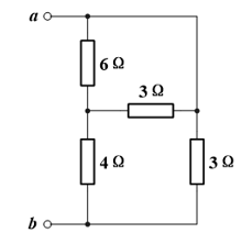
如图所示电阻网络的等效电阻Rab等于( )。

选项:
A: 
B: 
C: 
D: 
答案: 【
】
6、判断题:
关联的参考方向就是实际的参考方向。
选项:
A: 正确
B: 错误
答案: 【 错误】
7、判断题:
在非关联的参考方向下,欧姆定律可以写成u=-iR。其中R表示电阻,u为电阻两端的电压,i为流过电阻两端的电流
选项:
A: 正确
B: 错误
答案: 【 正确】
8、判断题:
理想电压源不能短路,理想电流源不能开路
选项:
A: 正确
B: 错误
答案: 【 正确】
9、判断题:
在关联的参考方向下,某元件两端的电压为2V,电流为-3A,则该支路吸收的功率为6W
选项:
A: 正确
B: 错误
答案: 【 错误】
10、判断题:
图示电路中所含的受控源是电流控制电压源

选项:
A: 正确
B: 错误
答案: 【 错误】
11、判断题:
电压源的基本特性:其端电压是由元件本身决定的,与流过的电流无关;流过的电流值取决于外电路
选项:
A: 正确
B: 错误
答案: 【 正确】
1、单选题:
电路如题图所示,试计算电压ux 的大小

选项:
A: 0.2V
B: 0.3V
C: 0.4V
D: 0.5V
答案: 【 0.4V 】
2、单选题:
试计算图中所示电阻网络的等效电阻Rab的大小

选项:
A: 3.5Ω
B: 3Ω
C: 2.5Ω
D: 5Ω
答案: 【 2.5Ω 】
3、单选题:
若Y形连接R1=R2=R3=RY;D形连接R12=R23=R13=R,则: RD= RY ; RY = RD
选项:
A: 3, 1
B: 1/3,3
C: 3,1/3
D: 1/3,1
答案: 【 3,1/3 】
4、单选题:
试求题图所示电路中的中电压uab和ucd

选项:
A: -8V,-3V
B: 8V,3V
C: -8V,5V
D: 8V,-5V
答案: 【 -8V,-3V 】
5、单选题:
化简题图所示电路,并求出 i 和 u

选项:
A: 1A,-4V
B: 1A,4V
C: 4A,1V
D: -4A,1V
答案: 【 1A,-4V】
6、单选题:
用等效变换法将题图所示二端网络化简为实际电流源模型

选项:
A: 等效为1A的电流源和5欧姆的电阻并联
B: 等效为1A的电流源和5欧姆的电阻串联
C: 等效为5A的电流源和1欧姆的电阻并联
D: 等效为5A的电流源和1欧姆的电阻串联
答案: 【 等效为1A的电流源和5欧姆的电阻并联】
7、单选题:
化简题图所示电路

选项:
A: 2A电流源
B: 3A电流源
C: 4A电流源
D: 1A电流源
答案: 【 2A电流源】
8、单选题:
求题图所示电路的输入电阻

选项:
A: 
B: 
C: 
D: 
答案: 【
】
9、单选题:
图示电路的等效电阻Rab等于

选项:
A: 1Ω
B: 2Ω
C: ∞Ω
D: 0Ω
答案: 【 1Ω】
10、单选题:
图示三个电路

选项:
A: (a)电路与(b)电路等效
B: (a)电路与(c)电路等效
C: (b)电路与(c)电路等效
D: 三个电路都等效
答案: 【 (a)电路与(b)电路等效 】
11、判断题:
等效变换,就是把电路中某一部分结构用另一种新结构及元件参数替代后不影响电路中未被替代部分的电流或电压
选项:
A: 正确
B: 错误
答案: 【 正确】
12、判断题:
如图所示网络是一个四端口网络

选项:
A: 正确
B: 错误
答案: 【 错误】
13、判断题:
电路中含受控源的支路总是可以和独立源一样进行等效变换
选项:
A: 正确
B: 错误
答案: 【 错误】
14、判断题:
受控源的电源与独立源的电源有所不同,独立源的电源是电路中的激励,有了它才能在电路中产生电流和电压;而受控源的电源则不同,它的电压或电流受其他电压或电流的控制,并最终受控于独立源,当独立源为零时,受控源也失去了电源的作用
选项:
A: 正确
B: 错误
答案: 【 正确】
15、判断题:
电路等效变换时,如果一条支路的电流为零,该支路可按短路处理
选项:
A: 正确
B: 错误
答案: 【 错误】
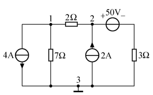
1、单选题:
图示电路, 依据规范法则结点1的基本节点方程是

选项:
A: 
B: 
C: 
D: 
答案: 【
】
2、单选题:
已知电路如图所示,其中E1=15V,E2=65V,R1=5Ω,R2=R3=10Ω。试用求R1、R2和R3三个电阻上的电压(电阻取关联的参考方向)。

选项:
A: -35/4,165/4(V),95/4(V)
B: 1(V),2(V),3(V)
C: 1(V),1(V),1(V)
D: -25/4,15/4(V),49/4(V)
答案: 【 -35/4,165/4(V),95/4(V)】
3、单选题:
1.
如图所示单口网络的等效电阻 Rab = ___________ Ω

选项:
A: 2
B: 0.5
C: 1
D: -1
答案: 【 2】
4、单选题:
图示电路中,要使电流表
备案号:冀ICP备20010840号 2020-2099辉辉网络科技 All Rights Reserved