

1、单选题:
如图所示,已知 u>0, i<0,请判断:u和i的参考方向是( ),元件实际( )功率?

选项:
A: 关联参考方向;发出
B: 非关联参考方向;发出
C: 非关联参考方向;吸收
D: 关联参考方向;吸收
答案: 【 关联参考方向;发出】
2、单选题:
如图所示,已知 u>0, i>0,请判断:u和i的参考方向是( ),元件实际( )功率?

选项:
A: 关联参考方向;发出
B: 非关联参考方向;发出
C: 非关联参考方向;吸收
D: 关联参考方向;吸收
答案: 【 非关联参考方向;发出】
3、单选题:
如图所示,试问对NA而言,电压u和电流i的参考方向是( );对于NB而言,电压u和电流i的参考方向是( )?

选项:
A: 非关联参考方向;非关联参考方向
B: 关联参考方向;关联参考方向
C: 非关联参考方向;关联参考方向
D: 关联参考方向;非关联参考方向
答案: 【 非关联参考方向;关联参考方向】
4、单选题:
如图所示,在指定电压u和电流i参考方向下,写出所示元件的电压u和电流i的约束方程(即VCR)为( )。

选项:
A: u=10*i
B: u=10/i
C: u=-10*i
D: 无法列写VCR
答案: 【 u=-10*i】
1、单选题:
如图所示,试求电压源、电流源及电阻的功率(实际吸收还是发出多少功率)分别是( )、( )和( )。

选项:
A: 实际吸收15W,实际发出30W,实际吸收45W
B: 实际发出15W,实际吸收30W,实际吸收45W
C: 实际发出15W,实际吸收30W,实际发出45W
D: 实际发出15W,实际发出30W,实际吸收45W
答案: 【 实际发出15W,实际发出30W,实际吸收45W】
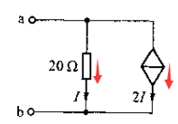
2、单选题:
如图所示,该电路中的受控源是否可看为电阻( );如果可以,试求其a、b端的等效电阻值为( )。

选项:
A: 可以;6.667欧姆
B: 可以;10欧姆
C: 不可以;20欧姆
D: 不可以;无法计算
答案: 【 可以;6.667欧姆】
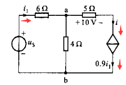
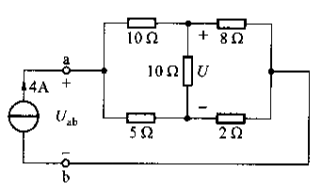
3、单选题:
如图所示,电路中电流i1等于( ),电压uab等于( )

选项:
A: 2.222A,0.889V
B: 2A, 1V
C: 4.4A, 1.67V
D: 4A, 2V
答案: 【 2.222A,0.889V】
4、单选题:
如图所示,求电路中c、b端钮之间的电压ucb为( )。

选项:
A: 10V
B: -13V
C: -3V
D: -10V
答案: 【 -13V】
1、单选题:
下列表达中哪个不是电学量?
选项:
A: 电荷量
B: 时间
C: 电压
D: 电流
答案: 【 时间】
2、单选题:
一个额定功率为1.1kW的电烤箱在多大电压下产生5A的电流?
选项:
A: 22kV
B: 2200V
C: 220V
D: 22V
答案: 【 220V】
3、单选题:
当电路中电压u的真实方向与假设的参考方向相反是,该电压u取值
选项:
A: 一定为正值
B: 一定为负值
C: 不能确定为正值还是负值
D: 为零值
答案: 【 一定为负值】
4、单选题:
已知电路中a、b两点的电压Uab=10V,其中a点电位为5V,则b点电位为
选项:
A: 15V
B: 5V
C: -5V
D: 10V
答案: 【 -5V】
5、单选题:
下图电路中受控源为哪种类型?

选项:
A: 电压控制电流源
B: 电流控制电压源
C: 电压控制电压源
D: 电流控制电流源
答案: 【 电压控制电压源】
6、单选题:
有一个元件两端电压和流经的电流如下图所示,请判断此元件的功率情况。

选项:
A: 实际吸收12W
B: 实际发出12W
C: 无法判断
D: 功率为零
答案: 【 实际发出12W】
7、单选题:
求下图电路中流经电阻R2的电流值

选项:
A: 3A
B: 6A
C: 12A
D: -6A
答案: 【 6A】
8、单选题:
求出下图中的电流111i1 i2 i3

选项:
A: 5A,1A,5A
B: 7A,-1A,5A
C: 7A, 1A, 9A
D: 7A, 1A, 5A
E: 5A, -1A, 9A
答案: 【 7A,-1A,5A】
9、单选题:
求下图中的电压V1和V2。

选项:
A: 6V, -3V
B: 6V, 3V
C: -6V, 3V
D: -6V, -3V
答案: 【 6V, 3V】
10、单选题:
求下图中的电压v1, v2和v3。

选项:
A: -70V, -10V, 60V
B: 10V, 20V, 50V
C: 70V, 60V, -10V
D: 70V, 10V, 60V
E: -20V, 10V, 10V
答案: 【 70V, 10V, 60V】
11、单选题:
求如下电路中Vo

选项:
A: 8V
B: 7V
C: 18V
D: 15V
答案: 【 18V】
12、单选题:
求下图中电压Vo和受控源实际消耗的功率。

选项:
A: 10V, -200W
B: 5V, 400W
C: -10V, 400W
D: 10V, 200W
E: -5V,-400W
答案: 【 -10V, 400W】
13、单选题:
如下图所示,该电路有五个元件。假设在关联参考方向下,如果p1=-205W,p2=60W,p4=45W,p5=30W,请问元件3的功率是多少?是发出还是吸收功率?

选项:
A: 70W,发出
B: 70W,吸收
C: 140W,发出
D: 140W,吸收
答案: 【 70W,吸收】
14、单选题:
如图所示,电路中的电流i为( ),电压v0为( )。
选项:
A: -8A,48V
B: 8A,-48V
C: 4A,-24V
D: -4A,24V
答案: 【 -8A,48V】
15、单选题:
如图所示,电路中的电压vx为( ),电压v0为( )。

选项:
A: 20V, -10V
B: -20V, 10V
C: 15V, -5V
D: -15V, 10V
答案: 【 20V, -10V】
16、单选题:
如图所示,电路中的电流i0为( ),电压v0为( )。

选项:
A: 6A, 24V
B: -6A, 24V
C: 3A, 12V
D: 3A, -12V
答案: 【 6A, 24V】
17、单选题:
如图所示,电路中的电流i0为( ),电压v0为( )。

选项:
A: 6A, 12V
B: 3A, 12V
C: -6A, 12V
D: -3A, -24V
答案: 【 6A, 12V】
18、单选题:
如图所示,该电路中受控源的功率p4是实际( )。

选项:
A: 发出8W
B: 吸收8W
C: 发出16W
D: 吸收16W
答案: 【 发出8W】
1、单选题:
电路中理想电压源中的电流
选项:
A: 与外电路无关
B: 由外电路决定
C: 由电压源内部电路决定
D: 无法确定
答案: 【 由外电路决定】
2、单选题:
理想电压源电压等于零时,此电压源所在处可用
选项:
A: 开路代替
B: 短路代替
C: 有限阻值R代替
D: 无法确定
答案: 【 短路代替】
1、单选题:
如图所示,已知us=100V,R1=2kΩ,R2=8kΩ,当R3=8kΩ时,电流i2为( )(小数点后保留1位)

选项:
A: 8.3mA
B: 6.1mA
C: 5.2mA
D: 0mA
答案: 【 8.3mA】
2、单选题:
如图所示,已知us=100V,R1=2kΩ,R2=8kΩ,当R3=∞时,电压u2为( )

选项:
A: 8V
B: 80V
C: 10V
D: -80V
答案: 【 80V】
3、单选题:
如图所示,us=50V,R1=2kΩ,R2=8Ω,现用电压表量程为50V,灵敏度为1000Ω/V(即每伏量程电压表相当于1000Ω的电阻),则测量的u0为( )(小数点后保留两位)

选项:
A: 40.00V
B: 38.76V
C: 20V
D: -40V
答案: 【 38.76V】
4、单选题:
如图所示,用Δ-Y等效变换法求电路中ab端的等效电阻Rab为()

选项:
A: 7Ω
B: 9Ω
C: 6Ω
D: 5Ω
答案: 【 7Ω】
1、单选题:
如图所示,电阻、电压源和电流源为已知,且为正值,若电阻R1增大,则电压u1将( ),电流源两端电压uis将( )。

选项:
A: 增大,增大
B: 增大,减小
C: 减小,增大
D: 减小,减小
答案: 【 增大,增大】
2、单选题:
如图(a)所示,us1=24V,us2=6V,R1=12kΩ,R2=6kΩ,R3=2kΩ。图(b)为经电源变换后的等效电路,该等效电路中电流源的电流is为(),等效电阻R为()。

选项:
A: 3mA, 4kΩ
B: 2mA, 4kΩ
C: 1mA, 2kΩ
D: -3mA, 2kΩ
答案: 【 3mA, 4kΩ】
3、单选题:
如图(a)所示,us1=24V,us2=6V,R1=12kΩ,R2=6kΩ,R3=2kΩ。图(b)为经电源变换后的等效电路,则us1、us2发出的功率( )于is发出的功率,R3消耗的功率为( )。

选项:
A: 不等于,8mW
B: 不等于,4mW
C: 等于,8mW
D: 等于,4mW
答案: 【 不等于,8mW】
4、单选题:
如图所示,从a、b端看入的输入端电阻为(),对角线电压U等于() 。

选项:
A: 5Ω, 2V
B: 4Ω, 3V
C: 4Ω, 6V
D: 5Ω, 0V
答案: 【 5Ω, 2V】
1、单选题:
求下图中电路网络的等效电阻

选项:
A: 12欧姆
B: 8欧姆
C: 14.4欧姆
D: 2.2欧姆
答案: 【 14.4欧姆】
2、单选题:
求下图电路网络的等效电阻

选项:
A: 5欧姆
B: 12欧姆
C: 15欧姆
D: 10欧姆
答案: 【 10欧姆】
3、单选题:
求下图电路网络的输入电阻

选项:
A: 19欧姆
B: 16欧姆
C: 18欧姆
D: 25欧姆
答案: 【 19欧姆】
4、单选题:
一个电路网络有12条支路,8个独立回路。请问该电路的结点数为
选项:
A: 19
B: 17
C: 5
D: 4
答案: 【 5】
5、单选题:
下图所示电路中,电阻R3的减少会导致下列选项中哪个量的减少?

选项:
A: 流经电阻R3的电流
B: R1两端的电压
C: R2消耗的功率
D: 以上几项都不是
答案: 【 R2消耗的功率】
6、单选题:
下列电路图中哪两个是等效的?

选项:
A: a 和 b
B: b 和 d
C: a 和 c
D: c 和 d
答案: 【 a 和 c】
7、单选题:
用一个电压源和电阻的串联方式来等效下列电路,请问此时的电压源大小(假设上方为高电位,下方为低电位)

选项:
A: -22V
B: 22V
C: 12V
D: -12V
答案: 【 22V】
8、单选题:
采用电源等效变换的方法求下列电路图中的电流ix

选项:
A: -0.1A
B: 0.2A
C: 0.182A
D: -0.2A
答案: 【 0.182A】
9、单选题:
计算该电路的输入电阻

选项:
A: 33欧姆
B: 66欧姆
C: 30欧姆
D: 20欧姆
答案: 【 66欧姆】
10、单选题:
1. 如图(a)所示,要求电阻8Ω两端电压v0,可以采用电源等效变换的方法,得到图(b)所示的电路形式,请问等效电阻R为( )Ω,电流源I为( )A,求得的电压v0为( )V。

图(a)

图(b)
选项:
A: 2,2,3.2
B: 1,1,3.2
C: -2,4,2
D: -1,1,3
答案: 【 2,2,3.2】
11、填空题:
将下图星型连接的电阻网络转换成一个三角形连接的电阻网络,那么ab端点之间的电阻Rab为 欧姆

答案: 【 35】
12、填空题:
如图所示,求电路中的电流i为 A

答案: 【 6】
13、填空题:
采用电源等效变换的方法计算下列电路中8欧姆电阻两端电压为 V.

答案: 【 3.2】
14、填空题:
如图(a)所示,要求电压vx,可以采用电源等效变换的方法,得到图(b)所示的电路形式,请问电压源Uoc电压值为( )V。

图(a)

图(b)
答案: 【 3】
15、填空题:
如图(a)所示,要求电压vx,可以采用电源等效变换的方法,得到图(b)所示的电路形式,请问受控源系数k为( )。

图(a)

图(b)
答案: 【 1】
1、单选题:
标有额定值为“220V 100W”和“220V 25W”的白炽灯两盏,将其串联后介入220V工频交流电源上,其亮度情况是
选项:
A: 100W的灯泡较亮
B: 25W的灯泡较亮
C: 两盏灯泡一样亮
D: 两盏灯泡都不亮
答案: 【 25W的灯泡较亮】
2、单选题:
电路等效变换时,如果一条支路两端的电压为零,可认为是
选项:
A: 开路
B: 短路
C: 没有电流通过
D: 无法判断
答案: 【 短路】
1、单选题:
选择正确的回路方程

选项:
A: 
B: 
C: 
D: 
答案: 【
】
2、单选题:

选项:
A: 
B: 
C: 
D: 
答案: 【
】
3、单选题:

选项:
A: 
B: 
C: 
D: 
答案: 【
】
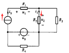
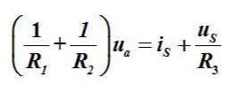
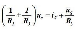
1、单选题:
写出Ua的结点电压方程

选项:
A: 
B: 
C: 
D: 
答案: 【 
备案号:冀ICP备20010840号 2020-2099辉辉网络科技 All Rights Reserved