

1、单选题:
自动化生产线安装与调试课程主要教学内容分为准备篇、专项篇、单站篇和___________。
选项:
A: 综合篇
B: 竞赛篇
C: 拓展篇
D: 挑战篇
答案: 【 综合篇】
2、单选题:
自动化生产线安装与调试课程考核,总评成绩由四部分构成,分别是单元测试,单元作业,考试和______________。
选项:
A: 课程讨论活跃度
B: 实践操作成绩
C: 作业互评成绩
D: 第二课堂成绩
答案: 【 课程讨论活跃度】
3、判断题:
自动化生产线安装与调试课程,有些作业是需要进行互评的,要求学习者最少对5个人的作业进行评分,才能得到互评作业的所有分数。
选项:
A: 正确
B: 错误
答案: 【 正确】
4、判断题:
主要以亚龙公司YL-335B自动化装配生产线为教学载体,由简单到复杂,单站到全线,培养学生和企业员工掌握自动化生产线各单元机械安装与调整、电路设计与连接、设备参数现场整定,人机界面组态、控制程序编制与调试以及设备故障排除的能力。
选项:
A: 正确
B: 错误
答案: 【 正确】
1、单选题:
自动化生产线安装与调试课程中有些作业是需要进行互评的,要求作业互评每个人最少互评个数为_________个。
选项:
A: 5
B: 4
C: 3
D: 2
答案: 【 5】
2、判断题:
自动化生产线安装与调试课程考核主要包括单元测试、单元作业、考核和课程讨论活跃度4个考核模块,分值比例为单元测试30分,单元作业30分,考试30分,课堂讨论活跃度10分。
选项:
A: 正确
B: 错误
答案: 【 正确】
3、判断题:
自动化生产线安装与调试课程中课堂讨论活跃度的分数(10分)需要在讨论区完成5个帖子以上的回复才能获得相应的分数。
选项:
A: 正确
B: 错误
答案: 【 正确】
1、判断题:
自动生产线由自动执行装置(包括各种执行器件、机构,如电机,电磁铁,电磁阀,气动,液压等),经各种检测装置(包括各种检测器件,传感器,仪表等),检测各装置的工作进程,工作状态,经逻辑,数理运算,判断,按生产工艺要求的程序,自动进行生产作业的流水线。
选项:
A: 正确
B: 错误
答案: 【 正确】
2、判断题:
亚龙YL-335B型自动生产线实训考核装备在铝合金导轨式实训台上安装送料、装配、加工、分拣和输送等工作单元,构成一个典型的自动生产线的工作平台。
选项:
A: 正确
B: 错误
答案: 【 正确】
3、判断题:
YL-335B生产线的控制方式采用每一工作单元由一台PLC承担其控制任务,各PLC之间通过RS485串行通讯实现互连的分布式控制方式。
选项:
A: 正确
B: 错误
答案: 【 正确】
4、判断题:
从生产线的控制过程来看,供料、装配和加工单元都属于对气动执行元件的逻辑控制;分拣单元则包括变频器驱动、运用PLC内置高速计数器检测工件位移的运动控制,以及通过传感器检测工件属性,实现分拣算法的逻辑控制;输送单元则着重于伺服系统快速、精确定位的运动控制。系统各工作单元的PLC之间的信息交换,通过RS485网络实现,而系统运行的主令信号、各单元工作状态的监控,则由连接到系统主站的嵌入式人机界面实现。
选项:
A: 正确
B: 错误
答案: 【 正确】
1、单选题:
YL335B工料单元实现的功能是
选项:
A: 加工
B: 上料
C: 分拣
D: 装配
答案: 【 上料】
2、判断题:
自动生产线由自动执行装置(包括各种执行器件、机构,如电机,电磁铁,电磁阀,气动,液压等),经各种检测装置(包括各种检测器件,传感器,仪表等),检测各装置的工作进程,工作状态,经逻辑,数理运算,判断,按生产工艺要求的程序,自动进行生产作业的流水线。
选项:
A: 正确
B: 错误
答案: 【 正确】
3、判断题:
亚龙YL-335B型自动生产线实训考核装备在铝合金导轨式实训台上安装送料、装配、加工、分拣和输送等工作单元,构成一个典型的自动生产线的工作平台。
选项:
A: 正确
B: 错误
答案: 【 正确】
4、判断题:
从生产线的控制过程来看,供料、装配和加工单元都属于对气动执行元件的逻辑控制;分拣单元则包括变频器驱动、运用PLC内置高速计数器检测工件位移的运动控制,以及通过传感器检测工件属性,实现分拣算法的逻辑控制;输送单元则着重于伺服系统快速、精确定位的运动控制。系统各工作单元的PLC之间的信息交换,通过RS485网络实现,而系统运行的主令信号、各单元工作状态的监控,则由连接到系统主站的嵌入式人机界面实现。
选项:
A: 正确
B: 错误
答案: 【 正确】
5、判断题:
光纤传感器不能用于检测物体的颜色
选项:
A: 正确
B: 错误
答案: 【 错误】
1、单选题:
YL335B自动化生产线供电电源电路原理图和实物图如下图所示,如果希望供料单元正常工作,需要将哪几个断路器合上去?
![]()

选项:
A: QF0,QF1,QF8
B: QF0,QF2,QF3
C: QF0,QF7
D: QF0,QF4,QF6
答案: 【 QF0,QF4,QF6】
2、单选题:
YL335B自动化生产线供电电源电路原理图和实物图如下图所示,如果希望加工单元正常工作,需要将哪几个断路器合上去?
![]()

选项:
A: QF0,QF1,QF8
B: QF0,QF5,QF6
C: QF0,QF2,QF3
D: QF0,QF7
答案: 【 QF0,QF5,QF6】
3、单选题:
YL335B自动化生产线供电电源电路原理图和实物图如下图所示,如果希望装配单元正常工作,需要将哪几个断路器合上去?
![]()

选项:
A: QF0,QF7
B: QF0,QF1,QF8
C: QF0,QF2,QF3
D: QF0,QF5,QF6
答案: 【 QF0,QF7】
4、单选题:
YL335B自动化生产线供电电源电路原理图和实物图如下图所示,如果希望分拣单元正常工作,需要将哪几个断路器合上去?
![]()

选项:
A: QF0,QF1,QF8
B: QF0,QF2,QF3
C: QF0,QF7
D: QF0,QF5,QF6
答案: 【 QF0,QF1,QF8】
5、单选题:
YL335B自动化生产线供电电源电路原理图和实物图如下图所示,如果希望输送单元正常工作,需要将哪几个断路器合上去?
![]()

选项:
A: QF0,QF2,QF3
B: QF0,QF4,QF6
C: QF0,QF5,QF6
D: QF0,QF7
答案: 【 QF0,QF2,QF3】
6、判断题:
工作单元机械装置与PLC装置之间的信息交换的方法是:机械装置上的各电磁阀和传感器的引线均连接到装置侧的接线端口上。PLC的I/O引出线则连接到PLC侧的接线端口上。两个接线端口间通过多芯信号电缆互连。
选项:
A: 正确
B: 错误
答案: 【 正确】
7、判断题:
为了防止在实训过程中,误将传感器信号线接到+24V端而损坏传感器,传感器端口各上层端子均在接线端口内部用510Ω限流电阻连接到+24V电源端。也就是说,传感器端口各上层端子提供给传感器的电源是有内阻的非稳压电源,这一点在进行电气接线时必须注意。
选项:
A: 正确
B: 错误
答案: 【 正确】
1、单选题:
传感器有如人的眼睛、耳朵、鼻子等感官器件,是自动化生产线中的__________元件,能感受规定的被测量并按照一定的规律转换成电信号输出。
选项:
A: 检测
B: 执行
C: 控制
D: 存储
答案: 【 检测】
2、单选题:
光电式接近开关(简称光电开关)是利用__________原理,用以检测物体的有无和表面状态变化等的传感器。
选项:
A: 光电效应
B: 电感效应
C: 霍尔效应
D: 磁感应效应
答案: 【 光电效应】
3、单选题:
电感式接近开关是利用_____________制造的传感器。

选项:
A: 电涡流效应
B: 光电效应
C: 霍尔效应
D: 磁感应效应
答案: 【 电涡流效应】
4、单选题:
_____________是通过光电转换,将输出至轴上的机械、几何位移量转换成脉冲或数字信号的传感器,主要用于速度或位置(角度)的检测。
选项:
A: 旋转编码器
B: 光电式接近开关
C: 磁性开关
D: 电感式接近开关
答案: 【 旋转编码器】
5、单选题:
光电编码器的光栅盘条纹数决定了传感器的最小分辨角度,即分辨角α=360º/条纹数。例如,若条纹数为500线,则分辨角α=______________。
选项:
A: 0.72
B: 500
C: 360
D: 1.48
答案: 【 0.72】
6、单选题:
____________是用来产生具有足够压力和流量的压缩空气并将其净化、处理及存储的一套装置。
选项:
A: 气源装置
B: 电磁阀
C: 气缸
D: 传感器
答案: 【 气源装置】
7、单选题:
______________是一种非接触式的位置检测开关,具有检测时不会磨损和损伤检测对象的优点,常用于检测磁场或磁性物质的存在。
选项:
A: 磁性开关
B: 行程开关
C: 微动开关
D: 光电式接近开关
答案: 【 磁性开关】
8、单选题:
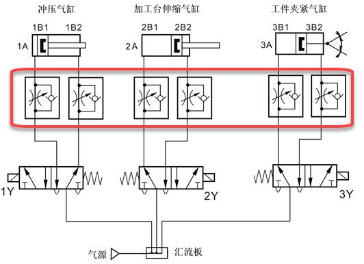
加工单元的气动回路图如下图所示,红色方框中的的气动元件是_____________。

选项:
A: 单向节流阀
B: 气缸
C: 气动二联件
D: 电磁阀
答案: 【 单向节流阀】
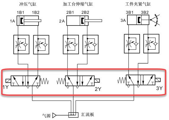
9、单选题:
加工单元的气动回路图如下图所示,红色方框中的的气动元件是_____________。

选项:
A: 二位五通单电控电磁阀
B: 二位五通双电控电磁阀
C: 单向节流阀
D: 磁性开关
答案: 【 二位五通单电控电磁阀】
10、单选题:
在供料单元使用的E3Z-LS63型光电开关(日本欧姆龙公司产),如图所示,如果希望当检测到工件后,光电开关创传感器有信号,那么光电开关中的动作切换开关应该设置为___________模式。

选项:
A: L
B: D
C: A
D: C
答案: 【 L】
11、判断题:
光电接近开关主要由光发射器和光接收器构成。如果光发射器发射的光线因检测物体不同而被遮掩或反射,到达光接收器的量将会发生变化。光接收器的敏感元件将检测出这种变化,并转换为电气信号输出。
选项:
A: 正确
B: 错误
答案: 【 正确】
12、判断题:
按照接收器接收光的方式的不同,光电式接近开关可分为对射式、反射式和漫射式3种。
选项:
A: 正确
B: 错误
答案: 【 正确】
13、判断题:
漫射式光电接近开关的工作原理示意图如图所示,这种光电开关是利用光照射到被测物体上后反射回来的光线而工作的,由于物体反射的光线为漫射光,故称为漫射式光电接近开关。它的光发射器与光接收器处于同一侧位置,且为一体化结构。在工作时,光发射器始终发射检测光,若接近开关前方一定距离内没有物体,则没有光被反射到接收器,接近开关处于常态而不动作;反之若接近开关的前方一定距离内出现物体,只要反射回来的光强度足够,则接收器接收到足够的漫射光就会使接近开关动作而改变输出的状态。

选项:
A: 正确
B: 错误
答案: 【 正确】
14、判断题:
自动化生产线中,接近开关通常作为信号输入元件与PLC输入端连接。接线前应首先识别其信号输出以及电源正、负极的引出线,可根据有关国际标准的规定用颜色区分:棕色为直流电路的正极,蓝色为负极,黑色为信号输出线。
选项:
A: 正确
B: 错误
答案: 【 正确】
15、判断题:
光纤传感器也是光电传感器的一种,它由光纤单元、放大器两部分组成。投光器和受光器均在放大器内,投光器发出的光线通过一条光纤内部从端面(光纤头)以约60°的角度扩散,照射到检测物体上;同样,反射回来的光线通过另一条光纤的内部回送到受光器。反射回来的光线量将由放大器内部的敏感元件检出,并转换为电气信号输出。

选项:
A: 正确
B: 错误
答案: 【 正确】
16、判断题:
已经完成安装和接线的光纤传感器的调试,主要是放大器灵敏度的调节。灵敏度是指光纤头与被检测物一定距离时能检测到物体的能力。灵敏度不仅与距离有关,还与被检测物的大小、表面状态、颜色有关。
选项:
A: 正确
B: 错误
答案: 【 正确】
17、判断题:
电感式接近开关以高频振荡器(LC振荡器)中的电感线圈作为检测元件,当被测金属物体接近电感线圈时产生了涡流效应,引起振荡器振幅或频率的变化,由传感器的信号调理电路(包括检波、放大、整形、输出等电路)将该变化转换成开关量输出,从而达到检测目的。
选项:
A: 正确
B: 错误
答案: 【 正确】
18、判断题:
增量式光电编码器的原理示意图如图所示,其结构是由光栅盘和光电检测装置组成。光栅盘是在一定直径的圆板上等分地开通若干个长方形狭缝,数量从几百到几千不等。由于光栅盘与电动机同轴,电动机旋转时,光栅盘与电动机同速旋转,发光元件发出的光线,透过光栅盘和光栏板狭缝形成忽明忽暗的光信号,受光元件把此光信号转换成电脉冲信号,因此,根据脉冲信号数量,便可推知转轴转动的角位移数值。

选项:
A: 正确
B: 错误
答案: 【 正确】
19、判断题:
为了提供旋转方向的信息,光栏板上设置了两个狭缝,A相狭缝与A相发光元件、受光元件对应;同样,B相狭缝与B相发光元件、受光元件对应。若两狭缝的间距与光栅间距T的比值满足一定关系,就能使A和B两个脉冲列在相位上相差90 º。当A相脉冲超前B相时为正转方向,而当B相脉冲超前A相时则为反转方向。

选项:
A: 正确
B: 错误
答案: 【 正确】
20、判断题:
分拣单元使用的旋转编码器的信号输出线分别由绿色、白色和黄色三根线引出,其中黄色线为Z相输出线。编码器在出厂时,旋转方向规定为从轴侧看顺时针方向旋转时为正向,这时绿色线的输出信号将超前白色线的输出信号90º,因此规定绿色线为A相线,白色线为B相线。
选项:
A: 正确
B: 错误
答案: 【 正确】
21、判断题:
由于分拣单元使用的编码器的工作电流达110mA,进行电气接线尚须注意,编码器的正极电源引线(红色)须连接到装置侧接线端口的+24V稳压电源端子上,不宜连接到带有内阻的电源端子Vcc上,否则工作电流在内阻上压降过大,使编码器不能正常工作。
选项:
A: 正确
B: 错误
答案: 【 正确】
22、判断题:
气动技术是以压缩空气作为动力源,进行能量传递或信号传递的工程技术,是实现各种生产控制、自动控制的重要手段之一。
选项:
A: 正确
B: 错误
答案: 【 正确】
23、判断题:
工业上的气动系统,常常把空气过滤器、减压阀和油雾器组合起来,各元件之间采用模块式组合方式连接构成气动三联件,作为气源处理装置。

备案号:冀ICP备20010840号 2020-2099辉辉网络科技 All Rights Reserved