

1、单选题:
电路如图所示,电路元件A( )。

选项:
A: 发出功率4W
B: 发出功率16W
C: 吸收功率4W
D: 吸收功率16W
答案: 【 吸收功率16W】
2、单选题:
使用理想独立电压源的定义判断下列那个选项的电压源连接是被允许( )。
选项:
A: 
B: 
C: 
D: 所有选项均不对
答案: 【
】
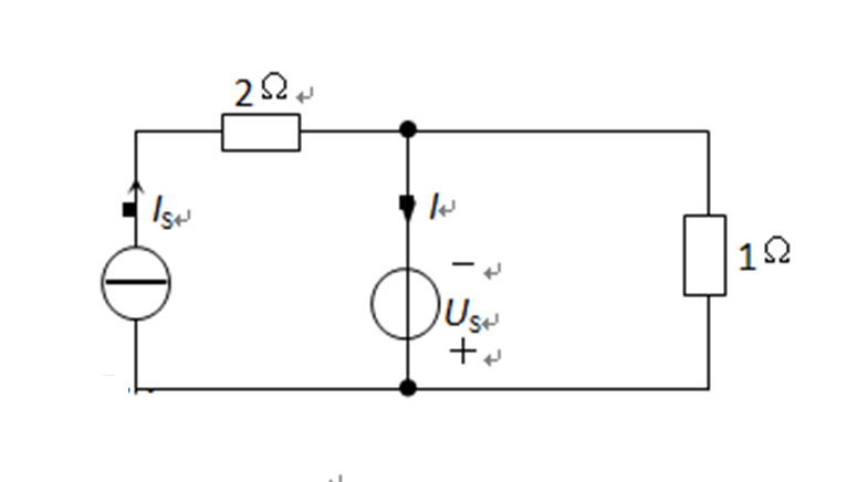
3、单选题:
电路如图所示,电路中电流I=( )A。

选项:
A: 1
B: 2
C: 3
D: 4
答案: 【 2】
4、单选题:
某电阻R两端的电压u与流过该电阻的电流i为非关联参考方向时,令u=-10V,消耗功率为0.5W,则电阻R为( )。
选项:
A: 200Ω
B: -200Ω
C: -150Ω
D: 150Ω
答案: 【 200Ω】
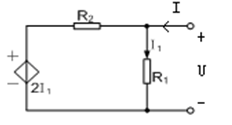
5、单选题:
电路如图所示,流过受控源两端的电流I=( )A。

选项:
A: 1
B: 2
C: 3
D: 4
答案: 【 2】
6、单选题:
图示电路中 I = 0 A 时,电位 UA=( ) 。

选项:
A: 70 V
B: 60 V
C: -10 V
D: 90 V
答案: 【 60 V 】
7、单选题:
电路如图所示,已知US=3V,IS=2A,则UAB=( )V;I=( )A。

选项:
A: -1;5
B: -1;-5
C: 1;5
D: 1;-5
答案: 【 1;5】
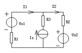
8、单选题:
图示电路中, 正确的电压方程是( )。

选项:
A: US1-R1I1+R3IS=0
B: US2-R2I2+R3IS=0
C: US1-R1I1-US2-R2I2=0
D: US1+R1I1-US2+R2I2=0
答案: 【 US1-R1I1-US2-R2I2=0】
9、单选题:
已知图中的 I=3A,I2=1A,R1=2Ω,则R2=( )Ω。

选项:
A: 4
B: 5
C: 6
D: 8
答案: 【 4】
10、判断题:
沿顺时针和逆时针列写KVL方程,其结果是相同的。( )
选项:
A: 正确
B: 错误
答案: 【 正确】
1、单选题:
下列说法中错误的是()
选项:
A: 两个电路N1、N2等效是指:从端口看,它们的电压、电流关系相同
B: 两个电路N1、N2等效时,两个电路对外电路的影响相同
C: 两个电路N1、N2等效时,电路内部的同一元件的功率一定相同
D: 研究电路等效的目的是为了互相代替,以便于化简
答案: 【 两个电路N1、N2等效时,电路内部的同一元件的功率一定相同】
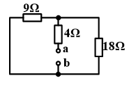
2、单选题:
图示电路中,ab两端的等效电阻为()Ω。

选项:
A: 10
B: 20
C: 15
D: 2.4
答案: 【 10 】
3、单选题:
图示电路,对负载R而言,虚线框中的电路可以等效为()

选项:
A: 1Ω电阻
B: 4A电流源
C: 4V电压源并联1Ω电阻
D: 无等效电路
答案: 【 4A电流源】
4、单选题:
图示电路,对负载R而言,虚线框中的电路可以等效为()

选项:
A: 1Ω电阻
B: 10V电压源
C: 10A电流源串联1Ω电阻
D: 无等效电路
答案: 【 10V电压源】
5、单选题:
理想电压源和理想电流源间()。
选项:
A: 有等效变换关系
B: 没有等效变换关系
C: 有条件下的等效关系
D: 所有选项均不对
答案: 【 没有等效变换关系 】
6、单选题:
若图示两电路等效,则Us=()V,Rs=()Ω。

选项:
A: 8;2
B: 6;2
C: 8;3
D: 6;3
答案: 【 8;2 】
7、判断题:
对称Y形和对称Δ形纯电阻网络等效变换的公式为RY=3RΔ。
选项:
A: 正确
B: 错误
答案: 【 错误】
8、判断题:
判断题:图示两个电路是等效的。()

选项:
A: 正确
B: 错误
答案: 【 错误】
9、判断题:
一个含独立源的电阻性线性二端网络(可以含受控源)总可以等效为一个电压源与一个电阻串联或一个电流源与一个电阻并联。( )
选项:
A: 正确
B: 错误
答案: 【 正确】
10、判断题:
如图所示电路的等效电阻为
。

选项:
A: 正确
B: 错误
答案: 【 正确】
1、单选题:
现用支路电流法求解图示电路,下面描述正确的是()

选项:
A: 可列出3个独立结点电流方程
B: 可列出3个独立的回路电压方程
C: 可通过列出6个独立方程求解电路
D: 以上描述均正确
答案: 【 可列出3个独立的回路电压方程】
2、单选题:
利用支路电流法求解图示电路中的各未知电压和电流,需列出独立的电流方程数和电压方程数分别为( )和( )。

选项:
A: 4和3
B: 1和2
C: 3和4
D: 2和1
答案: 【 1和2】
3、单选题:
各点电位的高低是()的,而两点之间的电压值是()的。
选项:
A: 相对,相对
B: 相对,绝对
C: 绝对,相对
D: 绝对,绝对
答案: 【 相对,绝对】
4、单选题:
图示电路中b点的电位为()V。

选项:
A: 1
B: 2
C: 3
D: 4
答案: 【 1 】
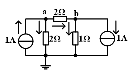
5、单选题:
利用结点电压法计算图示电路中b点的电位为()V。

选项:
A: 0.2
B: -0.2
备案号:冀ICP备20010840号 2020-2099辉辉网络科技 All Rights Reserved