

1、单选题:
电路是( )的通路。
选项:
A: 电流
B: 电压
C: 功率
D: 负载
E: 中间环节
F: 电源
答案: 【 电流】
2、单选题:
在电路中,能推动电路工作的叫作什么?
选项:
A: 激励
B: 相应
C: 功率
D: 电压
E: 电流
答案: 【 激励】
3、多选题:
电路的作用有以下哪几种?
选项:
A: 电能的传输和转换
B: 传递和处理信号
C: 将各种设备或元器件构成一个闭合回路
D: 将一种形式的能量转换成另一种形式的能量
E: 实现电路中的串联和并联结构
答案: 【 电能的传输和转换;
传递和处理信号】
4、多选题:
在电路中,能称为激励的是以下哪几种?
选项:
A: 电源的电压
B: 信号源的电压
C: 电源的电流
D: 信号源的电流
E: 在电路中各部分产生的电压
F: 在电路中各部分产生的电流
G: 在电路中各部分产生的功率
答案: 【 电源的电压;
信号源的电压;
电源的电流;
信号源的电流】
1、单选题:
以下哪种情况是理想化的?
选项:
A: 电路模型
B: 电路实体
C: 实际电阻元件
D: 实际电源元件
E: 实际电感元件
F: 实际电容元件
答案: 【 电路模型】
1、填空题:
当实际方向与所选的电流参考方向一致时,则电流为( )值。(提示:填“正”or“负”)
答案: 【 正】
2、填空题:
当实际方向与所选的电流参考方向相反时,则电流为( )值。(提示:填“正”or“负”)
答案: 【 负】
1、填空题:
在欧姆定律中,电压和电流的正负号表示的是参考方向和( )方向之间的关系。(提示:填“实际”or“真实”)
答案: 【 实际】
1、单选题:

选项:
A: 9W
B: 15W
C: 无法确定
D: 12W
E: 3W
答案: 【 9W】
2、单选题:

选项:
A: -10V
B: 10V
C: 50V
D: -50V
E: 无法确定
F: 0V
答案: 【 -10V】
3、单选题:

选项:
A: -40V
B: 40V
C: 25V
D: 26V
E: -45V
F: -34V
答案: 【 -40V】
4、填空题:
当电源短路时,电源的电动势全部降在( )上。(提示:填“负载”or“内阻”)
答案: 【 内阻】
5、填空题:
在使用时,电压、电流和功率的实际值( )等于它们的额定值。(提示:填“一定”or“不一定”)
答案: 【 不一定】
6、填空题:
基尔霍夫电流定律通常应用于( )。(提示:填“结点”or“回路”)
答案: 【 结点】
7、填空题:
基尔霍夫电压定律通常应用于( )。(提示:填“结点”or“回路”)
答案: 【 回路】
1、单选题:

选项:
A: 增大
B: 减小
C: 不变
D: 不能确定
E: 先增大后减小
F: 先减小后增大
答案: 【 增大】
2、单选题:

选项:
A: 30W
B: 6W
C: 12W
D: 42W
E: 无法确定
F: 0W
答案: 【 30W】
3、单选题:

选项:
A: -1A
B: 1A
C: 3A
D: -3A
E: 10A
F: -10A
答案: 【 -1A】
4、单选题:

选项:
A: 7A,6Ω
B: 7A,2Ω
C: 6A,2Ω
D: 6A,6Ω
E: 7A,2Ω
F: 7A,12Ω
G: 6A,12Ω
答案: 【 7A,6Ω】
5、判断题:
用支路电流法列方程时,首先在电路图上选定的未知支路的电流、电流或电动势的方向是参考方向。
选项:
A: 正确
B: 错误
答案: 【 正确】
6、判断题:
用叠加定理计算复杂电路的核心,就是把一个多电源的复杂电路化为几个单电源电路来计算。
选项:
A: 正确
B: 错误
答案: 【 正确】
1、单选题:
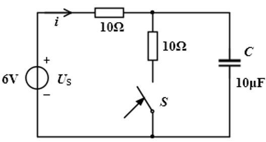
图示电路中,在稳定状态时AB两端的电压数值___V。

选项:
A: 6
B: 3
C: 0
D: 2
答案: 【 6】
2、单选题:
若一阶电路的时间常数为3秒,则零输入响应每经过3秒后衰减为原来的————–%。
选项:
A: 50
B: 36.8
C: 25
D: 13.6
答案: 【 36.8】
3、单选题:
在换路瞬间,下列各项中除( )不能跃变外,其他全可跃变。
选项:
A: 电感电压
B: 电阻电压
C: 电容电压
D: 电容电流
答案: 【 电容电压】
4、单选题:
RC电路初始储能为零,而由初始时刻施加于电路的外部激励引起的响应称为( )响应。
选项:
A: 零输入
B: 暂态
C: 全响应
D: 零状态
答案: 【 零状态】
5、单选题:
RC电路外部激励为零,而由初始储能引起的响应称为( )响应。
选项:
A: 暂态
B: 零状态
C: 零输入
D: 全响应
答案: 【 零输入】
6、单选题:
RC电路初始储能不为零,而由初始时刻施加于电路的外部激励引起的响应称为( )
选项:
A: 全响应
B: 零输入
C: 零状态
D: 暂态
答案: 【 全响应】
7、单选题:
一阶电路的时间常数 τ 值取决于( )。
选项:
A: 激励信号和电路初始状态
B: 电路的结构和参数
C: 电路参数
D: 激励信号和电路稳定状态
答案: 【 电路的结构和参数】
8、单选题:
在计算图所示电路过渡过程中时,时间常数 τ 值为( )。

选项:
A: R1*C
B: R2*C
C: (R1+R2)*C
D: (R1//R2)*C
答案: 【 (R1//R2)*C】
9、单选题:
如图2所示电路在换路前处于稳定状态,在t = 0瞬间将开关 S 闭合,则i(0+)为

选项:
A: 0
B: 0.6
C: 0.4
D: 0.2
答案: 【 0】
10、单选题:
在图3所示电路中,开关 S 在t = 0瞬间闭合,若uc(0-)=4V,则uR(0+)为( )。

选项:
A: 4
B: 0
C: 8
D: 16
答案: 【 8】
11、判断题:
电感元件中通过直流电流时可视作短路, 此时电感为零。
选项:
A: 正确
B: 错误
答案: 【 错误】
12、判断题:
电容元件两端加直流电压时可视作开路,此时电容C为无穷大。
选项:
A: 正确
B: 错误
答案: 【 错误】
13、判断题:
电路出现过渡(暂态)过程的原因有两个:外因是换路,内因是存在储能元件。
选项:
A: 正确
B: 错误
答案: 【 正确】
14、判断题:
一阶电路的时间常数只有一个,即一阶电路中的各电压、电流的时间常数
选项:
A: 正确
B: 错误
答案: 【 正确】
1、单选题:

选项:
A: 5V,5Ω
B: 10V,5Ω
C: 10V,10Ω
D: 5V,10Ω
E: 15V,10Ω
F: 15V,5Ω
答案: 【 5V,5Ω 】
2、单选题:

选项:
A: 42V,6Ω
B: 30V,6Ω
C: 36V,6Ω
D: 36V,12Ω
E: 42V,12Ω
F: 42V,24Ω
答案: 【 42V,6Ω】
3、单选题:

选项:
A: 40V,5Ω
B: 30V,5Ω
C: 20V,5Ω
D: 50V,5Ω
E: 30V,10Ω
F: 20V,5Ω
G: 50V,5Ω
答案: 【 40V,5Ω】
4、单选题:

选项:
A: 1V
B: -1V
C: 4V
D: -4V
E: 无法确定
答案: 【 1V】
5、单选题:

选项:
A: 4V
B: 2V
C: 6V
D: 0V
E: -4V
F: -2V
G: -6V
答案: 【 -2V】
6、判断题:
任何一个有源二端线性网络都可用一个电动势为E的理想电压源和内阻R0串联的电源来等效代替。
选项:
A: 正确
B: 错误
答案: 【 正确】
1、单选题:

选项:
A: 20A
B: 10A
C: 14.1A
D: 28.2A
E: -20A
F: -10A
G: -14.1A
H: -28.2A
答案: 【 20A】
2、单选题:
已知正弦交流电压u=220sin(6.28t+60)V,其频率为( )Hz。
选项:
A: 50
B: 6.28
C: 1
D: 2
答案: 【 1】
3、单选题:
已知
,
,则( )。
选项:
A: u1超前u2 15度
B: u1滞后u2 15度
C: u1超前u2 75度
D: 相位差无法判断
答案: 【 u1超前u2 15度】
4、单选题
备案号:冀ICP备20010840号 2020-2099辉辉网络科技 All Rights Reserved