

1、单选题:
逻辑函数F=AB+BC的最小项表达式为( )。
选项:
A: F=m2+m3+m6
B: F=m2+m3+m7
C: F=m3+m6+m7
D: F=m3+m4+m7
答案: 【 F=m3+m6+m7】
2、单选题:
在四变量卡诺图中,逻辑上不相邻的一组最小项为:( )
选项:
A: m1与m3
B: m4与m6
C: m5 与m13
D: m2 与m8
答案: 【 m2 与m8】
3、单选题:
L=AB+C 的对偶式为:( )
选项:
A: A+BC
B: ( A+B )C
C: A+B+C
D: ABC
答案: 【 ( A+B )C】
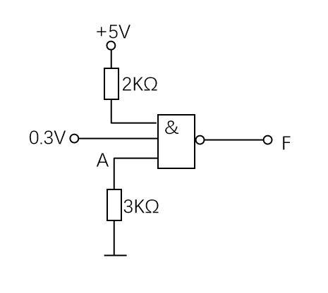
1、单选题:
三输入端TTL与非门如图所示,图中A点的电位为 ,F点的电位为 。

选项:
A: 0V,0.3V
B: 0.3V,3.6V
C: 0V,3.6V
D: 0.3V,0.3V
答案: 【 0.3V,3.6V】
2、单选题:
如图所示的五种TTL电路中,输出为高电平的是Y( ),请将Y的序号填入括号中。其中VIL为在输入端加低电平,VIH为在输入端加高电平。
备案号:冀ICP备20010840号 2020-2099辉辉网络科技 All Rights Reserved