

1、单选题:
一个完整的电路是有( )、负载和中间环节组成的。A电流 B电源 C电压 D开关
选项:
A: A
B: B
C: C
D: D
答案: 【 B】
2、单选题:
在电力系统电路中,发电机是是电源,变压器和输电线是( )。A负载 B电源 C中间环节 D连接设备
选项:
A: A
B: B
C: C
D: D
答案: 【 C】
3、单选题:
在扩音机电路中,话筒是( )。A负载 B中间环节 C信号源 D 电源
选项:
A: A
B: B
C: C
D: D
答案: 【 C】
4、判断题:
判断正误:电路是电流的通路。
选项:
A: 正确
B: 错误
答案: 【 正确】
5、判断题:
判断正误:电路模型是由理想电路元件组成的。
选项:
A: 正确
B: 错误
答案: 【 正确】
1、单选题:
1.选择:关于参考方向以下描述正确的是( )A参考方向必须和实际方向相同;B参考方向必须和实际方向相反;C参考方向是任选的,可以和实际方向相同,也可以不同;D题目中可以不标参考方向。
选项:
A: A
B: B
C: C
D: D
答案: 【 C】
2、单选题:
2. 选择:参考方向选定后,电流的计算结果为负,说明( )A电流的参考方向和实际方向相同;B电流的参考方向和实际方向相反;C电流的参考方向和实际方向没有关系;D计算有误。
选项:
A: A
B: B
C: C
D: D
答案: 【 B】
3、单选题:
电 路 和 及 其 对 应 的 欧 姆 定 律 表 达 式 分 别 如 图 1、图 2 、图 3 所 示,其 中 表 达 式 正 确 的 是( )。

A图1 B图2 C图3 D无答案
选项:
A: A
B: B
C: C
D: D
答案: 【 B】
4、单选题:
在 图 示 电 路 中,已 知 U=4 V,电 流 I = -2 A,则 电 阻 值 R 为( )。


选项:
A: A
B: B
C: C
D: D
答案: 【 B】
5、单选题:
在 图 示 电 路 中,已 知 U=–6 V,电 流 I=2 A,则 电 阻 值 R 为 ( )。


选项:
A: A
B: B
C: C
D: D
答案: 【 C】
1、单选题:
图 示 元 件 供 出 电 功 率 10 W,则 电 压 U 为 ( )。
A -5 V B 5 V C 20 V D -20V

选项:
A: A
B: B
C: C
D: D
答案: 【 A】
2、单选题:
有 额 定 功 率 PN = 100 W、额 定 电 压 UN = 220 V 的 电 阻 两 只,将 它 们 串 联 后 接 到 220 V 的 直 流 电 源 上 使 用,这 时 每 只 电 阻 实 际 消 耗 的 电 功 率 为 ( )。 A 50 W B 100 W C 25 W D 20W
选项:
A: A
B: B
C: C
D: D
答案: 【 C】
3、单选题:
图 示 电 路 中,供 出 功 率 的 电 源 是( )。
A理 想 电 压 源
B理 想 电 流 源
C 理 想 电 压 源 与 理 想 电 流 源
D都不是

选项:
A: A
B: B
C: C
D: D
答案: 【 B】
4、单选题:
在 图 示 电 路 中,US ,IS 均 为 正 值,其 工 作 状 态 是 ( )。
A 电 压 源 发 出 功 率
B 电 流 源 发 出 功 率
C 电 压 源 和 电 流 源 都 不 发 出 功 率
D 电 压 源 和 电 流 源 都 发 出 功 率

选项:
A: A
B: B
C: C
D: D
答案: 【 B】
5、单选题:
图 示 电 路 中,理 想 电 压 源 发 出 的 功 率 P 为 ( )。
A 6 W B –6 W C 18 W D 10W

选项:
A: A
B: B
C: C
D: D
答案: 【 B】
1、单选题:
在 图 示 电 路 中,已 知:US =10 V,I1 =-4 A,I2 =1 A,电 流 I3 为( )。
A 1 A B 2 A C 3 A D 4A

选项:
A: A
B: B
C: C
D: D
答案: 【 C】
2、单选题:
在 图 示 电 路 中,电 流 I 为 ( )。
A 8 A B 2 A C –2 A D 4A

选项:
A: A
B: B
C: C
D: D
答案: 【 C】
3、单选题:
在 图 示 电 路 中,已 知:US =2 V,IS =2 A。电 流 I 为( )。
A 2 A B –2 A C –4 A D 1A

选项:
A: A
B: B
C: C
D: D
答案: 【 B】
4、单选题:
在 图 示 电 路 中,已 知 US = 12 V, IS = 2 A。A、B 两 点 间 的 电 压 UAB 为( )。
A –18 V B 18 V C –6 V D 6V

选项:
A: A
B: B
C: C
D: D
答案: 【 A】
5、单选题:
图 示 电 路 中,电 压 UAB 为 ( )。
A 12 V B –12 V C 0V D 6V

选项:
A: A
B: B
C: C
D: D
答案: 【 C】
1、单选题:
1. 已 知 白 炽 灯 A 和 B 的 额 定 电 压 相 等,但 A 的 额 定 功 率 大 于 B 的 额 定 功 率。现 将 A 和 B 串 联 后 连 接 在 某 一 电 源 上,则 白 炽 灯 A 上 的 电 压 降( )。A较 大 B 较 小 C不 确 定 D为0
选项:
A: A
B: B
C: C
D: D
答案: 【 B】
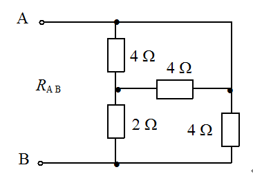
2、单选题:
图 示 电 路 的 等 效 电 阻 RAB 为 ( )。


选项:
A: A
B: B
C: C
D: D
答案: 【 A】
3、单选题:
在 图 示 电 路 中,电 源 电 压 U = 2 V,若 使 电 流 I = 3 A, 电 阻 R 值 为( )。


选项:
A: A
B: B
C: C
D: D
答案: 【 A】
4、单选题:
在 图 示 电 路 中,电 源 电 压U =10 V,电 阻 R =20 W,则 电 流 I 值 为 ( )。
A 1 A B 2 A C 3 A D0.5A

选项:
A: A
B: B
C: C
D: D
答案: 【 A】
5、单选题:
图 示 电 路 中,A、B 两 端 间 的 等 效 电 阻 与 电 阻 RL 相 等,则 RL 为( )。


选项:
A: A
B: B
C: C
D: D
答案: 【 B】
1、单选题:
电 路 及 其 对 应 的 欧 姆 定 律 表 达 式 分 别 如 图1、图 2、图 3 所 示,表达式错误 的 是( )。
A 图 1 B 图 2 C 图 3 D 无正确图

选项:
A: A
B: B
C: C
D: D
答案: 【 C】
2、单选题:
在 图 示 电 路 中 ,US ,IS 均 为 正 值,其 工 作 状 态 是 ( )。
A 电 压 源 发 出 功 率
B 电 流 源 发 出 功 率
C 电 压 源 和 电 流 源 都 不 发 出 功 率
D电 压 源 和 电 流 源 都 发 出 功 率

选项:
A: A
B: B
C: C
D: D
答案: 【 A】
3、单选题:
在 图 示 电 路 中,电 流 I 为( )。
A 3 A B 10 A C –2 A D 1A

选项:
A: A
B: B
C: C
D: D
答案: 【 C】
4、单选题:
在 图 示 电 路 中,已 知 US = 4 V,IS = 2 A。A、B 两 点 间 的 电 压 UAB 为 ( )。
A 5 V B –3 V C 2 V D 3V

选项:
A: A
B: B
C: C
D: D
答案: 【 D】
5、单选题:
图 示 电 路 中,已 知 I SC =10 A,则 电 阻 R 消 耗 的 电 功 率 P 为 ( )。
A 600 W B 300 W C 240 W D 120W

选项:
A: A
B: B
C: C
D: D
答案: 【 C】
6、单选题:
图 示 电 路 中,已 知 :IS = 5 A ,US = 5 V ,当 电 流 源 单 独 作 用 时 ,流 过 电 阻 R 的 电 流 是 3 A,那么,当 电 流 源 和 电 压 源 共 同 作 用 时,流 过 电 阻 R 的 电 流 I 值 为 ( )。
A -2 A B –3 A C 4 A D 1V

选项:
A: A
B: B
C: C
D: D
答案: 【 C】
7、单选题:
把 图 1 所 示 的 电 路 改 为 图 2 的 电 路,其 负 载 电 流 I1 和 I2 将( )。
A 增 大 B 不 变 C 减 小 D 为0

选项:
A: A
B: B
C: C
D: D
答案: 【 A】
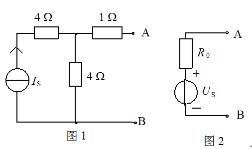
8、单选题:
把 图 1 所 示 的 电 路 用 图 2 所 示 的 等 效 电 压 源 代 替,该 等 效 电 压 源 的 参 数 为( )。


选项:
A: A
B: B
C: C
D: D
答案: 【 B】
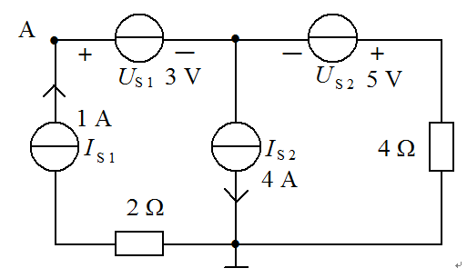
9、单选题:
图 2 是 图 1 所 示 电 路 的 戴 维 宁 等 效 电 压 源。已 知 图 2 中 US = 8 V,则 图 1 中 的 电 流 源 IS 的 值 应 是( )。
A 3 A B 2 A C 1 A D 0A

选项:
A: A
B: B
C: C
D: D
答案: 【 B】
10、单选题:
在 图 示 电 路 中,A 点 的 电 位 VA 为 ( )。
A 7 V B –14 V C –20 V D 9V

选项:
A: A
B: B
C: C
D: D
答案: 【 B】
1、单选题:
图 示 电 路 中,已 知 US = 15 V ,A 点 的 电 位 VA 为 ( )。
A –10 V B –5 V C 10 V D 5V

选项:
A: A
B: B
C: C
D: D
答案: 【 A】
2、单选题:
在 图 示 电 路 中,当 开 关 S 断 开 时 A 点 的 电 位 VA ( )。
A 3 V B –6 V C 0 V D 1V

选项:
A: A
B: B
C: C
D: D
答案: 【 B】
3、单选题:
在 图 示 的 电 路 中,A 点 的 电 位 VA 为 ( )。
A 0 V B 15 V C –15 V D 10V

选项:
A: A
B: B
C: C
D: D
答案: 【 A】
4、单选题:
图 示 电 路 中,A 点 的 电 位 VA 应 是( )。
A 4 V B 8 V C –8 V D –4 V

选项:
A: A
B: B
C: C
D: D
答案: 【 C】
5、单选题:
在 图 示 电 路 中,A 点 的 电 位 VA 为 ( )。
A –16 V B –2 V C 10 V D 5V

选项:
A: A
B: B
C: C
D: D
答案: 【 B】
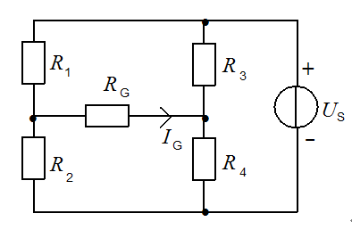
1、单选题:
在 图 示 电 路 中,各 电 阻 值 和 US 值 均 已 知。欲 用 支 路 电 流 法 求 解 流 过 电 阻 RG 的 电 流 IG,需 列 出 独 立 的 电 流 方 程 数 和 电 压 方 程 数 分 别 为( )。
A 4 和 3 B 3 和 3 C 3 和 4 D 2和4

选项:
A: A
B: B
C: C
D: D
答案: 【 B】
2、单选题:
图 示 电 路 中 ,电 压 U 和 电 流 I 的 关 系 式 为( )。
A U = 16–2I B U = 4–2I C U = 4–0.5I D U = 4+0.5I

选项:
A: A
B: B
C: C
D: D
答案: 【 A】
3、单选题:
在 图 示 电 路 中 ,已 知 :US = 18 V,IS = 3 A ,电 流 I 为 ( )。
A 1.2 A B 3 A C 0A D1A

选项:
A: A
B: B
C: C
D: D
答案: 【 C】
4、单选题:
在 图 示 电 路 中,电 压 UAB 的 值 为 ( )。
A 2 V B 3 V C 1 V D 0V

选项:
A: A
B: B
C: C
D: D
答案: 【 B】
5、单选题:
图 示 电 路 中,电 压 UAB 为 ( )。
A 12 V B –12 V C 0V D 1V

选项:
A: A
B: B
C: C
D: D
答案: 【 C】
1、单选题:
在 计 算 线 性 电 阻 电 路 的 电 压 和 电 流 时, 用 叠 加 定 理。在 计 算 线 性 电 阻 电 路 的 功 率 时,叠加 定 理( )。A 可 以 用 B 不 可 以 用 C 有 条 件 地 使 用 D 有时可用
选项:
A: A
B: B
C: C
D: D
答案: 【 B】
2、单选题:
图 示 电 路 中,电 压 UAB = 10 V,I S = 1 A 当 电 压 源 US 单 独 作 用 时,电 压 UAB 将 ( )。
A 变大 B 为零 C不 变 D 变小

选项:
A: A
B: B
C: C
D: D
答案: 【 B】
3、单选题:
在 图 示 电 路 中,已 知:US = 9 V ,IS = 6 mA,当 电 压 源 US 单 独 作 用 时,通 过 RL 的 电 流 是 1 mA,那 么 当 电 流 源 IS 单 独 作 用 时,通 过 电 阻 RL 的 电 流 IL 是( )。
A 2 mA B 4 mA C –2 mA D 1mA

选项:
A: A
B: B
C: C
D: D
答案: 【 A】
4、单选题:
已 知 图 示 电 路 中 的 IS = 5 A,当 US 单 独 作 用 时,I1 = 3 A,那 么 当 IS 、US 共 同 作 用 时 2 W 电 阻 中 电 流 I 是 ( )。
A 5 A B 6 A C 0A D 1A


选项:
A: A
B: B
C: C
D: D
答案: 【 B】
5、单选题:
在 图 示 电 路 中 ,已知:IS = 5 A ,当 IS ,US 共 同 作 用 时,UAB = 4 V。那 么 当 电 压 源 US 单 独 作 用 时,电 压 UAB 应 为 ( )。
A –2 V B 6 V C 8 V D 9V

选项:
A: A
B: B
C: C
D: D
答案: 【 A】
1、单选题:
理 想 电 压 源 和 理 想 电 流 源 间( )。A有 等 效 变 换 关 系 B没 有 等 效 变 换 关 系C有 条 件 下 的 等 效 变 换 关 系D有 时 存 在 等 效 变 换 关 系
选项:
A: A
B: B
C: C
D: D
答案: 【 B】
2、单选题:
图 示电 路 中,用 一 个 等 效 电 源 代 替,应 该 是 一 个( )。
A 2 A 的 理 想 电 流 源
B 2 V 的 理 想 电 压 源
C 不 能 代 替,仍 为 原 电 路
D 无法判断

选项:
A: A
B: B
C: C
D: D
答案: 【 B】
3、单选题:
已 知 图 1 中 的 US1 = 4 V,IS1 = 2 A 。用 图 2 所 示 的 等 效 理 想 电 流 源 代 替 图 1 所 示 的 电 路,该 等 效 电 流 源 的 参 数 为( )。
A 6 A B 2 A C -2 A D 1A

选项:
A: A
B: B
C: C
D: D
答案: 【 C】
4、单选题:
把 图 1 所 示 的 电 路 改 为 图 2 的 电 路,其 负 载 电 流 I1 和 I2 将
( )。
A 增 大 B 不 变 C 减 小 D 为零

选项:
A: A
B: B
C: C
D: D
答案: 【 B】
5、单选题:
把 图 1 所 示 的 电 路 用 图 2 所 示 的 等 效 电 压 源 代 替,则 等 效 电 压 源 的 参 数 为 ( )。


选项:
A: A
B: B
C: C
D: D
答案: 【 A】
1、单选题:
图 2 是 图 1 所 示 电 路 的 戴 维 宁 等 效 电 压 源。已 知 图 2 中 U S = 8 V,则 图 1 中 的 电 流 源 I S 的 值 应 是( )。
A 3 A B 2 A C 1 A D 4A

备案号:冀ICP备20010840号 2020-2099辉辉网络科技 All Rights Reserved