

1、单选题:
在OSI参考模型上,物理层的功能是什么?
选项:
A: 建立和释放链接
B: 透明地传输比特流
C: 在物理实体间传输数据帧
D: 发送和接受用户数据
答案: 【 透明地传输比特流】
2、单选题:
完成路径选择功能是在OSI参考模型的哪一层?
选项:
A: 物理层
B: 数据链路层
C: 网络层
D: 传输层
答案: 【 网络层】
3、单选题:
Internet的核心协议是什么?
选项:
A: TCP/IP
B: ARPANET
C: FTP
D: ISP
答案: 【 TCP/IP】
4、单选题:
下面哪种拓扑技术可以使用集线器作为连接器?
选项:
A: 双环状
B: 总线
C: 星型
D: 全网状
答案: 【 星型】
5、单选题:
ARPAnet是什么网络?
选项:
A: 线路交换
B: 分组交换
C: 虚电路
D: 报文交换
答案: 【 分组交换】
6、单选题:
Internet最早起源于哪个网络?
选项:
A: ARPAnet
B: MILnet
C: NSFnet
D: ANSnet
答案: 【 ARPAnet】
7、单选题:
在OSI参考模型中,第k层与它之上的第k+1层的关系是什么?
选项:
A: 第k层为第k+1层提供服务。
B: 第k+1层将从第k层接收的报文添加一个报头。
C: 第k层与第k+1层相互没有影响
D: 第k层使用第k+1层提供的服务
答案: 【 第k层为第k+1层提供服务。】
8、单选题:
协议是什么之间进行通信的规则和约定?
选项:
A: 同一结点上下层
B: 不同结点
C: 相邻实体
D: 不同结点对等实体
答案: 【 不同结点对等实体】
9、单选题:
TCP/IP参考模型的网络层提供的是:(11年考研33题))
选项:
A: 无连接不可靠的数据报服务
B: 无连接可靠的数据报服务
C: 有连接不可靠的虚电路服务
D: 有连接可靠的虚电路服务
答案: 【 无连接不可靠的数据报服务】
10、单选题:
在OSI参考模型中,自下而上第一个提供端到端服务的层次是:(09年考研33题)
选项:
A: 数据链路层
B: 传输层
C: 会话层
D: 应用层
答案: 【 传输层】
11、单选题:
下列选项中,不属于网络体系结构中所描述的内容是:(10年考研33题)
选项:
A: 网络的层次
B: 每一层使用的协议
C: 协议的内部实现细节
D: 每一层必须完成的功能
答案: 【 协议的内部实现细节】
12、单选题:
在OSI参考摸型中,下列功能需由应用层的相邻层实现的是:(13年考研33题)
选项:
A: 对话管理
B: 数据格式转换
C: 路由选择
D: 可靠数据传输
答案: 【 数据格式转换】
13、单选题:
在OSI参考模型中,直接为会话层提供服务的是:((14年考研33题))
选项:
A: 应用层
B: 表示层
C: 传输层
D: 网络层
答案: 【 传输层】
14、单选题:
下面哪个网络是最早的互联网?
选项:
A: A. CSNET
B: A. NSFNET
C: A. ANSNET
D: A. ARPANET
答案: 【 A. ARPANET】
15、单选题:
下面哪个是现代互联网络的协议栈?
选项:
A: TCP/IP
B: NCP
C: UNIX
D: ACM
答案: 【 TCP/IP】
16、单选题:
下面哪个机构包含了IETF和IRTF?
选项:
A: ISOC
B: IAB
C: IANA
D: ICANN
答案: 【 IAB】
17、单选题:
下面哪个是ICANN的前身?
选项:
A: ISOC
B: IETF
C: IANA
D: NIC
答案: 【 IANA】
18、单选题:
下面哪个参考模型显示了一个计算机的网络功能是如何组织的?
选项:
A: CCITT
B: OSI
C: ISO
D: ANSI
答案: 【 OSI】
19、单选题:
物理层关注的是通过物理层介质传输什么?
选项:
A: 程序
B: 对话
C: 协议
D: 比特流
答案: 【 比特流】
20、单选题:
OSI参考模型和TCP/IP参考模型分别包含几层?
选项:
A: 3、4
B: 5、5
C: 7、4
D: 8、5
答案: 【 7、4】
21、单选题:
当数据包从参考模型的低层向高层移动时,头部会怎样?
选项:
A: 增加
B: 减少
C: 重新排布
D: 修改
答案: 【 减少】
22、单选题:
当数据从设备A传给设备B时,A的5层(OSI参考模型)数据头部被B的哪一层实体读取?
选项:
A: 物理层
B: 传输层
C: 会话层
D: 表示层
答案: 【 会话层】
23、单选题:
传输层的主要功能是下面哪个?
选项:
A: 节点到节点的数据传输
B: 进程到进程的数据传输
C: 同步
D: 更新和维护路由表
答案: 【 进程到进程的数据传输】
24、单选题:
加密和解密是下面哪一层的功能?
选项:
A: 传输层
B: 会话层
C: 表示层
D: 应用层
答案: 【 表示层】
25、单选题:
应用层提供下面哪些服务?
选项:
A: 网络虚拟终端
B: 文件传输、访问和管理
C: 邮件服务
D: 这三个选项都是
答案: 【 这三个选项都是】
26、单选题:
按照地理范围大小递增的顺序,给计算机网络排名。
选项:
A: PAN,LAN, MAN, WAN
B: LAN, PAN, WAN, MAN
C: WAN, MAN, LAN, PAN
D: PAN, LAN, WAN, MAN
答案: 【 PAN,LAN, MAN, WAN】
27、单选题:
"HTTP, TCP, IP,PPP"是什么的例子?
选项:
A: 协议数据单元
B: 层
C: 参考模型
D: 协议
答案: 【 协议】
28、单选题:
1500 字节的用户消息(信息)通过一个链路发送,在网络层和数据链路层分别使用 IP 和以太网协议,每层都有 20 字节的报头(其他层忽略不计)。协议报头开销占总带宽的比例是多少?
选项:
A: 2.60%
B: 3.30%
C: 2.70%
D: 1.30%
答案: 【 2.60%】
29、单选题:
假设在一个内容源和三个内容消费者的正中间有一个装有副本的主机。通过使用副本分发目录,相比通过分别向三个消费者单独地分发目录,节约了多少网络资源?
选项:
A: 33%
B: 25%
C: 50%
D: 66%
答案: 【 33%】
30、单选题:
消息 M 是由 UDP,IP 和以太网协议封装,以此顺序沿着协议栈向下。在数据链路层上,协议数据单元(PDU),是怎样的?使用U代表的 UDP数据段,使用I, E 和 M 分别表示IP分组、以太帧和消息(信息)。这些部分以它们被发送的顺序来写,最左边为最先发送。
选项:
A: EIUM
B: IUM
C: UIEM
D: MUIE
答案: 【 EIUM】
31、单选题:
下列哪一项是一个标准的参考模型(顶端到底部)?
选项:
A: 应用层, 传输层, 网络层, 网络接入层
B: HTTP, TCP, 以太网, IP
C: 应用层, 会话层, 网络层, 链路层,物理层窗体顶端
D: HTTP, TCP, IP, 802.11
答案: 【 应用层, 传输层, 网络层, 网络接入层】
32、单选题:
在网络上有一个1250字节的传输单元(已经封装好的PDU),它是利用DNS,UDP,IP,PPP,和SONET协议栈的一次用户发送消息的结果。每个协议报头是20字节长。携带此消息将使网络带宽的利用率达到多少?
选项:
A: 9%
B: 92%
C: 98%
D: 50%
答案: 【 92%】
33、单选题:
使用 HTTP、 TCP、 IP 和以太网协议栈的网络发送一个1000字节的用户消息。每个协议头是 20 个字节长。使用此消息将使网络带宽的使用率达到多少?
选项:
A: 6%
B: 94%
C: 7%
D: 93%
答案: 【 93%】
34、单选题:
客户端-服务器使用卫星网络,与在 22,500 km高度的卫星进行通信。由客户端 (或服务器) 发送一条消息给卫星,然后卫星再传递此消息到服务器 (或客户端)。响应一个请求的延迟最佳情况,即,客户端发送 (或启动) 对服务器的请求后,客户端需要多长时间等待来自服务器的响应?假定信号以光速传播。(提示: 光速是 300,000,000 米/秒.)
选项:
A: 15ms
B: 150ms
C: 30ms
D: 300ms
答案: 【 300ms】
35、单选题:
"线"上有一个传入帧 ABC 由协议进行多路解编和处理 (A、 B 和 C 代表各自协议的报头,他们都按接收到他们的顺序给出)。传递到协议 B是什么消息,协议 B 又传递给谁什么消息?
选项:
A: 协议 B 从协议A获取 BC,并传递C到协议 C
B: 协议 B 从协议A获取 AB,并传递BC到协议 C
C: 协议 B 从协议A获取 ABC,并传递BC到协议 C
D: 协议 B 从协议C获取 ABC,并传递ABC到协议 C
答案: 【 协议 B 从协议A获取 BC,并传递C到协议 C】
36、单选题:
数据链路层的协议数据单元(Protocol Data Unit,PDU)是什么?
选项:
A: 帧(Frame)
B: 比特流(Bits)
C: 分组(Packet)
D: 数据段(Segment)
答案: 【 帧(Frame)】
37、单选题:
吞吐量的基本单位是什么?
选项:
A: Bps(Byte per second)
B: bps(bit per second)
C: Byte
D: bits
答案: 【 bps(bit per second)】
38、单选题:
通信子网的主要组成是什么?
选项:
A: 主机和局域网
B: 网络节点和通信链路
C: 网络体系结构和网络协议
D: 通信链路和终端
答案: 【 网络节点和通信链路】
39、单选题:
在n个节点的星型拓扑结构中,有多少条物理链路?
选项:
A: n-1
B: n
C: n+1
D: n+2
答案: 【 n-1】
40、单选题:
协议数据单元(PDU)包含哪两个部分?
选项:
A: 控制信息和用户数据
B: 接口信息和用户数据
C: 接口信息和控制信息
D: 控制信息和校验信息
答案: 【 控制信息和用户数据】
41、判断题:
服务和协议是完全相分离的。
选项:
A: 正确
B: 错误
答案: 【 正确】
42、判断题:
实通信是对等实体之间进行的通信。
选项:
A: 正确
B: 错误
答案: 【 错误】
1、单选题:
"线"上有一个传入帧 ABC 由协议进行多路解编和处理 (A、 B 和 C 代表各自协议的报头,他们都按接收到他们的顺序给出)。传递到协议 B是什么消息,协议 B 又传递给谁什么消息?
选项:
A: 协议 B 从协议A获取 BC,并传递C到协议 C
B: 协议 B 从协议A获取 AB,并传递BC到协议 C
C: 协议 B 从协议A获取 ABC,并传递BC到协议 C
D: 协议 B 从协议C获取 ABC,并传递ABC到协议 C
答案: 【 协议 B 从协议A获取 BC,并传递C到协议 C】
2、单选题:
数据链路层的协议数据单元(Protocol Data Unit,PDU)是什么?
选项:
A: 帧(Frame)
B: 比特流(Bits)
C: 分组(Packet)
D: 数据段(Segment)
答案: 【 帧(Frame)】
3、单选题:
吞吐量的基本单位是什么?
选项:
A: Bps(Byte per second)
B: bps(bit per second)
C: Byte
D: bits
答案: 【 bps(bit per second)】
4、单选题:
通信子网的主要组成是什么?
选项:
A: 主机和局域网
B: 网络节点和通信链路
C: 网络体系结构和网络协议
D: 通信链路和终端
答案: 【 网络节点和通信链路】
5、单选题:
在n个节点的星型拓扑结构中,有多少条物理链路?
选项:
A: n-1
B: n
C: n+1
D: n+2
答案: 【 n-1】
6、单选题:
协议数据单元(PDU)包含哪两个部分?
选项:
A: 控制信息和用户数据
B: 接口信息和用户数据
C: 接口信息和控制信息
D: 控制信息和校验信息
答案: 【 控制信息和用户数据】
7、单选题:
按照地理范围大小递增的顺序,给计算机网络排名。
选项:
A: PAN,LAN, MAN, WAN
B: LAN, PAN, WAN, MAN
C: WAN, MAN, LAN, PAN
D: PAN, LAN, WAN, MAN
答案: 【 PAN,LAN, MAN, WAN】
8、单选题:
"HTTP, TCP, IP,PPP"是什么的例子?
选项:
A: 协议数据单元
B: 层
C: 参考模型
D: 协议
答案: 【 协议】
9、单选题:
1500 字节的用户消息(信息)通过一个链路发送,在网络层和数据链路层分别使用 IP 和以太网协议,每层都有 20 字节的报头(其他层忽略不计)。协议报头开销占总带宽的比例是多少?
选项:
A: 2.60%
B: 3.30%
C: 2.70%
D: 1.30%
答案: 【 2.60%】
10、单选题:
假设在一个内容源和三个内容消费者的正中间有一个装有副本的主机。通过使用副本分发目录,相比通过分别向三个消费者单独地分发目录,节约了多少网络资源?
选项:
A: 33%
B: 25%
C: 50%
D: 66%
答案: 【 33%】
11、单选题:
消息 M 是由 UDP,IP 和以太网协议封装,以此顺序沿着协议栈向下。在数据链路层上,协议数据单元(PDU),是怎样的?使用U代表的 UDP数据段,使用I, E 和 M 分别表示IP分组、以太帧和消息(信息)。这些部分以它们被发送的顺序来写,最左边为最先发送。
选项:
A: EIUM
B: IUM
C: UIEM
D: MUIE
答案: 【 EIUM】
12、单选题:
下列哪一项是一个标准的参考模型(顶端到底部)?
选项:
A: 应用层, 传输层, 网络层, 网络接入层
B: HTTP, TCP, 以太网, IP
C: 应用层, 会话层, 网络层, 链路层,物理层窗体顶端
D: HTTP, TCP, IP, 802.11
答案: 【 应用层, 传输层, 网络层, 网络接入层】
13、单选题:
在网络上有一个1250字节的传输单元(已经封装好的PDU),它是利用DNS,UDP,IP,PPP,和SONET协议栈的一次用户发送消息的结果。每个协议报头是20字节长。携带此消息将使网络带宽的利用率达到多少?
选项:
A: 9%
B: 92%
C: 98%
D: 50%
答案: 【 92%】
14、单选题:
使用 HTTP、 TCP、 IP 和以太网协议栈的网络发送一个1000字节的用户消息。每个协议头是 20 个字节长。使用此消息将使网络带宽的使用率达到多少?
选项:
A: 6%
B: 94%
C: 7%
D: 93%
答案: 【 93%】
15、单选题:
客户端-服务器使用卫星网络,与在 22,500 km高度的卫星进行通信。由客户端 (或服务器) 发送一条消息给卫星,然后卫星再传递此消息到服务器 (或客户端)。响应一个请求的延迟最佳情况,即,客户端发送 (或启动) 对服务器的请求后,客户端需要多长时间等待来自服务器的响应?假定信号以光速传播。(提示: 光速是 300,000,000 米/秒.)
选项:
A: 15ms
B: 150ms
C: 30ms
D: 300ms
答案: 【 300ms】
16、单选题:
下面哪个是ICANN的前身?
选项:
A: ISOC
B: IETF
C: IANA
D: NIC
答案: 【 IANA】
17、单选题:
下面哪个参考模型显示了一个计算机的网络功能是如何组织的?
选项:
A: CCITT
B: OSI
C: ISO
D: ANSI
答案: 【 OSI】
18、单选题:
物理层关注的是通过物理层介质传输什么?
选项:
A: 程序
B: 对话
C: 协议
D: 比特流
答案: 【 比特流】
19、单选题:
OSI参考模型和TCP/IP参考模型分别包含几层?
选项:
A: 3、4
B: 5、5
C: 7、4
D: 8、5
答案: 【 7、4】
20、单选题:
当数据包从参考模型的低层向高层移动时,头部会怎样?
选项:
A: 增加
B: 减少
C: 重新排布
D: 修改
答案: 【 减少】
21、单选题:
当数据从设备A传给设备B时,A的5层(OSI参考模型)数据头部被B的哪一层实体读取?
选项:
A: 物理层
B: 传输层
C: 会话层
D: 表示层
答案: 【 会话层】
22、单选题:
传输层的主要功能是下面哪个?
选项:
A: 节点到节点的数据传输
B: 进程到进程的数据传输
C: 同步
D: 更新和维护路由表
答案: 【 进程到进程的数据传输】
23、单选题:
加密和解密是下面哪一层的功能?
选项:
A: 传输层
B: 会话层
C: 表示层
D: 应用层
答案: 【 表示层】
24、单选题:
应用层提供下面哪些服务?
选项:
A: 网络虚拟终端
B: 文件传输、访问和管理
C: 邮件服务
D: 这三个选项都是
答案: 【 这三个选项都是】
25、单选题:
在OSI参考模型中,第k层与它之上的第k+1层的关系是什么?
选项:
A: 第k层为第k+1层提供服务。
B: 第k+1层将从第k层接收的报文添加一个报头。
C: 第k层与第k+1层相互没有影响
D: 第k层使用第k+1层提供的服务
答案: 【 第k层为第k+1层提供服务。】
26、单选题:
协议是什么之间进行通信的规则和约定?
选项:
A: 同一结点上下层
B: 不同结点
C: 相邻实体
D: 不同结点对等实体
答案: 【 不同结点对等实体】
27、单选题:
TCP/IP参考模型的网络层提供的是:(11年考研33题))
选项:
A: 无连接不可靠的数据报服务
B: 无连接可靠的数据报服务
C: 有连接不可靠的虚电路服务
D: 有连接可靠的虚电路服务
答案: 【 无连接不可靠的数据报服务】
28、单选题:
在OSI参考模型中,自下而上第一个提供端到端服务的层次是:(09年考研33题)
选项:
A: 数据链路层
B: 传输层
C: 会话层
D: 应用层
答案: 【 传输层】
29、单选题:
下列选项中,不属于网络体系结构中所描述的内容是:(10年考研33题)
选项:
A: 网络的层次
B: 每一层使用的协议
C: 协议的内部实现细节
D: 每一层必须完成的功能
答案: 【 协议的内部实现细节】
30、单选题:
在OSI参考摸型中,下列功能需由应用层的相邻层实现的是:(13年考研33题)
选项:
A: 对话管理
B: 数据格式转换
C: 路由选择
D: 可靠数据传输
答案: 【 数据格式转换】
31、单选题:
在OSI参考模型中,直接为会话层提供服务的是:((14年考研33题))
选项:
A: 应用层
B: 表示层
C: 传输层
D: 网络层
答案: 【 传输层】
32、单选题:
下面哪个网络是最早的互联网?
选项:
A: A. CSNET
B: A. NSFNET
C: A. ANSNET
D: A. ARPANET
答案: 【 A. ARPANET】
33、单选题:
下面哪个是现代互联网络的协议栈?
选项:
A: TCP/IP
B: NCP
C: UNIX
D: ACM
答案: 【 TCP/IP】
34、单选题:
下面哪个机构包含了IETF和IRTF?
选项:
A: ISOC
B: IAB
C: IANA
D: ICANN
答案: 【 IAB】
35、单选题:
完成路径选择功能是在OSI参考模型的哪一层?
选项:
A: 物理层
B: 数据链路层
C: 网络层
D: 传输层
答案: 【 网络层】
36、单选题:
Internet的核心协议是什么?
选项:
A: TCP/IP
B: ARPANET
C: FTP
D: ISP
答案: 【 TCP/IP】
37、单选题:
下面哪种拓扑技术可以使用集线器作为连接器?
选项:
A: 双环状
B: 总线
C: 星型
D: 全网状
答案: 【 星型】
38、单选题:
ARPAnet是什么网络?
选项:
A: 线路交换
B: 分组交换
C: 虚电路
D: 报文交换
答案: 【 分组交换】
39、单选题:
Internet最早起源于哪个网络?
选项:
A: ARPAnet
B: MILnet
C: NSFnet
D: ANSnet
答案: 【 ARPAnet】
40、单选题:
在OSI参考模型上,物理层的功能是什么?
选项:
A: 建立和释放链接
B: 透明地传输比特流
C: 在物理实体间传输数据帧
D: 发送和接受用户数据
答案: 【 透明地传输比特流】
41、判断题:
实通信是对等实体之间进行的通信。
选项:
A: 正确
B: 错误
答案: 【 错误】
42、判断题:
服务和协议是完全相分离的。
选项:
A: 正确
B: 错误
答案: 【 正确】
1、单选题:
1bit在一个传输速度为1Gbps的有线网络上可以传播多远?假设通过线传播的信号的传播速度是真空中光速的2/3。(光在真空中的速度是300,000,000m/s)。
选项:
A: 2m
B: 20cm
C: 0.3m
D: 3m
答案: 【 20cm】
2、单选题:
一根物理带宽是3MHz的传输信道,如果使用了8级的数字信号,每秒可以发送多少数据?假设该信道没有噪声的。
选项:
A: 48Mbps(Megabitspersecond)
B: 18Mbps(Megabitspersecond)
C: 18000000bytespersecond
D: 24Mbps(Megabitspersecond)
答案: 【 18Mbps(Megabitspersecond)】
3、单选题:
为了在1MHz带宽的信道上得到4Mbps(兆比特每秒)的比特率,信噪比需要达到多少?
选项:
A: 15dB
B: 15
C: 11.76
D: 1.17dB
答案: 【 15】
4、单选题:
在一根有5ms传输延迟(时间,delay)的4Mbps链路上发送500字节的消息,此消息从发送到传输至目的地的延迟(时间)共有多少?(延迟=发送时间+传输延迟)
选项:
A: 5ms
B: 1ms
C: 9ms
D: 6ms
答案: 【 6ms】
5、单选题:
在一个有4ms延迟的5Mbps互联网访问链路上,传输数据最大数量是什么?
选项:
A: 20bytes
B: 25KB
C: 100000bits
D: 2500bytes
答案: 【 2500bytes】
6、单选题:
一种调制方案使用8个电压级别,分别对应0到7。每个电压等级根据其二进制表示形式表示为3位,例如,电压等级3表示为"011"。请选出位序列010010001111表示的电压等级?
选项:
A: 8233
B: 1117
C: 10101
D: 2217
答案: 【 2217】
7、单选题:
8级信号级别方案被用在一个5MHz频率波段中发送信息,数据传输最大比特率是多少?使用奈奎斯特定理。
选项:
A: 80Mbps
B: 10Mbps
C: 20Mbps
D: 30Mbps
答案: 【 30Mbps】
8、单选题:
一个802.11信道有20MHz的带宽。假设在良好条件下,一个802.11信号以大约为1000的信噪比(S/N)接收。通过802.11链路发送信息的最大速率是多少?使用香农极限定理。
选项:
A: 60Mbps
B: 400Mbps
C: 20Gbps
D: 200Mbps
答案: 【 200Mbps】
9、单选题:
32个用户共享2.048Mbps链路,使用频分多路服用技术(FDM)。每个用户实际使用多少带宽?
选项:
A: 由于统计复用,超过64kbps。
B: 64kbps(所有时间)
C: 2.048Mbps(1/32秒)
D: 64kbps(1/32秒)
答案: 【 64kbps(所有时间)】
10、单选题:
32个用户共享2.048Mbps链路,使用时分多路复用技术(TDM)。每个用户当轮使用时,以全速度发送8位。多久用户才能发送一次?
选项:
A: 4us
B: 125us
C: 任何阶段都可被使用;它必须被指定
D: 4ms
答案: 【 125us】
11、单选题:
在一个802.11的LAN上,假设节点A和B,能监听彼此的通信,两个节点同时发送数据。下面哪个选择最好地描述了这种情况?
选项:
A: 显式终端
B: 冲突
C: 隐式终端
D: 空间重用
答案: 【 冲突】
12、单选题:
这个问题测试你对共享资源的统计时分多路复用的理解。选择你认为的正确选项。(请仔细阅读,分辨词语间细小的不同)
选项:
A: 统计时分多路复用的主要好处是通过给用户提供更少的容量(相比每个用户都需要独立的容量)来降低网络的成本。
B: 当用户行为是正相关时统计时分多路复用的效果好。
C: 为了让统计时分多路复用有效,单个用户的利用率要高。
D: 其它三个说法都不对。
答案: 【 统计时分多路复用的主要好处是通过给用户提供更少的容量(相比每个用户都需要独立的容量)来降低网络的成本。】
13、单选题:
5个用户使用TDM或FDM共享1Mbps链路。使用TDM的每个用户都要以一个固定的顺序轮流完全占据链接1ms(毫秒)。使用FDM的每个用户在所有时间中获得1/5的链路。当用户传输一个1250字节的消息时,哪个方法具有最低的可能延迟,且该延迟时间是多少?
选项:
A: FDM,12.5ms
B: TDM,46ms
C: TDM和FDM,50ms
D: TDM,10ms
答案: 【 TDM,46ms】
14、单选题:
在局域网中,连接用户终端设备的常用的传输介质是哪种?
选项:
A: 非屏蔽双绞线
B: 屏蔽双绞线
C: 单模光纤
D: 多模光纤
答案: 【 非屏蔽双绞线】
15、单选题:
下面哪种传输介质具有高带宽、不受电磁干扰、重量轻等优势?
选项:
A: 同轴电缆
B: 屏蔽双绞线
C: 光纤
D: 卫星
答案: 【 光纤】
16、单选题:
下面哪个设备属于物理层设备?
选项:
A: 集线器
B: 交换机
C: 路由器
D: 网关
答案: 【 集线器】
17、单选题:
单模光纤的内径是多大?
选项:
A: 62.5mm
B: 125mm
C: 8~10mm
D: 其他选项都不对
答案: 【 8~10mm】
18、单选题:
与多模光纤相比,单模光纤的主要特点是什么?
选项:
A: 高速度、短距离、高成本、粗芯线
B: 高速度、长距离、低成本、粗芯线
C: 高速度、短距离、低成本、细芯线
D: 高速度、长距离、高成本、细芯线
答案: 【 高速度、长距离、高成本、细芯线】
19、单选题:
报文的内容不按顺序到达目的节点的是下面哪种方式?
选项:
A: 电路交换
B: 报文交换
C: 虚电路交换
D: 数据包交换
答案: 【 数据包交换】
20、单选题:
一个调制解调器使用幅移键控和相移键控。在波特率是1000波特的情况下数据速率达到3000bps,若采用0,90,180,270四种相位,则每种相位有几个不同的幅度值?
选项:
A: 1
B: 2
C: 3
D: 4
答案: 【 2】
21、单选题:
当数字信号在模拟传输系统中传送时,在发送端和接收端分别需要什么设备?
选项:
A: 调制器和解调器
B: 解调器和调制器
C: 编码器和解码器
D: 解码器和编码器
答案: 【 调制器和解调器】
22、单选题:
在无噪声情况下,若某通信链路的带宽为3kHz,采用4个相位,每个相位具有4种振幅的QAM调制技术,则该通信链路的最大数据传输速率是多少?(09考研)
选项:
A: 12kbps
B: 24kbps
C: 48kbps
D: 96kbps
答案: 【 24kbps】
23、单选题:
若某通信链路的数据传输速率为2400bps,采用4相位调制,则该链路的波特率是多少?(11年考研)
选项:
A: 600波特
B: 1200波特
C: 4800波特
D: 9600波特
答案: 【 1200波特】
24、单选题:
在物理层接口特性中,用于描述完成每种功能的事件发生顺序的是哪个?(12年考研)
选项:
A: 机械特性
B: 功能特性
C: 过程特性
D: 电气特性
答案: 【 过程特性】
25、单选题:
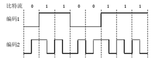
使用两种编码方案对比特流01100111进行编码的结果如下图所示,编码1和编码2分别是什么?(15考研题)
选项:
A: NRZ和曼彻斯特编码
B: NRZ和差分曼彻斯特编码
C: NRZI和曼彻斯特编码
D: NRZI和差分曼彻斯特编码
答案: 【 NRZ和曼彻斯特编码】
26、单选题:
若连接R2和R3链路的频率带宽为8kHz,信噪比为30dB,该链路实际数据传输速率约为理论最大数据传输速率的50%,则该链路的实际数据传输速率约是多少?(16考研题)
选项:
A: 8kbps
B: 20kbps
C: 40kbps
D: 80kbps
答案: 【 40kbps】
27、单选题:
SONET是下面哪种网络的标准?
选项:
A: 双绞线网络
B: 同轴电缆网络
C: 以太网
D: 光纤网络
答案: 【 光纤网络】
28、单选题:
在公共电话交换网络中,端局的编解码器要将从本地回路接收的模拟信号数字化,采用了下面哪种技术?
选项:
A: 差分曼彻斯特编码技术
B: QAM技术
C: 曼彻斯特编码技术
D: 脉冲编码调制技术
答案: 【 脉冲编码调制技术】
29、单选题:
下面哪个复用技术,具有动态分配时隙的功能?
选项:
A: 同步时分多路复用技术
B: 统计时分多路复用技术
C: 频分多路复用技术
D: 波分多路复用技术
答案: 【 统计时分多路复用技术】
30、单选题:
当描述一个物理层接口引脚处于高电平时的含义时,该描述属于哪个?。
选项:
A: 机械特性
B: 电气特性
C: 功能特性
D: 规程特性
答案: 【 功能特性】
31、多选题:
公共电话交换网络(PSTN)主要由下面哪几部分构成?(多选)
选项:
A: 交换局
B: 本地回路
C: 干线
D: 以上都不是
答案: 【 交换局;
本地回路;
干线】
32、多选题:
下面哪种设备的使用可以导致冲突域规模增加?(多选)
选项:
A: 中继器
B: 集线器
C: 交换机
D: 网桥
答案: 【 中继器;
集线器】
1、单选题:
1bit在一个传输速度为1Gbps的有线网络上可以传播多远?假设通过线传播的信号的传播速度是真空中光速的2/3。(光在真空中的速度是300,000,000m/s)。
选项:
A: 2m
B: 20cm
C: 0.3m
D: 3m
答案: 【 20cm】
2、单选题:
一根物理带宽是3MHz的传输信道,如果使用了8级的数字信号,每秒可以发送多少数据?假设该信道没有噪声的。
选项:
A: 48Mbps(Megabitspersecond)
B: 18Mbps(Megabitspersecond)
C: 18000000bytespersecond
D: 24Mbps(Megabitspersecond)
答案: 【 18Mbps(Megabitspersecond)】
3、单选题:
为了在1MHz带宽的信道上得到4Mbps(兆比特每秒)的比特率,信噪比需要达到多少?
选项:
A: 15dB
B: 15
C: 11.76
D: 1.17dB
答案: 【 15】
4、单选题:
在一根有5ms传输延迟(时间,delay)的4Mbps链路上发送500字节的消息,此消息从发送到传输至目的地的延迟(时间)共有多少?(延迟=发送时间+传输延迟)
选项:
A: 5ms
B: 1ms
C: 9ms
D: 6ms
答案: 【 6ms】
5、单选题:
在一个有4ms延迟的5Mbps互联网访问链路上,传输数据最大数量是什么?
选项:
A: 20bytes
B: 25KB
C: 100000bits
D: 2500bytes
答案: 【 2500bytes】
6、单选题:
一种调制方案使用8个电压级别,分别对应0到7。每个电压等级根据其二进制表示形式表示为3位,例如,电压等级3表示为"011"。请选出位序列010010001111表示的电压等级?
选项:
A: 8233
B: 1117
C: 10101
D: 2217
答案: 【 2217】
7、单选题:
8级信号级别方案被用在一个5MHz频率波段中发送信息,数据传输最大比特率是多少?使用奈奎斯特定理。
选项:
A: 80Mbps
B: 10Mbps
C: 20Mbps
D: 30Mbps
答案: 【 30Mbps】
8、单选题:
一个802.11信道有20MHz的带宽。假设在良好条件下,一个802.11信号以大约为1000的信噪比(S/N)接收。通过802.11链路发送信息的最大速率是多少?使用香农极限定理。
选项:
A: 60Mbps
B: 400Mbps
C: 20Gbps
D: 200Mbps
答案: 【 200Mbps】
9、单选题:
32个用户共享2.048Mbps链路,使用频分多路服用技术(FDM)。每个用户实际使用多少带宽?
选项:
A: 由于统计复用,超过64kbps。
B: 64kbps(所有时间)
C: 2.048Mbps(1/32秒)
D: 64kbps(1/32秒)
答案: 【 64kbps(所有时间)】
10、单选题:
32个用户共享2.048Mbps链路,使用时分多路复用技术(TDM)。每个用户当轮使用时,以全速度发送8位。多久用户才能发送一次?
选项:
A: 4us
B: 125us
C: 任何阶段都可被使用;它必须被指定
D: 4ms
答案: 【 125us】
11、单选题:
在一个802.11的LAN上,假设节点A和B,能监听彼此的通信,两个节点同时发送数据。下面哪个选择最好地描述了这种情况?
选项:
A: 显式终端
B: 冲突
C: 隐式终端
D: 空间重用
答案: 【 冲突】
12、单选题:
这个问题测试你对共享资源的统计时分多路复用的理解。选择你认为的正确选项。(请仔细阅读,分辨词语间细小的不同)
选项:
A: 统计时分多路复用的主要好处是通过给用户提供更少的容量(相比每个用户都需要独立的容量)来降低网络的成本。
B: 当用户行为是正相关时统计时分多路复用的效果好。
C: 为了让统计时分多路复用有效,单个用户的利用率要高。
D: 其它三个说法都不对。
答案: 【 统计时分多路复用的主要好处是通过给用户提供更少的容量(相比每个用户都需要独立的容量)来降低网络的成本。】
13、单选题:
5个用户使用TDM或FDM共享1Mbps链路。使用TDM的每个用户都要以一个固定的顺序轮流完全占据链接1ms(毫秒)。使用FDM的每个用户在所有时间中获得1/5的链路。当用户传输一个1250字节的消息时,哪个方法具有最低的可能延迟,且该延迟时间是多少?
选项:
A: FDM,12.5ms
B: TDM,46ms
C: TDM和FDM,50ms
D: TDM,10ms
答案: 【 TDM,46ms】
14、单选题:
在局域网中,连接用户终端设备的常用的传输介质是哪种?
选项:
A: 非屏蔽双绞线
B: 屏蔽双绞线
C: 单模光纤
D: 多模光纤
答案: 【 非屏蔽双绞线】
15、单选题:
下面哪种传输介质具有高带宽、不受电磁干扰、重量轻等优势?
选项:
A: 同轴电缆
B: 屏蔽双绞线
C: 光纤
D: 卫星
答案: 【 光纤】
16、单选题:
下面哪个设备属于物理层设备?
选项:
A: 集线器
B: 交换机
C: 路由器
D: 网关
答案: 【 集线器】
17、单选题:
与多模光纤相比,单模光纤的主要特点是什么?
选项:
A: 高速度、短距离、高成本、粗芯线
B: 高速度、长距离、低成本、粗芯线
C: 高速度、短距离、低成本、细芯线
D: 高速度、长距离、高成本、细芯线
答案: 【 高速度、长距离、高成本、细芯线】
18、单选题:
报文的内容不按顺序到达目的节点的是下面哪种方式?
选项:
A: 电路交换
B: 报文交换
C: 虚电路交换
D: 数据包交换
答案: 【 数据包交换】
19、单选题:
一个调制解调器使用幅移键控和相移键控。在波特率是1000波特的情况下数据速率达到3000bps,若采用0,90,180,270四种相位,则每种相位有几个不同的幅度值?
选项:
A: 1
B: 2
C: 3
D: 4
答案: 【 2】
20、单选题:
当数字信号在模拟传输系统中传送时,在发送端和接收端分别需要什么设备?
选项:
A: 调制器和解调器
B: 解调器和调制器
C: 编码器和解码器
D: 解码器和编码器
答案: 【 调制器和解调器】
21、单选题:
在无噪声情况下,若某通信链路的带宽为3kHz,采用4个相位,每个相位具有4种振幅的QAM调制技术,则该通信链路的最大数据传输速率是多少?(09考研)
选项:
A: 12kbps
B: 24kbps
C: 48kbps
D: 96kbps
答案: 【 24kbps】
22、单选题:
若某通信链路的数据传输速率为2400bps,采用4相位调制,则该链路的波特率是多少?(11年考研)
选项:
A: 600波特
B: 1200波特
C: 4800波特
D: 9600波特
答案: 【 1200波特】
23、单选题:
在物理层接口特性中,用于描述完成每种功能的事件发生顺序的是哪个?(12年考研)
选项:
A: 机械特性
B: 功能特性
C: 过程特性
D: 电气特性
答案: 【 过程特性】
24、单选题:
使用两种编码方案对比特流01100111进行编码的结果如下图所示,编码1和编码2分别是什么?(15考研题)

选项:
A: NRZ和曼彻斯特编码
B: NRZ和差分曼彻斯特编码
C: NRZI和曼彻斯特编码
D: NRZI和差分曼彻斯特编码
答案: 【 NRZ和曼彻斯特编码】
25、单选题:
若连接R2和R3链路的频率带宽为8kHz,信噪比为30dB,该链路实际数据传输速率约为理论最大数据传输速率的50%,则该链路的实际数据传输速率约是多少?(16考研题)
选项:
A: 8kbps
B: 20kbps
C: 40kbps
D: 80kbps
答案: 【 40kbps】
26、单选题:
SONET是下面哪种网络的标准?
选项:
A: 双绞线网络
B: 同轴电缆网络
C: 以太网
D: 光纤网络
答案: 【 光纤网络】
27、单选题:
在公共电话交换网络中,端局的编解码器要将从本地回路接收的模拟信号数字化,采用了下面哪种技术?
选项:
A: 差分曼彻斯特编码技术
B: QAM技术
C: 曼彻斯特编码技术
D: 脉冲编码调制技术
答案: 【 脉冲编码调制技术】
28、单选题:
下面哪个复用技术,具有动态分配时隙的功能?
选项:
A: 同步时分多路复用技术
B: 统计时分多路复用技术
C: 频分多路复用技术
D: 波分多路复用技术
答案: 【 统计时分多路复用技术】
29、单选题:
当描述一个物理层接口引脚处于高电平时的含义时,该描述属于哪个?。
选项:
A: 机械特性
B: 电气特性
C: 功能特性
D: 规程特性
答案: 【 功能特性】
30、单选题:
单模光纤的内径约是多大?
选项:
A: 62.5 µm
B: 125 µm
C: 8~10 µm
D: 其他答案都不对
答案: 【 8~10 µm】
31、多选题:
公共电话交换网络(PSTN)主要由下面哪几部分构成?(多选)
选项:
A: 交换局
B: 本地回路
C: 干线
D: 以上都不是
答案: 【 交换局;
本地回路;
干线】
32、多选题:
下面哪种设备的使用可以导致冲突域规模增加?(多选)
选项:
A: 中继器
B: 集线器
C: 交换机
D: 网桥
答案: 【 中继器;
集线器】
1、单选题:
一个异步通信系统采用PPP协议(其成帧方法是带字节填充的帧界标记法),收方接收到的字节序列为:10 20 7D 5E 30 5E 7D 5D。那么,发方发送的原始序列应该是多少?
选项:
A: 10 20 5E 30 5E 5D
B: 10 20 7E 30 5E 5D
C: 10 20 30
D: 10 20 7E 30 5E 7D
答案: 【 10 20 7E 30 5E 7D】
2、单选题:
系统采用带位填充的帧界标记法,收方从网络接收到一个字符串是1110111110。那么,发送方发送的原始字符串是什么?
选项:
A: 11101111100
B: 11111111
C: 1110111110
D: 111011111
答案: 【 111011111】
3、单选题:
系统采用的码字分别是0000,0011,1100,1111(分别对应待传送的码00,01,10和11)。请使用海明距离判断:该系统可以检测出多少位错误?
选项:
A: 0
B: 3
C: 2
D: 1
答案: 【 1】
4、单选题:
有一个字符串1001011,采用偶校验进行检错。试计算应追加到字符串后的校验位是什么?
选项:
A: 1
B: 4
C: 10010110
D: 0
答案: 【 0】
5、单选题:
系统采用纠1位错的海明码,码字总长度是7位(n=7)。假设7位码字由A B C D E F G代表,问这些位中,哪些位置是数据位?
选项:
A: A B D
B: A B C D
C: E F G
D: C E F G
答案: 【 C E F G】
6、单选题:
系统采用带位填充的帧界标记法(帧界是01111110)。现在有一个待传送的位字符串,1101111111101111010,需要在系统的数据链路层进行传输。请问发方位填充后的位字符串是下列哪一个?
选项:
A: 11011111111101111010
B: 1101111101010101111010
C: 110111110111011110100
D: 11011111011101111010
答案: 【 11011111011101111010】
7、单选题:
系统采用纠1位错的海明码,数据位是4位,当待传送的数据是0110时,编码后的海明码是什么?(校验集合采用偶校验)
选项:
A: 1000110
B: 0100110
C: 1101010
D: 1100110
答案: 【 1100110】
8、单选题:
下列关于停-等ARQ协议,正确的描述是?
选项:
A: 超时可防止丢帧和丢失确认帧ACKs
B: 帧和 ACKs没有必要携带序列号。
C: 仅当当前帧的 ACK 是 * received *(接收窗口),发送方发送下一帧。
D: 仅当当前帧的 ACK 是 *sent *(发送窗口),发送方发送下一帧。
答案: 【 仅当当前帧的 ACK 是 *sent *(发送窗口),发送方发送下一帧。】
9、单选题:
在一个有100ms(单程)传播延迟(用D表示)的1Mbps卫星链路上的发送10,000位的消息,ARQ(自动重传请求)的最高吞吐量是多少?
选项:
A: 45 kbps
B: 48 kbps
C: 50 kbps
D: 91 kbps
答案: 【 48 kbps】
10、单选题:
使用50MbpsWiFi链路从你的计算机发送一系列的1250字节的信息到一个附近 AP,采用ARQ技术(自动请求重传)。此链路的传播延迟(D)是250ns(纳秒)。通过该链路传递数据的最大速率是什么?
选项:
A: 2500 messages/sec
B: 6.25 Mbytes/sec
C: 14.3 Mbps
D: 4988 messages/sec
答案: 【 4988 messages/sec】
11、单选题:
使用ARQ协议在一个1Mbps链路上发送一系列的1250字节消息。此链路的传播延迟(D)为5ms。问可以使用的链路带宽的最大百分比是多少?
选项:
A: 100%
B: 6.25%
C: 50%
D: 33%
答案: 【 50%】
12、单选题:
使用滑动窗口,每个窗口10个数据包,RTT为100ms,假设有1250字节数据包,最大吞吐量是多少?试计算最大的吞吐量,假设网络容量不是一个限制因素,忽略数据包丢失)
选项:
A: 1Mbps(兆比特每秒)
B: 125kbps(千比特每秒)
C: 2Mbps(兆比特每秒)
D: 1MBps(兆字节数每秒)
答案: 【 1Mbps(兆比特每秒)】
13、单选题:
假设使用Internet校验和(4位字)来发送一个消息1001110010100011.试问校验和的值是什么?
选项:
A: 1011
B: 0010
C: 0011
D: 0100
答案: 【 1011】
14、单选题:
若数据链路层采用GBN(回退N帧)传输数据,发送窗口尺寸W=4,在发送了3号帧、并收到2号帧的确认帧后,发送方还可以连续发送多少个帧?
选项:
A: 2
B: 3
C: 4
D: 1
答案: 【 3】
15、单选题:
在回退n帧协议中,当帧序号为4比特,发送窗口的最大尺寸是多少?
选项:
A: 13
B: 14
C: 15
D: 16
答案: 【 15】
16、单选题:
在选择性重传协议中,当帧序号为4比特,并且发送窗口和接收尺寸相同时,发送窗口的最大尺寸是多少?
选项:
A: 4
B: 6
C: 8
D: 15
答案: 【 8】
17、单选题:
一个信道的数据率是4Kbps,单向传播延迟时间是10ms,使停等协议的信道利用率是50%,要求帧长至少是多少?忽略确认帧的处理时间。
选项:
A: 160b
B: 80b
C: 320b
D: 100b
答案: 【 80b】
18、单选题:
数据链路层采用了回退n帧协议(GBN),发送方已经发送了编号为0~7的帧,当计时器超时,若发送方只收到0、4号帧的确认,则发送方需要重发多少帧?(2009考研题修改)
选项:
A: 2
B: 3
C: 4
D: 7
答案: 【 3】
备案号:冀ICP备20010840号 2020-2099辉辉网络科技 All Rights Reserved