

1、单选题:
本征半导体中,若掺入的是 价元素,则形成N型半导体。
选项:
A: 3
B: 4
C: 5
D: 6
答案: 【 5】
2、判断题:
在N型半导体中如果掺入足够量的三价元素,可将其改型为P型半导体。
选项:
A: 正确
B: 错误
答案: 【 正确】
3、判断题:
在绝对零度且无光照射时,本征半导体中没有价电子能够摆脱共价键的束缚。
选项:
A: 正确
B: 错误
答案: 【 正确】
1、单选题:
杂质半导体中,多数载流子的浓度主要取决于 。
选项:
A: 温度
B: 掺入杂质元素的多少
C: 掺杂工艺
D: 晶格缺陷
答案: 【 掺入杂质元素的多少】
2、判断题:
在本片半导体中如果掺入的是三价微量元素,则形成N型半导体。
选项:
A: 正确
B: 错误
答案: 【 错误】
3、判断题:
少子是由本征激发所产生的,所以对光照和温度敏感。
选项:
A: 正确
B: 错误
答案: 【 正确】
1、单选题:
硅二极管正常工作时,反向电流很小,且其大小随反向电压的增大而 。
选项:
A: 增大
B: 减小
C: 基本不变
D: 击穿
答案: 【 基本不变】
2、判断题:
PN结是由于漂移运动所形成的。
选项:
A: 正确
B: 错误
答案: 【 错误】
3、判断题:
空间电荷区由不能移动的杂质离子所构成的。
选项:
A: 正确
B: 错误
答案: 【 正确】
1、单选题:
对于面接触型的二极管,下列说法正确的是 。
选项:
A: 可以承受较大电流,适合低频使用。
B: 可以承受较大电流,适合高频使用。
C: 可以承受较小电流,适合低频使用。
D: 可以承受较小电流,适合高频使用。
答案: 【 可以承受较大电流,适合低频使用。】
2、判断题:
点接触型二极管适合于低频、小电流情况下使用。
选项:
A: 正确
B: 错误
答案: 【 错误】
3、判断题:
当二极管用于大电流工作时,要求PN结的结面积大。
选项:
A: 正确
B: 错误
答案: 【 正确】
1、单选题:
当温度升高时,二极管的反向饱和电流将 。
选项:
A: 减小
B: 不变
C: 增大
D: 不能判断
答案: 【 增大】
2、单选题:
当温度升高时,二极管正反向特性曲线的特点是 。
选项:
A: 正向特性曲线左移,反向特性曲线上移。
B: 正向特性曲线左移,反向特性曲线下移。
C: 正向特性曲线右移,反向特性曲线上移。
D: 正向特性曲线右移,反向特性曲线下移。
答案: 【 正向特性曲线左移,反向特性曲线下移。】
3、判断题:
锗管反向电流比硅管反向电流小得多。
选项:
A: 正确
B: 错误
答案: 【 错误】
1、单选题:
二极管的最高反向工作电压,通常规定为 。
选项:
A: 击穿电压
B: 击穿电压的一半
C: 击穿电压的二倍
D: 死区电压
答案: 【 击穿电压的一半】
2、判断题:
当工作频率过高时,二极管将失去单向导电性。
选项:
A: 正确
B: 错误
答案: 【 正确】
3、判断题:
二极管如果超过最大整流电流,就一定会烧坏。
选项:
A: 正确
B: 错误
答案: 【 错误】
1、单选题:
二极管导通后对大信号所呈现的电阻,称为二极管的 。
选项:
A: 直流电阻
B: 交流电阻
C: 导通电阻
D: 正向电阻
答案: 【 导通电阻】
2、判断题:
二极管的模型主要有理想模型、恒压降模型和小信号模型。
选项:
A: 正确
B: 错误
答案: 【 正确】
3、判断题:
在同时含有直流电源和小信号交变源的电路中,电流或电压的总量约等于静态量与动态量的叠加。
选项:
A: 正确
B: 错误
答案: 【 正确】
1、单选题:
当二极管回路电源电压较低时,采用 模型比较合理。
选项:
A: 恒压降
B: 理想
C: 恒流源
D: 小信号
答案: 【 恒压降】
2、判断题:
二极管的直流电阻、导通电阻和交流电阻是三个不同的概念。
选项:
A: 正确
B: 错误
答案: 【 正确】
3、判断题:
用模拟指针式万用表的电阻挡测量二极管正向电阻时,不同量程挡测得的正向电阻值是相同的。
选项:
A: 正确
B: 错误
答案: 【 错误】
4、判断题:
对于既有直流电源又有小信号源的电路,应先采用恒压降模型估算工作点,再用小信号模型进行动态分析。
选项:
A: 正确
B: 错误
答案: 【 正确】
1、判断题:
只要稳压二极管两端加反向电压就能起稳压作用。
选项:
A: 正确
B: 错误
答案: 【 错误】
2、判断题:
利用二极管的正向特性也可以实现稳压。
选项:
A: 正确
B: 错误
答案: 【 正确】
3、判断题:
正常情况下,稳压二极管工作在反向击穿区。
选项:
A: 正确
B: 错误
答案: 【 正确】
1、单选题:
光电二极管工作时需要加 偏置电压,工作于 状态。
选项:
A: 正向;导通
B: 正向;截止
C: 反向;导通
D: 反向;截止
答案: 【 反向;截止】
2、单选题:
发光二极管 导通时发光,工作电流的典型值为 。
选项:
A: 正偏;20mA
B: 正偏;10mA
C: 反偏;20mA
D: 反偏;10mA
答案: 【 正偏;10mA】
3、判断题:
光电二极管的光电流随光照强度的增大而上升。
选项:
A: 正确
B: 错误
答案: 【 正确】
1、单选题:
肖特基二极管的导通电压 ,大约为 。
选项:
A: 较高;0.7V
B: 较高;0.4V
C: 较低;0.7V
D: 较低;0.4V
答案: 【 较低;0.4V】
2、单选题:
变容二极管在电路中的主要作用是 。
选项:
A: 稳压
B: 整流
C: 可变电容器
D: 发光
答案: 【 可变电容器】
3、判断题:
发光二极管是一种通以正向电流会发光的二极管,使用时应加正偏电压,且串接合适的限流电阻。
选项:
A: 正确
B: 错误
答案: 【 正确】
1、单选题:
半导体本征激发会成对产生 。
选项:
A: 自由电子
B: 空穴
C: 自由电子和空穴
D: 杂质离子
答案: 【 自由电子和空穴】
2、单选题:
PN结外加正向电压时,扩散电流 。
选项:
A: 增加
B: 减小
C: 不变
D: 为0
答案: 【 增加】
3、单选题:
PN结外加正向电压时,耗尽层 。
选项:
A: 增厚
B: 变薄
C: 厚度不变
D: 厚度为0
答案: 【 变薄】
4、单选题:
在室温27度时,硅二极管的死区电压大约为 V。
选项:
A: 0.3
B: 0.2
C: 0.5
D: 0.7
答案: 【 0.5】
5、单选题:
在室温27度时,锗二极管的死区电压大约为 V。
选项:
A: 0.1
B: 0.2
C: 0.3
D: 0.5
答案: 【 0.1】
6、单选题:
二极管反向饱和电流随着温度的升高而 。
选项:
A: 增加
B: 减小
C: 不变
D: 趋于0
答案: 【 增加】
7、单选题:
发光二极管正常工作时需要施加 偏置电压。
选项:
A: 正向
B: 反向
C: 正向或反向
D: 0
答案: 【 正向】
8、单选题:
杂质半导体中,多数载流子的浓度主要取决于 。
选项:
A: 温度
B: 掺杂浓度
C: 光照
D: 外加电压
答案: 【 掺杂浓度】
9、单选题:
半导体器件对 敏感,这会导致器件性能的不稳定。
选项:
A: 温度
B: 光照
C: 温度和光照
D: 掺杂浓度
答案: 【 温度和光照】
10、单选题:
半导体二极管的重要特性之一是 。
选项:
A: 单向导电性
B: 滤波特性
C: 放大作用
D: 温度稳定性
答案: 【 单向导电性】
11、单选题:
硅管的反向电流比锗管的反向电流 ,因此硅管的单向导电性和温度稳定性 。
选项:
A: 大得多;较差
B: 小得多;较好
C: 大得多;较好
D: 小得多;较差
答案: 【 小得多;较好】
12、单选题:
如果把一个二极管直接同一个电动势为1.5V、内阻为0的电池正向连接,则该管 。
选项:
A: 电流为0
B: 电击穿
C: 电流过大使管子烧坏
D: 正常导通
答案: 【 电流过大使管子烧坏】
13、单选题:
锗二极管的开启电压为 。
选项:
A: 0.5V左右
B: 0.4V左右
C: 0.2V左右
D: 0.1V左右
答案: 【 0.2V左右】
14、单选题:
当未加外部电压时, PN结中的电流 。
选项:
A: 为0
B: 从P区流向N区
C: 从N区流向P区
D: 为最小
答案: 【 为0】
15、单选题:
PN结形成后,空间电荷区由 组成。
选项:
A: 电子
B: 空穴
C: 杂质离子
D: 价电子
答案: 【 杂质离子】
16、单选题:
变容二极管在电路中的主要作用是 。
选项:
A: 发光
B: 可变电容器
C: 整流
D: 稳压
答案: 【 可变电容器】
17、单选题:
流过二极管的正向电流增大时,其直流电阻将 。
选项:
A: 增加
B: 减小
C: 为0
D: 不变
答案: 【 减小】
18、单选题:
在下列二极管中,需要正偏工作的是 。
选项:
A: 发光二极管
B: 光电二极管
C: 稳压二极管
D: 变容二极管
答案: 【 发光二极管】
19、单选题:
二极管整流电路的作用,是将正弦电压变成 。
选项:
A: 余弦电压
B: 单向脉动电压
C: 双向脉动电压
D: 直流电压
答案: 【 单向脉动电压】
20、判断题:
半导体二极管正向偏置,处在正常工作状态,即使流过管子的电流变化很大, 管子两端的电压变化也很小。
选项:
A: 正确
B: 错误
答案: 【 正确】
21、判断题:
光电二极管正常工作时需要施加反向偏置电压。
选项:
A: 正确
B: 错误
答案: 【 正确】
22、判断题:
在P型半导体中掺入足够量的五价元素,可将其改型为N型半导体。
选项:
A: 正确
B: 错误
答案: 【 正确】
23、判断题:
杂质半导体中,存在自由电子和空穴两种带电粒子。
选项:
A: 正确
B: 错误
答案: 【 错误】
24、判断题:
杂质离子不能移动,因此不是载流子。
选项:
A: 正确
B: 错误
答案: 【 正确】
25、判断题:
N型半导体因为其多子是自由电子,所以它带负电。
选项:
A: 正确
B: 错误
答案: 【 错误】
26、判断题:
二极管稳压电路一般由稳压二极管(反向接法)和负载并联而得到,并应接有合适的降压电阻。
选项:
A: 正确
B: 错误
答案: 【 正确】
27、判断题:
肖特基二极管导通电压比普通二极管低。
选项:
A: 正确
B: 错误
答案: 【 正确】
28、判断题:
发光二极管反向击穿电压一般大于5V,为安全起见,一般工作在5V以下。
选项:
A: 正确
B: 错误
答案: 【 正确】
29、判断题:
光电二极管反向电流随光照强度增加而上升。
选项:
A: 正确
B: 错误
答案: 【 正确】
30、判断题:
稳压二极管工作在反向击穿区,但属于电击穿。
选项:
A: 正确
B: 错误
答案: 【 正确】
31、判断题:
工程中分析包含有二极管的电路,多采用恒压降模型进行静态分析,再用小信号模型进行动态分析。
选项:
A: 正确
B: 错误
答案: 【 正确】
32、判断题:
对包含多个二极管的电路进行分析时,要注意优先导通的管子会对其它管的工作状态产生影响。
选项:
A: 正确
B: 错误
答案: 【 正确】
33、判断题:
理想二极管等效为一个理想压控开关,正偏时开关合上,反偏时开关断开。
选项:
A: 正确
B: 错误
答案: 【 正确】
34、判断题:
二极管的伏安特性受温度影响较大,当温度升高时,正向特性曲线向右移,反向特性曲线向上移。
选项:
A: 正确
B: 错误
答案: 【 错误】
35、判断题:
热击穿是可逆的,电击穿是不可逆的。
选项:
A: 正确
B: 错误
答案: 【 错误】
36、判断题:
PN结两侧的电位差称为内建电位差,也叫接触电位差。
选项:
A: 正确
B: 错误
答案: 【 正确】
37、判断题:
对小信号而言,二极管的伏安关系呈线性,因此可以用一个电阻来等效。
选项:
A: 正确
B: 错误
答案: 【 正确】
38、判断题:
只要稳压二极管两端加反向电压就能起稳压作用
选项:
A: 正确
B: 错误
答案: 【 错误】
39、判断题:
本征激发会成对产生自由电子和空穴。
选项:
A: 正确
B: 错误
答案: 【 正确】
40、判断题:
纯净的半导体称为本征半导体。
选项:
A: 正确
B: 错误
答案: 【 正确】
41、判断题:
N型半导体的多数载流子是电子。
选项:
A: 正确
B: 错误
答案: 【 正确】
42、判断题:
P型半导体中的多数载流子是空穴。
选项:
A: 正确
B: 错误
答案: 【 正确】
43、判断题:
当把P型半导体和N型半导体结合在一起时,在两者的交界处形成一个PN结。
选项:
A: 正确
B: 错误
答案: 【 正确】
44、填空题:
纯净且无杂质的半导体称为 。
答案: 【 本征半导体】
45、填空题:
P型半导体中的多数载流子是 。
答案: 【 空穴】
46、填空题:
N型半导体的多数载流子是 。
答案: 【 电子##%_YZPRLFH_%##自由电子】
47、填空题:
当把P型半导体和N型半导体结合在一起时,在两者的交界处形成一个 。
答案: 【 PN结##%_YZPRLFH_%##空间电荷区##%_YZPRLFH_%##耗尽层##%_YZPRLFH_%##阻挡层##%_YZPRLFH_%##势垒区】
48、填空题:
半导体二极管的最重要的特点是具有 。
答案: 【 单向导电性】
49、填空题:
变容二极管是一个非线性电容,电容量随反向电压增加而 。
答案: 【 减小##%_YZPRLFH_%##变小】
50、填空题:
用万用表电阻挡测试二极管时,若正向电阻远 于反向电阻,说明二极管性能较好。
答案: 【 小##%_YZPRLFH_%##低】
51、填空题:
用万用表电阻挡测试二极管,其正、反向电阻均为零,说明二极管内部已 。
答案: 【 短路##%_YZPRLFH_%##短接##%_YZPRLFH_%##热击穿】
52、填空题:
稳压二极管是利用二极管的 特性实现稳压。
答案: 【 反向击穿##%_YZPRLFH_%##稳压】
53、填空题:
光电二极管工作时需加 偏置电压。
答案: 【 反向】
54、填空题:
稳压管使用时应串接 ,以保证反向电流不超过最大允许电流,避免热击穿。
答案: 【 限流电阻##%_YZPRLFH_%##降压电阻##%_YZPRLFH_%##电阻】
1、单选题:
晶体管分为三个掺杂区,发射区的特点是掺杂浓度 ,基区的特点是区域很薄,掺杂浓度 ,集电区的特点是掺杂浓度较低,但面积大。
选项:
A: 高;低
B: 高;高
C: 低;低
D: 低;高
答案: 【 高;低】
2、单选题:
在晶体管的图形符号中,NPN管发射电流方向是 的,PNP管的发射电流方向是 的。
选项:
A: 流入;流出
B: 流入;流入
C: 流出;流出
D: 流出;流入
答案: 【 流出;流入】
3、判断题:
晶体管的图形符号中,箭头指示了发射极位置及发射结正偏时发射极电流的方向
选项:
A: 正确
B: 错误
答案: 【 正确】
1、单选题:
晶体管具有电流大作用的外部条件是,发射结 ,集电结 。
选项:
A: 正偏;反偏
B: 正偏;正偏
C: 反偏;反偏
D: 反偏;正偏
答案: 【 正偏;反偏】
2、单选题:
晶体管截止的条件是,发射结 ,集电结 。
选项:
A: 正偏;正偏
B: 正偏;反偏
C: 0偏或反偏;正偏
D: 零偏或反偏;反偏
答案: 【 零偏或反偏;反偏】
3、判断题:
晶体管工作于饱和状态时,集、射之间相当于开路。
选项:
A: 正确
B: 错误
答案: 【 错误】
1、单选题:
对于硅三极管,死区电压约为 ,对于锗三极管,死区电压约为 。
选项:
A: 0.1V;0.5V
B: 0.5V;0.1V
C: 0.7V;0.5V
D: 0.5V;0.2V
答案: 【 0.5V;0.1V】
2、单选题:
硅三极管的导通电压通常取为 。
选项:
A: 0.7V
B: 0.5V
C: 0.2V
D: 0.1V
答案: 【 0.7V】
3、单选题:
温度升高时,晶体管的导通电压 ,电流放大系数 。
选项:
A: 增大;减小
B: 增大;增大
C: 减小;减小
D: 减小;增大
答案: 【 减小;增大】
1、单选题:
穿透电流随温度的上升而 ,这时晶体管的温度稳定性 。
选项:
A: 增加;变好
B: 增加;变差
C: 减小;变差
D: 减小;变好
答案: 【 增加;变差】
2、判断题:
集电极的功耗如果超过了最大允许功率损耗,则晶体管的性能将变坏,甚至过热烧坏。
选项:
A: 正确
B: 错误
答案: 【 正确】
3、判断题:
当晶体管工作于放大状态时,直流放大系数与交流放大系数基本相等。
选项:
A: 正确
B: 错误
答案: 【 正确】
1、单选题:
晶体管直流电路的分析方法主要有 。
选项:
A: 工程近似分析法
B: 图解分析法
C: 仿真分析法
D: 工程近似分析法、图解分析法和仿真分析法
答案: 【 工程近似分析法、图解分析法和仿真分析法】
2、判断题:
在工程近似法中,对于硅二极管,其导通电压可用0.2V表示。
选项:
A: 正确
B: 错误
答案: 【 错误】
3、判断题:
晶体管输出端外电路的伏安特性方程,也称为晶体管的输出电路的直流负载方程。
选项:
A: 正确
B: 错误
答案: 【 正确】
4、判断题:
晶体管的静态工作点Q非常重要,只有当Q点处于放大区时,管子才具有放大能力。
选项:
A: 正确
B: 错误
答案: 【 正确】
1、单选题:
晶体管发射结正偏导通时,工作状态有 和 两种可能。
选项:
A: 放大;截止
B: 放大;饱和
C: 截止;饱和
D: 放大;击穿
答案: 【 放大;饱和】
2、单选题:
NPN型硅晶体管工作于饱和状态时,集射之间的电压近似等于 。
选项:
A: 0.5V
B: 0.7V
C: 0.2V
D: 0.3V
答案: 【 0.3V】
3、判断题:
晶体管做为开关电路使用时,是工作在放大状态。
选项:
A: 正确
B: 错误
答案: 【 错误】
1、单选题:
当输入为 时,可利用H参数小信号模型对放大电路进行交流分析。
选项:
A: 正弦小信号
B: 低频大信号
C: 低频小信号
D: 高频小信号
答案: 【 低频小信号】
2、判断题:
图解分析法的缺点是分析问题的过程比较复杂,对小信号而言,作图的精度低。
选项:
A: 正确
B: 错误
答案: 【 正确】
3、判断题:
在工程分析中,通常先用工程近似法进行静态分析,再用小信号模型分析法进行动态分析。
选项:
A: 正确
B: 错误
答案: 【 正确】
1、单选题:
当栅源电压为0时, 管不可能工作在恒流区。
选项:
A: JFET
B: EMOS
C: DMOS
D: NMOS
答案: 【 EMOS】
2、单选题:
场效应管从结构上可分为两大类,即 和 。
选项:
A: MOS场效应管;结型场效应管
B: MOS场效应管;耗尽型场效应管
C: 增强型MOS场效应管;耗尽型场效应管
D: 耗尽型MOS场效应管;结型场效应管
答案: 【 MOS场效应管;结型场效应管】
3、判断题:
EMOS管存在导电沟道时,栅源电压必定大于零。
选项:
A: 正确
B: 错误
答案: 【 错误】
1、单选题:
对于MOSFET,根据栅源电压为0时是否存在导电沟道,可分为 场效应管和 场效应管。
选项:
A: MOS;结型
B: 增强型;结型
C: 增加型;耗尽型
D: 耗尽型;结型
答案: 【 增加型;耗尽型】
2、判断题:
饱和漏极电流是增强型管的参数。
选项:
A: 正确
B: 错误
答案: 【 错误】
3、判断题:
从对沟道的影响来讲,开启电压和夹断电压属于同一种参数。
选项:
A: 正确
B: 错误
答案: 【 正确】
1、判断题:
低频跨导是指静态工作点处漏极电流的微变量和引起这个变化的栅源电压微变量之比。
选项:
A: 正确
B: 错误
答案: 【 正确】
2、判断题:
跨导是一个与工作点无关的物理量。
选项:
A: 正确
B: 错误
答案: 【 错误】
3、判断题:
场效应管的耗散功率大小受到管子最高工作温度的限制。
选项:
A: 正确
B: 错误
答案: 【 正确】
1、单选题:
JFET外加的栅源电压应使栅源间的PN结 ,目的是使得输入电阻 。
选项:
A: 正偏;很大
B: 正偏;很小
C: 反偏;很大
D: 反偏;很小
答案: 【 反偏;很大】
2、判断题:
静态工作点的分析可以采用小信号模型。
选项:
A: 正确
B: 错误
答案: 【 错误】
3、判断题:
场效应管电路的分析方法与晶体管电路的分析方法相类似,也是先静态分析,后动态分析。
选项:
A: 正确
B: 错误
答案: 【 正确】
1、单选题:
某NPN管电路中,测得BE之间的电压为0V,BC之间电压为-2V,则可知该晶体管工作于 状态。
选项:
A: 放大
B: 饱和
C: 截止
D: 不能确定
答案: 【 截止】
2、单选题:
在下列场效应管中,无原始导电沟道的为 。
选项:
A: N沟道JFET
B: 耗尽型PMOS管
C: 耗尽型NMOS管
D: 增强型PMOS管
答案: 【 增强型PMOS管】
3、单选题:
输入 时,可用H参数小信号模型对放大电路进行交流分析。
选项:
A: 低频大信号
B: 低频小信号
C: 高频大信号
D: 高频小信号
答案: 【 低频小信号】
4、单选题:
具有不同的低频小信号模型。
选项:
A: NPN管和PNP管
B: 增加型FET和耗尽型FET
C: 晶体管与场效应管
D: N沟道场效应管和P沟道场效应管
答案: 【 晶体管与场效应管】
5、单选题:
当GS之间的电压为0时, 管不可能工作在恒流区。
选项:
A: EMOS管
B: NMOS管
C: JFET
D: DMOS管
答案: 【 EMOS管】
6、单选题:
工作在放大区的某三极管,如果当IB 从12uA 增大到22uA 时,IC 从lmA 变为2mA ,那么它的β约为 。
选项:
A: 83
B: 91
C: 100
D: 50
答案: 【 100】
7、单选题:
晶体管处于放大状态时,下列的正确说法是 。
选项:
A: 发射结反偏,集电结也反偏。
B: 发射结反偏,集电结正偏。
C: 发射结正偏,集电结也正偏。
D: 发射结正偏,集电结反偏。
答案: 【 发射结正偏,集电结反偏。】
8、单选题:
晶体管处于饱和状态时,要求 。
选项:
A: 发射结反偏,集电结反偏。
B: 发射结反偏,集电结正偏。
C: 发射结正偏,集电结反偏。
D: 发射结正偏,集电结正偏。
答案: 【 发射结正偏,集电结正偏。】
9、单选题:
晶体管截止时,两个PN结的偏置关系是 。
选项:
A: 发射结反偏或零偏,集电结反偏。
B: 发射结反偏或零偏,集电结正偏。
C: 发射结正偏,集电结反偏。
D: 发射结正偏,集电结正偏。
答案: 【 发射结反偏或零偏,集电结反偏。】
10、单选题:
对小功率NPN硅管处于放大区时, 。
选项:
A: UCE≥UBE。
B: UCE≤UBE。
C: UCE=UBE
D: UCE≈0.3V
答案: 【 UCE≥UBE。】
11、单选题:
对增强型MOS管,只有在栅源电压绝对值大于 后,才会形成导电沟道。
选项:
A: 开启电压绝对值
B: 夹断电压绝对值
C: 导通电压绝对值
D: 死区电压
答案: 【 开启电压绝对值】
12、单选题:
利用晶体管的开关特性可构成开关电路,这时管子工作在 。
选项:
A: 放大状态
B: 饱和状态
C: 截止状态
D: 饱和或截止状态
答案: 【 饱和或截止状态】
13、单选题:
下列说法不正确的是 。
选项:
A: 双极型三极管通常简称为晶体管
B: 双极型三极管通常简称为三极管
C: 双极型三极管通常简称为BJT
D: 双极型三极管通常简称为FET
答案: 【 双极型三极管通常简称为FET】
14、单选题:
根据结构的不同,场效应管的类型通常分为 种。
选项:
A: 3
B: 4
C: 5
D: 6
答案: 【 6】
15、判断题:
晶体管具有电流放大作用的外部条件是发射结正偏导通,集电结反偏。。
选项:
A: 正确
B: 错误
答案: 【 正确】
16、判断题:
晶体管处于截止区的条件是发射结反偏或零偏,集电结反偏。。
选项:
A: 正确
B: 错误
答案: 【 正确】
17、判断题:
晶体管输出特性通常分为三个区域,它们是可变电阻区,饱和区和截止区。
选项:
A: 正确
B: 错误
答案: 【 错误】
18、判断题:
当温度升高时,晶体管的电流放大系数将变小。
选项:
A: 正确
B: 错误
答案: 【 错误】
19、判断题:
当温度升高时,晶体管的反向饱和电流将减小。
选项:
A: 正确
B: 错误
答案: 【 错误】
20、判断题:
场效应管是利用栅源电压改变导电沟道的宽窄来实现对漏极电流控制的。
选项:
A: 正确
B: 错误
答案: 【 正确】
21、判断题:
场效应管属于电流型控制型器件。
选项:
A: 正确
B: 错误
答案: 【 错误】
22、判断题:
晶体管主要作用是不失真地放大电压信号,为保证这一点,选择一个合适的静态工作点非常重要。
选项:
A: 正确
B: 错误
答案: 【 正确】
23、判断题:
可以采用小信号模型进行静态工作点的分析。
选项:
A: 正确
B: 错误
答案: 【 错误】
24、判断题:
场效应管的重要特性之一是具有很高的输入阻抗。
选项:
A: 正确
B: 错误
答案: 【 正确】
25、判断题:
EMOS管存在导电沟道时,栅源电压必定大于零。
选项:
A: 正确
B: 错误
答案: 【 错误】
26、判断题:
JFET外加的栅源电压应使栅源间的PN结反偏。
选项:
A: 正确
B: 错误
答案: 【 正确】
27、判断题:
场效应管用于放大电路时,应工作于饱和区。
选项:
A: 正确
B: 错误
答案: 【 正确】
28、判断题:
场效应管主要工作原理是栅源电压对漏极电流的控制作用,但实际上漏极电流还受到漏源电压的影响。
选项:
A: 正确
B: 错误
答案: 【 正确】
29、判断题:
FET工作时只有一种载流子参与导电,这就是电子。
选项:
A: 正确
B: 错误
答案: 【 错误】
30、判断题:
FET全夹断时,没有导电沟道,但仍有电流通过。
选项:
A: 正确
B: 错误
答案: 【 错误】
31、判断题:
当温度升高时,晶体管导通电压增加。
选项:
A: 正确
B: 错误
答案: 【 错误】
32、判断题:
场效应管的放大区也就是饱和区。
选项:
A: 正确
B: 错误
答案: 【 正确】
33、判断题:
晶体管要求有合适的静态工作点,目的是使管子在信号变化范围内近似线性工作。
选项:
A: 正确
B: 错误
答案: 【 正确】
34、判断题:
在分析晶体管放大电路时,通常先估算静态工作点和rbe,然后用小信号等效电路法进行交流分析。
选项:
A: 正确
B: 错误
答案: 【 正确】
35、判断题:
晶体管画交流通路的关键之一是将电容断路。
选项:
A: 正确
B: 错误
答案: 【 错误】
36、判断题:
晶体管画直流通路的关键是:(1)将大电容视为短路;(2)直流电压源视为短路。
选项:
A: 正确
B: 错误
答案: 【 错误】
37、判断题:
开启电压是是耗尽型场效应管夹断导电沟道所需的栅源电压。
选项:
A: 正确
B: 错误
答案: 【 错误】
38、判断题:
开启电压是增强型场效应管产生导电沟道所需的栅源电压。
选项:
A: 正确
B: 错误
答案: 【 正确】
39、判断题:
低频跨导是指静态工作点处漏极电流的微变量与引起这个变化的栅源电压微变量之比。
选项:
A: 正确
B: 错误
答案: 【 正确】
40、判断题:
集电极功耗若超过集电极最大允许功耗,管子性能将变坏,甚至过热烧坏。
选项:
A: 正确
B: 错误
答案: 【 正确】
41、判断题:
集电极电流若超过最大允许电流,电流放大系数将明显下降,但不一定损坏管子,但若电流过大,则会烧坏管子。
选项:
A: 正确
B: 错误
答案: 【 正确】
42、判断题:
晶体管的小信号模型也称为H参数简化小信号模型、小信号等效电路或微变等效电路。
选项:
A: 正确
B: 错误
答案: 【 正确】
1、单选题:
某放大电路,负载开路时输出电压为3V,接入1kΩ负载时输出电压为1.5V,则输出电阻为 kΩ。
选项:
A: 0.5
B: 1
C: 1.5
D: 2
答案: 【 1】
2、单选题:
某放大电路,信号源内阻为 100Ω,信号源电压为 20mV,输入电压为 16mV,则输入电阻为 Ω。
选项:
A: 0.4
B: 100
C: 400
D: 500
答案: 【 400】
3、单选题:
已知放大电路的½Au½=100,½Ai½=10,则下述错误的为 。
选项:
A: 电压增益为40dB
B: 电流增益为20dB
C: 功率增益为60dB
D: 电压放大倍数为100
答案: 【 功率增益为60dB】
4、单选题:
反映了放大电路对信号源或前级电路的影响。
选项:
A: 信号源内阻
B: 输入电阻
C: 输出电阻
D: 负载电阻
答案: 【 输入电阻】
5、单选题:
放大电路中负载电阻的能量取自于 。
选项:
A: 信号源
B: 有源器件
C: 直流电源
D: 晶体管
答案: 【 直流电源】
6、单选题:
双极型三极管基本组态放大电路中,输入电阻最大的是共 极电路
选项:
A: 源
B: 基
C: 集电
D: 发射
答案: 【 集电】
7、单选题:
三极管三种基本组态放大电路中,输出电阻最小的是共 极电路
选项:
A: 发射
B: 源
C: 基
D: 集电
答案: 【 集电】
8、单选题:
单级三极管放大电路中,既能放大电压又能放大电流的是共 极电路
选项:
A: 集电
B: 漏
C: 发射
D: 基
答案: 【 发射】
9、单选题:
单级晶体管放大电路中,输出电压与输入电压反相的有共 极电路。
选项:
A: 漏
B: 发射
C: 基
D: 集电
答案: 【 发射】
10、单选题:

选项:
A: A
B: B
C: C
D: D
答案: 【 B】
11、单选题:

选项:
A: A
B: B
C: C
D: D
答案: 【 A】
12、单选题:
共射极放大电路空载时输出电压有截止失真,在输入信号不变的情况下经耦合电容接上负载电阻时,失真消失,这是由于 。
选项:
A: 晶体管交流负载电阻减小
B: Q点上移
C: Q点下移
D: 晶体管输出电流减小
答案: 【 晶体管交流负载电阻减小】
13、单选题:

选项:
A: A
B: B
C: C
D: D
答案: 【 D】
14、单选题:

选项:
A: A
B: B
C: C
D: D
答案: 【 C】
15、单选题:

选项:
A: A
B: B
C: C
D: D
答案: 【 B】
16、单选题:
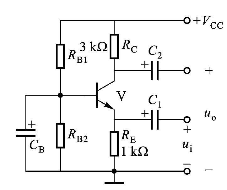
示电路是共 极放大电路。

备案号:冀ICP备20010840号 2020-2099辉辉网络科技 All Rights Reserved