

1、单选题:
图示 A元件上的电压u和电流i对元件A而言是否为关联参考方向?

选项:
A: A. 是
B: B.不是
C: C.不能确定
D: D.以上都不对
答案: 【 B.不是 】
2、单选题:
下图中,电压电流对此元件是否为关联参考方向,且元件吸收的功率为多少?

选项:
A: A. 是; -36w
B: B. 是; 36w
C: C. 不是; -36w
D: D. 不是; 36w
答案: 【 A. 是; -36w 】
3、单选题:
已知:R=2Ω,u=10V。求电流i及电阻R吸收的功率。

选项:
A: A. 5A; 50W
B: B. 5A; -50W
C: C. -5A; 50W
D: D. -5A; -50W
答案: 【 C. -5A; 50W 】
4、单选题:
“对某一个结点而言,各支路电流的参考方向不能均设为流入该结点,否则将只有流入该结点的电流,而无流出该结点的电流。”这个说法正确吗?
选项:
A: A.正确
B: B.不正确
C: C.不能确定
D: D.以上都不对
答案: 【 B.不正确 】
5、单选题:
“电路中,两结点间如果电压为零那么电流也为零,反之亦然。”这个说法正确吗?
选项:
A: A.正确
B: B.不正确
C: C.前半句正确,后半句错误
D: D.前半句错误,后半句正确
答案: 【 B.不正确】
6、单选题:
当电路中,电压源或电流源在电路中输出变为零时,应该如何处理
选项:
A: A.电压源开路,电流源短路
B: B.电压源短路,电流源开路
C: C.均开路
D: D.均短路
答案: 【 B.电压源短路,电流源开路 】
7、单选题:
图示电路中,当开关S从断开到闭合,会发生变化的为

选项:
A: A.电压U
B: B.电流I
C: C.电压源功率
D: D.电流源功率
答案: 【 D.电流源功率】
8、单选题:
图示电路中,图(a)与图(b)电路中,5Ω电阻与20Ω电阻在电路中的功率是否相等

选项:
A: A.5Ω电阻相等,20Ω电阻不相等
B: B.5Ω电阻不相等,20Ω电阻相等
C: C.均相等
D: D.均不相等
答案: 【 B.5Ω电阻不相等,20Ω电阻相等】
9、填空题:
图示电路中,已知uR=18V,则电阻R=

答案: 【 15Ω】
10、填空题:
图示电路中,i=__________

答案: 【 -0.5A】
11、填空题:
图示所示电路中,A、B两点间的等效电阻与电路中的RL相等,则RL=

答案: 【 20Ω】
12、填空题:
图示二端口电路的等效电阻=

答案: 【 2Ω】
13、填空题:
图示电路的等效电压源模型为us=

答案: 【 10V】
14、填空题:
将图示电路对ab端化简为最简等效电压源形式时,us 和 Rs分别为 V和 欧姆。(答案请使用一个空格分开)

答案: 【 66 10】
15、填空题:
图示电路中,受控源吸收的功率=

答案: 【 -6W】
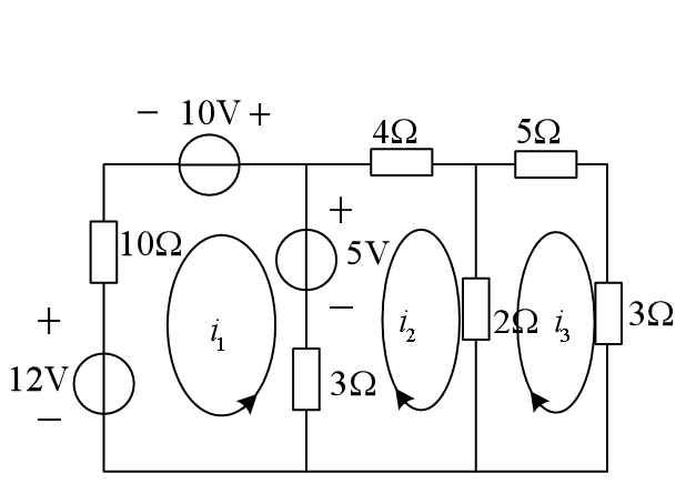
1、单选题:
图示电路中网孔电流i2的网孔方程是

选项:
A: 
B: 
C: 
D: 
答案: 【
】
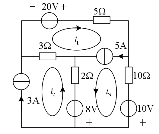
2、单选题:
图示电路中网孔电流i2的网孔方程是
选项:
A: 
B: 
C: 
D: 
答案: 【
】
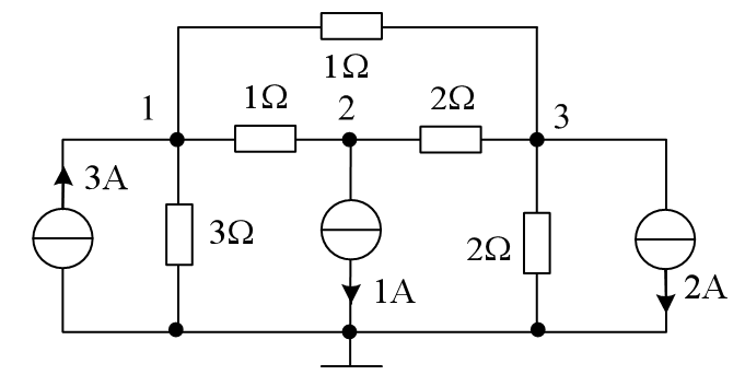
3、单选题:
图示电路中节点3的节点方程是

选项:
A: 
B: 
C: 
D: 
答案: 【
】
4、单选题:
图示电路中节点3的节点方程是

选项:
A: 
B: 
C: 
D: 
答案: 【
】
5、单选题:
图示电路中,当独立电流源单独作用时,电压u和电流i分别为

选项:
A: 
B: 
C: 
D: 
答案: 【
】
6、单选题:
图示电路中,当独立电压源单独作用时,电压u和电流i分别为

选项:
A: 
B: 
C: 
D: 
答案: 【
】
7、单选题:
图示电路ab端的戴维南等效电路中:独立电压源和等效电阻分别为


选项:
A: 
B: 
C: 
D: 
备案号:冀ICP备20010840号 2020-2099辉辉网络科技 All Rights Reserved