

1、单选题:
1. 电路如图所示,已知 Uab=10V,Iab=2A, 则Uba =()V。

选项:
A: -2
B: 2
C: 10
D: -10
答案: 【 -10】
2、单选题:
当电路中电流的参考方向与电流的真实方向相反时,则该电流( )。
选项:
A: 一定为正值
B: 一定为负值
C: 不能肯定是正值或负值
D: 以上均不正确
答案: 【 一定为负值】
3、单选题:
如图所示电路, iba=-2A, uab=5V,电阻吸收还是发出功率?( )。

选项:
A: 吸收
B: 发出
C: 两者都不是
D: 不确定
答案: 【 吸收】
4、单选题:
有一个电感线圈当通过它的电流为8A时,电感L为36mH,若通过它的电流为4A,则( )。
选项:
A: 电感线圈的电感L降低一半
B: 电感L保持不变
C: 电感线圈产生的感应电动势增加一倍
D: 感应电动势不变
答案: 【 电感L保持不变】
5、单选题:
电路如图所示,已知US=3V,IS=2A,则UAB= V

选项:
A: 1
B: 4
C: 5
D: 6
答案: 【 1】
6、判断题:
电流由元件的低电位端流向高电位端的参考方向称为关联方向。( )
选项:
A: 正确
B: 错误
答案: 【 错误】
7、判断题:
在结点处各支路电流的参考方向不能均设为流向结点,否则将只有流入结点的电流,而无流出结点的电流。( )
选项:
A: 正确
B: 错误
答案: 【 错误】
8、填空题:
电路中有5个元件,如果已知其中4个元件功率分别为 P1 = −205 W,P2 = 60 W,P4 = 45 W,P5 = 30 W, 那么元件3的功率是 W。

答案: 【 70】
9、填空题:
电路如图所示,电路中电流I= A。

答案: 【 2】
10、填空题:
如图所示电路中,电压源发出的功率为 W。

答案: 【 75】
1、单选题:
对PN结施加反向电压时,参与导电的是( )。
选项:
A: 多数载流子
B: 少数载流子
C: 既有多数载流子又有少数载流子
D: 其余选项都不对
答案: 【 既有多数载流子又有少数载流子】
2、单选题:
硅管的导通电压约为( )V。
选项:
A: 0.1
B: 0.3
C: 0.5
D: 0.7
答案: 【 0.7】
3、单选题:
三极管工作在放大区时,发射结和集电结加( )偏置电压。
选项:
A: 正向和反向
B: 正向和正向
C: 反向和反向
D: 反向和正向
答案: 【 正向和反向】
4、单选题:
某电路中三极管3个电极的电位如图所示,由此可判断管子工作在( )。

选项:
A: 截止区
B: 饱和区
C: 放大区
D: 无法判断
答案: 【 放大区】
5、单选题:
某三极管处于放大状态,测得各电极的电位如图所示,由此可知这个三极管是( )。

选项:
A: PNP硅管,且①脚为发射极e,②脚为基极b,③脚为集电极c
B: PNP硅管,且①脚为集电极c,②脚为基极b,③脚为发射极e
C: NPN锗管,且①脚为集电极c,②脚为基极b,③脚为发射极e
D: NPN锗管,且①脚为集电极b,②脚为基极c,③脚为发射极e
答案: 【 PNP硅管,且①脚为集电极c,②脚为基极b,③脚为发射极e】
6、多选题:
利用普通二极管可以实现( )作用。
选项:
A: 限幅
B: 整流
C: 钳位
D: 开关
答案: 【 限幅;
整流;
钳位;
开关】
7、判断题:
PN结是在两种半导体交界面,由离子薄层形成的空间电荷区,因此PN结带电。
选项:
A: 正确
B: 错误
答案: 【 错误】
8、填空题:
PN结正偏时,P区电位( )(高于或低于)N区电位。
答案: 【 高于】
9、填空题:
将图中的电阻R短路,电路( )(有、没有)稳压作用
答案: 【 没有】
10、填空题:
双极型三极管包含两个PN结,即()结和集电结。
答案: 【 发射】
1、单选题:
几个电阻并联后的总电阻值一定( )其中任意一个电阻的阻值。
选项:
A: 大于
B: 小于
C: 等于
D: 不确定
答案: 【 小于】
2、单选题:
现用支路电流法求解图示电路,下面描述正确的是()。

选项:
A: 可列出3个独立结点电流方程。
B: 可列出3个独立的回路电压方程。
C: 可通过列出6个独立方程求解电路。
D: 其余描述均正确。
答案: 【 可列出3个独立的回路电压方程。】
3、单选题:
下列说法错误的是( )。

选项:
A: Uca=-3V
B: Uba=-2V
C: Ucb=-2V
D: 该支路流过的电流大小为1A
答案: 【 Uba=-2V】
4、多选题:
叠加定理可以直接用于计算电路中的()。
选项:
A: 电压
B: 电流
C: 能量
D: 功率
答案: 【 电压;
电流】
5、判断题:
图示两个电路是等效的,因此无论接什么负载,4Ω电阻上的电参数始终相等。()

选项:
A: 正确
B: 错误
答案: 【 错误】
6、填空题:
凡是与电流源串联的元件,在求其它支路电压、电流时不起作用,可视为( )。(短路或开路)。
答案: 【 短路】
7、填空题:
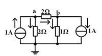
图示电路中,ab两端的等效电导为()S。

答案: 【 0.95】
8、填空题:
图示电路中,电流I=( )A。

答案: 【 -0.8】
9、填空题:
利用结点电压法计算图示电路中b点的电位为( )V。

答案: 【 -0.4】
10、填空题:
如图所示一有源二端线性网络,其戴维宁等效电路中电压源为( )V。

答案: 【 18】
1、单选题:
换路前若电容元件没有电压,换路后,电容元件可以用( )代替。
选项:
A: 理想电压源
B: 短路线
C: 理想电流源
D: 断开
答案: 【 短路线】
2、单选题:
下图为某RC电路电容上的电压的暂态响应曲线。电容值分别为100μF、300μF、400μF、600μF。若R值相等,则其中400
备案号:冀ICP备20010840号 2020-2099辉辉网络科技 All Rights Reserved