

1、单选题:

选项:
A: 3A
B: 1.56A
C: 1A
D: 2A
答案: 【 2A】
2、单选题:

选项:
A: 1.5A
B: -1.5A
C: 2.1A
D: -2.1A
答案: 【 -1.5A】
3、单选题:

选项:
A: 1.33A
B: 2.33A
C: 7A
D: 3A
答案: 【 2.33A】
4、单选题:

选项:
A: 8V
B: -8V
C: 20V
D: -20V
答案: 【 20V】
5、单选题:

选项:
A: 1.7A
B: 2.2A
C: 3.0A
D: 3.8A
答案: 【 2.2A】
6、单选题:

选项:
A: 0.33A
B: -0.33A
C: 0.13A
D: -0.13A
答案: 【 0.13A】
7、单选题:

选项:
A: 100V
B: 150V
C: -150V
D: -100V
答案: 【 150V】
8、单选题:

选项:
A: 12伏,5欧姆
B: 10伏,3欧姆
C: 8伏,1欧姆
D: 16伏,9欧姆
答案: 【 12伏,5欧姆】
9、单选题:

选项:
A: 5A
B: -5A
C: 1A
D: -1A
答案: 【 1A】
10、单选题:

选项:
A: 1.5A
B: -1.5A
C: 0.5A
D: -0.5A
答案: 【 -1.5A】
11、单选题:

选项:
A: 9V
B: -9V
C: 3.3V
D: -3.3V
答案: 【 3.3V】
12、单选题:

选项:
A: 0.5A
B: -0.5A
C: 1A
D: -1A
答案: 【 0.5A】
13、单选题:

选项:
A: 0.75A
B: -0.75A
C: 0.5A
D: -0.5A
答案: 【 0.5A】
14、单选题:

选项:
A: 0.33A
B: -0.33A
C: 0.67A
D: -0.67A
答案: 【 0.33A】
15、单选题:

选项:
A: 18V
B: 24V
C: 30V
D: 54V
答案: 【 54V】
16、填空题:

答案: 【 -4V】
17、填空题:

答案: 【 4V】
18、填空题:

答案: 【 -1V】
19、填空题:

答案: 【 消耗功率】
20、填空题:

答案: 【 消耗功率】
21、填空题:

答案: 【 10V】
22、填空题:

答案: 【 28V】
23、填空题:

答案: 【 -5.7V】
24、填空题:

答案: 【 14V】
25、填空题:

答案: 【 0.2A】
26、填空题:

答案: 【 -4V】
27、填空题:

答案: 【 2V】
28、填空题:

答案: 【 2V】
29、填空题:

答案: 【 -3V】
30、填空题:

答案: 【 15W】
1、单选题:
有一106mF的电容与40W的电阻串联的阻抗,连接到250V,50Hz的电源上,则电路中的电流为()A。
选项:
A: 6.25
B: 7.25
C: 8.25
D: 9.25
答案: 【 6.25】
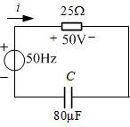
2、单选题:
如图示电路,计算电路中的电流为( )A

选项:
A: 1
B: 2
C: 3
D: 4
答案: 【 2】
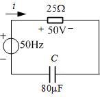
3、单选题:
如图示电路,计算电容上的电压为( )V。

选项:
A: 66.2
B: 79.6
C: 99.8
D: 129.6
答案: 【 79.6】
4、单选题:
如图示电路,计算电源电压为( )V

选项:
A: 50
B: 66
C: 87
D: 94
答案: 【 94】
5、单选题:
一个线圈的等效电阻为8W,电感为0.0128H,连接到150V,50Hz的电源上。则计算得线圈的阻抗为( )W.
选项:
A: 6.58
B: 7.69
C: 8.94
D: 9.37
答案: 【 8.94】
6、单选题:
一个线圈的等效电阻为8W,电感为0.0128H,连接到150伏,50Hz的电源上。则计算得线圈内流过的电流为( )A
选项:
A: 13.77
B: 14.77
C: 15.77
D: 16.77
答案: 【 16.77】
7、单选题:
一个线圈的等效电阻为8W,电感为0.0128H,连接到150伏,50Hz的电源上。则计算得线圈消耗的功率为( )W。
选项:
A: 2050
B: 2150
C: 2250
D: 2350
答案: 【 2250】
8、单选题:
由6W的电阻、0.05 H的电感和320mF的电容串联的电路,施加一个240 V,50Hz的交流电源,则电流中的电流为()A。
选项:
A: 25.87
B: 26.87
C: 27.87
D: 28.87
答案: 【 28.87】
9、单选题:
RLC串联电路的电阻为5W,电感为0.2H,电容为150mF,接在一个100 V,50 Hz的电源上。则计算得线圈两端的电压为( )V。
选项:
A: 150
B: 160
C: 170
D: 180
答案: 【 150】
10、单选题:
RLC串联电路的电阻为5W,电感为0.2H,电容为150mF,接在一个100 V,50 Hz的电源上。则计算得整个电路的功率因数为( )。
选项:
A: 0.12
B: 0.13
C: 0.14
D: 0.15
答案: 【 0.12】
11、单选题:
设某电路中的电流
,当t=0时,电流的瞬时值i=0.866A,试求电流的有效值I为( )A。
选项:
A: 0.5
B: 0.707
C: 0.866
D: 1
答案: 【 0.707】
12、单选题:
一正弦电流的最大值
备案号:冀ICP备20010840号 2020-2099辉辉网络科技 All Rights Reserved