

1、单选题:
分析电路时将某元件两端的电流、电压参考方向设为同向,而计算结果二者均为负值,可知该元件( )。
选项:
A: 一定是电源
B: 一定是负载
C: 都有可能
D: 无法判断
答案: 【 一定是负载】
2、单选题:
根据下图所示参考方向,测得U=3V、I=2A,可判断该元件( )。

选项:
A: 一定是电源
B: 一定是负载
C: 都有可能
D: 无法判断
答案: 【 一定是电源 】
3、单选题:
某0.2H的电感,某时刻流过电流为2A,则该电感此时的储能为( )。
选项:
A: 0.2J
B: 0.4J
C: 0.8J
D: 1J
答案: 【 0.4J 】
4、单选题:
下图所示为部分电路,N为含源网络,则电流I为( )。

选项:
A: -4A
B: 4A
C: -3A
D: 3A
答案: 【 -3A】
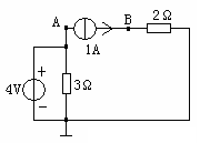
5、单选题:
下图所示电路中,A、B两点的电位是( )。

选项:
A: 4V和2V
B: 4V和1V
C: 2V和4V
D: 12V和2V
答案: 【 4V和2V 】
6、单选题:
下图所示电路中,A点电位为( )。

选项:
A: -6V
B: 6V
C: -3V
D: 3V
答案: 【 3V 】
7、判断题:
电源就是把化学能等其它形式的能量转变为电能的装置。
选项:
A: 正确
B: 错误
答案: 【 正确】
8、判断题:
无论电阻的电压、电流采取关联参考方向否,其两端电压与电流实际方向总是关联的。
选项:
A: 正确
B: 错误
答案: 【 正确】
9、判断题:
在电源使用中,电压源不能短路,电流源不能断路。
选项:
A: 正确
B: 错误
答案: 【 正确】
10、判断题:
电阻、电感、电容均为耗能元件。
选项:
A: 正确
B: 错误
答案: 【 错误】
11、判断题:
某时刻某电容两端电压为0V,则该时刻电容所在支路电流也为0A。
选项:
A: 正确
B: 错误
答案: 【 错误】
12、判断题:
列写KCL方程时,如果采用代数和等于零的形式,那么我们可以自己规定流入电流取正,也可定义流出电流取正。
选项:
A: 正确
B: 错误
答案: 【 正确】
13、判断题:
列写KVL方程时,如果采用代数和等于零的形式,那么我们可以自己规定升压取正,也可以定义降压取正。
选项:
A: 正确
B: 错误
答案: 【 正确】
1、单选题:
下列关于电压源与电流源等效代换的论述正确的是( )。
选项:
A: 恒压源可以由恒流源等效代换。
B: 电压源不可以由电流源等效代换。
C: 电压源由电流源等效代换时,内阻大小改变。
D: 电压源由电流源等效代换时,内阻大小不变。
答案: 【 电压源由电流源等效代换时,内阻大小不变。 】
2、单选题:
n个节点,b条支路,用支路电流法求解时可以列出相互独立的KVL方程的数量是( )。
选项:
A: n个 。
B: (n-1)个。
C: (b-n)个。
D: (b-n+1)个 。
答案: 【 (b-n+1)个 。】
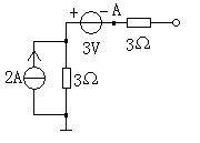
3、单选题:
下图所示电路,求a点电位最方便的方法是应用( )。
选项:
A: 电源等效变换。
B: 支路电流法。
C: 弥尔曼定理。
D: 叠加定理。
答案: 【 弥尔曼定理。】
4、单选题:
下图所示电路中电压U等于( )。

选项:
A: 2V。
B: -2V 。
C: 6V。
D: -6V。
答案: 【 6V。】
5、判断题:
在一定条件下,理想电压源可以由理想电流源等效代换。
选项:
A: 正确
B: 错误
答案: 【 错误】
6、判断题:
叠加定理可以求解电路中的电压和电流,也可求解电路中的功率。
选项:
A: 正确
B: 错误
答案: 【 错误】
7、判断题:
应用叠加定理时不作用电源的含义是,电压源短路,电流源开路。
选项:
A: 正确
B: 错误
答案: 【 正确】
1、单选题:
电路如下图所示,则2A电流源功率等于( )。

选项:
A: 4W
B: -4W
C: 8W
D: -8W
答案: 【 8W】
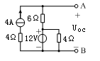
2、单选题:
下图所示单口网络的开路电压Uoc为( )。

选项:
A: -10V 。
B: 0V 。
C: 10V 。
D: 50V 。
答案: 【 10V 。】
3、单选题:
下图所示电路的开路电压Uoc等于( )。

选项:
A: 12V。
B: 36V 。
C: 24V。
D: -6V。
答案: 【 36V 。】
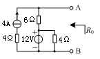
4、单选题:
下图所示电路的等效电阻Ro为( )。

选项:
A: 2.4Ω。
B: 6Ω。
C: 10Ω。
D: 2Ω。
答案: 【 6Ω。】
5、单选题:
下图所示端口网络的戴维宁等效电路是( )。

选项:
A: 
B: 
C: 
D: 
答案: 【
】
6、单选题:
下图所示为四个电阻的伏安特性曲线,其中图( )所示是线性电阻。
选项:
A: 
B: 
备案号:冀ICP备20010840号 2020-2099辉辉网络科技 All Rights Reserved