

1、单选题:
1.下列说法不正确的是( )A. 一个实际电路的模型是唯一的。B.同一器件可以用不同的模型表示。C.电路可以进行能量的产生、传输与转换。D.电路可以实现信号的传递与处理。
选项:
A: A
B: B
C: C
D: D
答案: 【 A】
1、单选题:
1.电力输电线,其工作频率为50Hz,故输电线的长是( )时,可以看作分布参数电路。A. 6m B. 6km C. 60km D. 6000km
选项:
A: A
B: B
C: C
D: D
答案: 【 D】
2、单选题:
2.下列说法不正确的是( )A.集中参数电路中电磁能量的消耗都集中于电阻元件。B.集中参数电路可以认为电路各处的电磁能量是同时到达的。C.我国的电力输电线电路是集中参数电路。D.电路的主要作用是能量的传输和信号的处理。
选项:
A: A
B: B
C: C
D: D
答案: 【 C】
3、单选题:
3.集中参数电路是指( )A.电路几何尺寸远小于其工作时电磁波波长λ。B.电路几何尺寸远小于其工作时电磁波频率f。C.电路几何尺寸很小。D.电路工作频率很小。
选项:
A: A
B: B
C: C
D: D
答案: 【 A】
4、单选题:
4.对于电视天线及其传输线来说,某电视台的工作频率为200MHz,则传输线长是( )时,可以看作集中参数电路。A. 0.2mm B. 0.2m C. 2m D.20m
选项:
A: A
B: B
C: C
D: D
答案: 【 A】
1、单选题:
1. 下列说法不正确的是( )A.电压和电流的参考方向可以任意假定。B.电路中电压、电流只标示参考方向 。C.若电压值为正,说明电压的参考极性与实际极性一致。D. 若电流值为负,说明电流的参考方向标错了。
选项:
A: A
B: B
C: C
D: D
答案: 【 D】
2、单选题:
2. 若流过某导体横截面S的正电荷表达式为
,如图所示。则t=0秒时的电流值i(0)=( )
A. 1A B. -4A C. 4A D. -1A

选项:
A: A
B: B
C: C
D: D
答案: 【 C】
3、单选题:
3. 如图所示电路,则图中的电压u=( )
A. 10V B. -10V C. 0.1V D. -0.1V

选项:
A: A
B: B
C: C
D: D
答案: 【 A】
1、单选题:
1. 如图所示电路N,电流、电压参考方向如图所标。若t=t1时i(t1)=1A,u(t1)=3V,则t=t1时N吸收的功率PN(t1)=( )
A. 3W B. -3W C. 4W D. -4W

选项:
A: A
B: B
C: C
D: D
答案: 【 A】
2、单选题:
2. 如图所示一段直流电路N,电流I参考方向如图所标,电压表内阻对测试电路的影响忽略不计。已知直流电压表读数为5V,N吸收的功率为10W,则电流I=( )
A. 2A B. -2A C. 50Am D. -50A

选项:
A: A
B: B
C: C
D: D
答案: 【 B】
3、单选题:
3. 某车间有12只“220V,60W”照明灯和20把“220V,45W”的电烙铁,平均每天使用8小时,则每月(按30天计算)该车间用电( ) 千瓦小时。A . -488.8 B. 488.8 C. 388.8 D. -388.8
选项:
A: A
B: B
C: C
D: D
答案: 【 C】
4、单选题:
4. 如图所示一个3A的理想电流源与一个电阻相接,则3A电流源供出的功率PS=( )
A . 8W B. -8W C. 10W D. 18W

选项:
A: A
B: B
C: C
D: D
答案: 【 D】
1、单选题:
1. 下列说法不正确的是( )A. 从物理意义上来说,KCL应对电流的实际方向来说才是正确的,但对电流的参考方向来说也必然是正确的。B. 在节点处各支路电流的方向不能均设为流入节点,否则将只有流入节点的电流而无流出节点的电流。C. 定律KCL、KVL和VCR是电路分析的基础,它们同时适用于线性电路和非线性电路。D. KCL只与支路电流 有关,而与元件的性质无关。
选项:
A: A
B: B
C: C
D: D
答案: 【 B】
2、单选题:
2. 如图所示电路,则图中的电阻R=( )
A . 2Ω B. 1Ω C. 1.5Ω D. 0.5Ω

选项:
A: A
B: B
C: C
D: D
答案: 【 A】
3、单选题:
3. 如图所示电路,则图中的电压U=( )
A . 1V B. -1V C. 2V D. -2V

选项:
A: A
B: B
C: C
D: D
答案: 【 C】
4、单选题:
4. 如图所示电路,则图中1A电流源产生功率PS=( )
A . -1.5W B. -1W
C. 1.5W D. 1W

选项:
A: A
B: B
C: C
D: D
答案: 【 D】
5、单选题:
5. 如图所示某电路中的部分电路,各已知的电流及元件值已标示在图中电压源US、电流I 和电阻R分别为( )
A . 90V、1A、1.5Ω B. -90V、1A、1Ω
C. 9V、-1A、2.5Ω D. -9V、1A、3Ω

选项:
A: A
B: B
C: C
D: D
答案: 【 A】
6、单选题:
6. 如图所示电路,则电路中的开路电压Uoc=( )
A . 30V B. -30V C. 6V D. -6V

选项:
A: A
B: B
C: C
D: D
答案: 【 B】
7、单选题:
7. 如图所示电路,则图中的电流I=( )
A . 2A B. -2A C. 0A D. 0.5A

选项:
A: A
B: B
C: C
D: D
答案: 【 C】
1、单选题:
1. 下列说法不正确的是( )A. 电路中u和i的参考方向是我们自己规定的,采用不同的参考方向,欧姆定律表达式既可以写 成u=Ri,也可以写成u=-Ri。B. 线性电阻元件的伏安特性曲线是通过原点坐标的一条直线。C. 电阻元件也可以另一个参数“电导”来表征。D. 由欧姆定律定义的电阻元件,称为时变电阻元件。
选项:
A: A
B: B
C: C
D: D
答案: 【 D】
2、单选题:
2. 如图所示电路,则图中的电压u=( )
A . 2V B. -2V C. 8V D. -8V

选项:
A: A
B: B
C: C
D: D
答案: 【 A】
3、单选题:
3. 如图所示电路,当负载电阻RL变得越来越大时,则其上电流i将变得越来越( )
A . 大 B. 小
C. 不变 D. 不确定

选项:
A: A
B: B
C: C
D: D
答案: 【 B】
4、单选题:
4. 如图所示电路,已知电流源IS=3A,UAB=6V,且R1与R2消耗功率之比为1:2,则R1=( )
A . 2Ω B. 3Ω C. 1Ω D. 0Ω

选项:
A: A
B: B
C: C
D: D
答案: 【 A】
5、单选题:
5. 如图所示电路,若图中U1=14V,则电压源US=( )
A . 20 V B. -20V
C. 5V D. -5V

选项:
A: A
B: B
C: C
D: D
答案: 【 A】
6、单选题:
6. 如图所示电路,若图中电流I=0,则电阻R=( )
A . 2Ω B. 3Ω
C. 1.5Ω D. 6Ω

选项:
A: A
B: B
C: C
D: D
答案: 【 D】
7、单选题:
7. 如图所示电路,当us=9V,is=0A时,电流i=( )
A . 2A B. -2A C. 1A D. -1A

选项:
A: A
B: B
C: C
D: D
答案: 【 C】
1、单选题:
1. 下列说法不正确的是( )A. 独立电压源或独立电流源在电路中一定是发出功率的。B. 受控源不能独立存在,若控制量为零,则受控量也为零。C. 受控源可以提供功率,也可以发出功率。D. 受控源是一种双口元件,它含有两条支路:一条是控制支路,另一条为受控支路。
选项:
A: A
B: B
C: C
D: D
答案: 【 A】
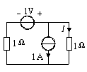
2、单选题:
2. 如图所示含受控源的电路,则电路中的电流i=( )
A . 2A B. -2A C. 0A D. 1A

选项:
A: A
B: B
C: C
D: D
答案: 【 D】
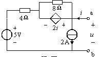
3、单选题:
3. 如图所示电路,则a、b端的开路电压u =( )
A . 6 V B. 3V
C. -6V D. -3V

选项:
A: A
B: B
C: C
D: D
答案: 【 D】
4、单选题:
4. 如图所示电路,则图中受控源吸收的功率P=( )
A . 6W B. 4W
C. -4W D. -6W
备案号:冀ICP备20010840号 2020-2099辉辉网络科技 All Rights Reserved