

1、判断题:
是否需要考虑电路的分布参数,取决于电路的实际尺寸与电路工作时电磁波的波长之间的关系。
选项:
A: 正确
B: 错误
答案: 【 正确】
2、判断题:
若电路的实际尺寸远小于电路工作时电磁波的波长,则可采用集总参数。
选项:
A: 正确
B: 错误
答案: 【 正确】
3、判断题:
若电路的实际尺寸与电路工作时电磁波的波长相当,则需考虑分布参数。
选项:
A: 正确
B: 错误
答案: 【 正确】
4、判断题:
高频信号的波长较短,可与电路的线路长度相比较,因此高频电子线路常需考虑分布参数。
选项:
A: 正确
B: 错误
答案: 【 正确】
5、判断题:
晶体管的交流等效电路图在高频和低频时存在不同。
选项:
A: 正确
B: 错误
答案: 【 正确】
6、判断题:
晶体管高频交流等效电路中结电容不能忽略。
选项:
A: 正确
B: 错误
答案: 【 正确】
7、判断题:
低频电路常采用集总参数,而高频电路常需考虑其分布参数。
选项:
A: 正确
B: 错误
答案: 【 正确】
8、判断题:
高频电路常采用多点接地,即就近接地的原则,低频电路常采用一点接地。
选项:
A: 正确
B: 错误
答案: 【 正确】
9、判断题:
低频电路采用多点接地,高频电路常采用一点接地。
选项:
A: 正确
B: 错误
答案: 【 错误】
10、判断题:
人耳能听到的音频频率大致在20Hz~20kHz范围内。
选项:
A: 正确
B: 错误
答案: 【 正确】
11、判断题:
超外差接收机的原理是:接收的高频信号与本地振荡混频,转换为某固定中频,经中频放大后送检波,最后送低频放大。
选项:
A: 正确
B: 错误
答案: 【 正确】
12、判断题:
直接放大接收机的原理是:接收的高频信号经过高频放大后,直接送检波,最后送低频放大。
选项:
A: 正确
B: 错误
答案: 【 正确】
13、判断题:
高频时电流存在趋肤效应,高频电流将在导体表面通过,单纯增大地线导体横截面积往往对降低地线电阻的作用不大。
选项:
A: 正确
B: 错误
答案: 【 正确】
14、判断题:
高频电路中,减小地线感抗的最好方法是,增大地线的面积。
选项:
A: 正确
B: 错误
答案: 【 正确】
15、判断题:
高频电路中采用多点接地,主要是为降低地线电阻和地线容抗。
选项:
A: 正确
B: 错误
答案: 【 错误】
1、单选题:
LC串联谐振回路谐振时,
选项:
A: 回路电流最大
B: 谐振电阻最小
C: 回路电流最小
D: 谐振电阻最大
E: 回路电压最小
F: 回路电压最大
G: 串联谐振频率为
H: 串联谐振也称为电压谐振,需要注意元器件的耐压问题
I: 串联谐振也称为电流谐振,需要注意元器件的耐压问题
答案: 【 回路电流最大;
谐振电阻最小;
串联谐振频率为
;
串联谐振也称为电压谐振,需要注意元器件的耐压问题】
2、单选题:
LC并联谐振回路谐振时,
选项:
A: 回路电压最大
B: 谐振电阻最大
C: 回路电压最小
D: 谐振电阻最小
E: 回路电流最小
F: 回路电流最大
G: 并联谐振频率为
H: 并联谐振也称为电流谐振
I: 并联谐振也称为电压谐振
答案: 【 回路电压最大;
谐振电阻最大;
并联谐振频率为
;
并联谐振也称为电流谐振】
3、单选题:
关于电感和电容,
选项:
A: 电感中电压相位超前电流90°
B: 电容中电流相位超前电压90°
C: 电感中电流不能突变
D: 电容中电压不能突变
E: 电感中电流相位超前电压90°
F: 电容中电压相位超前电流90°
G: 电感中电压不能突变
H: 电容中电流不能突变
答案: 【 电感中电压相位超前电流90°;
电容中电流相位超前电压90°;
电感中电流不能突变;
电容中电压不能突变】
4、单选题:
关于RC滤波器和LC滤波器的说法中错误的是
选项:
A: 从工程实际上来说,RC滤波器一般用于高频电路
B: 从工程实际上来说,LC滤波器一般用于低频电路
C: 从工程实际上说,RC滤波器一般用于低频电路
D: 从工程实际上说,LC滤波器一般用于高频电路
E: 若将LC滤波器用于低频电路,其电感L将会很大,体积大、绕线电阻大,回路品质因素低
F: RC滤波器有损耗,LC滤波器理论上可以无损耗
答案: 【 从工程实际上来说,RC滤波器一般用于高频电路;
从工程实际上来说,LC滤波器一般用于低频电路】
5、单选题:
关于电感的品质因数Q说法不正确的是
选项:
A: 电感Q值越低,储能越强
B: 电感Q值越低,功率损耗越小
C: 电感的损耗电阻就是直流电阻
D: 电感Q值定义为wL/R,其中:w为工作角频率,L为电感量,R为损耗电阻
E: 电感Q值反映电感线圈损耗大小
F: 电感Q值越高,储能越强
G: 电感Q值越高,功率损耗越小
答案: 【 电感Q值越低,储能越强;
电感Q值越低,功率损耗越小;
电感的损耗电阻就是直流电阻】
6、单选题:
关于LC串联谐振回路中的特性阻抗,
选项:
A: 串联谐振回路谐振时的感抗或容抗
B: 串联谐振回路谐振时的容抗
C: 串联谐振回路谐振时的感抗
D: 特性阻抗等于
E: 串联谐振回路谐振时的阻抗
F: 串联谐振回路谐振时的总电抗
G: 串联谐振回路失谐时的总电抗
H: 特性阻抗等于
I: 串联谐振回路谐振时的电抗和
答案: 【 串联谐振回路谐振时的感抗或容抗;
串联谐振回路谐振时的容抗 ;
串联谐振回路谐振时的感抗;
特性阻抗等于
】
7、单选题:
关于LC并联谐振回路中的特性阻抗,
选项:
A: 并联谐振回路谐振时的感抗或容抗
B: 并联谐振回路谐振时的容抗
C: 并联谐振回路谐振时的感抗
D: 特性阻抗等于
E: 并联谐振回路谐振时的阻抗
F: 并联谐振回路谐振时的总电抗
G: 并联谐振回路失谐时的总电抗
H: 特性阻抗等于
I: 并联谐振回路谐振时的电抗和
答案: 【 并联谐振回路谐振时的感抗或容抗;
并联谐振回路谐振时的容抗;
并联谐振回路谐振时的感抗;
特性阻抗等于
】
8、单选题:
关于LC串联谐振回路中的感性和容性,
选项:
A: 当外加信号源频率大于谐振频率时,呈感性
B: 当外加信号源频率小于谐振频率时,呈容性
C: 当外加信号源频率等于谐振频率时,呈纯阻性
D: 当外加信号源频率大于谐振频率时,电压相位超前电流
E: 当外加信号源频率小于谐振频率时,电流相位超前电压
F: 当外加信号源频率大于谐振频率时,呈容性
G: 当外加信号源频率小于谐振频率时,呈感性
H: 当外加信号源频率大于谐振频率时,电流相位超前电压
I: 当外加信号源频率小于谐振频率时,电压相位超前电流
答案: 【 当外加信号源频率大于谐振频率时,呈感性;
当外加信号源频率小于谐振频率时,呈容性;
当外加信号源频率等于谐振频率时,呈纯阻性;
当外加信号源频率大于谐振频率时,电压相位超前电流;
当外加信号源频率小于谐振频率时,电流相位超前电压】
9、单选题:
关于LC并联谐振回路中的感性和容性,
选项:
A: 当外加信号源频率大于谐振频率时,呈容性
B: 当外加信号源频率小于谐振频率时,呈感性
C: 当外加信号源频率等于谐振频率时,呈纯阻性
D: 当外加信号源频率大于谐振频率时,电流相位超前电压
E: 当外加信号源频率小于谐振频率时,电压相位超前电流
F: 当外加信号源频率大于谐振频率时,呈感性
G: 当外加信号源频率小于谐振频率时,呈容性
H: 当外加信号源频率大于谐振频率时,电压相位超前电流
I: 当外加信号源频率小于谐振频率时,电流相位超前电压
答案: 【 当外加信号源频率大于谐振频率时,呈容性;
当外加信号源频率小于谐振频率时,呈感性;
当外加信号源频率等于谐振频率时,呈纯阻性;
当外加信号源频率大于谐振频率时,电流相位超前电压;
当外加信号源频率小于谐振频率时,电压相位超前电流】
10、单选题:
关于LC串联谐振回路中的品质因数,
选项:
A: 反映串联谐振回路的损耗大小
B: 空载品质因素等于串联谐振时的感抗与损耗电阻R之比
C: 有载品质因素等于串联谐振时的感抗(或容抗)除以损耗电阻R、信号源内阻、负载电阻之和
D: 空载品质因素等于容抗与损耗电阻R之比
E: 空载品质因素等于失谐时感抗(或容抗)与损耗电阻R之比
F: 空载品质因素等于串联谐振时的总电抗与损耗电阻R之比
G: 相比仅考虑空载品质因素时的通频带,考虑有载品质因素时的通频带降低
答案: 【 反映串联谐振回路的损耗大小;
空载品质因素等于串联谐振时的感抗与损耗电阻R之比;
有载品质因素等于串联谐振时的感抗(或容抗)除以损耗电阻R、信号源内阻、负载电阻之和】
11、单选题:
关于LC串联谐振回路中的品质因数,
选项:
A: 空载品质因素等于串联谐振时的容抗与损耗电阻R之比
B: 空载品质因素等于特性阻抗与损耗电阻R之比
C: 相比仅考虑空载品质因素时的通频带,考虑有载品质因素时的通频带增大
D: 空载品质因素等于感抗与损耗电阻R之比
E: 空载品质因素等于失谐时感抗(或容抗)与损耗电阻R之比
F: 空载品质因素等于串联谐振时的总电抗与损耗电阻R之比
G: 空载品质因素等于串联谐振时的电抗之和除以损耗电阻R
答案: 【 空载品质因素等于串联谐振时的容抗与损耗电阻R之比;
空载品质因素等于特性阻抗与损耗电阻R之比;
相比仅考虑空载品质因素时的通频带,考虑有载品质因素时的通频带增大】
12、单选题:
关于LC并联谐振回路中的品质因数,
选项:
A: 反映并联谐振回路的损耗大小
B: 空载品质因素等于并联谐振时的感抗(或容抗)除以损耗电阻R
C: 空载品质因素等于并联谐振电阻Rp除以并联谐振时的感抗(或容抗)
D: 有载品质因素等于并联谐振时的感纳(或容纳)除以并联谐振电导Gp、信号源电导Gs、负载电导GL之和
E: 空载品质因素等于并联谐振时的总电抗与损耗电阻R之比
F: 空载品质因素等于并联谐振时的电抗之和与并联谐振电阻Rp之比
G: 空载品质因素等于特性阻抗与并联谐振电阻Rp之比
H: 相比仅考虑空载品质因素时的通频带,考虑有载品质因素时的通频带降低
答案: 【 反映并联谐振回路的损耗大小;
空载品质因素等于并联谐振时的感抗(或容抗)除以损耗电阻R;
空载品质因素等于并联谐振电阻Rp除以并联谐振时的感抗(或容抗);
有载品质因素等于并联谐振时的感纳(或容纳)除以并联谐振电导Gp、信号源电导Gs、负载电导GL之和】
13、单选题:
关于LC并联谐振回路中的品质因数,
选项:
A: 空载品质因素等于特性阻抗除以损耗电阻R
B: 空载品质因素等于并联谐振电阻Rp除以特性阻抗
C: 空载品质因素等于并联谐振时的感纳(或容纳)除以并联谐振电导Gp
D: 有载品质因素等于并联谐振时的感纳(或容纳)除以并联谐振电导Gp、信号源电导Gs、负载电导
之和
E: 空载品质因素等于感抗(或容抗)与损耗电阻R之比
F: 空载品质因素等于并联谐振时的感抗(或容抗)与并联谐振电阻Rp之比
G: 相比仅考虑空载品质因素时的通频带,考虑有载品质因素时的通频带降低
答案: 【 空载品质因素等于特性阻抗除以损耗电阻R;
空载品质因素等于并联谐振电阻Rp除以特性阻抗;
空载品质因素等于并联谐振时的感纳(或容纳)除以并联谐振电导Gp;
有载品质因素等于并联谐振时的感纳(或容纳)除以并联谐振电导Gp、信号源电导Gs、负载电导
之和】
14、单选题:
信号源内阻和负载电阻较小时采用
选项:
A: 串联方式
B: 并联方式
C: 抽头接入方式
D: 部分接入方式
答案: 【 串联方式】
15、单选题:
信号源内阻和负载电阻较大时采用
选项:
A: 并联方式
B: 串联方式
C: 抽头接入方式
D: 部分接入方式
答案: 【 并联方式】
16、单选题:
关于LC串联或并联谐振回路中的广义失谐系数ξ,错误的说法是
选项:
A: 广义失谐系数定义为回路谐振时的电抗之和除以损耗电阻R
B: 反映回路失谐量的大小,即回路偏离谐振频率的程度
C: 回路谐振时的广义失谐系数等于零
D: 当失谐不大时,广义失谐系数=品质因数×2×频率偏移/谐振频率
答案: 【 广义失谐系数定义为回路谐振时的电抗之和除以损耗电阻R】
17、单选题:
下列关于串谐和并谐的谐振曲线,错误的说法是
选项:
A: 回路品质因数越低,谐振曲线越尖锐
B: 串联谐振回路的谐振曲线N(f)=失谐时的电流/谐振时的电流
C: 并联谐振回路的谐振曲线N(f)=失谐时的电压/谐振时的电压
D: 回路品质因数越高,通频带越小
E: 串谐回路和并谐回路的相频特性均为-arctgξ
答案: 【 回路品质因数越低,谐振曲线越尖锐】
18、单选题:
关于串并阻抗等效互换,错误的说法是
选项:
A: 电阻由并联转成串联,电阻变大
B: 串联电路中的电阻越大,分压越大,损耗越大
C: 并联电路中的电阻越小,分流越大,损耗越大
D: 电抗由串联转换成并联,电抗性质不变
E: 电抗由串联转换成并联,当Q值较高时,电抗大小基本不变
答案: 【 电阻由并联转成串联,电阻变大】
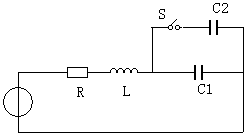
19、单选题:
电路如图所示,已知开关S打开时,该电路发生谐振。当把开关合上时,电路呈现

选项:
A: 感性
B: 容性
C: 阻性
D: 不确定
答案: 【 感性】
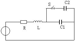
20、单选题:
电路如图所示,已知开关S闭合时,该电路发生谐振。当把开关打开时,电路呈现

选项:
A: 容性
B: 感性
C: 阻性
D: 不确定
答案: 【 容性】
21、单选题:
串联回路谐振时,假设Q为回路的品质因数,则电感和电容上的电压是输入信号电压的多少倍?
选项:
A: Q倍
B:
倍
C: 1/Q倍
D:
倍
答案: 【 Q倍】
22、单选题:
并联回路谐振时,假设Q为回路的品质因数,则电感支路和电容支路的电流幅值是输入电流源电流的多少倍?
选项:
A: Q倍
B:
倍
C: 1/Q倍
D:
倍
答案: 【 Q倍】
1、单选题:
信号源内阻和负载电阻不大不小时采用
选项:
A: 抽头接入方式
B: 部分接入方式
C: 串联方式
D: 并联方式
E: 恒压源方式
答案: 【 抽头接入方式 ;
部分接入方式】
2、单选题:
关于非线性电路的分析方法,错误的是
选项:
A: 交流等效电路法
B: 折线分析法
C: 幂级数分析法
D: 线性时变参量法
E: 开关函数分析法
答案: 【 交流等效电路法】
3、单选题:
当有大小两个信号同时作用于混频晶体管,大信号控制混频管的静态工作点(即控制混频管的跨导);对于小信号而言,可把混频管看成变跨导的线性元件,跨导基本与小信号无关。此时采用的非线性分析方法是
选项:
A: 线性时变参量法
B: 幂级数分析法
C: 折线分析法
D: 开关函数分析法
E: 交流等效电路法
答案: 【 线性时变参量法】
4、单选题:
关于耦合回路的反射阻抗,以下表述错误的是
选项:
A: 当初级回路和次级回路同时谐振到激励频率,反射阻抗为纯阻,初级等效回路中的反射电阻与次级回路中的自电阻成正比
B: 当初级回路和次级回路同时谐振到激励频率,反射阻抗为纯阻,次级等效回路中的反射电阻与初级回路中的自电阻成正比
C: 反射阻抗反映初级回路和次级回路中电流的相互影响
D: 在初级回路和次级回路中并不存在实体的反射阻抗
E: 反射电抗的性质与原回路总电抗的性质总是相反的
F: 反射电阻永远是正值,代表一定能量的损耗
答案: 【 当初级回路和次级回路同时谐振到激励频率,反射阻抗为纯阻,初级等效回路中的反射电阻与次级回路中的自电阻成正比;
当初级回路和次级回路同时谐振到激励频率,反射阻抗为纯阻,次级等效回路中的反射电阻与初级回路中的自电阻成正比】
5、单选题:
关于耦合回路的部分谐振,
选项:
A: 是指初级等效回路谐振或次级等效回路谐振
B: 初级部分谐振时初级回路本身电抗+反射电抗=0
C: 次级部分谐振时次级回路可能处于感性失谐或容性失谐
D: 是指初级回路谐振或次级回路谐振
E: 初级部分谐振是指初级回路对信号源频率谐振
F: 次级部分谐振时次级回路本身电抗等于零
答案: 【 是指初级等效回路谐振或次级等效回路谐振;
初级部分谐振时初级回路本身电抗+反射电抗=0;
次级部分谐振时次级回路可能处于感性失谐或容性失谐】
6、单选题:
关于耦合回路的复谐振,
选项:
A: 部分谐振且满足匹配条件
B: 满足最大功率传输条件的部分谐振
C: 初级回路对信号源频率谐振
D: 初级等效回路对信号源频率谐振
E: 次级回路对信号源频率谐振
答案: 【 部分谐振且满足匹配条件 ;
满足最大功率传输条件的部分谐振】
7、单选题:
关于耦合回路的全谐振, 以下表述错误的是
选项:
A: 部分谐振是全谐振的特例
B: 部分谐振是复谐振的特例
C: 初级回路和次级回路都对信号源频率谐振
D: 初级等效回路和次级等效回路都对信号源频率谐振
E: 全谐振时初级回路和次级回路均呈纯阻性
F: 最佳全谐振是复谐振的特例
G: 最佳全谐振是指满足初级匹配条件和次级匹配条件的全谐振
答案: 【 部分谐振是全谐振的特例;
部分谐振是复谐振的特例】
8、单选题:
关于石英晶体滤波器,以下表述错误的是
选项:
A: 串联谐振频率大于并联谐振频率
B: 石英晶体具有正反压电效应
C: 具有很高的品质因数
D: 具有非常小的接入系数,故受外部电路的影响很小
E: 串联谐振频率和并联谐振频率很接近,感性区域很小
答案: 【 串联谐振频率大于并联谐振频率】
9、单选题:
关于抽头,以下表述错误的是
选项:
A: 由低抽头向高抽头转换时,等效阻抗变小
B: 抽头接入系数
的数值小于等于1
C: 抽头接入系数等于抽头点电压与端电压之比
D: 抽头可分为电感抽头和电容抽头
E: 抽头的本质是阻抗转换
F: 抽头可减小信号源内阻和负载对谐振回路的影响
答案: 【 由低抽头向高抽头转换时,等效阻抗变小 】
10、单选题:
设接入系数为p,则关于抽头的等效阻抗转换,以下表述错误的是
选项:
A: 由低抽头向高抽头转换时,负载电容的等效电容减小为p倍
B: 由高抽头向低抽头转换时,等效电流源减小为p倍
C: 由低抽头向高抽头转换时,信号源内阻的等效电阻提高为
倍
D: 由低抽头向高抽头转换时,负载电容的等效容抗提高为
倍
E: 由低抽头向高抽头转换时,负载电阻的等效电阻提高为
倍
F: 由低抽头向高抽头转换时,等效电压提高为1/p倍
答案: 【 由低抽头向高抽头转换时,负载电容的等效电容减小为p倍 ;
由高抽头向低抽头转换时,等效电流源减小为p倍】
11、单选题:
石英晶体滤波器工作在_______时的等效阻抗最小
选项:
A: 串联谐振频率
B: 并联谐振频率
C:
与
之间
D: 工作频率
答案: 【 串联谐振频率
】
12、单选题:
陶瓷滤波器工作在_______时呈感性
选项:
A: 串联谐振频率
B: 并联谐振频率
C:
与
之间
D: 工作频率
答案: 【
与
之间 】
13、单选题:
如图所示的电容抽头并联谐振回路,
=100pF,
=400pF,则负载
接入系数
为

选项:
A: 0.2
B: 0.25
C: 0.6
D: 0.8
答案: 【 0.2 】
14、单选题:
如图所示的电感抽头并联谐振回路,已知
=2μH,
=3μH,若不考虑互感,则负载电阻
的接入系数为
选项:
A: 3/5
B: 3/2
C: 2/5
D: 2/3
E: 1/3
答案: 【 3/5】
15、单选题:
如图所示的电感抽头并联谐振回路,已知
和
匝数分别为
和
,若不考虑互感,则负载电容
的接入系数为
选项:
A: 
B: 
C:
D: 
答案: 【
备案号:冀ICP备20010840号 2020-2099辉辉网络科技 All Rights Reserved