

1、单选题:
电路图上任意设定的电流、电压方向称为 。
选项:
A: 参考方向
B: 实际方向
C: 关联方向
D: 正方向
答案: 【 参考方向】
2、单选题:
电路中,一参考方向的电流I计算值为正值,则说明该电流I与其实际方向 。
选项:
A: 相反
B: 相同
C: 无法确定
D: 都有可能
答案: 【 相同】
3、单选题:
电源短路时的特征是流过电源的电流 。
选项:
A: 为零
B: 过小
C: 过大
D: 正常
答案: 【 过大】
4、单选题:
两个电阻串联,电阻上的电流
选项:
A: 成正比
B: 成反比
C: 相等
D: 不相等
答案: 【 相等】
5、单选题:
当A点的电位UA为4V,B点的电位UB为9V,则UAB = V
选项:
A: 5
B: -5
C: 13
D: -13
答案: 【 -5】
6、判断题:
当U、I为非关联方向时,功率P= -UI
选项:
A: 正确
B: 错误
答案: 【 正确】
7、判断题:
在参考方向选定后,电流(或电压)值才有正负之分。
选项:
A: 正确
B: 错误
答案: 【 正确】
8、判断题:
电压的实际方向是由高电位端指向低电位端
选项:
A: 正确
B: 错误
答案: 【 正确】
9、判断题:
当功率P小于零时,产生功率,那么这个元件是负载。
选项:
A: 正确
B: 错误
答案: 【 错误】
10、判断题:
两个电阻并联时,总电阻等于两个电阻之和。
选项:
A: 正确
B: 错误
答案: 【 错误】
11、填空题:
当U、I为关联方向时,功率P =_____。
答案: 【 UI】
12、填空题:
电路的组成是由电源、________和中间环节组成。
答案: 【 负载】
13、填空题:
基尔霍夫电流定律(KCL)的内容是:在任一瞬间,流入任一节点的电流之和等于 该节点的电流之和。
答案: 【 流出】
14、填空题:
基尔霍夫电压定律(KVL)的内容是:任一瞬间,沿电路内任一 ,以任一方向绕行一周时,沿绕行方向上的电压升之和等于电压降之和。
答案: 【 回路】
15、填空题:
若两个电阻并联,那么这两个电阻的_____相等。
答案: 【 电压】
1、单选题:
已知某电路有n个节点,可以列 个独立的电流方程?
选项:
A: n
B: n+1
C: n-1
D: n+2
答案: 【 n-1】
2、单选题:
使用叠加原理时,对暂时不考虑的恒压源应予以 处理。
选项:
A: 短路
B: 断路
C: 忽略
D: 用电源替换
答案: 【 短路】
3、单选题:
电流源模型是恒流源与内阻
选项:
A: 串联
B: 并联
C: 混联
D: Y形联接
答案: 【 并联】
4、单选题:
任何一个有源线性二端网络,都可以用一个电动势为E的 和内阻R0 的电阻来等效代替。
选项:
A: 理想电压源;串联
B: 理想电流源;串联
C: 理想电压源;并联
D: 理想电流源;并联
答案: 【 理想电压源;串联】
5、单选题:

如图所示,用支路电流法列方程,问列KVL方程和KCL方程个数分别是 和 。
选项:
A: 2和2
B: 1和2
C: 3和1
D: 2和1
答案: 【 2和1】
6、判断题:
线性电路的电压、电流和功率均可用叠加原理计算。
选项:
A: 正确
B: 错误
答案: 【 错误】
7、判断题:
使用叠加原理时,对暂时不考虑的电流源应予以短路处理。
选项:
A: 正确
B: 错误
答案: 【 错误】
8、判断题:
电压源和电流源的等效关系对电源外部电路和电源内部都是等效的。
选项:
A: 正确
B: 错误
答案: 【 错误】
9、判断题:
应用戴维南定理,等效电源的内阻R0等于有源二端网络中所有电源均置零后,所得到的无源二端网络之间的等效电阻。
选项:
A: 正确
B: 错误
答案: 【 正确】
10、判断题:
使用叠加原理时,对暂时不考虑的电压源应予以短路处理。
选项:
A: 正确
B: 错误
答案: 【 正确】
11、判断题:
理想电压源和理想电流源之间可以等效变换。
选项:
A: 正确
B: 错误
答案: 【 错误】
12、填空题:
应用戴维南定理,等效电源的电动势E就是有源二端网络的 电压。
答案: 【 开路】
13、填空题:
线性电路中多个电源共同作用产生的响应(电流或电压)等于各个电源分别单独作用产生的响应之和,这是 定理。
答案: 【 叠加】
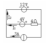
14、填空题:

如图所示电路,运用叠加定理计算电路中的电流,12V电压源单独作用时,电流I1等于 A。
答案: 【 3】
15、填空题:
三条或三条以上支路的公共联结点是 。
答案: 【 节点##%_YZPRLFH_%##结点】
1、单选题:
一个电热器,接在10V的直流电源上,产生的功率为P。把它改接在正弦交流电源上,使其产生的功率为P/2,则正弦交流电源电压的最大值为 。
选项:
A: 7V
B: 5V
C: 14V
D: 10V
答案: 【 10V】
2、单选题:
提高供电电路的功率因数,下列说法正确的是 。
选项:
A: 减少了用电设备中无用的无功功率
B: 减少了用电设备的有功功率,提高了电源设备的容量
C: 可以节省电能
D: 可提高电源设备的利用率并减小输电线路中的功率损耗。
答案: 【 可提高电源设备的利用率并减小输电线路中的功率损耗。】
3、单选题:
电容元件的正弦交流电路中,电压有效值不变,频率增大时,电路中电流将 。
选项:
A: 增大
B: 减小
C: 不变
D: 不确定
答案: 【 增大】
4、单选题:
RLC串联电路在f0时发生谐振,当频率增加到2f0时,电路性质呈 。
选项:
A: 电阻性
B: 电感性
C: 电容性
D: 不确定
答案: 【 电感性】
5、单选题:
表征正弦交流电振荡幅度的量是它的 。
选项:
A: 振幅
B: 有效值
C: 峰峰值
D: 以上都不
备案号:冀ICP备20010840号 2020-2099辉辉网络科技 All Rights Reserved