

1、单选题:
硅二极管两端所加正偏电压0.7V和正偏电压0.5V时,二极管呈现的等效阻值( )。
选项:
A: 相同
B: 0.7V时大
C: 0.5V时大
D: 无法判断
答案: 【 0.5V时大】
2、单选题:
已知下图电路中U I=3V,R=1kΩ,二极管VD导通时压降为0.7V,截止时等效电阻为∞,则UO=( )。

选项:
A: 3V
B: 0V
C: 0.7V
D: 1.5V
答案: 【 0.7V】
3、单选题:
下图所示电路中,二极管为理想二极管,以下说法正确的是( )。

选项:
A: VD导通,UAO=9V
B: VD截止,UAO=-12V
C: VD截止,UAO=12V
D: VD导通,UAO=-9V
答案: 【 VD导通,UAO=-9V】
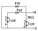
4、单选题:
下图所示电路中,二极管为理想二极管,以下说法正确的是( )。

选项:
A: VD1导通,VD2截止
B: VD1截止,VD2导通
C: VD1导通,VD2导通
D: VD1截止,VD2截止
答案: 【 VD1导通,VD2截止】
5、单选题:
使NPN型晶体管工作在放大状态的条件是( )。
选项:
A: UBE>0、UBE<UCE
B: UBE<0、UBE<UCE
C: UBE>0、UBE>UCE
D: UBE<0、UBE>UCE
答案: 【 UBE>0、UBE<UCE】
6、单选题:
测得工作在放大电路中的某晶体管两个电极的静态电流大小和方向如下图所示,请判断管子类型为( )。

选项:
A: NPN管
B: PNP管
C: 未知
D: 未知
答案: 【 PNP管】
7、单选题:
测得某放大电路中晶体管三个电极的电流如下图所示,由此可知电极①、②、③分别为( )。

选项:
A: c、e、b
B: c、b、e
C: b、e、c
D: e、b、c
答案: 【 c、e、b】
8、判断题:
本征半导体中没有载流子,因而不能导电。
选项:
A: 正确
B: 错误
答案: 【 错误】
9、判断题:
本征半导体在任何情况下都能导电。
选项:
A: 正确
B: 错误
答案: 【 错误】
10、判断题:
P型半导体中的多子是空穴,少子是自由电子。
选项:
A: 正确
B: 错误
答案: 【 正确】
11、判断题:
N型半导体中的离子也可以运动。
选项:
A: 正确
B: 错误
答案: 【 错误】
12、判断题:
PN结具有单向导电性,即正向偏置导通、反向偏置截止。
选项:
A: 正确
B: 错误
答案: 【 正确】
13、判断题:
要让晶体管工作在放大状态,发射结应该正偏,集电结应该反偏。
选项:
A: 正确
B: 错误
答案: 【 正确】
14、判断题:
晶体管是利用基极电流控制集电极电流实现放大的。
选项:
A: 正确
B: 错误
答案: 【 正确】
15、判断题:
晶体管不管工作在什么状态,都具有IC=βIB的特性。
选项:
A: 正确
B: 错误
答案: 【 错误】
1、单选题:
使NPN型晶体管工作在放大状态的条件是( )。
选项:
A: UBE>0、UBE<UCE时
B: UBE<0、UBE<UCE时
C: UBE>0、UBE>UCE时
D: UBE<0、UBE>UCE时
答案: 【 UBE>0、UBE<UCE时】
2、单选题:
如果将晶体管的基极和发射极短路(即UB=UE),则( )。
选项:
A: 晶体管工作在放大状态
B: 晶体管工作在截止状态
C: 晶体管工作在饱和状态
D: 晶体管损坏
答案: 【 晶体管工作在截止状态】
3、单选题:
在某晶体管放大电路中,测得晶体管三个电极的电位如下图所示,请判断管子类型为( )。

选项:
A: NPN管
B: PNP管
C: 未知
D: 未知
答案: 【 NPN管】
4、单选题:
测得某放大电路中晶体管三个管脚对地电压分别为U1=4V、U2=3.3V、U3=9V,则①、②、③电极分别为( )。
选项:
A: b、c、e
B: c、e、b
C: c、b、e
D: b、e、c
答案: 【 b、e、c】
5、单选题:
晶体管的开关特性体现在,当工作在截止区时C、E间相当于开关 ,工作在饱和区时C、E间相当于开关 。( )
选项:
A: 闭合,闭合
B: 断开,断开
C: 断开,闭合
D: 闭合,断开
答案: 【 断开,闭合】
6、单选题:
静态是指输入交流信号ui=( )时电路的状态。
选项:
A: Vcc
B: uo
C: 0
D: 0.5Vcc
答案: 【 0】
7、单选题:
放大电路只有( )电源作用、没有( )输入信号时的状态称为静态,其在输入输出特性曲线上对应的点称为( )。
选项:
A: 交流、直流、静态工作点
B: 直流、交流、静态工作点
C: 交流、直流、动态工作点
D: 直流、交流、动态工作点
答案: 【 直流、交流、静态工作点】
8、单选题:
放大电路中的电容,对直流通路而言被视为( )。
选项:
A: 开路
B: 短路
C: 不变
D: 信号源
答案: 【 开路】
9、单选题:
放大电路中的直流电源,对直流通路而言被视为( )。
选项:
A: 开路
B: 短路
C: 不变
D: 信号源
答案: 【 不变】
10、单选题:
电路如下图所示,图中晶体管没有放大作用,主要原因是( )。

选项:
A: 静态时晶体管放大
B: 静态时晶体管饱和
C: 静态时晶体管截止
D: 不确定
答案: 【 静态时晶体管截止】
11、判断题:
要让晶体管工作在放大状态,发射结应该正偏,集电结应该反偏。
选项:
A: 正确
B: 错误
答案: 【 正确】
12、判断题:
当晶体管的发射结和集电结都正偏时,晶体管工作在截止状态。
选项:
A: 正确
B: 错误
答案: 【 错误】
13、判断题:
晶体管是温度的敏感元件,当温度升高时,参数ICBO、UBE、β均增加。
选项:
A: 正确
B: 错误
答案: 【 错误】
1、单选题:
共射基本放大电路的直流通路如下图所示,当增大基极电阻Rb时,基极电流IB将( )。

选项:
A: 增大
B: 减小
C: 不变
D: 不确定
答案: 【 减小】
2、单选题:
共射基本放大电路的直流通路如下图所示,当增大基极电阻Rb时,集电极电流IC将( )。

选项:
A: 增大
B: 减小
C: 不变
D: 不确定
答案: 【 减小】
3、单选题:
共射基本放大电路的直流通路如下图所示,当增大基极电阻Rb时,集射极间电压UCE将( )。

选项:
A: 增大
B: 减小
C: 不变
D: 不确定
答案: 【 增大】
4、单选题:
直流负载线是( )工作点移动的轨迹。
选项:
A: 静态
B: 动态
C: /
D: /
答案: 【 静态】
5、单选题:
要使晶体管放大电路完成预定的放大功能,以下要求不合理的是( )。
选项:
A: 应具备为放大电路提供能量的直流电源。
B: 应使晶体管的发射结正偏,集电结也正偏。
C: 输入信号必须能作用于放大管的输入回路中。
D: 输出信号能输送到负载。
答案: 【 应使晶体管的发射结正偏,集电结也正偏。】
6、单选题:
电路如下图所示,图中晶体管没有放大作用,主要原因是( )。

选项:
A: 静态工作点不合适
B: 交流信号进不去
C: 交流信号出不来
D: 不确定
答案: 【 交流信号出不来】
7、单选题:
共射基本放大电路具有电压放大作用,但输出信号uo的相位与输入信号ui的相位( ),即二者相位相差( )。
选项:
A: 相同、0或2nπ(n=1,2,3……)
B: 相反、π或(2n+1)π(n=1,2,3……)
C: 相同、π或(2n+1)π(n=1,2,3……)
D: 相反、0或2nπ(n=1,2,3……)
答案: 【 相反、π或(2n+1)π(n=1,2,3……)】
8、单选题:
放大电路中的大电容,对交流通路被视为( )。
选项:
A: 不变
B: 开路
C: 短路
D: 电源
答案: 【 短路】
9、单选题:
画放大电路的交流通路时,直流电源应视为( )。
选项:
A: 不变
B: 开路
C: 短路
D: /
答案: 【 短路】
10、单选题:
以下不属于放大电路的非线性失真的是( )。
选项:
A: 截止失真
B: 饱和失真
C: 截顶失真
D: 频率失真
答案: 【 频率失真】
11、单选题:
当给下图所示电路输入1kHz交流正弦波时,输出电压uo波形出现了正半周被削平的失真,请分析这种失真是(
备案号:冀ICP备20010840号 2020-2099辉辉网络科技 All Rights Reserved