

1、单选题:
右手螺旋定则中, 拇指所指的方向是____ 。
选项:
A: 电流方向
B: 磁力线方向
C: 电流或磁力线方向
D: 电压方向
答案: 【 电流或磁力线方向】
1、单选题:
已知与某均匀磁场垂直方向上面积S=0.5m2的磁通为5Wb,则该磁场的B为 。
选项:
A: 10T
B: 2.5T
C: 4.5T
D: 5.5T
答案: 【 10T】
2、单选题:
单位面积的 大小即为磁感应强度的大小。
选项:
A: 磁力线
B: 磁动势
C: 磁通
D: 磁导率
答案: 【 磁通】
1、单选题:
在均匀磁场中,磁感应强度与垂直于磁感应强度B的某一面积的乘积称为 ;在国际单位制中它的单位是 。
选项:
A: 磁场强度/安/米
B: 磁导率/亨/米
C: 磁通/韦伯
D: 磁感应强度/特斯拉
答案: 【 磁通/韦伯】
1、单选题:
在线圈匝数不变时,要增加其产生的磁动势,则 要增加。
选项:
A: 磁通
B: 磁导率
C: 电流
D: 线圈横截面
答案: 【 电流】
2、单选题:
若通过匝数为N的线圈电流为I,产生磁动势F的值为 。
选项:
A: IN
B: I/N
C: I-N
D: I+N
答案: 【 IN】
1、单选题:
磁导率μ= 。(B为磁感应强度,H为磁场强度)
选项:
A: BH
B: B/H
C: B-H
D: H/B
答案: 【 B/H】
2、单选题:
真空中的磁导率为 ;铁磁物质的磁导率为 。
选项:
A: 常数/常数
B: 变量/常数
C: 常数/变量
D: 变量/变量
答案: 【 常数/变量】
1、单选题:
关于铁磁材料的下列说法错误的是___。
选项:
A: 具有磁滞特征
B: 具有磁饱和特征
C: 导磁率非常数
D: 具有高磁阻特征
答案: 【 具有高磁阻特征】
2、单选题:
对于各种电机、电气设备,要求其线圈电流小而产生的磁通大,通常在线圈中放有铁心,这是基于铁磁材料的 ____ 特征。
选项:
A: 磁饱和性
B: 高导电性
C: 高导磁性
D: 磁滞性
答案: 【 高导磁性】
1、单选题:
电磁感应现象是指____。
选项:
A: 有磁场就会产生感应电势
B: 载流导体在磁场中会受到电磁力的作用
C: 载流导体周围存在着磁场
D: 处于变化磁场中的线圈会产生感应电势
答案: 【 处于变化磁场中的线圈会产生感应电势】
2、单选题:
电流通入线圈后将在线圈中产生磁场,其电流方向与磁场方向符合____。
选项:
A: 右手定则
B: 左手定则
C: 右手螺旋定则
D: 楞次定律
答案: 【 右手螺旋定则】
1、单选题:
载流直导体在磁场中要受到力的作用,确定磁场电流和受力方向之间关系应用 。
选项:
A: 右手螺旋定律
B: 左手定则
C: 右手定则
D: 楞次定律
答案: 【 左手定则】
2、单选题:
左手定则中,四个手指所指的方向是 。
选项:
A: 运动方向
B: 磁力线方向
C: 受力方向
D: 电流方向
答案: 【 电流方向】
1、单选题:
不能定量地反映磁场中某点的磁场强弱的物理量是
选项:
A: 磁通密度
B: 磁力线
C: 单位面积上的磁通大小
D: 单位长度、单位电流的导体在该点所受的电磁力
答案: 【 磁力线】
2、单选题:
可以用左手定则来判断 。
选项:
A: 运动的带电粒子在磁场中受力大小
B: 运动的带电粒子在磁场中受力方向
C: 在磁场中运动的导体产生感生电动势的大小
D: 在磁场中运动的导体产生感生电动势的方向
答案: 【 运动的带电粒子在磁场中受力方向】
3、单选题:
一直流电站在某次特大短路事故后,发现汇流排母线被强行拉弯,原因是 ,弯曲的方向由 决定。
选项:
A: 由于短路电流太大,形成较大的电场力造成的/短路时母线中的电流方向
B: 由于短路电流太大,形成较大的电磁力造成的/母线的截面积
C: 由于短路电流太大,形成较大的电场力造成的/母线的截面积
D: 由于短路电流太大,形成较大的电磁力造成的/短路时母线中的电流方向
答案: 【 由于短路电流太大,形成较大的电场力造成的/短路时母线中的电流方向】
4、单选题:
一段导线在磁场中运动,则 。
选项:
A: 一定产生感生电动势
B: 一定产生感生电流
C: 一定产生感生电势和电流
D: 不一定产生感生电动势
答案: 【 不一定产生感生电动势】
5、单选题:
当变化的磁场穿过线圈,会在线圈两端引起感应电动势,可用e=-N*dφ/dt公式描述它们之间量和方向的关系,该式中的e的参考方向是这样规定的: 。
选项:
A: 与φ的参考方向一致
B: 与φ的参考方向相反
C: 与φ的参考方向符合右手螺旋关系
D: 与φ的参考方向符合左手螺旋关系
答案: 【 与φ的参考方向符合右手螺旋关系】
6、单选题:
对于各种电机、电器设备要求其线圈电流小而产生的磁通大,通常在线圈中要放有铁芯,这是基于铁磁材料的 特性。
选项:
A: 磁饱和性
B: 良导电性
C: 高导磁性
D: 磁滞性
答案: 【 高导磁性】
7、单选题:
铁磁材料被磁化时,当磁化电流越大,铁磁材料所呈现的磁性 。
选项:
A: 越弱
B: 强度不变
C: 越强
D: 增强但趋于饱和
答案: 【 增强但趋于饱和】
8、单选题:
真空中的磁导率为 ;铁磁物质的磁导率为 。
选项:
A: 常数/常数
B: 变量/常数
C: 常数/变量
D: 变量/变量
答案: 【 常数/变量】
9、单选题:
关于磁场和磁力线的描述,下面说法错误的是 。
选项:
A: 磁铁的周围存在磁场
B: 磁力线总是从磁铁的北极出发,经外部空间回到南极;而在磁铁的内部,则由南极到北极
C: 在距磁铁很远处,其磁力线可能会交叉
D: 环型磁铁的周围空间不会有其产生的磁场
答案: 【 在距磁铁很远处,其磁力线可能会交叉】
10、单选题:
已知与某均匀磁场垂直方向上面积S=0.5m2的磁通为5Wb,则该磁场的B为 。
选项:
A: 10T
B: 2.5T
C: 4.5T
D: 5.5T
答案: 【 10T 】
11、单选题:
电动机能够转动的理论依据是 。
选项:
A: 载流导体在磁场中受力的作用
B: 载流导体周围存在磁场
C: 载流导体中的电流处于自身产生的磁场中,受力的作用
D: 欧姆定律
答案: 【 载流导体在磁场中受力的作用】
12、单选题:
磁力线是 曲线,永磁铁的外部磁力线从 。
选项:
A: 闭合/S极到N极
B: 开放/S极到N极
C: 闭合/N极到S极
D: 开放/N极到S极
答案: 【 闭合/N极到S极】
13、单选题:
磁通的国际单位是 。
选项:
A: 高斯
B: 麦克斯韦
C: 特斯拉
D: 韦伯
答案: 【 韦伯】
14、单选题:
磁感应强度是表示磁场内部某点的 强弱和方向的物理量。
选项:
A: 电场
B: 电压
C: 磁通
D: 磁场
答案: 【 磁场】
15、单选题:
均匀磁场的磁感应强度为B,与磁力线相垂直的横面S上的磁通= 。
选项:
A: B/S
B: B+S
C: B-S
D: B*S
答案: 【 B*S】
16、单选题:
关于电与磁的正确说法是 。
选项:
A: 电荷的周围一定存在磁场,电与磁密不可分
B: 电流的周围一定存在磁场
C: 电流处于磁场中一定受到力的作用,电与磁密不可分
D: 电荷的周围一定存在磁场
答案: 【 电流的周围一定存在磁场】
17、单选题:
载流导体在磁场中将受到 的作用。
选项:
A: 电场力
B: 电抗力
C: 电磁力
D: 磁吸力
答案: 【 电磁力】
18、单选题:
右手定则中,拇指所指的方向是 。
选项:
A: 运动方向
B: 磁力线方向
C: 受力方向
D: 感应电流方向
答案: 【 运动方向】
19、单选题:
通电导体切割磁力线将产生感生电动势,确定磁场、导体运动和感生电动势方向关系应用 。
选项:
A: 右手螺旋定则
B: 左手定则
C: 右手定则
D: 楞次定律
答案: 【 右手定则】
20、单选题:
左手定则中,四个手指所指的方向是 。
选项:
A: 电流方向
B: 磁力线方向
C: 受力方向
D: 感应电流方向
答案: 【 电流方向】
1、单选题:
变压器的基本作用是将某一等级的电压转换为___。
选项:
A: 不同频率同等级的电压
B: 同频率同等级的电压
C: 不同频率不同等级的电压
D: 同频率的另一等级的电压
答案: 【 同频率的另一等级的电压】
2、单选题:
船舶常用的电力变压器从冷却的方式上看,属于_____ 。
选项:
A: 强迫风冷
B: 水冷
C: 油浸变压器
D: 自然风冷
答案: 【 自然风冷】
1、单选题:
我国《钢质海船入级规范》规定船上应采用______。
选项:
A: 多级变压器
B: 单级变压器
C: 湿式变压器
D: 干式变压器
答案: 【 干式变压器】
2、单选题:
变压器容量,即______功率,其单位是______。
选项:
A: 有功/千瓦
B: 视在/千乏
C: 视在/千伏安
D: 无功/千伏安
答案: 【 视在/千伏安】
3、单选题:
变压器名牌上标有额定电压U1N、U2N,其中U2N表示______。
选项:
A: 原边接额定电压,副边满载时的副边电压
B: 原边接额定电压,副边空载时的副边电压
C: 原边接额定电压,副边轻载时的副边电压
D: 原边接额定电压,副边过载时的副边电压
答案: 【 原边接额定电压,副边空载时的副边电压】
4、单选题:
对于理想变压器,当副边开路时,其原边电流和输入的视在功率分别是______。
选项:
A: 0/额定值
B: ∞/额定值
C: ∞/∞
D: 0/0
答案: 【 0/0】
5、单选题:
变压器铭牌中的U1N、U2N、I1N、I2N是指______。
选项:
A: U1N是原边额定线电压/I2N是副边额定线电流
B: U1N是原边绕组的额定相电压/I1N是原边额定线电流
C: U2N是副边空载电压/I2N是副边短路时电流
D: U1N是原边额定线电压/I2N是副边额定相电流
答案: 【 U1N是原边额定线电压/I2N是副边额定线电流】
6、单选题:
某壳式单相变压器铭牌参数:220V/36V;300VA。问下列哪种规格的电灯能接在此变压器副边电路中使用____。
选项:
A: 36V,500W
B: 36V,100W
C: 12V,60W
D: 220V,250W
答案: 【 36V,100W】
1、单选题:
变压器原边的电流随副边的电流增大而______。
选项:
A: 减少
B: 增加
C: 成反比例关系
D: 不变
答案: 【 增加】
2、单选题:
某变压器原、副边匝数比为110∶9,若输入电压为220 V,则输出空载电压为______。
选项:
A: 3 V
B: 20 V
C: 9 V
D: 18 V
答案: 【 18 V】
3、单选题:
理想变压器原、副边绕组匝数N1和N2各增加18%,所加电压大小及频率保持不变,则变压器的铁芯中主磁通会______。
选项:
A: 增加18%
B: 减少18%
C: 增加9%
D: 减少15%
答案: 【 减少15%】
4、单选题:
关于变压器的功能,下列说法错误的是______。
选项:
A: 变压功能
B: 变流功能
C: 变阻抗功能
D: 变频功能
答案: 【 变频功能】
5、单选题:
如图,某输出变压器的副绕组有中间抽头,以便接8 Ω或2 Ω的扬声器,两者均能达到阻抗匹配,则副绕组两部分匝数比N2/N3为______。
选项:
A: 1
B: 2
C: 3
D: 4
答案: 【 1】
6、单选题:
某电子变压器额定电压为220V/110V。若原边加额定电压,副边接电阻R=8,则原边的等效电阻为 ____ 。
选项:
A: 4
B: 8
C: 16
D: 32
答案: 【 32】
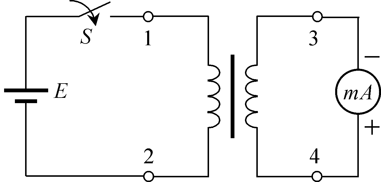
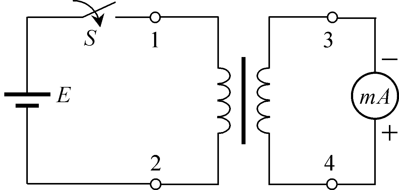
1、单选题:
如图,利用直流法测量单相变压器的同名端。1、2为原绕组的抽头,3、4为副绕组的抽头。当开关闭合时,直流电流表正偏。这说明______。

C.1、2同名
D.3、4同名
备案号:冀ICP备20010840号 2020-2099辉辉网络科技 All Rights Reserved