

1、单选题:
电阻元件和电阻器的关系是?
选项:
A: 它们都是电路元件,是一个东西,两种说法
B: 小个电阻叫电阻元件,大个的电阻叫电阻器
C: 电阻器是实际器件,电阻元件是电阻器的理想化模型
D: 电阻器是理想器件,电阻元件是实际器件
答案: 【 电阻器是实际器件,电阻元件是电阻器的理想化模型】
2、单选题:
在什么情况下,电路可以看成集中电路来分析?
选项:
A: 电路的尺寸远小于信号的波长
B: 电路的尺寸远小于信号的周期
C: 电路的尺寸远小于信号的频率
D: 电路的尺寸远大于信号的幅度
答案: 【 电路的尺寸远小于信号的波长】
3、单选题:
能把其他形式能(如:化学能、太阳能等)转化为电能的元件是什么?
选项:
A: 电阻元件
B: 电容元件
C: 电感元件
D: 电源元件
答案: 【 电源元件】
1、单选题:
电流强度的单位是?
选项:
A: 安培
B: 伏特
C: 伏特
D: 欧姆
答案: 【 安培】
2、单选题:
I=-1(A)在什么情况下有意义?
选项:
A: 在实际电路中,电压已知的条件下
B: 在假设好电路中电流I的参考方向时
C: 在电路中电源向外提供功率的时候
D: 在电流真实方向已知的情况下
答案: 【 在假设好电路中电流I的参考方向时】
3、单选题:
AB之间的电压,与A、B两点电位之间是什么关系?
选项:
A: AB两点间的电压,就等于A点的电位与B点的电位之积
B: AB两点间的电压,就等于A点的电位与B点的电位之和
C: AB两点间的电压,就等于A点的电位与B点的电位之差
D: AB两点间的电压,就等于A点的电位除以B点的电位
答案: 【 AB两点间的电压,就等于A点的电位与B点的电位之差】
4、单选题:
非关联参考方向下,用P=-UI计算A元件的功率,P=-5W,它的含义是?
选项:
A: A元件消耗5W的电功率
B: A元件提供5W的电功率
C: A元件提供-5W的电功率
D: A元件很可能是一个灯泡
答案: 【 A元件提供5W的电功率】
5、单选题:
计量家庭一个月用了多少电的仪表是?
选项:
A: 电压表
B: 电流表
C: 瓦特表
D: 电度表
答案: 【 电度表】
1、单选题:
什么样的电阻元件是线性电阻元件?
选项:
A: 电阻值不随其电流或电压的改变而改变
B: 电功率不随其电流或电压的改变而改变
C: 电阻的电流不随其电压的改变而改变
D: 电阻的电压不随其电流改变而改变
答案: 【 电阻值不随其电流或电压的改变而改变】
2、单选题:
描述电阻元件伏安特性关系的定律叫做?
选项:
A: 焦耳定律
B: 欧姆定律
C: 基尔霍夫定律
D: 换路定律
答案: 【 欧姆定律】
3、单选题:
这些有关电阻电导值的说法中,不正确的是哪一个?
选项:
A: 电阻值的单位是欧姆,电导值的单位是西门子
B: 同一个电阻器的电阻值与电导值是互为倒数关系
C: 一段材料的电导值为零,该材料导电能力超强
D: 一个电阻器的阻值变为无穷大,该电阻相当于“断路”
答案: 【 一段材料的电导值为零,该材料导电能力超强】
4、单选题:
标有“220V100W”的灯泡,接到110V的电源上,该灯泡:
选项:
A: 实际消耗功率100W,灯泡正常工作
B: 实际消耗功率275W,灯泡将会烧毁
C: 实际工作电流0.9A,远大于额定电流
D: 实际消耗功率25W,灯比正常工作时要暗
答案: 【 实际消耗功率25W,灯比正常工作时要暗】
1、单选题:
理想电压源
选项:
A: 两端的电压不随时间变化而变化
B: 两端的电压不随输出电流的变化而变化
C: 两端电压总是常数
D: 输出电流总是恒定不变
答案: 【 两端的电压不随输出电流的变化而变化】
2、单选题:
理想电流源
选项:
A: 输出电流与两端电压无关
B: 输出电流不随时间变化
C: 电流为常数
D: 两端电压为常数
答案: 【 输出电流与两端电压无关】
3、单选题:
0伏特电压源支路和零安培电流源支路可分别等效为
选项:
A: 短路、短路
B: 断路、断路
C: 断路、短路
D: 短路、断路
答案: 【 短路、断路】
1、单选题:
基尔霍夫电流定律说的是
选项:
A: 回路中的电压规律
B: 元件的伏安特性
C: 网孔中支路电压规律
D: 结点上支路电流的约束规律
答案: 【 结点上支路电流的约束规律】
2、单选题:
广义结点指的是
选项:
A: 包围电路任意部分的闭合面
B: 包围电路的回路
C: 与大地相连的结点
D: 围绕结点一周的曲线
答案: 【 包围电路任意部分的闭合面】
1、单选题:
基尔霍夫电压定律讲的是
选项:
A: 结点上的电流约束规律
B: 回路中支路电压间的约束规律
C: 网孔电流之间的约束规律
D: 结点上电位之间的约束规律
答案: 【 回路中支路电压间的约束规律】
1、填空题:
BA两点之间的电压UBA=________ (V)。(提示:只需填一个数字)

答案: 【 -9】
2、填空题:
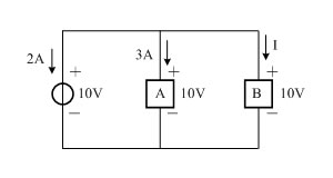
图中电压与电流参考方向标成“非关联”的元件有_____个。(提示:只需填写一个数字)

答案: 【 1】
3、填空题:
B元件发出的电功率为______(W)。(提示:只需填写一个数字)

答案: 【 50】
4、填空题:
图示受控源的全称是______。(提示:填7个汉字)

答案: 【 电流控制电压源】
5、填空题:
电路中电阻元件消耗的功率P=_____(W)。(提示:只需填写一个数字)

答案: 【 300】
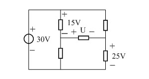
6、填空题:
图示电路中,C点的电位Uc=_______(V)。(提示:只需填写一个数字)

答案: 【 -5】
7、填空题:
图中电流I= ______ (A)。(提示:填数字)

答案: 【 1】
8、填空题:
图中电流I= _______(A)。(提示:只需填写一个数字)

答案: 【 1】
9、填空题:
电路中电压U=______(V)。(提示:填一数字)

答案: 【 -10】
10、填空题:
图示电路中的“2V电压源”消耗功率为8W,则电路中电阻元件的电阻值R=______Ω。(提示:只需填一数字)

答案: 【 5】
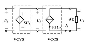
11、填空题:
若U1=1V,则输出电压U3=_______(V)。(提示:只需填写一个数字)

答案: 【 -5】
12、填空题:
图中5V电压源消耗的功率为_______(W)。(提示:只需填写一个数字)

答案: 【 95】
13、填空题:
电压U=________(V)。(提示:只需填写一个数字)

答案: 【 20】
14、填空题:
图中电压U=________(V)。(提示:只需填写一个数字)

答案: 【 -10】
15、填空题:
图中电流I=________(A)。(提示:只需填写一个数字)

答案: 【 -8】
16、填空题:
ab之间的电压Uab=_______(V)。(提示:只需填写一个数字)

答案: 【 -2】
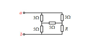
17、填空题:
ab间的等效电阻Rab=_______(Ω)。(提示:只需填写一个数字)

答案: 【 5】
18、填空题:
根据分压定律,题图左边电路中,4Ω电阻分得的电压U=______(V)。(提示:只需填写一个数字)

答案: 【 4】
19、填空题:
根据分流定律,题图右边电路中,4Ω电阻支路分得的电流I=_______(A)。(提示:只需填写一个数字)

答案: 【 9】
20、填空题:
当R=5Ω时,ab端等效电阻Rab=________(Ω)。(提示:只需填写一个数字)

答案: 【 4】
21、填空题:
ab端等效电阻Rab=_______(Ω)。(提示:只需填写一个数字,分数要化小数形式)

答案: 【 -1.25】
22、填空题:
用等效的方法计算得电流I1=_______(A)。(提示:只需填写一个数字)

答案: 【 3】
23、填空题:
这两个三端网络为等效网络,则R1=_______(Ω)。(提示:只需填写一个数字)

答案: 【 25】
24、填空题:
这两个电路为等效电路,则R1=_______(Ω)。(提示:只需填写一个数字,小数)

答案: 【 7】
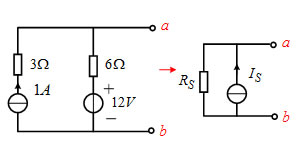
25、填空题:
两电源电路为等效电路,则Us=_______(V)。(提示:只需填写一个数字)

答案: 【 -4】
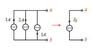
26、填空题:
两电源电路为等效电路,则Is=______(A)。(提示:只需填写一个数字)

答案: 【 2】
27、填空题:
电压源模型等效为右图的电流源模型时,Rs=2Ω,Is=______(A)。(提示:只需填写一个数字)

答案: 【 25】
28、填空题:
用模型等效变换化简电路,则Rs=2Ω,Us=_______(V)。(提示:只需填写一个数字)

答案: 【 -20】
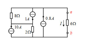
29、填空题:
用模型等效变换化简电路,则Is=1+12/6=3A,Rs=_______(Ω)。(提示:只需填写一个数字)

答案: 【 6】
30、填空题:
用电源模型等效变换的方法计算电流I得,I=______(A)。(提示:只需填写一个数字)

答案: 【 1.25】
1、单选题:
两个二端网络什么情况下等效
选项:
A: 具有完全相同的伏安特性
B: 具有相同的电路连接方式
C: 具有相同个数的电阻
D: 两个电路一模一样
答案: 【 具有完全相同的伏安特性】
2、单选题:
等效在电路分析中有什么作用
选项:
A: 把电路分析的过程全面化、复杂化
B: 可以找到性能更好的电路
C: 复杂电路用其简单的等效电路替代,化简电路分析的难度
D: 把非线性电路化为线性电路分析
答案: 【 复杂电路用其简单的等效电路替代,化简电路分析的难度】
1、单选题:
串并联电阻构成的二端网络的最简等效电路是
选项:
A: 一个电阻
B: 一个电感
C: 一个电容
D: 一个电源
答案: 【 一个电阻】
2、单选题:
一条支路上串的电阻越多,则
选项:
A: 它的等效电阻值就越小
B: 它的等效电导值就越大
C: 它的电压就越大
D: 它的等效电阻值就越大
答案: 【 它的等效电阻值就越大】
3、单选题:
串联电阻的分压规律是:
选项:
A: 阻值越大的电阻分得的电压越大
B: 阻值越小的电阻分得的电压越大
C: 电导值越大的电阻分得的电压越大
D: 单个电阻的电压可以大于支路总电压
答案: 【 阻值越大的电阻分得的电压越大】
4、单选题:
并联电阻的分流规律是
选项:
A: 电导值越大的电阻分得的电流越大
B: 电导值越大的支路分得的电流越大
C: 电导值越小的电阻分得的电流越大
D: 电阻值越大的电阻分得的电流越大
答案: 【 电导值越大的支路分得的电流越大】
1、单选题:
电阻的Y-△等效变换常用于解决什么问题?
选项:
A: 平衡电桥求等效电阻的问题
B: 含不平衡电阻电桥电路分析的问题
C: 串联电阻电路分析问题
D: 并联电路的分析问题
答案: 【
备案号:冀ICP备20010840号 2020-2099辉辉网络科技 All Rights Reserved