

1、单选题:
下图中实际电流方向为

选项:
A: 结点a到结点b
B: 结点b到结点a
C: 不能确定
D: 以上都不对
答案: 【 结点a到结点b】
2、单选题:
元件P的实际电位情况是:

选项:
A: A比B高
B: B比A高
C: 不能确定
D: 以上都不对
答案: 【 B比A高】
3、单选题:
A元件上电压u和电流i对元件A而言是否为关联参考方向?

选项:
A: 是
B: 不是
C: 不能确定
D: 以上都不对
答案: 【 不是】
4、单选题:
下图中,电压电流对此元件是否为关联参考方向?

选项:
A: 是
B: 不是
C: 不能确定
D: 以上都不对
答案: 【 是】
5、单选题:
已知:R=2欧姆,U=10V。求:I,元件吸收的功率P

选项:
A: 5A, 50W
B: -5A, 50W
C: 5A,-50W
D: -5A,-50W
答案: 【 -5A, 50W】
6、单选题:
如图所示,元件A吸收的功率为:

选项:
A: -10W
B: 10W
C: -50W
D: 50W
答案: 【 -10W】
7、单选题:
求解下图中元件吸收的功率,解法正确的是
选项:
A: P=-2*(-10)=20W
B: P=-(-10)*2=20W
C: P=(-10)*2=-20W
D: P=-2*10=-20W
答案: 【 P=(-10)*2=-20W】
8、单选题:
对于下图,下面说法正确的是

选项:
A: u,i 为关联参考方向
B: u,i 为非关联参考方向
C: 对元件A,u,i 为非关联参考方向
D: 以上都不对
答案: 【 对元件A,u,i 为非关联参考方向】
1、单选题:
“基尔霍夫定律既适应于线性电路也适用于非线性电路”,此说法正确吗?
选项:
A: 正确
B: 不正确
C: 不能确定
D: 以上都不对
答案: 【 正确】
2、单选题:
“对某一个结点而言,各支路电流的参考方向不能均设为流入该结点,否则将只有流入该结点的电流,而无流出该结点的电流。”这个说法正确吗?
选项:
A: 正确
B: 不正确
C: 不能确定
D: 以上都不对
答案: 【 不正确】
3、单选题:
“电路中,两结点间如果电压为零那么电流也为零,反之亦然。”这个说法正确吗?
选项:
A: 正确
B: 不正确
C: 前半句正确,后半句错误
D: 前半句错误,后半句正确
答案: 【 不正确】
4、单选题:
下图中,I=?

选项:
A: 0
B: 3A
C: 0.5A
D: -0.5A
答案: 【 -0.5A】
5、单选题:
电路如图所示,则10V、2V和5V电压源分别吸收的功率各为多少?

选项:
A: 50W, -6W, 0
B: -50W,-6W,-50W
C: 50W, 6W, 50W
D: -50W, -6W, 0
答案: 【 50W, -6W, 0】
1、单选题:
图示电路中a、b端的等效电阻Rab在开关K打开与闭合时分别为多少欧姆?

选项:
A: 10, 10
B: 10, 8
C: 10 , 16
D: 8 , 10
答案: 【 10, 10】
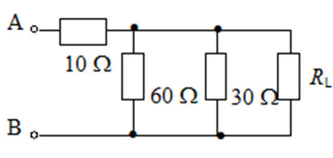
2、单选题:
下图所示电路中,A、B两点间的等效电阻与电路中的RL相等,则RL为多少欧姆?

选项:
A: 40
B: 30
C: 20
D: 10
答案: 【 20】
3、单选题:
在下图所示电路中,电源电压U = 6 V。若使电阻R上的电压U1 = 4 V,则电阻R为多少欧姆?

选项:
A: 2
B: 4
C: 6
D: 8
答案: 【 4】
1、单选题:
图示电路中端电压
备案号:冀ICP备20010840号 2020-2099辉辉网络科技 All Rights Reserved