

1、单选题:
N型半导体中的多子是()。
选项:
A: 电子
B: 空穴
C: 正离子
D: 负离子
答案: 【 电子】
2、单选题:
P型半导体中的多子是()。
选项:
A: 电子
B: 空穴
C: 正离子
D: 负离子
答案: 【 空穴 】
3、单选题:
在杂质半导体中,多数载流子的浓度主要取决于()。
选项:
A: 掺杂工艺
B: 杂质浓度
C: 晶体缺陷
D: 温度
答案: 【 杂质浓度 】
4、单选题:
在杂质半导体中,少数载流子的浓度主要取决于() 。
选项:
A: 温度
B: 掺杂工艺
C: 杂质浓度
D: 晶体缺陷
答案: 【 温度 】
5、单选题:
在本征半导体中加入()元素可形成N型半导体。
选项:
A: 五价
B: 四价
C: 三价
D: 任意
答案: 【 五价】
6、单选题:
在本征半导体中加入()元素可形成P型半导体。
选项:
A: 五价
B: 四价
C: 三价
D: 任意
答案: 【 三价】
7、判断题:
P型半导体带正电,N型半导体带负电。
选项:
A: 正确
B: 错误
答案: 【 错误】
8、判断题:
在N型半导体中,掺入高浓度的三价硼元素可以改型为P型半导体。
选项:
A: 正确
B: 错误
答案: 【 正确】
1、单选题:
在下列说法中只有()说法是正确的。
选项:
A: P型半导体可通过在纯净半导体中掺入五价磷元素而获得
B: 在N型半导体中,掺入高浓度的三价杂质可以改型为P型半导体
C: P型半导体带正电,N型半导体带负电
D: PN结内的扩散电流是载流子在电场作用下形成的
答案: 【 在N型半导体中,掺入高浓度的三价杂质可以改型为P型半导体】
2、单选题:
在下列说法中只有()说法是正确的。
选项:
A: 漂移电流是少数载流子在内电场作用下形成的
B: 由于PN结交界面两边存在电位差,所以,当把PN结两端短路时就有电流流过
C: PN结方程可以描述PN结的正向特性和反向特性,也可以描述PN结的反向击穿特性
D: 扩散电流是少子运动产生的
答案: 【 漂移电流是少数载流子在内电场作用下形成的】
3、单选题:
当PN结外加正向电压时,扩散电流()漂移电流。
选项:
A: 大于
B: 小于
C: 等于
D: 不确定
答案: 【 大于 】
4、单选题:
当PN结外加反向电压时,扩散电流()漂移电流。
选项:
A: 大于
B: 小于
C: 等于
D: 不确定
答案: 【 小于 】
5、单选题:
下列说法正确的是()。
选项:
A: PN结正偏导通,反偏导通
B: PN结正偏截止,反偏导通
C: PN结正偏导通,反偏截止
D: PN结正偏截止,反偏截止
答案: 【 PN结正偏导通,反偏截止】
6、单选题:
当P型半导体和N型半导体相接触时,在P型和N型半导体交界处,形成一个区域,下列的哪种名称不能描述该区域?
选项:
A: 阻挡层
B: 耗尽层
C: 空间电荷区
D: 突变层
答案: 【 突变层】
7、单选题:
一个平衡PN结,用导线将P区和N区连起来,而导线中()。
选项:
A: 有微弱电流
B: 无电流
C: 有瞬间微弱电流
D: 有较大电流
答案: 【 无电流】
8、判断题:
PN结在无光照、无外加电压时,结电流为零。
选项:
A: 正确
B: 错误
答案: 【 正确】
1、单选题:
在绝对零度(0 K)时,本征半导体中()载流子。
选项:
A: 有
B: 没有
C: 少数
D: 多数
答案: 【 没有】
2、单选题:
在热激发条件下,少数价电子获得足够激发能,进入导带,产生()。
选项:
A: 负离子
B: 空穴
C: 正离子
D: 电子-空穴对
答案: 【 电子-空穴对】
3、单选题:
半导体中的载流子为()。
选项:
A: 电子
B: 空穴
C: 正离子
D: 电子和空穴
答案: 【 电子和空穴】
4、单选题:
半导体中的空穴是( )。
选项:
A: 半导体中的晶格缺陷形成的
B: 电子脱离共价键后留下的空位
C: 带正电的离子
D: 外部注入
答案: 【 电子脱离共价键后留下的空位】
5、判断题:
本征半导体温度升高后两种载流子浓度仍然相等。
选项:
A: 正确
B: 错误
答案: 【 正确】
6、判断题:
半导体中的空穴带正电。
选项:
A: 正确
B: 错误
答案: 【 正确】
1、单选题:
半导体二极管的重要特性之一是()。
选项:
A: 温度稳定性
B: 单向导电性
C: 放大作用
D: 滤波特性
答案: 【 单向导电性 】
2、判断题:
整流电路中的二极管应采用点接触型二极管。
选项:
A: 正确
B: 错误
答案: 【 错误】
3、判断题:
在高频电路中的检波管通常采用点接触型二极管。
选项:
A: 正确
B: 错误
答案: 【 正确】
1、单选题:
在如图所示的电路中,当电源V1=5V时,测得I=1mA。若把电源电压调整到V1=10V,则电路中的电流I的值将是()。

选项:
A: I = 2mA
B: I < 2mA
C: I > 2mA
D: I = 0mA
答案: 【 I > 2mA 】
2、单选题:
二极管两端电压大于()电压时,二极管才导通。
选项:
A: 击穿电压
B: 死区
C: 饱和
D: 0V
答案: 【 死区】
3、单选题:
在保持二极管反向电压不变的条件下,二极管的反向电流随温度升高而()。
选项:
A: 增大
B: 不变
C: 减小
D: 不确定
答案: 【 增大】
4、单选题:
用模拟指针式万用表的电阻档测量二极管正向电阻,所测电阻是二极管的()电阻,由于不同量程时通过二极管的电流(),所测得正向电阻阻值()。
选项:
A: 静态、相同、相同
B: 动态,相同,相同
C: 静态,不同,不同
D: 动态,不同,不同
答案: 【 静态,不同,不同】
5、单选题:
设某二极管在正向电流ID=10mA时,其正向压降UD=0.6V。当二极管的结温升高10℃,若要UD保持不变,则ID的值为()。
选项:
A: 小于10mA
B: 大于10mA
C: 等于10mA
D: 不确定
答案: 【 大于10mA】
6、单选题:
设二极管的端电压为U,则二极管的电流方程是()。
选项:
A: 
B: 
C: 
D: 
答案: 【
】
7、单选题:
在25ºC时,某二极管的死区电压Uth≈0.5V,反向饱和电流IS≈0.1pA,则在35ºC时,下列哪组数据可能正确。
选项:
A: Uth≈0.525V,IS≈0.05pA
B: Uth≈0.525V,IS≈0.2pA
C: Uth≈0.475V,IS≈0.05pA
D: Uth≈0.475V,IS≈0.2pA
答案: 【 Uth≈0.475V,IS≈0.2pA】
8、单选题:
设某二极管反向电压为10V时,反向电流为 0.1μA 。在保持反向电压不变的条件下,当二极管的结温升高10℃,反向电流大约为( )。
选项:
A: 0.05μA
B: 0.1μA
C: 0.2μA
D: 1μA
答案: 【 0.2μA】
1、单选题:
关于二极管的反向电流,下列说法正确的是()。
选项:
A: 反向电流越大越好
B: 反向电流越大二极管的单向导电性越好
C: 反向电流越大二极管的温度稳定性越不好
D: 反向电流越大二极管的温度稳定性越好
答案: 【 反向电流越大二极管的温度稳定性越不好】
2、单选题:
若用万用表测二极管的正、反向电阻的方法来判断二极管的好坏,好的管子应为()。
选项:
A: 正、反向电阻相等
B: 正向电阻大,反向电阻小
C: 反向电阻远大于正向电阻
D: 正、反向电阻都很大
答案: 【 反向电阻远大于正向电阻】
3、单选题:
当环境温度升高时,二极管的反向饱和电流Is将增大,是因为此时PN结内部的()。
选项:
A: 多数载流子浓度增大
B: 少数载流子浓度增大
C: 多数载流子浓度减小
D: 少数载流子浓度减小
答案: 【 少数载流子浓度增大】
4、判断题:
二极管只要反偏,必然截至。
选项:
A: 正确
B: 错误
答案: 【 错误】
5、判断题:
二极管的单向导电性与信号频率无关。
选项:
A: 正确
B: 错误
答案: 【 错误】
1、判断题:
电路的静态和动态之间相互独立,没有联系。
选项:
A: 正确
B: 错误
答案: 【 错误】
2、判断题:
在电子电路分析过程中,应先动态后静态。
选项:
A: 正确
B: 错误
答案: 【 错误】
3、填空题:
将放大电路没有交流信号输入,只有直流电源单独作用的状态称为 。
答案: 【 静态】
4、填空题:
将放大电路有交流信号输入的状态称为 。
答案: 【 动态】
1、单选题:
下图所示二极管电路及负载线,当增大VDD时,静态工作点将()移动。

选项:
A: 向上
B: 向下
C: 不动
D: 不确定
答案: 【 向上】
2、单选题:
下图所示二极管电路及负载线,当增大R时,静态工作点将()移动。

选项:
A: 向上
B: 向下
C: 不动
D: 不确定
答案: 【 向下】
3、判断题:
图解法可以非常直观的反映电路参数与性能的关系。
选项:
A: 正确
B: 错误
答案: 【 正确】
4、判断题:
只要静态工作点位置合适,交流信号就一定不会进入非线性区。
选项:
A: 正确
B: 错误
答案: 【 错误】
1、单选题:
二极管折线模型可等效为下列()线性网络。
选项:
A: 
B: 
C: 
D: 
答案: 【
】
2、单选题:
在下图所示电路中的电阻R保持不变,ui=0.2sinωt(V)。当直流电源V增大时,二极管D的动态电阻rd将()。

选项:
A: 不变
B: 增大
C: 减小
D: 不确定
答案: 【 减小】
3、单选题:
下列哪一个公式可以估算折线模型中的二极管动态电阻()。
选项:
A: 
B: 
C: 
D: 
答案: 【
】
4、多选题:
二极管等效模型在以下哪些情况不能使用()。(注:多选)
选项:
A: 静态工作点位于线性区
B: 静态工作点位于非线性区
C: 交流小信号
D: 交流大信号
答案: 【 静态工作点位于非线性区;
交流大信号】
5、判断题:
二极管恒压降模型中的电源意味着二极管是一个供能元件。
选项:
A: 正确
B: 错误
答案: 【 错误】
1、单选题:
电路如图所示。试估算A点的电位为()。(设二极管的正向导通压降为0.7V。)

选项:
A: 6.7V
B: 6V
C: 5.7V
D: -6.7V
答案: 【 6.7V 】
2、单选题:
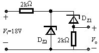
二极管电路如图所示,其中二极管为理想二极管,则电路的输出电压Vo为 ()。

选项:
A: 5.6V
B: -4.3V
C: -5V
D: 6V
答案: 【 -5V 】
3、单选题:
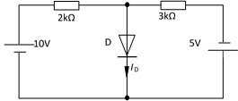
在如图所示电路中,计算可得流过二极管的电流ID为()。(设二极管导通时的正向压降UD=0.7V)。

选项:
A: 0mA
B: 3.6mA
C: 2.75mA
D: 4.8mA
答案: 【 2.75mA 】
4、单选题:
电路如图所示,D1,D2 均为理想二极,设 U1 =10 V,ui = 40 sinωt, 则输出电压 uO 应为()。

选项:
A: 最大值为 40V,最小值为 0V
B: 最大值为 40V,最小值为 +10V
C: 最大值为 10V,最小值为 -40V
D: 最大值为 10V,最小值为 0V
答案: 【 最大值为 10V,最小值为 0V】
5、单选题:
估算如图所示电路中,流过二极管的电流ID为 ()。(设二极管D正向导通压降UD=0.7V)

选项:
A: 约1.3mA
B: 约2.3mA
C: 约4 mA
D: 约1.8 mA
答案: 【 约1.3mA 】
1、单选题:
电路如图所示,设二极管D1,D2,D3的正向压降忽略不计,则输出电压uO =( )。

选项:
A: -2V
B: 0V
C: 6V
D: 12V
答案: 【 -2V 】
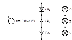
2、单选题:
图中二极管可视为理想二极管,A、B、C三个灯具有完全相同的特性,其中最亮的灯是( )。

选项:
A: A
B: B
C: C
D: 一样亮
答案: 【 B】
3、单选题:
二极管电路如图所示,判断图中二极管是导通还是截止后,可确定电路的输出电压Vo为()。 (设二极管的导通压降为0.7V。)

选项:
A: 0V
B: -0.7V
C: -1.7V
D: 1V
答案: 【 -0.7V 】
4、单选题:
在如图所示电路中,二极管是理想的,电阻R=6Ω。当普通指针式万用表置于R×1Ω档时,用黑表笔(正电)接A点,红表笔(负电)接B点,则万用表的指示值为()。

选项:
A: 18Ω
B: 9Ω
C: 3Ω
D: 2Ω
答案: 【 18Ω 】
5、填空题:
图中各二极管的导通压降均为0.7V,UO= V。

答案: 【 7.3】
1、单选题:
以下哪个符号是稳压二极管的符号()。
选项:
A: 
B: 
C: 
D: 
答案: 【
】
2、单选题:
稳压管的稳压区是其工作在()区。
选项:
A: 正向导通
B: 死区
C: 反向截止
D: 反向击穿
答案: 【 反向击穿】
3、单选题:
某只硅稳压管的稳定电压Uz = 4V,其两端施加的电压分别为+5V(正向偏置)和-5V(反向偏置)时,稳压管两端的最终电压分别为()。
选项:
A: +5V和-5V
B: -5V和+4V
C: +4V和-0.7V
D: +0.7V和-4V
答案: 【 +0.7V和-4V】
4、单选题:
稳压二极管构成的稳压电路,其正确接法是()。
选项:
A: 稳压管与负载电阻串联
B: 限流电阻与稳压管串联后,负载电阻再与稳压管串联
C: 稳压管与负载电阻并联
D: 限流电阻与稳压管串联后,负载电阻再与稳压管并联
答案: 【 限流电阻与稳压管串联后,负载电阻再与稳压管并联】
5、判断题:
稳压二极管的正向特性与普通二极管正向特性基本一致。
选项:
A: 正确
B: 错误
答案: 【 正确】
1、单选题:
设硅稳压管DZ1和DZ2的稳定电压分别为5V和8V,正向压降均为0.7V,可求出图中电路的输出电压Vo为()。

选项:
A: 13V
B: 5V
C: 8V
D: 1.4V
答案: 【 13V 】
2、单选题:
设硅稳压管DZ1和DZ2的稳定电压分别为5V和8V,正向压降均为0.7V,可求出图中电路的输出电压Vo为()。

选项:
A: 4.3V
B: 8V
C: 5V
D: 0.7V
答案: 【 5V 】
3、单选题:
设硅稳压管DZ1和DZ2的稳定电压分别为5V和8V,正向压降均为0.7V,可求出图中电路的输出电压Vo为()。

选项:
A: 4.3V
B: 8V
C: 5V
D: 0.7V
答案: 【 0.7V】
4、单选题:
在如图所示电路中,已知稳压管DZ1、DZ2的稳定电压分别为6V和7V,且具有理想的稳压特性,可求得输出电压为()。

选项:
A: 1V
B: 6V
C: 13V
D: 7V
答案: 【 1V 】
5、单选题:
在如图所示电路中,已知稳压管DZ1、DZ2的稳定电压分别为6V和7V,且具有理想的稳压特性,可求得输出电压为()。

选项:
A: 6V
B: 7V
C: 5V
D: 1V
答案: 【 5V 】
6、单选题:
下图所示电路中,稳压管DZ的稳定电压VZ = 6V,最小稳定电流Izmin = 5mA,输入电压VI = 12V,电阻R=100Ω,在稳定条件下IL的数值最大不应超过()。

选项:
A: 40mA
B: 45mA
C: 55mA
D: 60mA
答案: 【 55mA 】
1、单选题:
能够进行光电转换的二极管是()。
选项:
A: 发光二极管
B: 光电二极管
C: 稳压二极管
D: 变容二极管
答案: 【 光电二极管 】
2、单选题:
发光二极管的符号是()。
选项:
A: 
B: 
C: 
D: 
答案: 【
】
3、判断题:
变容二极管是利用二极管的结电容可变的原理工作的。
选项:
A: 正确
B: 错误
答案: 【 正确】
4、判断题:
普通二极管也可以稳压()。
选项:
A: 正确
B: 错误
答案: 【 正确】
5、判断题:
所有的二极管都工作在正偏状态()。
选项:
A: 正确
B: 错误
答案: 【 错误】
1、单选题:
NPN型晶体管的符号是()。
选项:
A: 
B: 
C: 
D: 
答案: 【
】
2、单选题:
PNP型晶体管的符号是()。
选项:
A: 
B: 
C: 
D: 
答案: 【
】
3、单选题:
晶体管有( )个PN结。
选项:
A: 1
B: 2
C: 3
D: 4
答案: 【 2】
4、多选题:
晶体管的三个极为()。(注:多选)
选项:
A: 阳极
B: 基极
C: 发射极
D: 集电极
答案: 【 基极 ;
发射极 ;
集电极】
5、判断题:
晶体管是一种将输入电流进行放大的半导体元器件。
选项:
A: 正确
B: 错误
答案: 【 正确】
1、单选题:
工作在放大状态的某PNP晶体管,各电极电位关系为()。
选项:
A: VC<VB<VE
B: VC>VB>VE
C: VC<VE<VB
D: VC>VE>VB
答案: 【 VC<VB<VE】
2、单选题:
晶体管在放大状态时,其电压偏置条件为()。
选项:
A: 集电结正向偏置、发射结正向偏置
B: 集电结正向偏置、发射结反向偏置
C: 集电结反向偏置、发射结反向偏置
D: 集电结反向偏置、发射结正向偏置
答案: 【 集电结反向偏置、发射结正向偏置】
3、单选题:
双极型晶体管的电流是由()运动形成的。
选项:
A: 多子
B: 少子
C: 多子和少子两种载流子
D: 自由电子
答案: 【 多子和少子两种载流子 】
4、单选题:
在某放大电路中三极管工作在放大状态,测的三极管三个电极的静态电位分别为0 V,-10 V,-9.3 V,则这只三极管是()。
选项:
A: NPN 型硅管
B: NPN 型锗管
C: PNP 型硅管
D: PNP 型锗管
答案: 【 NPN 型硅管 】
5、单选题:
NPN型三极管放大电路中,测得三极管三个引脚对地电位分别是:UA=3.3V,UB=4V,UC=6V,则A、B、C对应的电极是()。
选项:
A: C,B,E
B: B,C,E
C: E,C,B
D: E,B,C
答案: 【 E,B,C】
6、单选题:
下列哪个式子正确的描述了晶体管的电流放大能力()。
选项:
A: IE=βIB
B: IC=αIB
C: IC=βIB
D: IE=αIB
答案: 【 IC=βIB】
7、判断题:
双极型三极管由两个PN结构成,因此可以用两个二极管背靠背相连构成一个三极管。
选项:
A: 正确
B: 错误
答案: 【 错误】
8、判断题:
晶体管的发射区和集电区均为同种类型的半导体,所以发射极和集电极可以调换使用。
选项:
A: 正确
B: 错误
答案: 【 错误】
1、单选题:
晶体管是( )器件。
选项:
A: 电流控制电流
B: 电流控制电压
C: 电压控制电压
D: 电压控制电流
答案: 【 电流控制电流 】
2、单选题:
管压降UCE增大,共发射极接法的晶体管的输入特性曲线()。
选项:
A: 左移
B: 右移
C: 上移
D: 下移
答案: 【 右移 】
3、单选题:
晶体管的输出特性描述的是当()为常数时,()随()变化的函数。
选项:
A: Ic Ib Uce
B: Ib Ic Uce
C: Uce Ib Ube
D: Uce Ic Ib
答案: 【 Ib Ic Uce 】
4、单选题:
某晶体三极管的IB 从20μA变化到40μA时,对应的IC从2mA变化到5mA,则该管的β等于()。
选项:
A: 100
B: 150
C: 200
D: 300
答案: 【 150 】
5、判断题:
对于小功率晶体管,可以用UCE大于1V的一条输入特性曲线来取代UCE大于1V的所有输入特性曲线。
选项:
A: 正确
B: 错误
答案: 【 正确】
1、单选题:
已知某晶体管UBE=0.7V,UCE=3V,则该管工作在()区。
选项:
A: 放大
B: 饱和
C: 截止
D: 击穿
答案: 【 放大 】
2、单选题:
在实际电路中判别晶体管是否工作在饱和状态,最简单的是测量()。
选项:
A: IB
B: UCE
C: UBE
D: IC
答案: 【 UCE 】
3、单选题:
当晶体管工作在截止区,发射结和集电结偏置状态应为()。
选项:
A: 前者正偏,后者也正偏
B: 前者正偏,后者反偏
C: 前者反偏,后者正偏
D: 前者反偏,后者也反偏
答案: 【 前者反偏,后者也反偏】
4、单选题:
PNP型晶体三极管工作在截止区的条件是()。
选项:
A: UBE>0,UCB>0
B: UBE>0,UCB<0
C: UBE<0,UCB>0
D: UBE<0,UCB<0
答案: 【 UBE>0,UCB<0 】
5、单选题:
晶体管的开关作用是()。
选项:
A: 饱和时集-射极断开,截止时集-射极断开
B: 饱和时集-射极断开,截止时集-射极接通
C: 饱和时集-射极接通,截止时集-射极断开
D: 饱和时集-射极接通,截止时集-射极接通
答案: 【 饱和时集-射极接通,截止时集-射极断开】
6、单选题:
某放大电路如图所示。设VCC>>UBE,ICEO≈0,则在静态时该三极管处于()。

选项:
A: 放大区
B: 饱和区
C: 截止区
D: 区域不定
答案: 【 饱和区 】
7、单选题:
如图所示的电路中的三极管β=50,通过估算,可判断电路工作在()区。

选项:
A: 放大区
B: 饱和区
C: 截止区
D: 击穿区
答案: 【 截止区 】
8、单选题:
在如图所示共射放大电路中,三极管β=50,UBE=-0.2。问:当开关与A处相接时,三极管处于()状态。

选项:
A: 放大
B: 饱和
C: 截止
D: 击穿
答案: 【 饱和 】
1、单选题:
温度上升时,半导体三级管的()。
选项:
A: β和UBE增大,ICBO减小
B: β和ICBO增大,UBE下降
C: β减小,ICBO和UBE增大
D: β、ICBO和UBE均增大
答案: 【 β和ICBO增大,UBE下降】
2、单选题:
某晶体管的极限参数PCM=150mW,ICM=100mA,UBR(CEO)=30V,若其工作电压UCE=10V和UCE=1V时,则工作电流分别不得超过()。
选项:
A: 100mA,100mA
B: 15mA,100mA
C: 15mA,150mA
D: 100mA,15mA
答案: 【 15mA,100mA】
3、单选题:
3DG6型晶体管的集电极的最大允许电流ICM=20mA,发射极反向击穿电压U(BR)CEO=20V,集电极的最大允许耗散功率PCM=100mW,使用时测得其集电极电流IC=15mA,UCE=10V,则该管()。
选项:
A: 工作正常
B: 放大能力较差
C: 击穿
D: 管子过热甚至烧坏
答案: 【 管子过热甚至烧坏】
4、单选题:
测量得到晶体管三个电极的静态电流分别为0.06mA,3.66mA和3.6mA,晶体管的共射电流放大系数β()。
选项:
A: 60
B: 61
C: 100
D: 50
答案: 【 60 】
5、单选题:
晶体管在大电流工作时,随Ic的增加β值将()。
选项:
A: 增加
B: 下降
C: 不变
D: 不确定
答案: 【 下降 】
6、单选题:
三极管的反向电流ICBO是由()运动产生的。
选项:
A: 多数载流子
B: 少数载流子
C: 多数载流子和少数载流子
D: 不确定
答案: 【 少数载流子 】
7、单选题:
温度升高时,放大电路中的晶体管的输出特性曲线将()。
选项:
A: 上移并间距缩小
B: 下移并间距增大
C: 上移并间距增大
D: 下移并间距缩小
答案: 【 上移并间距增大】
8、单选题:
某三极管各电极对地电位如图所示,由此可判断该三极管()。

选项:
A: 处于放大区域
B: 处于饱和区域
C: 处于截止区域
D: 已损坏
答案: 【 已损坏】
1、单选题:
N型半导体中的多数载流子是()。
选项:
A: 空穴
B: 自由电子
C: 正离子
D: 负离子
答案: 【 自由电子】
2、单选题:
P型半导体中的多数载流子是()。
选项:
A: 空穴
B: 自由电子
C: 正离子
D: 负离子
答案: 【 空穴】
3、单选题:
P型半导体()。
选项:
A: 带正电
B: 带负电
C: 呈中性
D: 不确定
答案: 【 呈中性】
4、单选题:
PN结中扩散电流的方向是()。
选项:
A: 从P区到N区
B: 从N区到P区
C: 双向流动
D: 随机变化
答案: 【 从P区到N区 】
5、单选题:
PN结中漂移电流的方向是()。
选项:
A: 从P区到N区
B: 从N区到P区
C: 双向流动
D: 变化
答案: 【 从N区到P区 】
6、单选题:
当PN结外加反向电压时,耗尽层()。
选项:
A: 变宽
B: 变窄
C: 不变
D: 不确定
答案: 【 变宽 】
7、单选题:
当环境温度升高时,二极管的反向饱和电流Is将增大,是因为此时PN结内部的() 。
选项:
A: 多数载流子浓度增大
B: 少数载流子浓度增大
C: 多数载流子浓度减小
D: 少数载流子浓度减小
答案: 【 少数载流子浓度增大】
8、单选题:
万用表的R×100档测得某二极管的正向电阻阻值为500Ω,若改用R×1k档,测量同一二极管,则其正向电阻值()。
选项:
A: 增加
B: 不变
C: 减小
D: 不能确定
答案: 【 增加】
9、单选题:
用直流电压表测某电路晶体管的三个电极对地的电压分别如图所示。则1、2、3号管脚分别为()。

选项:
A: BCE
B: EBC
C: CEB
D: CBE
答案: 【 CBE】
10、单选题:
用直流电压表测某电路晶体管的三个电极对地的电压分别如图所示。则1、2、3号管脚分别为()。

选项:
A: BCE
B: EBC
C: BEC
D: CBE
答案: 【 BEC 】
11、单选题:
在放大电路中,若测得某管的三个极电位分别为–2.5V、–3.2V、–9V,这三极管的类型是( )。
选项:
A: PNP型Ge管
B: PNP型Si管
C: NPN型Ge管
D: NPN型Si管
答案: 【 PNP型Si管 】
12、单选题:
在放大电路中,若测得某管的三个极电位分别为1V、1.2V、6V,这三极管的类型是( )。
选项:
A: PNP型Ge管
B: PNP型Si管
C: NPN型Ge管
D: NPN型Si管
答案: 【 NPN型Ge管 】
13、单选题:
一个NPN管在电路中正常工作,现测得:UBE>0,UBC>0, UCE>0,则此管工作区为()。
选项:
A: 饱和区
B: 截止区
C: 放大区
D: 不确定
答案: 【 饱和区 】
14、单选题:
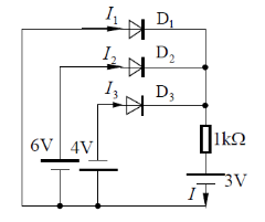
电路图如图所示,设二极管的导通电压均为0.7V,则D1,D2,D3三个二极管的状态分别为()。

选项:
A: 均导通
B: 截止 导通 截止
C: 导通 导通 截止
D: 导通 截止 导通
答案: 【 导通 截止 导通】
15、单选题:
如图所示的电路中的三极管为硅管,β=50,通过估算,可判断电路工作在()区。

选项:
A: 放大区
B: 饱和区
C: 截止区
D: 不确定
答案: 【 饱和区 】
16、单选题:
二极管电路如图a所示。在输入ui的作用下(ui波形如图b所示),其输出波形为()。

选项:
A: 
B: 
C: 
D: 
答案: 【
】
17、单选题:
判断右图电路中各二极管是否导通后,可求出VAO值为()。(设二极管的正向压降VF为0.7V。)

选项:
A: 5V
B: -6.3V
C: 6.3V
D: -5.3V
答案: 【 -5.3V】
18、单选题:
在如图所示电路中,计算可得流过二极管的电流ID为()。(设二极管导通时的正向压降UD=0.7V)。

选项:
A: 0mA
B: 3.6mA
C: 2.75mA
D: 4.8mA
答案: 【 0mA 】
19、单选题:
一个NPN管在电路中正常工作,现测得UBE>0,UBC<0,UCE>0,则此管工作区为( )。
选项:
A: 饱和区
B: 截止区
C: 放大区
D: 不确定
答案: 【 放大区 】
20、单选题:
晶体管的控制方式为()。
选项:
A: 电流控制电压
B: 电流控制电流
C: 电压控制电流
D: 电压控制电压
答案: 【 电流控制电流】
21、单选题:
在如下电路中,已知二极管的反向击穿电压为300V,当U=100V、温度为20°C时,I=1μA。则当U降低到50V时,则I约为()。

选项:
A: 0.1μA
B: 0.5μA
C: 1μA
D: 2μA
答案: 【 1μA 】
22、单选题:
在如下电路中,已知二极管的反向击穿电压为300V,当U=100V、温度为20°C时,I=1μA。当U保持100V不变,温度降低到10°C时,则I约为()。

选项:
A: 0.1μA
B: 0.5μA
C: 1μA
D: 2μA
答案: 【 0.5μA 】
23、单选题:
如下电路中的晶体管为硅管,β=100,则晶体管的工作状态为()。

选项:
A: 放大
B: 截止
C: 饱和
D: 不确定
答案: 【 截止 】
24、单选题:
如下电路中的晶体管为硅管,β=100,则晶体管的工作状态为()。

选项:
A: 放大
B: 截止
C: 饱和
D: 不确定
答案: 【 放大 】
25、填空题:
已知稳压管的稳压值UZ=6V,稳定电流的最小值IZmin=5mA,下图所示电路中的UO1为()V。

答案: 【 6】
26、填空题:
已知稳压管的稳压值UZ=6V,稳定电流的最小值IZmin=5mA,下图所示电路中的UO2为()V。

答案: 【 5】
27、填空题:
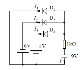
二极管电路如图所示。其中I1=()mA。(二极管理想)

答案: 【 0】
28、填空题:
二极管电路如图所示。其中I=()mA。(二极管理想)

答案: 【 3】
29、填空题:
二极管电路如图所示。其中I1=()mA。(二极管理想)

答案: 【 0】
30、填空题:
二极管电路如图所示。其中I2=()mA。(二极管理想)

答案: 【 15】
31、填空题:
二极管电路如图所示。其中I=()mA。(二极管理想)

答案: 【 -15】
32、填空题:
二极管电路如图所示。输出电压Uo值为()V。(二极管理想)

答案: 【 0】
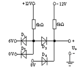
33、填空题:
在如图所示电路中,已知稳压管D1、D2的稳定电压分别为6V和7V,且具有理想的稳压特性,可求得输出电压为()V。

答案: 【 4】
34、填空题:
某电路中,三极管静态时各极对地的电位如图所示,则其工作于()状态。(放大、饱和、截止)(设三极管和二极管均为硅管)

答案: 【 截止】
35、填空题:
二极管电路如图所示。输出电压Uo值为()V。(二极管理想)

答案: 【 10】
36、填空题:
电路中二极管理想,其工作状态是()。(导通,截止)

答案: 【 导通】
37、填空题:
图中稳压管VD1、VD2的稳定电压分别是5V和9V,则输出电压Uo为()V。

答案: 【 5】
38、填空题:
已知某晶体管的PCM=800mW,ICM=500mA, U(BR)CEO=30V。若该管子在电路中工作电压UCE =10V,则工作电流IC不应超过_______________mA。
答案: 【 80】
1、单选题:
某放大电路在输入电压为0.1V时,输出电压为8V;输入电压为 0.2V时,输出电压为 4V(均指直流电压)。则该放大电路的电压放大倍数为()。
选项:
A: 80
B: 40
C: -40
D: 20
答案: 【 -40 】
2、单选题:
电压放大器的输入电阻高,表明其放大微弱信号能力()。
选项:
A: 强
B: 弱
C: 一般
D: 不确定
答案: 【 强 】
3、单选题:
放大电路A、B的放大倍数相同,但输入电阻、输出电阻不同,用它们对同一个具有内阻的信号源电压进行放大,在负载开路条件下测得A的输出电压小,这说明电路A的()。
选项:
A: 输入电阻大
B: 输入电阻小
C: 输出电阻大
D: 输出电阻小
答案: 【 输入电阻小 】
4、单选题:
对于电流放大电路来说,输出电阻()越好。
选项:
A: 越小
B: 越大
C: 随意
D: 不确定
答案: 【 越大 】
5、判断题:
只有电路既放大电压又放大电流,才称其具有放大作用。
选项:
A: 正确
B: 错误
答案: 【 错误】
6、判断题:
放大电路中输出的电流和电压都是由有源元件提供的。
选项:
A: 正确
B: 错误
答案: 【 错误】
7、判断题:
可以在放大电路通电情况下,用欧姆表测量该放大电路的输出电阻。
选项:
A: 正确
B: 错误
答案: 【 错误】
8、填空题:
已知某放大电路的输出电阻为3KΩ,在接有4KΩ负载电阻时,测得输出电压为2V。在输入电压不变的条件,断开负载电阻,输出电压将上升到( )V。
答案: 【 3.5】
9、填空题:
放大电路当接入一个内阻等于零的电压信号源时,测得的输出电压为4V,在信号源内阻增大到1kΩ,其它条件不变时,测得输出电压为3V,该放大电路的输入电阻为()kΩ。
答案: 【 3】
1、单选题:
共发射极放大电路信号从()。
选项:
A: 基极输入,集电极输出
B: 发射极输入,集电极输出
C: 基极输入,发射极输出
D: 发射极输入,基极输出
答案: 【 基极输入,集电极输出】
2、单选题:
共基极放大电路信号从()。
选项:
A: 基极输入,集电极输出
B: 发射极输入,集电极输出
C: 基极输入,发射极输出
D: 发射极输入,基极输出
答案: 【 发射极输入,集电极输出】
3、单选题:
共集电极放大电路信号从()。
选项:
A: 基极输入,集电极输出
B: 发射极输入,集电极输出
C: 基极输入,发射极输出
D: 发射极输入,基极输出
答案: 【 基极输入,发射极输出】
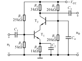
4、单选题:
下图所示放大电路中,T1和T2管分别构成()组态电路。

选项:
A: 共射 共射
B: 共集 共基
C: 共射 共基
D: 共射 共集
答案: 【 共射 共基】
5、单选题:
下图所示放大电路中,T1和T2管分别构成()组态电路。

选项:
A: 共集 共射
B: 共集 共基
C: 共射 共基
D: 共射 共射
答案: 【 共射 共射】
6、单选题:
阻容耦合放大电路不能放大()。
选项:
A: 高低频混合信号
B: 语音信号
C: 交变信号
D: 直流信号
答案: 【 直流信号】
7、判断题:
直接耦合放大电路的静态工作点易受影响,低频特性好,易于集成。
选项:
A: 正确
B: 错误
答案: 【 正确】
1、单选题:
基本共射放大电路中,基极电阻Rb的主要作用是()。

选项:
A: 把基极电流的变化转化为输入电压的变化
B: 限制基极电流,使晶体管工作在放大区,并防止输入信号短路
C: 保护信号源
D: 防止输出电压被短路
答案: 【 限制基极电流,使晶体管工作在放大区,并防止输入信号短路】
2、单选题:
电路中的晶体管原处于放大状态,若将Rb调至零,则晶体管()。

选项:
A: 仍处于放大状态
B: 处于饱和状态
C: 过热烧毁
D: 处于截止状态
答案: 【 过热烧毁】
3、单选题:
基本共射放大电路中,集电极电阻Rc的主要作用是()。

选项:
A: 限制集电极电流的大小
B: 防止信号源被短路
C: 保护直流电压源
D: 将输出电流的变化量转化为输出电压的变化量
答案: 【 将输出电流的变化量转化为输出电压的变化量】
4、单选题:
在单级共射放大电路中,在中频小信号情况下,若输入电压ui为正弦波,则uo和ui的相位()。
选项:
A: 同相
B: 反相
C: 超前90度
D: 滞后90度
答案: 【 反相 】
5、单选题:
在单级共射放大电路中,在中频小信号情况下,若输入电压ui为正弦波,则ui和ic的相位()。
选项:
A: 同相
B: 反相
C: 超前90度
D: 滞后90度
答案: 【 同相 】
6、单选题:
在图示基本共射放大电路中,放大电路中的直流分量来源于()。

选项:
A: 晶体管
B: 直流电源
C: 信号源
D: 耦合电容
答案: 【 直流电源】
7、判断题:
在放大电路中,直流、交流分量共存,两种信号分量的作用不同。
选项:
A: 正确
B: 错误
答案: 【 正确】
8、判断题:
对放大电路进行分析,采取先动态后静态的分析方法。
选项:
A: 正确
B: 错误
答案: 【 错误】
1、单选题:
理想情况下,下列器件中对直流信号相当于断路的是()。
选项:
A: 电容
B: 电感
C: 理想直流电压源
D: 理想直流电流源
答案: 【 电容 】
2、单选题:
如图所示电路的直流通路为()。


选项:
A: (a)
B: (b)
C: (c)
D: (d)
答案: 【 (c)】
3、单选题:
可画出如图所示放大电路的交流通路为图()。


选项:
A: (a)
B: (b)
C: (c)
D: (d)
答案: 【 (b)】
4、单选题:
根据放大电路的组成原则,在下图所示各电路中只有图()具备放大条件。

选项:
A: (a)
B: (b)
C: (c)
D: (d)
答案: 【 (d)】
5、多选题:
理想情况下,下列器件中对交流信号相当于短路的是()。(注:多选)
选项:
A: 电容
B: 电感
C: 理想直流电流源
D: 理想直流电压源
答案: 【 电容 ;
理想直流电压源】
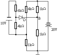
1、单选题:

选项:
A: IBQ=20μA,ICQ=2mA,UCEQ=-2V
B: IBQ=20.8μA,ICQ=2.1mA,UCEQ=+2V
C: IBQ=20μA,ICQ=2mA,UCEQ=-4V
D: IBQ=20.8μA,ICQ=2.1mA,UCEQ=+4V
答案: 【 IBQ=20μA,ICQ=2mA,UCEQ=-4V】
2、单选题:

选项:
A: IBQ=10μA,ICQ=1mA,UCEQ=6.4V
B: IBQ=21μA,ICQ=2.1mA,UCEQ=12V
C: IBQ=10μA,ICQ=1mA,UCEQ=5.6V
D: IBQ=21μA,ICQ=2.1mA,UCEQ=10.6V
答案: 【 IBQ=10μA,ICQ=1mA,UCEQ=6.4V】
3、单选题:
电路如图所示,已知UCC=12V,RC=3kΩ,β=40且忽略UBE,若要使静态时UCE=9V,则RB 应取()。

选项:
A: 600 kΩ
B: 240 kΩ
C: 480 kΩ
D: 360 kΩ
答案: 【 480 kΩ】
4、单选题:
对于如图所示放大电路,当用直流电压表测得VCE≈VCC时,有可能是因为()。

选项:
A: Rb开路
B: RL短路
C: Rc开路
D: Rb过小
答案: 【 Rb开路 】
5、单选题:
对于如图所示放大电路,当用直流电压表测得VCE≈0时,有可能是因为()。

选项:
A: Rb开路
B: RL短路
C: Rc短路
D: Rb过小
答案: 【 Rb过小】
6、单选题:
对于如图所示放大电路,若VCC≈12V,Rc=2kΩ,集电极电流IC计算值为1mA,今用直流电压表测得VCE=8V,这说明()。

选项:
A: 工作正常
B: 三极管c-e极间开路
C: 三极管b-e极间开路
D: 电容C2短路
答案: 【 电容C2短路】
1、单选题:
直流负载线的斜率是()。
选项:
A: -1/Rc
B: -1/RL
C: .-1/RB
D: 
答案: 【 -1/Rc】
2、单选题:
如图所示,某固定偏置单管放大电路的静态工作点原来位于Q2,若将直流电源UCC适当增大,则静态工作点将移至()。

选项:
A: Q1
B: 不变
C: Q3
D: Q4
答案: 【 Q4】
3、单选题:
下图所示为某基本共射放大电路的输出特性曲线,静态工作点由Q1点移动到Q2点可能的原因是()。

选项:
A: 电源UCC电压变高
B: 集电极负载电阻RC变小
C: 集电极负载电阻RC变大
D: 基极回路电阻RB变大
答案: 【 集电极负载电阻RC变小】
4、单选题:
下图所示为某基本共射放大电路的输出特性曲线,静态工作点由Q2点移动到Q3点可能的原因是()。

选项:
A: 电源UCC电压变高
B: 基极回路电阻RB变大
C: 集电极负载电阻RC变大
D: 基极回路电阻RB变小
答案: 【 基极回路电阻RB变小】
5、单选题:
图 (b)示出了图 (a)固定偏流放大电路中三极管的输出特性,其中①为直流负载线,可求得电源电压VCC为()。

选项:
A: 6V
B: 7V
C: 8V
D: 7.5V
答案: 【 6V 】
6、单选题:
图 (b)示出了图 (a)固定偏流放大电路中三极管的输出特性,其中①为直流负载线,可求得电阻Rb的值约为()。

选项:
A: 420kΩ
B: 350kΩ
C: 200kΩ
D: 265kΩ
答案: 【 265kΩ】
7、单选题:
图 (b)示出了图 (a)固定偏流放大电路中三极管的输出特性,其中①为直流负载线,可求得电阻Rc的值约为()。

选项:
A: 120kΩ
B: 3kΩ
C: 265kΩ
D: 30kΩ
答案: 【 3kΩ 】
1、单选题:
下列()情况下,可以用微变等效模型分析放大电路。
选项:
A: 中高频大信号
B: 中低频大信号
C: 中低频小信号
D: 中高频小信号
答案: 【 中低频小信号 】
2、判断题:
等效电路分析方法可以不必关心静态工作点,因此不需要进行静态分析。
选项:
A: 正确
B: 错误
答案: 【 错误】
3、判断题:
对于大信号作用下的放大电路分析,可以采用图解法分析。
选项:
A: 正确
B: 错误
答案: 【 正确】
4、判断题:
对三极管电路进行静态分析时,可将三极管用微变等效模型替代。
选项:
A: 正确
B: 错误
答案: 【 错误】
1、单选题:
在BJT混合参数模型中,下列参数的量纲为欧姆的是()。
选项:
A: hie
B: hre
C: hfe
D: hoe
答案: 【 hie 】
2、单选题:
&r
备案号:冀ICP备20010840号 2020-2099辉辉网络科技 All Rights Reserved