

1、单选题:
当元件两端电压与通过元件的电流取关联参考方向时,即为假设该元件( )功率;当元件两端电压与通过电流取非关联参考方向时,即为假设该元件( )功率。
选项:
A: 吸收、发出
B: 吸收、吸收
C: 发出、发出
D: 发出、吸收
答案: 【 吸收、发出】
2、单选题:
下列有关电位、电压的说法中,正确的是( )
选项:
A: 电路中参考点改变,各点电位大小也改变。
B: 电路中参考点改变,任两点的电压大小也改变。
C: 电路中参考点改变,各点电位大小保持不变。
D: 以上都不对。
答案: 【 电路中参考点改变,各点电位大小也改变。 】
3、单选题:
某电阻元件的额定数据为“1KΩ、2.5W”,正常使用时允许流过的最大电流为( )
选项:
A: 50mA
B: 250mA
C: 2.5mA
D: 125mA
答案: 【 50mA】
4、单选题:
图示电路中, 电压U=( )
选项:
A: 8V
B: 2V
C: 4V
D: 6V
答案: 【 8V】
5、单选题:
220V、40W白炽灯正常发光( ),消耗的电能为1KW·h。
选项:
A: 25h
B: 20h
C: 40h
D: 45h
答案: 【 25h】
6、单选题:
一个输出电压几乎不变的设备有载运行,当负载增大时,是指( )
选项:
A: 电源输出的电流增大
B: 负载电阻增大
C: 负载电阻减小
D: 电源输出电流减小
答案: 【 电源输出的电流增大】
7、判断题:
电压是产生电流的根本原因。因此电路中有电压必有电流。
选项:
A: 正确
B: 错误
答案: 【 错误】
8、判断题:
规定自负极通过电源内部指向正极的方向为电源电动势的方向。
选项:
A: 正确
B: 错误
答案: 【 正确】
9、判断题:
额定电压为220V的白炽灯接在110V电源上,白炽灯消耗的功率为原来的1/4。
选项:
A: 正确
B: 错误
答案: 【 正确】
10、判断题:
电流的参考方向,可能与电流实际方向相同,也可能相反。
选项:
A: 正确
B: 错误
答案: 【 正确】
11、判断题:
电阻、电流和电压都是电路中的基本物理量。
选项:
A: 正确
B: 错误
答案: 【 错误】
12、判断题:
直流电路中,有电压的元件一定有电流。
选项:
A: 正确
B: 错误
答案: 【 错误】
1、单选题:
一个输出电压几乎不变的设备有载运行,当负载增大时,是指( )
选项:
A: 电源输出的电流增大
B: 负载电阻减小
C: 负载电阻增大
D: 以上说法都不对
答案: 【 电源输出的电流增大 】
2、单选题:
当恒流源开路时,该恒流源内部( )
选项:
A: 无电流,无功率损耗
B: 有电流,有功率损耗
C: 有电流,无功率损耗
D: 以上说法都不对
答案: 【 无电流,无功率损耗】
3、单选题:
叠加定理只适用于( )
选项:
A: 线性电路
B: 交流电路
C: 直流电路
D: 以上都不满足。
答案: 【 线性电路】
4、单选题:
必须设立电路参考点后才能求解电路的方法是( )
选项:
A: 结点电压法
B: 支路电流法
C: 回路电流法
D: 叠加原理
答案: 【 结点电压法 】
5、单选题:
理想电压源和理想电流源间( )
选项:
A: 没有等效变换关系
B: 有条件下的等效关系
C: 有等效变换关系
D: 以上说法都不对
答案: 【 没有等效变换关系 】
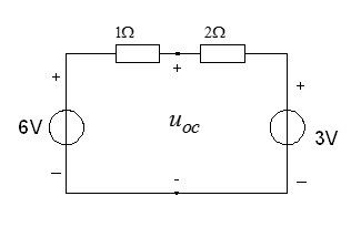
6、单选题:
图示单口网络的开路电压等于( )
选项:
A: 5V
B: 3V
C: 4V
D: 9V
答案: 【 5V】
7、判断题:
一个电动势为E的理想电压源可以化为一个电流为IS的理想电流源,两者是等效的。
选项:
A: 正确
B: 错误
答案: 【 错误】
8、判断题:
两个电阻,当它们串联时,功率比为4:3,若将它们并联,则功率比为3:4。
选项:
A: 正确
B: 错误
答案: 【 正确】
9、判断题:
节点电压法和回路电流法都是为了减少方程式数目而引入的电路分析法。
选项:
A: 正确
B: 错误
答案: 【 正确】
10、判断题:
叠加定理只适合于直流电路的分析。
选项:
A: 正确
B: 错误
答案: 【 错误】
11、判断题:
通常情况下,电灯开的越多,总负载电阻越小。
选项:
A: 正确
B: 错误
答案: 【 正确】
12、判断题:
应用节点电压法求解电路时,参考点可要可不要。
选项:
A: 正确
B: 错误
答案: 【 错误】
备案号:冀ICP备20010840号 2020-2099辉辉网络科技 All Rights Reserved