

1、单选题:
自动控制是指在没有人直接参与的情况下,利用( ),使被控对象的被控制量自动地按预定规律变化。
选项:
A: 检测装置
B: 控制装置
C: 执行装置
D: 放大装置
答案: 【 控制装置】
2、单选题:
线性定常控制系统的微分方程或差分方程的系数是( )。
选项:
A: 常数
B: 变量
C: 随时间变化的函数
D: A、B、C都不对
答案: 【 常数】
3、单选题:
经典控制理论主要是以( )为基础,研究单输入单输出系统的分析和设计问题。
选项:
A: 传递函数
B: 微分方程
C: 状态方程
D: 差分方程
答案: 【 传递函数】
4、多选题:
对控制系统的基本要求有( )
选项:
A: 稳定性、快速性、准确性
B: 系统的稳态误差为零
C: 系统达到稳态时,应满足稳态性能指标
D: 系统在暂态过程中,应满足动态性能指标要求
答案: 【 稳定性、快速性、准确性;
系统达到稳态时,应满足稳态性能指标;
系统在暂态过程中,应满足动态性能指标要求】
1、单选题:
在线性定常系统中,当初始条件为零时,系统输出的拉氏变换与输入的拉氏变换之比称作系统的()
选项:
A: 信号流图
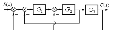
B: 传递函数
C: 动态结构框图
D: 以上都对
答案: 【 传递函数】
2、单选题:
传递函数定义为()
选项:
A: 系统输出的拉氏变换与输入的拉氏变换之比
B: 在线性定常系统中,当初始条件为零时,系统输出的拉氏变换与输入拉氏变换之比
C: 
D: 以上三者都是
答案: 【 在线性定常系统中,当初始条件为零时,系统输出的拉氏变换与输入拉氏变换之比】
3、单选题:
建立系统微分方程的一般步骤有( )
选项:
A: 确定系统的输入量和输出量;将系统分成若干个环节,列写各个环节的微分方程、消去中间变量,得系统输入输出的微分方程;将微分方程化成标准型
B: 确定系统的输入量和输出量、将系统分成若干个环节,列写各个环节的微分方程
C: 将微分方程化成标准型,即将输入量有关的各项放在等号的右边,而与输出量有关的各项放在等号的左边,各异数项按降价排列
D: 消去中间变量,得系统输入输出的微分方程
答案: 【 确定系统的输入量和输出量;将系统分成若干个环节,列写各个环节的微分方程、消去中间变量,得系统输入输出的微分方程;将微分方程化成标准型】
4、单选题:
传递函数是经典控制理论的数学模型之一,它具有如下特点( )。
选项:
A: 它可以反映出系统输入输出之间的动态性能,但不能反映系统结构参数对输出的影响
B: 传递函数表示系统传递、变换输入信号的能力,只与系统的结构和参数有关,与输入输出信号形式无关
C: 传递函数表示系统传递、变换输入信号的能力,不仅与系统的结构和参数有关,而且与输入输出信号形式有关
D: 传递函数与系统微分方程式之间不可以相互转换
答案: 【 传递函数表示系统传递、变换输入信号的能力,只与系统的结构和参数有关,与输入输出信号形式无关】
5、单选题:
惯性环节的传递函数为( )。
选项:
A: 
B: 
C: 
D: 
答案: 【
】
6、单选题:
在复杂的闭环控制系统中,具有相互交错的局部反馈时,为了简化系统的动态结构图,通常需要将信号的引出点和综合点进行前移和后移,在将引出点和综合点进行前移和后移时( )
选项:
A: 相邻两个引出点和相邻两个综合点可以相互换位
B: 相邻两个引出点不可以相互换位
C: 综合点和引出点之间可以相互换位
D: 相邻两个综合点不可以相互换位
答案: 【 相邻两个引出点和相邻两个综合点可以相互换位】
7、单选题:
信号流图是自动控制系统的数学模型之一,根据信号流图求解输入和输出信号之间传递函数的方法是( )
选项:
A: 已知信号流图,应用梅森公式可直接求得系统的传递函数
B: 已知系统动态结构图,应用梅森公式不可直接求系统的传递函数
C: 已知信号流图,应用梅森公式不可直接求系统的传递函数
D: 以上都不对
答案: 【 已知信号流图,应用梅森公式可直接求得系统的传递函数】
8、单选题:
绘制信号流图的方法有( )
选项:
A: 已知系统结构图,可以绘制信号流图
B: 已知系统微分方程组,不可以绘制信号流图
C: 已知系统动态结构图,不可以绘制信号流图
D: 已知传递函数,不可以绘制信号流图
答案: 【 已知系统结构图,可以绘制信号流图】
9、单选题:
传递函数表示系统传递、变换输入信号的能力,与系统的结构和参数有关,与( )无关。
选项:
A: 与输入和输出信号的形式无关
B: 与输入信号的形式无关,与输出信号的形式有关
C: 与输出信号的形式无关,与输入信号的形式有关
D: 与输入和输出信号的形式有关
答案: 【 与输入和输出信号的形式无关】
10、单选题:
对同一个系统,取不同的物理量作为系统的输入和输出时,传递函数( )
选项:
A: 通常不同
B: 通常相同
C: 传递函数相同,但微分方程模型不同
D: 传递函数不同,但微分方程模型相同
答案: 【 通常不同 】
11、单选题:
惯性环节的微分方程为( )
选项:
A: 
B: 
C: 
D: 
答案: 【
】
12、单选题:
积分环节的输出量与输入量对时间的积分成正比,其微分方程为( )
选项:
A: 
B: 
C: 
D: 
答案: 【
】
13、单选题:
典型积分环节的传递函数为( )
选项:
A: 
B: 
C: 
D: 
答案: 【
】
14、单选题:
理想微分环节的输出量与输入量的变化率成正比,其微分方程为( )
选项:
A: 
B: 
C: 
D: 
答案: 【
】
15、单选题:
理想微分环节的输出量与输入量的变化率成正比,其传递函数为( )
选项:
A: 
B: 
C: 
D: 
答案: 【
】
16、单选题:
一阶微分环节微分方程为( )
选项:
A: 
B: 
C: 
D: 
答案: 【
】
17、单选题:
一阶微分环节的传递函数为( )
选项:
A: 
B: 
C: 
D: 
答案: 【
】
18、单选题:
振荡环节的传递函数为( )
选项:
A: 
B: 
C: 
D: 
答案: 【
】
19、单选题:
当多个环节串联连接时,其传递函数为多个环节传递函数的( )
选项:
A: 代数和
B: 乘积
C: 相比较
D: 以上都不对
答案: 【 乘积 】
20、单选题:
当多个环节并联连接时,其传递函数为多个环节传递函数的( )
选项:
A: 代数和
B: 乘积
C: 相比较
D: 以上都不对
答案: 【 代数和】
21、单选题:
下面的说法正确的是( )
选项:
A: 相邻两个引出点可以互换位置
B: 相邻两个引出点不可以互换位置
C: 综合点和引出点之间可以任意换位
D: 相邻两个综合点不可以互换位置
答案: 【 相邻两个引出点可以互换位置 】
22、单选题:
下面的说法哪个是正确的( )
选项:
A: 相邻两个综合点可以互换位置
B: 相邻两个综合点不可以互换位置
C: 综合点和引出点之间可以任意换位
D: 相邻两个引出点不可以互换位置
答案: 【 相邻两个综合点可以互换位置】
23、单选题:
反馈系统的闭环传递函数( )
选项:
A: 由前向通道传递函数决定
B: 由反馈通道传递函数决定
C: 由前向通道传递函数和反馈通道传递函数决定
D: 由前向通道传递函数、反馈通道传递函数、以及反馈符号共同决定
答案: 【 由前向通道传递函数、反馈通道传递函数、以及反馈符号共同决定】
24、单选题:
关于传递函数,下列说法正确的是
选项:
A: 只有初始条件为零的线性定常系统才有传递函数
B: 只要是线性定常系统就有传递函数
C: 初始条件为零的系统就有传递函数
D: 所有线性系统都有传递函数
答案: 【 只要是线性定常系统就有传递函数】
25、单选题:
已知系统的原理图如图所示,其中r(t)和c(t)分别为对应点的位移,k1和k2分别为对应弹簧的弹性系数,f为阻尼器的阻尼系数。以r(t)为输入、c(t)为输出,系统的传递函数为
选项:
A: 
B: 
C: 
D: 
答案: 【
】
26、单选题:
已知某线性定常系统的单位阶跃响应
,则系统的传递函数为
选项:
A: 
B: 
C: 
D: 
答案: 【
】
27、单选题:
已知某电气网络如图所示,求其传递函数
选项:
A: 
B: 
C: 
D: 
答案: 【
】
28、单选题:
关于传递函数,错误的说法是()
选项:
A: 传递函数只适用于线性定常系统;
B: 传递函数不仅取决于系统的结构参数,给定输入和扰动对传递函数也有影响;
C: 传递函数一般是为复变量s的真分式;
D: 闭环传递函数的极点决定了系统的稳定性。
答案: 【 传递函数不仅取决于系统的结构参数,给定输入和扰动对传递函数也有影响;】
29、单选题:
已知系统的开环传递函数为
,则该系统的开环增益为()
选项:
A: 50
B: 25
C: 10
D: 5
答案: 【 10】
30、单选题:
适合应用传递函数描述的系统是()
选项:
A: 单输入,单输出的线性定常系统;
B: 单输入,单输出的线性时变系统;
C: 单输入,单输出的定常系统;
D: 非线性系统。
答案: 【 单输入,单输出的线性定常系统;】
31、单选题:
若某负反馈控制系统的开环传递函数为
,则该系统的闭环特征方程为()
选项:
A: 
B: 
C: 
D: 与是否为单位反馈系统有关。
答案: 【
】
32、单选题:
非单位负反馈系统,其前向通道传递函数为
,反馈通道传递函数为
,当输入信号为
,则从输入端定义的误差
为()
选项:
A: 
B: 
C: 
D: 
答案: 【
】
33、单选题:
已知负反馈系统的开环传递函数为
,则该系统的闭环特征方程为()
选项:
A: 
B: 
C: 
D: 与是否为单位反馈系统有关
答案: 【
】
34、单选题:
知系统的开环传递函数为
,则该系统的开环增益为()
选项:
A: 100
B: 1000
C: 20
D: 不能确定
答案: 【 20】
35、单选题:
求拉普拉斯变换式
的原函数为()
选项:
A: 
B: 
C: 
D: 
答案: 【
】
36、单选题:
如图所示电路的传递函数是()

选项:
A: 
B: 
C: 
D: 
答案: 【
】
37、单选题:
下图所示系统的传递函数化简后是()

选项:
A: 
B: 
C: 
D: 
答案: 【
】
38、单选题:
系统结构图如图所示,闭环传递函数
表达式是()

选项:
A: 
B: 
C: 
D: 
答案: 【
】
39、单选题:
下图所示系统的传递函数
化简后是()

选项:
A: 
B: 
C: 
D: 
答案: 【
】
40、单选题:
用梅森公式化简如图所示系统结构图后的传递函数
是()

选项:
A: 
B: 
C: 
D: 
答案: 【
】
41、单选题:
应用复数阻抗方法求下图所示无源网络的传递函数()

选项:
A: 
B: 
C: 
D: 
答案: 【
】
42、单选题:
应用复数阻抗方法求下图所示无源网络的传递函数()

选项:
A: 
B: 
C: 
D: 
答案: 【
】
43、单选题:
试用结构图等效化简的方法,求如图所示系统的传递函数()

选项:
A: 
B: 
C: 
D: 
答案: 【
】
44、单选题:
如图所示信号流程图,传递函数
是()

选项:
A: 
B: 
C: 
D: 
答案: 【
】
45、单选题:
求图所示有源网络的传递函数
是()

选项:
A: 
B: 
C: 
D: 
答案: 【
】
46、单选题:
系统结构图如下,利用梅森公式可得闭环传递函数为()

选项:
A: 
B: 
C: 
D: 
答案: 【
】
47、单选题:
试用结构图等效化简的方法,求如图所示系统的传递函数()

选项:
A: 
B: 
C: 
D: 
答案: 【
】
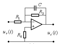
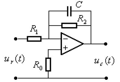
48、单选题:
求图所示有源网络的传递函数表达式为()

选项:
A: 
B: 
C: 
D: 
答案: 【
】
49、单选题:
设某系统的传递函数为
,在初始条件为零时,施加输入测试信号
,测得其输出响应为
,试确定该系统的
为()
选项:
A: 
B: 
C: 
D: 
答案: 【
】
50、单选题:
求拉普拉斯变换式
的原函数为()
选项:
A: 
B: 
C: 
D: 
答案: 【
】
51、单选题:
已知系统结构图如图所示,其中输入
为输入信号,
和
为干扰信号传递函数
的表达式为()

选项:
A: 
B: 
C: 
D: 
答案: 【
】
52、单选题:
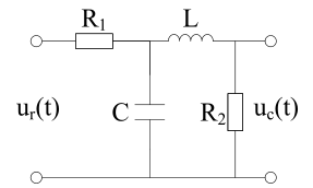
建立如图1所示R-L-C电路的描述电路输入输出关系的微分方程:

选项:
A:
B: 
C: 
D: 
答案: 【
】
53、单选题:
建立如图所示电路的输入输出微分方程:

选项:
A: 
B: 
C: 
D: 
答案: 【
】
54、单选题:
1. 已知系统的微分方程为
,式中
为系统的输出变量,
为输入变量,设
,初始条件为
,
,则系统的输出为:
选项:
A: 
B: 
C: 
D: 
答案: 【
】
55、单选题:
求如图所示系统的传递函数

选项:
A: 
B: 
C: 
D: 
答案: 【
】
56、单选题:
求如图所示系统的传递函数

选项:
A: 
B: 
C: 
D: 
答案: 【
】
57、单选题:
已知某电枢控制直流电动机系统的微分方程模型为:
.,求系统的传递函数矩阵
选项:
A: 
B: 
C: 
D: 
答案: 【
】
58、单选题:
已知某系统在零初始条件下,在输入信号
作用下,测得输出响应为
,求系统的传递函数
选项:
A: 
B: 
C: 
D: 
答案: 【
】
59、单选题:
求出如图所示结构图的传递函数

选项:
A: 
B: 
C: 
D: 
答案: 【
】
60、单选题:
根据所示结构图,求出其传递函数

选项:
A: 
B: 
C: 
D: 
答案: 【
】
61、单选题:
求出所示结构图的传递函数

选项:
A: 
B: 
C: 
D: 
答案: 【
】
62、单选题:
求出所示结构图的传递函数:

选项:
A: 
B: 
C: 
D: 
答案: 【
】
63、单选题:
求出所示结构图的传递函数

选项:
A: 
B: 
C: 
D: 
答案: 【
】
64、单选题:
12. 如图所示控制系统,其余子式
为

选项:
A: 0
B: 1
C: 2
D: 3
答案: 【 1】
65、单选题:
求如图所示控制系统的特征式

选项:
A: 
B: 
C: 
D: 
答案: 【
】
66、单选题:
分析该系统的不接触回路

选项:
A: 
B: 
C: 
D: 
答案: 【
】
67、单选题:
求图所示有源网络的传递函数
表达式为

选项:
A: 
B: 
C: 
D: 
答案: 【
】
68、单选题:
求拉普拉斯变换式
的原函数为
选项:
A: 
B: 
C: 
D: 
答案: 【
】
69、单选题:
已知系统结构图如图所示,其中输入R(s)为输入信号,传递函数
的表达式为

选项:
A: 
B: 
C: 
D: 
答案: 【
】
70、单选题:
已知系统结构图如图所示,其中输入R(s)为输入信号, N1(s)和N2(s)为干扰信号传递函数
的表达式为( )

选项:
A: 
B: 
C: 
D: 
答案: 【
】
71、单选题:
设某系统的传递函数为G(s),在初始条件为零时,施加输入测试信号
(t≥0),测得其输出响应为
(t ≥0),试确定该系统的G(s)为
选项:
A: 
B: 
C: 
D: 
答案: 【
】
72、多选题:
自动控制系统的数学模型包括( )
选项:
A: 微分方程
B: 传递函数
C: 热学方程
D: 信号流图
答案: 【 微分方程;
传递函数;
信号流图】
73、多选题:
数学模型是描述系统()变量之间关系的数学表达式 。
选项:
A: 输入变量
B: 输出变量
C: 扰动变量
D: 系统内部各个变量
答案: 【 输入变量;
输出变量;
扰动变量;
系统内部各个变量】
74、多选题:
自动控制系统的典型环节有( )
选项:
A: 比例环节
B: 微分环节
C: 一阶微分环节
D: 二阶微分环节
E: 正弦环节
答案: 【 比例环节;
微分环节;
一阶微分环节;
二阶微分环节】
75、多选题:
自动控制系统的动态结构图表示了系统中信号的传递和变换关系,经过等效变换可以求出系统输入与输出之间的关系,对于复杂系统,还有相互交错的局部反馈,必须经过相应的变换才能求出系统的传递函数,等效变换方法有( )
选项:
A: 串联连接、并联连接、反馈连接的变换
B: 引出点的前移和后移
C: 综合点的前移和后移
D: 引出点合并、综合点的合并
答案: 【 串联连接、并联连接、反馈连接的变换;
引出点的前移和后移;
综合点的前移和后移;
引出点合并、综合点的合并】
76、多选题:
自动控制系统的数学模型有( )
选项:
A: 传递函数
B: 微分方程
C: 系统的动态结构图
D: 差分方程
E: 信号流图
答案: 【 传递函数;
微分方程;
系统的动态结构图;
差分方程;
信号流图】
77、多选题:
在建立系统微分方程模型时,( )
选项:
A: 必须确定系统的输入量和输出量
B: 不须确定系统的输入量和输出量
C: 微分方程的标准型要求:将与输入量有关的各项放在等号的右边,而与输出量有关的各项放在等号的左边,各导数项按降价排列
D: 微分方程的标准型要求:将与输出量有关的各项放在等号的右边,而与输入量有关的各项放在等号的左边,各导数项按降价排列
答案: 【 必须确定系统的输入量和输出量;
微分方程的标准型要求:将与输入量有关的各项放在等号的右边,而与输出量有关的各项放在等号的左边,各导数项按降价排列】
78、多选题:
传递函数表示系统传递、变换输入信号的能力,与系统的结构和参数有关,与( )无关。
选项:
A: 与输入、输出信号的形式无关
B: 与输入信号的形式无关,与输出信号的形式有关
C: 与输出信号的形式无关,与输入信号的形式有关
D: 与信号间的连接关系有关
答案: 【 与输入、输出信号的形式无关;
与信号间的连接关系有关】
79、多选题:
传递函数是经典控制理论的数学模型之一,它具有如下特点( )
选项:
A: 它可以反映出系统输入输出之间的动态性能,也可以反映出系统结构参数对输出的影响
B: 传递函数表示系统传递、变换输入信号的能力,只与系统的结构和参数有关,与输入输出信号的形式无关
C: 传递函数表示系统传递、变换输入信号的能力,不仅与系统的结构和参数有关,而且与输入输出信号的形式有关
D: 传递函数与系统微分方程之间可以相互转换
答案: 【 它可以反映出系统输入输出之间的动态性能,也可以反映出系统结构参数对输出的影响;
传递函数表示系统传递、变换输入信号的能力,只与系统的结构和参数有关,与输入输出信号的形式无关;
传递函数与系统微分方程之间可以相互转换】
80、多选题:
自动控制系统的动态结构图由哪些基本单元组成( )
选项:
A: 比较环节
B: 信号线、引出点
C: 综合点
D: 方框
答案: 【 信号线、引出点;
综合点;
方框】
81、多选题:
信号流图是自动控制系统的数学模型之一,根据信号流图求解传递函数的方法有( )
选项:
A: 已知信号流图,应用梅森公式可直接求得系统的传递函数
B: 已知系统动态结构图,应用梅森公式可直接求得系统的传递函数
C: 已知系统动态结构图,可以画出系统的信号流图,然后应用梅森公式可求得系统的传递函数
D: 已知系统动态结构图,可以列写方程组,画出系统的信号流图,然后应用梅森公式可求得系统的传递函数
答案: 【 已知信号流图,应用梅森公式可直接求得系统的传递函数;
已知系统动态结构图,应用梅森公式可直接求得系统的传递函数;
已知系统动态结构图,可以画出系统的信号流图,然后应用梅森公式可求得系统的传递函数;
已知系统动态结构图,可以列写方程组,画出系统的信号流图,然后应用梅森公式可求得系统的传递函数】
82、多选题:
绘制信号流图的方法有( )
选项:
A: 已知系统微分方程组,通过求拉氏变换,可以绘制系统的信号流图
B: 已知系统动态结构图,可以列写微分方程组,然后通过求拉氏变换,可以绘制系统的信号流图
C: 系统动态结构图与信号流图存在一一对应关系,已知系统动态结构图,可绘制出信号流图
D: 已知代数方程可以绘制信号流图。
答案: 【 已知系统微分方程组,通过求拉氏变换,可以绘制系统的信号流图;
系统动态结构图与信号流图存在一一对应关系,已知系统动态结构图,可绘制出信号流图;
已知代数方程可以绘制信号流图。】
83、多选题:
下面有关信号流图的术语中,正确的是( )
选项:
A: 节点表示系统中的变量或信号
B: 支路是连接两个节点的有向线段,支路上的箭头表示信号传递的方向,传递函数标在支路上
C: 只有输出支路的节点称为输入节点,只有输入支路的节点称为输出节点,既有输入支路又有输出支路的节点称为混合节点
D: 前向通道为从输入节点开始到输出节点终止,且每个节点通过(一次)的通道,前向通道增益等于前向通道中各个支路增益的乘积
答案: 【 节点表示系统中的变量或信号;
支路是连接两个节点的有向线段,支路上的箭头表示信号传递的方向,传递函数标在支路上;
只有输出支路的节点称为输入节点,只有输入支路的节点称为输出节点,既有输入支路又有输出支路的节点称为混合节点;
前向通道为从输入节点开始到输出节点终止,且每个节点通过(一次)的通道,前向通道增益等于前向通道中各个支路增益的乘积】
84、多选题:
物理性质不同的系统可以有相同的传递函数,同一系统中,取不同的物理量作为系统的输入或输出时,传递函数( )。
选项:
A: 可能不同
B: 可能相同
C: 传递函数可能相同,但微分方程一定不同
D: 传递函数可以不同,但微分方程一定相同
答案: 【 可能不同;
可能相同】
85、多选题:
传递函数与系统微分方程二者之间( )。
选项:
A: 可以互相转换
B: 不可以互相转换
C: 具有一一对应关系
D: 不具有一一对应关系
答案: 【 可以互相转换;
具有一一对应关系】
86、多选题:
输入量与输出量成正比的环节称为( )
选项:
A: 比例环节
B: 微分环节
C: 积分环节
D: 
答案: 【 比例环节;
】
87、多选题:
惯性环节又称为非周期环节,该环节中具有一个储能元件,惯性环节的数学模型为( )
选项:
A: 
B: 
C: 
D: 
答案: 【
;
】
88、多选题:
积分环节的输出量与输入量对时间的积分成正比,其数学模型为( )
备案号:冀ICP备20010840号 2020-2099辉辉网络科技 All Rights Reserved