

1、单选题:
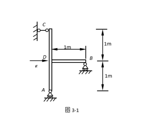
1. 如图3- 1所示,结构在D点作用一水平力F,大小为F=2 kN,不计杆ABC的自重,则支座B的约束反力为( )

选项:
A: RB≤2 kN
B: RB =2 kN
C: RB>2 kN
D: RB=0
答案: 【 RB =2 kN】
2、单选题:
1. 如图3-2所示,一绞盘有三个等长的柄,长为L,相互夹角为120°,每个柄作用于柄的力P将该力系向BC连线的中点D简化,其结果为( )

选项:
A: R=P,MD=3PL
B: R=0,MD=3PL
C: R=20,MD=3PL
D: R=0,MD=2PL
答案: 【 R=0,MD=3PL】
3、单选题:
1. 若平面任意力系向某点简化后合力矩为零,则合力( )。
选项:
A: 一定为零
B: 一定不为零
C: 不一定为零
D: 与合力矩相等
答案: 【 不一定为零】
4、单选题:
1. 如图4-3所示,一平面力系向O点简化为一主矢 和主矩M0,若进一步简化为一合力,则合力R为( )。

选项:
A: 合力矢R位于B( ≠M0 ⁄ R)
B: 合力矢R位于O
C: 合力矢R= 位于B( = M0 ∕ R)
D: 合力矢R= 位于A( = M0 ∕ R)
答案: 【 合力矢R= 位于A( = M0 ∕ R)】
5、判断题:
组合梁ABCD受均布载荷作用,如1-1图所示,均布载荷集度为q,当求D处约束反力时,可将分布力简化为在BE中点的集中力3qa,对吗?

选项:
A: 正确
B: 错误
答案: 【 错误】
6、判断题:
力的平移定理的实质是,作用于刚体的一个力,可以在力的作用线的任意平面内,等效地分解为同平面内另一点的一个力和一个力偶;反过来,作用于刚体某平面内的一个力和一个力偶也可以合成为同平面内另一点的一个力,对吗?
选项:
A: 正确
B: 错误
答案: 【 正确】
7、判断题:
力系向简化中心简化,若R’=0,Mb =0,即主矢、主矩都等于零,则原平面一般力系是一个平衡力系,对吗
选项:
A: 正确
B: 错误
答案: 【 正确】
1、单选题:
刚体上,大小和方向相同的三个力F1,F2,F3分别作用于A,B,C三点,C点在F2作用线上,如图所示,其中两个等效的力是()。
![]() |
选项:
A: F1,F2
B: F1,F3
C: F2,F4
D: F2,F3
答案: 【 F2,F3】
2、单选题:
加减平衡力系公理适用于( )
选项:
A: .刚体
B: 变形体
C: 刚体及变形体
D: 刚体系统
答案: 【
备案号:冀ICP备20010840号 2020-2099辉辉网络科技 All Rights Reserved