

1、单选题:
三视图所用的投影法是
选项:
A: 中心投影法
B: 平行斜投影法
C: 平行正投影法
D: 都不对
答案: 【 平行正投影法】
2、单选题:
在同一直线上的两线段AB和CD,在平行投影的条件下,可得:

选项:
A: Aa/Bb=Cc/Dd
B: AC/CD=ab/bd
C: AB/CD=ab/cd
D: AB/BD=ac/cd
答案: 【 AB/CD=ab/cd】
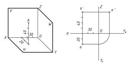
3、单选题:
由投影图判断点A在第几象限

选项:
A: 第一象限
B: 第二象限
C: 第三象限
D: 第四象限
答案: 【 第三象限】
4、单选题:
由投影图判断点A在第几象限

选项:
A: 第一象限
B: 第二象限
C: 第三象限
D: 第四象限
答案: 【 第二象限】
5、多选题:
平行投影的基本性质:
选项:
A: 相仿性
B: 垂直性
C: 平行性不变
D: 同素性
E: 简单比不变
F: 从属性不变
G: 重合性
H: 不等性
I: 不确定性
答案: 【 相仿性;
平行性不变;
同素性;
简单比不变;
从属性不变】
6、多选题:
物体三投影间的关系:

选项:
A: 高平齐
B: 宽相等
C: 长对正
D: 向后转
E: 向下转
答案: 【 高平齐;
宽相等;
长对正】
7、多选题:
根据投影图判断各点所在象限

选项:
A: 点A在第一象限
B: 点B在第一象限
C: 点C在第二象限
D: 点D在第四象限
E: 点C在第三象限
F: 点A在第二象限
G: 点A在第三象限
H: 点A在第四象限
I: 点B在第二象限
J: 点B在第三象限
K: 点B在第四象限
答案: 【 点B在第一象限;
点D在第四象限;
点C在第三象限;
点A在第二象限】
8、多选题:
判断重影点

选项:
A: 点A、B为对V面的重影点
B: 点C、D为对W面的重影点
C: 点E、F为对H面的重影点
D: 点A、B为对H面的重影点
E: 点A、B为对W面的重影点
F: 点C、D为对H面的重影点
G: 点C、D为对V面的重影点
H: 点E、F为对W面的重影点
I: 点E、F为对V面的重影点
答案: 【 点A、B为对V面的重影点;
点C、D为对W面的重影点;
点E、F为对H面的重影点】
9、多选题:
判断两点的相对位置

选项:
A: A比B距V面近
B: A比B距V面远
C: A比B距H面近
D: A比B距H面远
E: A比B距W面近
F: A比B距W面远
G: A在B之上
H: A在B之下
I: A在B之左
J: A在B之右
K: A在B之前
L: A在B之后
答案: 【 A比B距V面近;
A比B距H面远;
A比B距W面远;
A在B之上;
A在B之左;
A在B之后】
10、判断题:
根据点的一个投影,可以确定该点的空间位置。
选项:
A: 正确
B: 错误
答案: 【 错误】
11、判断题:
积聚性只适用于正投影

选项:
A: 正确
B: 错误
答案: 【 错误】
12、判断题:
全等性既适用于正投影,也适用于斜投影

选项:
A: 正确
B: 错误
答案: 【 正确】
13、判断题:
若点在直线上,则该点的投影不一定在该直线的投影上。
选项:
A: 正确
B: 错误
答案: 【 错误】
14、判断题:
空间点的三个投影,反映点的三个坐标,表达了该点到三个投影面的距离。

选项:
A: 正确
B: 错误
答案: 【 正确】
15、判断题:
英美等国家与我国机械制图国家标准一样,都规定在表达物体时应采用第一角投影。

选项:
A: 正确
B: 错误
答案: 【 错误】
1、单选题:
以下对图形的尺寸标注,正确的是:
选项:
A: 
B: 
C: 
D: 
答案: 【
】
2、单选题:
以下对图形的尺寸标注,正确的是:
选项:
A: 
B: 
C: 
D: 
答案: 【
】
3、单选题:
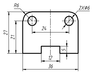
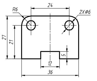
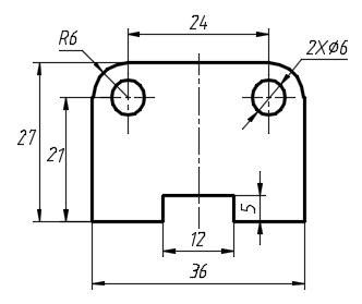
对图形中出现两相同圆角的正确标注是:
选项:
A: 
B: 
C: 
D: 
E: 
答案: 【
】
4、单选题:
对图形中出现两相同圆的定形尺寸的正确标注是:
选项:
A: 
B: 
C: 
D: 
E: 
答案: 【
】
5、单选题:
对图形中出现两对称圆的定位尺寸的正确标注是:
选项:
A: 
B: 
C: 
D: 
E: 
答案: 【
】
6、单选题:
A3图纸幅面尺寸(B×L)是:
选项:
A: 841×1189
B: 584×841
C: 420×594
D: 297×420
E: 210×297
答案: 【 297×420】
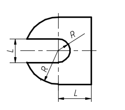
7、多选题:
对图形中槽结构的正确标注是:
选项:
A: 
B: 
C: 
D: 
E: 
F: 
答案: 【
;
】
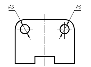
8、多选题:
尺寸标注有错误的图形是:
选项:
A: 
B: 
C: 
D: 
E: 
F: 
G: 
H: 
答案: 【
;
;
;
;
;
】
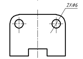
9、多选题:
尺寸标注有错误的图形是:
选项:
A: 
B: 
C: 
D: 
E: 
F: 
G: 
H: 
答案: 【
;
;
;
;
;
;
】
10、多选题:
关于图样的比例,正确的说法有:
选项:
A: 2∶1是放大比例
B: 2∶1是缩小比例
C: 1∶2是放大比例
D: 1∶2是缩小比例
E: 1∶1是原值比例
答案: 【 2∶1是放大比例;
1∶2是缩小比例;
1∶1是原值比例】
11、判断题:
在较小的的图形上绘制细点划线和双点划线有困难时,可用细实线代替。
选项:
A: 正确
B: 错误
答案: 【 正确】
12、判断题:
不论采用何种比例绘图,尺寸数值均按原值注出。
选项:
A: 正确
B: 错误
答案: 【 正确】
13、判断题:
同一机件如采用不同的比例画出图样,则其图形大小相同。
选项:
A: 正确
B: 错误
答案: 【 错误】
14、判断题:
图框是指图纸上为限定绘图区域所画的线框,用细实线绘制。
选项:
A: 正确
B: 错误
答案: 【 错误】
15、判断题:
圆弧半径的尺寸线只能注在投影为圆弧实形的图面上。
选项:
A: 正确
B: 错误
答案: 【 正确】
16、判断题:
标准,是为了在一定的范围内获得最佳秩序,经协商一致制定并由公认机构批准,共同使用的和重复使用的一种规范性文件。中国国家标准机构依据国际标准化组织制定的国际标准,制订并颁布了国家标准,简称“国标”,代号“GB”。
选项:
A: 正确
B: 错误
答案: 【 正确】
1、单选题:
点A与直线BC的位置关系为:

选项:
A: 点A在直线BC上
B: 点A在直线BC下方
C: 点A在直线BC上方
D: 无侧面投影,无法判断
E: 点A不在直线BC上
答案: 【 点A在直线BC上方;
点A不在直线BC上】
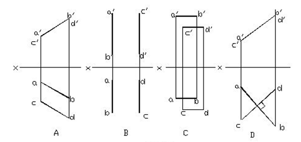
2、单选题:
判断下图所示两条直线的相对位置关系。正确的描述为:

选项:
A: A、D中为两相交直线
B: B、C中为两平行直线
C: C、D中为两垂直直线
D: A、C中为两平行直线
E: B中为两平行直线
F: A中为两相交直线
答案: 【 A、C中为两平行直线】
3、单选题:
下列迹线表示的平面中,错误的为______。
选项:
A: 
B:

C:

D:

答案: 【
】
4、单选题:
ΔABC表示什么位置的平面?

选项:
A: 一般位置平面
B: 水平面
C: 侧垂面
D: 正平面
答案: 【 侧垂面】
5、多选题:
下列各图能直接反映出两平行直线之间的真实距离的是:
选项:
A: 
B: 
C: 
D: 
E: 
答案: 【
;
】
6、多选题:
下列投影图反映平面实形的是:
选项:
A: 
B: 
C: 
D: 
E: 
F: 
答案: 【
;
】
7、多选题:
下列投影中直线属于平面的是:

选项:
A: (a)
B: (b)
C: (c)
D: (d)
E: (a)和(b)
F: (a)和(c)
G: (a)和(d)
H: (b)和(c)
I: (b)和(d)
J: (c)和(d)
答案: 【 (a);
(d);
(a)和(d)】
8、多选题:
直线属于平面ABC,且平行于H面的情况有:
选项:
A: 
B: 
C: 
D: 
E: 
F:
(f)
答案: 【
;
;
】
9、多选题:
下面迹线平面描述正确的是:
选项:
A:
P平面是侧平面
B:
P平面是铅垂面
C:
Q平面是水平面
D:
Q平面是正垂面
E:
Q平面是侧垂面
F:
S平面是水平面
G:
S平面是正垂面
H:
R平面是正垂面
I:
R平面是一般位置平面
J:
U平面是铅垂面
K:
U平面是正平面
答案: 【
P平面是铅垂面;
Q平面是侧垂面
;
S平面是水平面
;
R平面是一般位置平面
;
U平面是正平面】
10、多选题:
如图,判断立体表面上指定线段、平面相对于投影面的位置:

选项:
A: AB是正平线,BC是铅垂线
B: AB是一般位置直线,BC是铅垂线
C: AB是一般位置直线,CD是正垂线
D: BC是侧平线,CD是水平线
E: BC是铅垂线,CD是侧平线
F: BC是侧平线,CD是正垂线
G: AB是正平线,BC是侧平线
H: AB是正平线,CD是正垂线
I: P面是侧垂面,Q面是正垂面
J: P面是水平面,Q面是侧平面
K: P面是水平面,R面是正平面
L: P面是侧垂面,R面是水平面
M: Q面是侧平面,R面是正垂面
N: Q面是正垂面,R面是水平面
答案: 【 AB是一般位置直线,CD是正垂线;
BC是侧平线,CD是正垂线;
P面是侧垂面,Q面是正垂面;
P面是侧垂面,R面是水平面;
Q面是正垂面,R面是水平面】
11、多选题:
如图所示,下列描述正确的是:

选项:
A: P面是正平面
B: P面是水平面
C: Q面是正平面
D: Q面是铅垂面
E: S面是铅垂面
F: S面是正垂面
G: T面是铅垂面
H: T面是正垂面
答案: 【 P面是水平面;
Q面是正平面;
S面是铅垂面;
T面是正垂面】
12、判断题:
空间互相垂直的两直线,它们的投影也一定互相垂直。
选项:
A: 正确
B: 错误
答案: 【 错误】
13、判断题:
两条互相平行的直线,它们所确定的平面一定平行于投影面。
选项:
A: 正确
B: 错误
答案: 【 错误】
14、判断题:
在一般位置平面上确定点,做辅助线的方法只有一种:过平面上的两个已知点做线,并使该点属于该线。
选项:
A: 正确
B: 错误
答案: 【 错误】
15、判断题:
一般位置平面上只有一条水平线。
选项:
A: 正确
B: 错误
答案: 【 错误】
16、判断题:
如图,AE是平面ABC上的一条正平线,CD是平面ABC上的一条水平线。

选项:
A: 正确
B: 错误
答案: 【 正确】
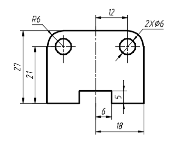
1、单选题:
图中,已知立体的V、H两投影,其正确的W投影为:

选项:
A: 
B: 
C: 
D: 
E: 
答案: 【
】
2、单选题:
已知一立体的V、H两投影,关于它的W投影,正确答案是:

选项:
A: 
B: 
C: 
D: 
E: 
F: 
答案: 【
】
3、单选题:
图中是立体的V、H两投影,其正确的W投影为:

选项:
A: 
B: 
C: 
D: 
E: 
F: 
答案: 【
备案号:冀ICP备20010840号 2020-2099辉辉网络科技 All Rights Reserved