

1、单选题:
整流是________。
选项:
A: 将交流变为直流
B: 将正弦波变为方波
C: 将直流变为交流
D: 将电压变为电流
答案: 【 将交流变为直流】
2、单选题:
单相桥式整流电路,变压器次级电压为10V(有效值),则整流后的输出直流电压为 V。
选项:
A: 9
B: 4.5
C: 10
D: 12
答案: 【 9】
3、单选题:
单相桥式整流电容滤波电路中,变压器次级电压为20V(有效值),则滤波后的输出直流电压为 V。
选项:
A: 24
B: 20
C: 9
D: 40
答案: 【 24】
4、单选题:
单相桥式整流电路变压器次级电压为10V(有效值),则每个整流二极管所承受的最大反向电压为 V。
选项:
A: 14.14
B: 10
C: 20
D: 28.28
答案: 【 14.14】
5、单选题:
下面说法错误的是 。
选项:
A: 单相桥式整流电路的输出电压平均值比半波整流时增加了一倍。
B: 串联型线性稳压电路中,调整管与负载串联且工作于放大区。
C: 在单相桥式整流电路中,若有一只整流管接反,将造成短路。
D: 在选择整流元件时,只要考虑负载所需的直流电压和直流电流。
答案: 【 在选择整流元件时,只要考虑负载所需的直流电压和直流电流。】
6、单选题:
在整流电路中,二极管之所以能整流,是因为它具有( )。
选项:
A: 稳压功能
B: 反向击穿的性能
C: 单向导电的特性
D: 电流放大特性
答案: 【 单向导电的特性 】
7、单选题:
整流电路如图所示,变压器副边电压有效值为U2,二极管D所承受的最高反向电压是( )。

选项:
A: U2
B: 1.414U2
C: 2.828U2
D: 2U2
答案: 【 1.414U2 】
8、单选题:
在单相桥式整流电路中,已知变压器副边电压有效值为U2,若有一只整流管接反,则( )。
选项:
A: 输出电压平均值约为1.8U2
B: 输出电压变为半波直流
C: 整流管将因电流过大而烧坏
D: 输出电压的波形为正弦交流电压
答案: 【 整流管将因电流过大而烧坏 】
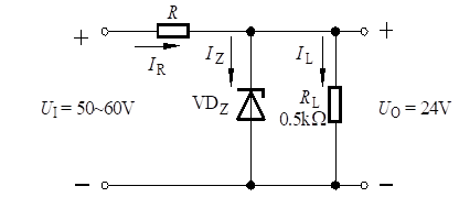
9、单选题:
在如图所示稳压电路中,已知稳压管的最小稳定电流IZmin=5mA,最大稳定电流IZmax=35mA,其余参数如图中所标注。限流电阻R的最大值为( )。

选项:
A: Rmax=491 Ω
B: Rmax=434 Ω
C: Rmax=679 Ω
D: Rmax=541 Ω
答案: 【 Rmax=491 Ω】
10、单选题:
在如图所示直流稳压电源中,已知W7812的1、2两端电压U12≥3V才能正常工作,集成运放输出电压UAO=1~29V。为使电路正常工作,集成运放的反相输入端U-至少取值以及此时UO的值分别为( )。

选项:
A: U-min=9V,Uo=13V
B: U-min=9V,Uo=15V
C: U-min=12V,Uo=13V
D: U-min=12V,Uo=15V
答案: 【 U-min=9V,Uo=13V】
11、单选题:
在如图所示直流稳压电源中,三端稳压器W7818的输出电压U2.3=18V,1、2端电压U12≥3V才能正常工作;输入电压UI波动范围为±10%;A可视为理想运放。输出电压的最小值为( )。

选项:
A: 18V
B: 19.8V
C: 16.2V
D: 21V
答案: 【 18V】
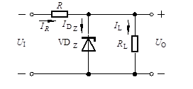
12、单选题:
在图示稳压电路中,已知稳压管的稳定电压UZ=6V,最小稳定电流IZ=5mA,最大稳定电流IZM=30mA。下列分析错误的是( )。

选项:
A: 若UI=12V,R=4kΩ,则无论RL取值为多少,UO都小于5V。
B: 若UI=12V,R=RL=1.5kΩ,则测得UO=6V,所以稳压管工作在稳压状态。
C: 电路正常工作时,若IL=35mA,则IR应大于40mA。
D: 电路正常工作时,若IR=35mA,则负载电阻RL不得开路。
答案: 【 若UI=12V,R=RL=1.5kΩ,则测得UO=6V,所以稳压管工作在稳压状态。】
13、单选题:
在如图所示串联型稳压电源中,已知稳压管VDZ的稳定电压UZ=5.3V,晶体管的UBE=0.7V。当RW的滑动端在最下端时UO=15V,则RW的值为( )。
选项:
A: 100Ω
B: 200Ω
C: 300Ω
D: 150Ω
答案: 【 100Ω】
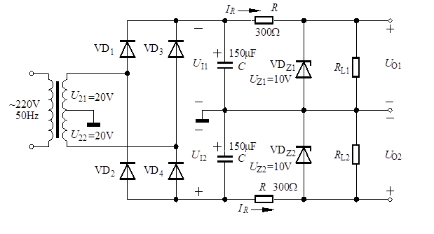
14、单选题:
图示电路是能够提供±10V电压的稳压电路,整流滤波后电压平均值UI1=-UI2≈( )。
选项:
A: 48V
B: 36V
C: 24V
D: 12V
答案: 【 24V】
1、单选题:
当温度升高时,关于本征半导体中的载流子数量的变化下面哪种说法是正确的。
选项:
A: 自由电子个数增加,空穴个数基本不变。
B: 空穴个数增加,自由电子个数基本不变。
C: 空穴和自由电子的个数都增加,而且它们增加的数量相等。
D: 空穴和自由电子的个数均保持不变。
答案: 【 空穴和自由电子的个数都增加,而且它们增加的数量相等。】
2、单选题:
N型半导体可以在纯净半导体中掺入 元素实现。
选项:
A: 3价
B: 4价
C: 5价
D: 6价
答案: 【 5价】
3、单选题:
P型半导体可以在纯净半导体中掺入 元素实现。
选项:
A: 3价
B: 4价
C: 5价
D: 6价
答案: 【 3价】
4、单选题:
半导体中的少数载流子产生的原因是 。
选项:
A: 内电场
B: 热激发
C: 掺杂
D: 外电场
E: 本征激发
答案: 【 热激发;
本征激发】
5、单选题:
随着环境温度的升高,半导体二极管的反向电流将 。
选项:
A: 略有增加
B: 减少
C: 保持不变
D: 与温度成比例增加
答案: 【 略有增加 】
6、单选题:
在杂质半导体中,多数载流子的浓度取决于 。
选项:
A: 杂质浓度
B: 温度
C: 本征半导体
D: 掺杂工艺
答案: 【 杂质浓度】
7、单选题:
当PN结承受反向电压时,其内部电流关系为 。
选项:
A: 扩散电流大于漂移电流
B: 扩散电流等于漂移电流
C: 扩散电流小于漂移电流
D: 无法确定
答案: 【 扩散电流小于漂移电流】
8、单选题:
用数字万用表的电阻档无法正确测量二极管,你的结论是 。
选项:
A: 电阻档无法给二极管提供正常的偏置
B: 万用表的内阻与二极管不匹配
C: 万用表内部电池电压过低
D: 这种情况不存在,我就是这样测的
答案: 【 电阻档无法给二极管提供正常的偏置 】
9、单选题:
PN结的内电场方向是 。
选项:
A: 由P区指向N区
B: 由N区指向P区
C: 与外加电压有关
D: 不确定
答案: 【 由N区指向P区】
10、单选题:
齐纳二极管正常稳压时工作在 状态。
选项:
A: 放大
B: 反向击穿
C: 正向导通
D: 反向截止
答案: 【 反向击穿】
11、单选题:
二极管基本电路如图所示,已知R = 1kΩ。当VDD =10V 时,分别应用理想模型和恒压降模型,求得的电流ID分别为 和 ;当VDD =1V 时,再分别应用理想模型和恒压降模型,求得的电流ID分别为 和 。

选项:
A: 10mA,9.3mA; 1mA,0.3mA
B: 10mA,0.93mA;1mA,0.03mA
C: 10mA,1mA;9.3mA,3mA
D: 1mA,0.93mA;0.1mA,0.03mA
答案: 【 10mA,9.3mA; 1mA,0.3mA】
12、单选题:
PN结中的内电场阻止 的扩散运动,促进 的漂移运动。
选项:
A: 多数载流子;少数载流子
B: 少数载流子;多数载流子
C: 空穴;电子
D: 电子;空穴
答案: 【 多数载流子;少数载流子】
13、单选题:
P型半导体中的多数载流子是空穴,少数载流子是电子,这种类型的半导体 。
选项:
A: 本身是中性的
B: 本身不带电
C: 带正电
D: 带负电
E: 可能带正电,也可能带负电
答案: 【 本身是中性的;
本身不带电】
14、单选题:
PN结外加正向电压时,其空间电荷区 。
选项:
A: 变窄
B: 变宽
C: 不变
D: 消失
答案: 【 变窄】
15、单选题:
在绝对零度(0K)时,本征半导体中_________ 载流子。
选项:
A: 有
B: 没有
C: 只有多数
D: 只有少数
答案: 【 没有】
16、单选题:
在热激发条件下,价电子获得足够激发能,进入导带,产生_________。
选项:
A: 自由电子-空穴对
B: 正离子
C: 负离子
D: 空穴
答案: 【 自由电子-空穴对】
17、单选题:
发光二极管必须施加 才能发光;光电二极管正常工作时应加 。
选项:
A: 正偏电压,反偏电压
B: 正偏电压,正偏电压
C: 反偏电压,反偏电压
D: 反偏电压,正偏电压
答案: 【 正偏电压,反偏电压】
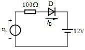
18、单选题:
电路如图所示,若vs是振幅为15V的正弦波,则二极管两端的最大反向电压为 V。

选项:
A: 27
B: 13
C: 3
D: -3
答案: 【 27】
19、单选题:
电路如图所示,二极管看成是理想的。若vI1=0V,vI2=5V,输出电压vO的值是 。
选项:
A: 5V
B: 0V
C: 不确定
D: 10V
答案: 【 5V】
20、单选题:
在使用齐纳二极管时,必须 。
选项:
A: 串联限流电阻
B: 并联限流电阻
C: 串联二极管
D: 并联二极管
答案: 【 串联限流电阻】
21、单选题:
由理想二极管构成的电路如图所示,电压
( )V
备案号:冀ICP备20010840号 2020-2099辉辉网络科技 All Rights Reserved