

1、单选题:
在 半导体中,自由电子的浓度大于空穴浓度。
选项:
A: 本征
B: P型
C: N型
D: 以上都是
答案: 【 N型】
2、单选题:
当PN结外加正向电压时,扩散电流 漂移电流。
选项:
A: 大于
B: 小于
C: 等于
D: 不确定
答案: 【 大于】
3、单选题:
下图所示电路中,D为硅二极管。当VS = 5V时,测得流过二极管D的电流为1mA。若提高VS至10V,则流过二极管D的电流为: 。

选项:
A: 2mA
B: 大于2mA
C: 小于2mA
D: 无法确定
答案: 【 大于2mA】
4、单选题:
下图所示电路中,D为硅二极管,VS = 5V。在温度为20°时,测得二极管D的两端电压为0.7V。若提高温度至40°,则二极管D的两端电压为: 。

选项:
A: 0.7V
B: 大于0.7V
C: 小于0.7V
D: 无法确定
答案: 【 小于0.7V】
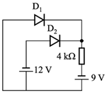
5、单选题:
下图所示电路中,D1、D2均为理想二极管,则它们的通断状态分别为: 。

选项:
A: 导通、导通
B: 导通、截止
C: 截止、导通
D: 截止、截止
答案: 【 导通、截止】
6、单选题:
在正常工作的放大电路中,测得某晶体三极管的各极对地电压分别为:0V、-0.7V、-5V。则,0V所对应的是三极管的: 。
选项:
A: 基极
B: 集电极
C: 发射极
D: 无法确定
答案: 【 发射极】
7、单选题:
在正常工作的放大电路中,测得某晶体三极管的三极电流如下图所示。
已知II = -1.2mA,I2 = -0.03mA,I3 =1.23mA。则,此晶体管的类型是: 。

选项:
A: NPN
B: PNP
C: NPN和PNP都可以
D: 无法确定
答案: 【 PNP】
8、单选题:
温度升高时,晶体管的电流放大系数β 。
选项:
A: 升高
B: 降低
C: 不变
D: 无法确定
答案: 【 升高】
9、单选题:
下图所示电路的组态是: 。

选项:
A: 共基
B: 共集
C: 共射
D: 以上都不是
答案: 【 共集】
10、单选题:
某场效应管的转移特性如下图所示,此场效应管是: 。

选项:
A: N沟道增强型
B: P沟道增强型
C: N沟道耗尽型
D: P沟道耗尽型
答案: 【 P沟道增强型】
11、单选题:
某场效应管的输出特性如下图所示,此场效应管是: 。

选项:
A: N沟道增强型
B: P沟道增强型
C: N沟道耗尽型
D: P沟道耗尽型
答案: 【 N沟道耗尽型】
12、单选题:
由N沟道增强型场效应管构成的放大电路中,栅源电压VGS应: 。
选项:
A: 大于0
B: 小于0
C: 大于或小于0均可
D: 无法确定
答案: 【 大于0 】
13、单选题:
由N沟道增强型场效应管构成的放大电路中,漏源电压VDS应: 。
选项:
A: 大于0
B: 小于0
C: 大于或小于0均可
D: 无法确定
答案: 【 大于0 】
14、单选题:
N沟道耗尽型场效应管中,栅源电压VGS越大,其导电能力将: 。
选项:
A: 越强
B: 越弱
C: 不变
D: 无法确定
答案: 【 越强】
15、单选题:
N沟道耗尽型场效应管中,漏源电压VDS越大,漏源电流IDS: 。
选项:
A: 越大
B: 越小
C: 不变
D: 无法确定
答案: 【 无法确定】
16、多选题:
在正常工作的放大电路中,测得某晶体三极管的某两极对地电压分别为:0V、-5V。则,剩下一极的对地电压有可能是以下的 。
选项:
A: -5.7V
B: -4.3V
C: -0.7V
D: 0.7V
答案: 【 -5.7V;
-4.3V;
-0.7V;
0.7V】
17、填空题:
下图所示电路中,D1、D2均为理想二极管,二极管D2的两端电压为: V。

答案: 【 -12】
18、填空题:
下图所示电路中,VI = 8V,RL = 250Ω,稳压二极管正常工作时的VZ = 5V,IZ = 10mA。则,限流电阻R的阻值为: Ω。

答案: 【 100】
19、填空题:
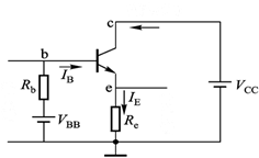
下图所示电路中,已知VB = 5.7V,VC = 15V,Rb = 100kΩ,Rc = 2kΩ,β = 100。则VCE为: V。

答案: 【 5】
20、填空题:
下图所示电路中,已知VB = 5.7V,VC = 15V,Rb = 50kΩ,Rc = 2kΩ,β = 100。则VCE为: V。

答案: 【 0.3】
1、单选题:
如下图(a)为三极管构成放大电路原理图,
为输入信号,图(b)为放大电路输出特性图,假定Q点为输出静态工作点,则:当电阻
减小时,图中负载线应该( )。

选项:
A: 向左下方平移
B: 向右上方平移
C: 斜率变平缓
D: 斜率变陡
答案: 【 斜率变陡】
2、单选题:
如下图(a)为三极管构成放大电路原理图,
为输入信号,图(b)为放大电路输出特性图,假定Q点为输出静态工作点,则:当偏置电源
增加时,图中负载线应该( )。

选项:
A: 向左下方平移
B: 向右上方平移
C: 斜率变平缓
D: 斜率变陡
答案: 【 向右上方平移】
3、单选题:
如下图(a)为三极管构成放大电路原理图,
为输入信号,图(b)为放大电路输出特性图,假定Q点为输出静态工作点,则:当偏置电源
增加时,图中工作点Q对应的
将( )。

选项:
A: 增大
B: 减小
C: 不变
D: 无法确定
答案: 【 不变】
4、单选题:
如下图(a)为三极管构成放大电路原理图,
为输入信号,图(b)为放大电路输出特性图,假定Q点为输出静态工作点,则:输入信号
在正半周增加时,图中工作点Q将在负载线上( )。

选项:
A: 向上移动
B: 向下移动
C: 不变
D: 无法确定
答案: 【 向上移动】
5、单选题:
下图为场效应管电路和它的输出特性曲线,若Rg=1MΩ,Rd=5 kΩ,则从图中可知场效应管工作在( )。

选项:
A: 可变电阻区
B: 放大区
C: 截止区
D: 临界饱和
答案: 【 可变电阻区】
6、单选题:
在下图所示的电路中,如空载时(即RL开路)调节Rb,使
,若ICEO,VCES均忽略不计。问接上负载RL后,逐渐加大输入信号
,输出电压
首先出现什么失真?

选项:
A: 截止失真
B: 饱和失真
C: 同时出现上述两种失真
D: 交越失真
答案: 【 截止失真】
7、单选题:
如图所示三极管构成基本电路,VCC=15V,Rb=390kΩ,Rc=3.1kΩ,β=100
可判定三极管工作在 ( )。

选项:
A: 放大区
B: 截止区
C: 饱和区
D: 不定
答案: 【 放大区】
8、单选题:
如图所示三极管构成基本电路,VCC=18V,Rb=310kΩ,Rc=4.7kΩ,β=100
可判定三极管工作在 ( )。

选项:
A: 放大区
B: 截止区
C: 饱和区
D: 不定
答案: 【 饱和区】
9、单选题:
单管直接耦合放大电路如图所示,设VCES=0V。已知Av=-10,且当VI=1V时,VO=6V,则当VI=1.01V时,VO为( )。

选项:
A: 10.1V
B: 5.9V
C: 6.1V
D: -10.1V
答案: 【 5.9V】
10、单选题:
单管直耦放大电路如图所示,设VCES=0V。已知Av=-10,且当VI=1V时,VO=6V,则当VI=0 V时,VO为( )。

选项:
A: 16V
B: 0V
C: 10V
D: 6V
答案: 【 10V】
11、单选题:
为了使高输出电阻的放大电路与低电阻负载很好地配合,通常可以在放大电路与负载之间接入_______组态的三极管放大电路。
选项:
A: 共基
B: 共射
C: 共集
D: 不能确定
答案: 【 共集】
12、单选题:
N沟道结型场效应管工作在线性放大区时, ( )
选项:
A: VGS为正电压,VDS为正电压
B: VGS为正电压,VDS为负电压
C: VGS为负电压,VDS为正电压
D: VGS为负电压,VDS为负电压
答案: 【 VGS为负电压,VDS为正电压】
13、判断题:
共射放大电路只能放大电压,不能放大电流。
选项:
A: 正确
B: 错误
答案: 【 错误】
14、判断题:
共集放大电路只能放大电流,不能放大电压。
选项:
A: 正确
B: 错误
答案: 【 正确】
15、判断题:
为使高阻信号源与低阻负载很好地配合,可以在两者间插入共集电路。
选项:
A: 正确
B: 错误
答案: 【 正确】
16、判断题:
任何单管放大电路的输入电阻均与负载电阻无关。
选项:
A: 正确
B: 错误
答案: 【 错误】
17、判断题:
任何单管放大电路的输出电阻均与负载电阻无关。
选项:
A: 正确
B: 错误
答案: 【 正确】
18、判断题:
静态工作点是当输入信号为零时电路中各点电位及各支路电流的大小,而放大器的电压
备案号:冀ICP备20010840号 2020-2099辉辉网络科技 All Rights Reserved