

1、单选题:
考虑力对物体作用的运动效应和变形效应,力是 。
选项:
A: 滑动矢量
B: 自由矢量
C: 定位矢量
D:
答案: 【 定位矢量】
2、单选题:
考虑力对物体作用的运动效应,力是 。
选项:
A: 滑动矢量
B: 自由矢量
C: 定位矢量
D:
答案: 【 滑动矢量】
3、单选题:
图示中的两个力
,
,
,则刚体处于 。

选项:
A: 平衡
B: 不平衡
C: 不能确定
D:
答案: 【 不平衡】
4、单选题:
作用力
的大小等于100N,则其反作用力
的大小为 。

选项:
A: 
B: 
C: 不能确定
D:
答案: 【
】
5、单选题:
力的可传性原理只适用于 。
选项:
A: 刚体
B: 变形体
C: 刚体和变形体
D:
答案: 【 刚体】
6、单选题:
加减平衡力系公理适用于 。
选项:
A: 刚体
B: 变形体
C: 刚体和变形体
D:
答案: 【 刚体】
7、单选题:
图示的三铰刚架,自重不计,则构件CE是 。

选项:
A: 二力构件
B: 不能确定
C:
D:
答案: 【 二力构件】
8、单选题:
图示结构,各杆自重不计,则杆BC是 。

选项:
A: 二力杆
B: 不能确定
C:
D:
答案: 【 二力杆】
9、单选题:
图示作用于三角架的杆AB中点处的铅垂力如果沿其作用线移动到杆BC的中点,那么A、C处支座的约束力的方向 。

选项:
A: 不改变
B: 改变
C: 不能确定
D:
答案: 【 改变】
10、单选题:
图示构架ABC中,力作用在销钉C上,则销钉C对杆AC的作用力与销钉C对杆BC的作用力 。

选项:
A: 等值、反向、共线
B: 分别沿AC和BC
C: 不能确定
D:
答案: 【 分别沿AC和BC 】
11、单选题:
如图所示,物体处于平衡,自重不计,接触处是光滑的,图中所画受力图 。

选项:
A: 正确
B: 不正确
C: 不能确定
D:
答案: 【 正确】
12、单选题:
如图所示,物体处于平衡,自重不计,接触处是光滑的, 图中所画受力图是 。

选项:
A: 正确
B: A处约束力画的不正确
C: 不能确定
D:
答案: 【 A处约束力画的不正确】
13、单选题:
如图所示,各杆处于平衡,杆重不计,接触处是光滑的,图中所画受力图 。

选项:
A: 正确
B: A处和B处约束力不正确
C: 不能确定
D:
答案: 【 A处和B处约束力不正确】
14、单选题:
如图所示,梁处于平衡,自重不计,接触处是光滑的,图中所画受力图是 。

选项:
A: 正确
B: B处约束力不正确
C: 不能确定
D:
答案: 【 B处约束力不正确】
15、判断题:
二力平衡条件中的两个力作用在同一物体上;作用力和反作用力分别作用在两个物体上。
选项:
A: 正确
B: 错误
答案: 【 正确】
16、判断题:
分力一定小于合力。
选项:
A: 正确
B: 错误
答案: 【 错误】
17、判断题:
刚体的平衡条件是变形体平衡的必要条件,而非充分条件。
选项:
A: 正确
B: 错误
答案: 【 正确】
1、单选题:
刚体在四个力作用下平衡,若其中三个力的作用线汇交于一点,则第四个力的作用线 。
选项:
A: 一定通过汇交点
B: 不一定通过汇交点
C: 一定不通过汇交点
D:
答案: 【 一定通过汇交点】
2、单选题:
用解析法求解平面汇交力系的平衡问题时,所选的投影轴 。
选项:
A: 一定要相互垂直;
B: 不一定要相互垂直
C:
D:
答案: 【 不一定要相互垂直】
3、单选题:
平面汇交力系独立的平衡方程有 个。
选项:
A: 1
B: 2
C: 3
D:
答案: 【 2】
4、单选题:
平面汇交力系的合力表示为 。
选项:
A: 
B: 
C:
D:
答案: 【
】
5、单选题:
图中各个力之间的关系 。

选项:
A: 
B: 
C: 
D: 
答案: 【
】
6、单选题:
图中各个力之间的关系 。

选项:
A: 
B: 
C: 
D: 
答案: 【
】
7、单选题:
图中各个力之间的关系 。

选项:
A: 
B: 
C: 
D: 
答案: 【
】
8、单选题:
图中各个力之间的关系 。

选项:
A: 
B: 
C:
D: 
答案: 【
】
9、单选题:
图示的非直角坐标系中,力
沿轴x、y方向的分力的大小与力
在轴x、y上的投影的大小 。

选项:
A: 相等
B: 不相等
C: 不能确定
D:
答案: 【 不相等】
10、单选题:
如图所示, 重量为
的钢管C搁在斜槽中, 则平衡时是有 。

选项:
A: FA = P cosq,FB = P cosq
B: FA = P sinq,FB = P sinq
C: 
D: 
答案: 【
】
11、判断题:
平面汇交力系的合力作用线通过汇交点。
选项:
A: 正确
B: 错误
答案: 【 正确】
12、判断题:
三力平衡定理表明:作用在物体上汇交于一点的三个力必是平衡力系。
选项:
A: 正确
B: 错误
答案: 【 错误】
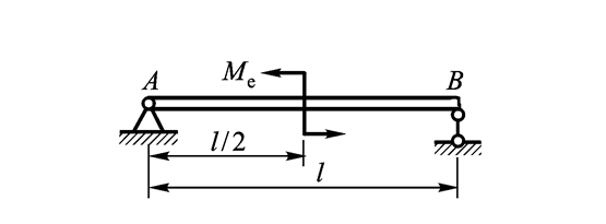
1、单选题:
在图示梁上作用一力偶,其力偶矩为
。则支座A、B的约束力满足条件 。

选项:
A: 
B: 
C: 
D: 不能确定
答案: 【
】
2、单选题:
在图(a)中支座约束力与图(b)中支座约束力 。

选项:
A: 相等
B: 不相等
C: 不能确定
D:
答案: 【 相等】
3、单选题:
平面力偶系有 个独立的平衡方程。
选项:
A: 1
B: 2
C: 3
D: 4
答案: 【 1】
4、单选题:
如图所示,作用于扳手上的力F = 200 N,l = 0.40 m,a = 60º,则力对点O之矩为 。

选项:
A: 69.3 N •m
B: -69.3 N •m
C: 80N •m
D: -80N •m
答案: 【 -69.3 N •m】
5、单选题:
如图a所示,在物体上作用有两力偶(
,
)和(
,
),其力多边形封闭(图 b
备案号:冀ICP备20010840号 2020-2099辉辉网络科技 All Rights Reserved