

1、单选题:

选项:
A: -8A
B: 8A
C: -4A
D: 4A
答案: 【 -4A】
2、单选题:

选项:
A: 40V
B: -40V
C: 25V
D: -25V
答案: 【 -40V】
3、单选题:

选项:
A: -1V
B: 1V
C: 2.5V
D: 0V
答案: 【 2.5V】
4、单选题:

选项:
A: 0V
B: 2V
C: -2V
D: 1V
答案: 【 -2V】
5、单选题:

选项:
A: -4Ω
B: 4Ω
C: 5Ω
D: -5Ω
答案: 【 4Ω】
6、单选题:

选项:
A: 100W
B: 75W
C: 50W
D: 25W
答案: 【 25W】
7、单选题:

选项:
A: 81V
B: 90V
C: 100V
D: 110V
答案: 【 90V】
8、单选题:

选项:
A: 2A
B: 3A
C: 4A
D: 5A
答案: 【 5A】
9、单选题:

选项:
A: 6V
B: 3V
C: 0V
D: -3V
答案: 【 0V】
10、单选题:

选项:
A: 15W
B: 12W
C: 9W
D: 6W
答案: 【 9W】
11、单选题:

选项:
A: 正常工作
B: 100W的灯丝烧毁
C: 40W的灯丝烧毁
D: 都无法工作
答案: 【 40W的灯丝烧毁】
12、单选题:

选项:
A: U=E-RI
B: U=E+RI
C: U=-E-RI
D: U=-E+RI
答案: 【 U=E+RI】
13、单选题:

选项:
A: 6V
B: 3V
C: 0V
D: -3V
答案: 【 6V】
14、单选题:

选项:
A: 3A
B: 1A
C: -1A
D: -3A
答案: 【 3A】
15、单选题:

选项:
A: 3A
B: 3.8A
C: 4.4A
D: 4.8A
答案: 【 3.8A】
1、单选题:

选项:
A: 8Ω,64W
B: 14Ω,112W
C: 12Ω,304W
D: 14Ω,304W
答案: 【 12Ω,304W】
2、单选题:

选项:
A: 1.33A
B: 2.33A
C: 3A
D: 7A
答案: 【 2.33A】
3、单选题:

选项:
A: 0.33A
B: -0.33A
C: 0.13A
D: -0.13A
答案: 【 0.13A】
4、填空题:

答案: 【 4V】
5、填空题:

答案: 【 -4V】
6、填空题:

答案: 【 -1V】
7、填空题:

答案: 【 消耗功率】
8、填空题:

答案: 【 消耗功率】
9、填空题:

答案: 【 10V】
10、填空题:

答案: 【 -5.7V】
11、填空题:

答案: 【 14V】
12、填空题:

答案: 【 0.2A】
13、填空题:

答案: 【 -4V】
14、填空题:

答案: 【 2V】
15、填空题:

答案: 【 15W】
1、判断题:
实际电路可由几种理想元件替代组成。
选项:
A: 正确
B: 错误
答案: 【 正确】
2、判断题:
电路模型是由各种实际元件按照一定的应用要求组成的。
选项:
A: 正确
B: 错误
答案: 【 错误】
1、判断题:
电压源与电流源之间可以等效变换,等效只对外部电路而言,对电源内部是不等效的。
选项:
A: 正确
B: 错误
答案: 【 正确】
2、判断题:
电压源与电流源等效变换后要注意变换后的电压和电流方向要保持一致。
选项:
A: 正确
B: 错误
答案: 【 错误】
3、判断题:
一个理想电压源必须与R0串联才能变成电流源。
选项:
A: 正确
B: 错误
答案: 【 错误】
4、判断题:
理想电压源和理想电流源之间不可以等效变换
选项:
A: 正确
B: 错误
答案: 【 正确】
1、单选题:

选项:
A: 
B: 
C: 
D: 
答案: 【
】
2、单选题:

选项:
A: 增大
B: 减小
C: 不变
D: 无法确定
答案: 【 增大】
3、单选题:
在下图中,当ab间因故障断开后,用电压表测得Uab 为( )。

选项:
A: 0V
B: 9V
C: 12V
D: 36V
答案: 【 9V】
4、单选题:

选项:
A: 电压源
B: 电流源
C: 电压源和电流源
D: 电阻
答案: 【 电流源】
5、单选题:

选项:
A: 1A
B: 3A
C: 0A
D: -1A
答案: 【 -1A】
6、单选题:

选项:
A: 2V
B: 1V
C: 1.5V
D: 2.5V
答案: 【 2.5V】
7、单选题:

选项:
A: 1A,2Ω
B: 1A ,1Ω
C: 2A ,1Ω
D: 2A , 2Ω
答案: 【 2A ,1Ω】
8、单选题:
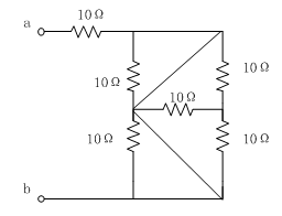
在下图所示的电路图中,电路两端的等效电阻Rab 为( )

选项:
A: 0 Ω
B: 10 Ω
C: 20 Ω
D: 30 Ω
答案: 【 10 Ω】
9、单选题:

选项:
A: 0V
B: -18V
C: -6V
D: -3V
答案: 【 -18V】
10、单选题:

选项:
A: 10A
B: 21.3A
C: 25.6A
D: 28.4A
答案: 【 21.3A】
11、单选题:

选项:
A: 1A
B: 2A
C: 3A
D: 4A
答案: 【 1A】
12、单选题:

选项:
A: 0A
B: 0.5A
C: 1A
D: 2A
答案: 【 0.5A】
13、单选题:

选项:
A: 1A
B: 2A
C: 5A
D: 6A
答案: 【 6A】
14、单选题:
叠加定理用于计算( )。
选项:
A: 线性电路中的电压、电流和功率
B: 线性电路中的电压和电流
C: 非线性电路中的电压和电流
D: 线性电路中的电流和功率
答案: 【 线性电路中的电压和电流】
15、单选题:

选项:
A: 1mA
B: 2mA
C: 3mA
D: 5mA
答案: 【 3mA】
16、单选题:

选项:
A: 2V,1Ω
B: 1V,2Ω
C: 2V,2Ω
D: 1V,1Ω
答案: 【 2V,1Ω 】
1、单选题:

选项:
A: 2V
B: -2V
C: 20V
D: 22V
答案: 【 2V 】
2、单选题:

选项:
A: 9V
B: -9V
C: 3V
D: -3V
答案: 【 -3V】
3、单选题:

选项:
A: 1.33A
B: 2.33A
C: 3A
D: 7A
答案: 【 2.33A】
4、单选题:

选项:
A: 0.33A
B: -0.33A
C: 0.13A
D: -0.13A
答案: 【 0.13A】
5、单选题:

选项:
A: 1A
B: 1.56A
C: 2A
D: 3A
答案: 【 2A】
6、单选题:

选项:
A: 1.5A
B: -1.5A
C: 2.1A
D: -2.1A
答案: 【 -1.5A】
7、单选题:

选项:
A: 1.7A
B: 2.2A
C: 3.0A
D: 3.8A
答案: 【 2.2A】
8、单选题:

选项:
A: 8V
B: -8V
C: 20V
D: -20V
答案: 【 20V】
9、单选题:

选项:
A: 10V
B: -10V
C: 120V
D: -120V
答案: 【 10V】
10、单选题:

选项:
A: 12V,5Ω
B: 10V,3Ω
C: 8V,1Ω
D: 16V,9Ω
答案: 【 12V,5Ω】
11、单选题:

选项:
A: 1A
B: -1A
C: 5A
D: -5A
答案: 【 1A】
12、单选题:

选项:
A: 1.5A
B: -1.5A
C: 0.5A
D: -0.5A
答案: 【 -1.5A】
13、单选题:

选项:
A: 3.3V
B: -3.3V
C: 9V
D: -9V
答案: 【 3.3V】
14、单选题:

选项:
A: 0.5A
B: -0.5A
C: 1A
D: -1A
答案: 【 0.5A】
15、单选题:

选项:
A: 0.5A
B: -0.75A
C: -0.5A
D: 0.75A
答案: 【 0.5A】
16、单选题:

选项:
A: 0.33A
B: -0.33A
C: 0.67A
D: -0.67A
答案: 【 0.33A】
17、单选题:

选项:
A: 18V
B: 24V
C: 30V
D: 54V
答案: 【 54V】
18、单选题:

选项:
A: 4.8V
B: -4.8V
C: 16V
D: -16V
答案: 【 -4.8V】
19、单选题:

选项:
A: 4.67A
B: -4.67A
C: 1.67A
D: -1.67A
答案: 【 4.67A】
20、单选题:

选项:
A: 0.3A
B: -0.3A
C: 1A
D: -1A
答案: 【 0.3A】
1、判断题:

选项:
A: 正确
B: 错误
答案: 【 正确】
2、判断题:

选项:
A: 正确
B: 错误
答案: 【 正确】
3、判断题:

选项:
A: 正确
B: 错误
答案: 【 错误】
1、判断题:

选项:
A: 正确
B: 错误
答案: 【 错误】
2、判断题:
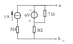
求得图示电路的戴维宁等效电压源的开路电压Uab=3V,等效电阻
.

选项:
A: 正确
B: 错误
答案: 【 错误】
3、判断题:

选项:
A: 正确
B: 错误
答案: 【 正确】
1、单选题:

选项:
A: 0V
B: 50V
C: 63.2V
D: 100V
答案: 【 50V】
2、单选题:
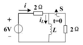
在下图中,开关S闭合前电路已处于稳态,试问闭合开关瞬间,初始值iL(0+)和i (0+)分别为( )。

选项:
A: 0A,1.5A
B: 3A,3A
C: 3A,1.5A
D: 1.5A,3A
答案: 【
备案号:冀ICP备20010840号 2020-2099辉辉网络科技 All Rights Reserved