

1、判断题:
基尔霍夫电流定律成立的物理原理是电流的连续性原理。
选项:
A: 正确
B: 错误
答案: 【 正确】
2、判断题:
对含有n个结点的电路,可以列出n个结点上的基尔霍夫电流定律方程,这些方程是彼此独立的。
选项:
A: 正确
B: 错误
答案: 【 错误】
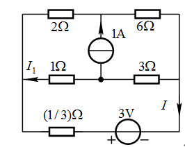
3、填空题:
下图中电阻上的电流大小为 A。

答案: 【 10】
1、判断题:
基尔霍夫电压定律成立的物理原理是电场力做功与路径无关。
选项:
A: 正确
B: 错误
答案: 【 正确】
2、判断题:
基尔霍夫定律源于电磁学普遍规律,是电磁学普遍规律在电路模型中的特殊表现。将基尔霍夫定律应用与电路模型时,它们的表现形式与电路元件的性质无关,与电压和电流的变化规律无关,只与支路和结点的连接关系有关。
选项:
A: 正确
B: 错误
答案: 【 正确】
3、填空题:
怎样理解基尔霍夫定律的普遍适用性?
答案: 【 答:基尔霍夫定律源于电磁学普遍规律,是电磁学普遍规律在电路模型中的特殊表现。将基尔霍夫定律应用与电路模型时,它们的表现形式与电路元件的性质无关,与电压和电流的变化规律无关,只与支路和结点的连接关系有关。因此,基尔霍夫定律在电路模型中是普遍适用的。】
4、填空题:
基尔霍夫电压定律成立的物理原理是什么?
答案: 【 电场力做功与路径无关】
1、判断题:
叠加定理只能用于线性电路。
选项:
A: 正确
B: 错误
答案: 【 正确】
2、判断题:
计算元件功率不能使用叠加定理。
选项:
A: 正确
B: 错误
答案: 【 正确】
3、判断题:
在应用叠加定理时,不作用的电压源和电流源都用短路代替。
选项:
A: 正确
B: 错误
答案: 【 错误】
4、填空题:
电路如下图,用叠加定理计算电流I= A。

答案: 【 -0.75】
5、填空题:
电路如下图,用叠加定理计算电压U= V。

答案: 【 9】
1、判断题:
利用叠加定理分析问题,当某一电源单独作用时,将其他电源置零,即将其他电压源用短路代替,将其他电流源用开路代替。
选项:
A: 正确
B: 错误
答案: 【 正确】
2、填空题:
利用叠加定理,计算1欧姆电阻消耗的功率为 W.

答案: 【 2.007】
3、填空题:
说明用叠加定理分析问题的一般步骤。
答案: 【 答:(1)让所有电源都一一单独作用。某一电源单独作用时,将其他电源置零(即将其他电压源用短路代替,将其他电流源用开路代替),计算此时电路中相应支路的电压(电流)值。(2)将每个电源单独作用时相应支路的电压(电流)值代数相加,便得到所有电源共同作用时的电压(电流)值】
1、单选题:
图中电路,当电阻R增大时,下列变化正确的是( )。

选项:
A: 开路电压减小,等效电阻减小
B: 开路电压减小,等效电阻增加
C: 开路电压增加,等效电阻增加
D: 开路电压增加,等效电阻减小
答案: 【 开路电压增加,等效电阻增加】
2、单选题:
一个有源二端网络的等效电阻越大,说明它的特性是( )。
选项:
A: 越接近电流源
B: 越接近电压源
C: 不能确定接近什么
D: 接近短路线
答案: 【 越接近电流源】
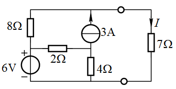
3、填空题:
利用戴维宁定理计算下图所示电路的电流 I = A。

答案: 【 2】
4、填空题:
下图所示电路的开路电压为 V。

答案: 【 40】
5、填空题:
下图所示电路的戴维宁等效电路中的等效电阻为 欧姆。

答案: 【 6】
6、填空题:
什么条件下有源二端网络可以等效成理想电压源?
答案: 【 答:当有源二端网络的等效电阻为零时,可以等效成理想电压源。】
1、单选题:
图示电路,当负载电阻RL在5欧姆基础上增加时,它消耗功率的变化规律是( )。

选项:
A: 增加
B: 减小
C: 先增加后减小
D: 先减小后增加
答案: 【 先增加后减小】
2、单选题:
一个有源二端网络的等效电阻越大,说明它的特性是( )。
选项:
A: 越接近电流源
B: 越接近电压源
C: 不能确定
D: 越接近电阻
答案: 【 越接近电流源】
3、单选题:
电路如下图所示。用戴维宁定理求电阻R等于2欧姆时电压U的值为( )V。

选项:
A: 5
B: 6
C: 7
D: 8
答案: 【 6】
1、填空题:
RL可变,求RL可以消耗的最大功率为 W。

答案: 【 48】
2、填空题:
下图电路中,RL左侧一端口电路的开路电压为 V。

答案: 【 24】
3、填空题:
当R=16欧姆时,下图所示电路中ab端口的开路电压为 V。

答案: 【 14】
1、判断题:
支路电流法在列写KVL方程时,对回路的方向的选择必须都是顺时针。
选项:
A: 正确
B: 错误
答案: 【 错误】
2、判断题:

支路方程为:

选项:
A: 正确
B: 错误
答案: 【 正确】
3、填空题:
列写支路电流方程的基本依据是基尔霍夫电流定律、 、元件电压与电流关系。
答案: 【 基尔霍夫电压定律】
4、填空题:
用支路电流法求下图所示电路的电流I为 A.

答案: 【 0.717】
5、填空题:
在支路电流法中是怎样使用欧姆定律的?
答案: 【 在列写KVL方程时,通过欧姆定律,用支路电流来表示电阻电压,从而在KVL方程中只出现支路电流。】
6、填空题:
为什么只对n-1个结点列写KCL方程,而不是对全部结点列写KCL方程?
答案: 【 答:对任意n-1个结点列写的KCL方程是一组独立的KCL方程,若对全部n个结点列写KCL方程,则所有KCL方程不是独立的,其中任一方程都可用其他方程来表示。】
1、填空题:
电源中的局外力将单位正电荷从电源的 移动到电源的 ,电源通过局外力所转换来的电能,称为电源的电动势。
答案: 【 负极,正极】
2、填空题:
电动势的单位为 。
答案: 【 伏特】
3、填空题:
在电路中指定一个参考点,把单位正电荷从一点移动到参考点,电场力所做的功大小等于该点相对参考点的 。
答案: 【 电位】
4、填空题:
在什么条件下可以使用电位的概念?
答案: 【 在只有库仑电场的情况下可以使用电位的概念。】
1、填空题:
单位时间内所转换的电能,称为 。
答案: 【 功率】
2、填空题:
在时间t内转换的电功率称为 。
答案: 【 电能】
3、填空题:
工程上,电能计量单位为千瓦时,1千瓦时即1度电,与J的换算关系为 kWh=3600000J。
答案: 【 1】
1、判断题:
电压源提供确定的电压,与流过电流的大小和方向无关。
选项:
A: 正确
B: 错误
答案: 【 正确】
2、判断题:
电流源与电阻并联之后,向外提供的电流不再是确定值,输出电流要随着输出电压的增加而增加。
选项:
A: 正确
B: 错误
答案: 【 错误】
3、填空题:
电流源的电流为零时,它相当于 。
答案: 【 开路】
4、填空题:
电流源与电压源串联后,它们的对外作用相当于 。
答案: 【 电流源】
5、填空题:
图中电压源消耗的功率为 W。

答案: 【 30】
6、填空题:
电流源与电压源并联后,它们的对外作用相当于 .
答案: 【 电压源】
1、填空题:
电荷对时间的变化率称为 。
答案: 【 电流】
2、填空题:
电场力将单位正电荷从电路的某一点移至参考点时所消耗的电能,称为该点的 。
答案: 【 电位】
3、填空题:
电场力将单位正电荷从电路的某一点移至另一点时所消耗的电能,称为这两点间的 。
答案: 【 电压】
1、判断题:
参考方向可以任意设定。
选项:
A: 正确
B: 错误
答案: 【 正确】
2、填空题:
若某一支路的电压参考方向和电流参考方向一致,则称之为 参考方向。
答案: 【 关联】
1、填空题:
电路的作用大致有两种:实现 的输送和转换;实现 的传递和处理
答案: 【 能量,信号】
2、填空题:
组成电路的元器件及其连接方式虽然多种多样,但都包含有 、 和 等三个基本组成部分。
答案: 【 电源,负载,连接导线】
1、填空题:
当某一部分电路与电源断开,该部分没有电流,也没有能量的传送与转换,这部分电路的状态为 。
答案: 【 开路】
2、填空题:
当某一部分电路的两端用导线或开关连接起来,使得该部分电路中的电流全部被导线或者开关旁路,这部分电路的状态称为 。
答案: 【 短路】
1、填空题:
电压与电流成正比例关系,比例系数称为元件的 。
答案: 【 电阻】
2、填空题:
电阻的国际单位是 。
答案: 【 欧姆】
3、填空题:
电阻上的电压3V,流过电阻的电流1A,那么该电阻消耗的功率为 W。
答案: 【 3】
1、填空题:
已知u=100
sin (314t-60°)V,i=5
sin (314t+20°)A,则u和i的有效值分别是 、 ,u对i的相位差是 。(2
备案号:冀ICP备20010840号 2020-2099辉辉网络科技 All Rights Reserved