

1、单选题:
555集成定时器芯片的引脚数量为
选项:
A: 8
B: 14
C: 16
D: 18
答案: 【 8】
2、单选题:
实验中555芯片需要的直流稳压电源为
选项:
A: +12V
B: +5V
C: ±5V
D: ±12V
答案: 【 +5V】
3、单选题:
555定时器的引脚1为?
选项:
A: 接地端
B: 输出端
C: 低电平触发端
D: 清零端
答案: 【 接地端】
4、单选题:
555定时器的引脚3为?
选项:
A: 接地端
B: 输出端
C: 电压控制端
D: 放电端DIS
答案: 【 输出端】
5、单选题:
555定时器的引脚5为?
选项:
A: 接地端
B: 输出端
C: 电压控制端
D: 放电端DIS
答案: 【 电压控制端】
6、单选题:
555定时器的引脚8为?
选项:
A: 接地端
B: 电压控制端
C: 输出端
D: 电源端
答案: 【 电源端】
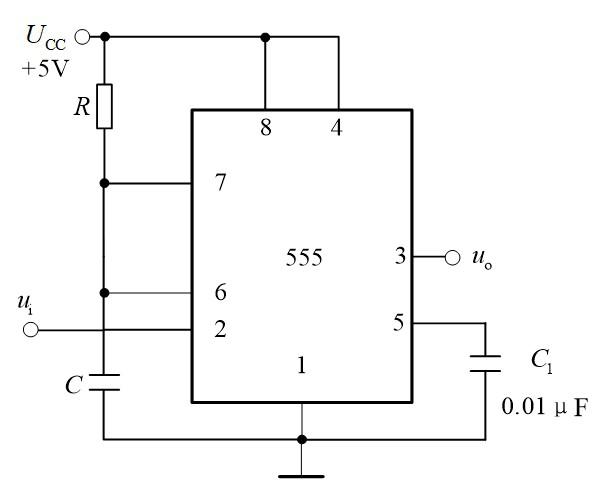
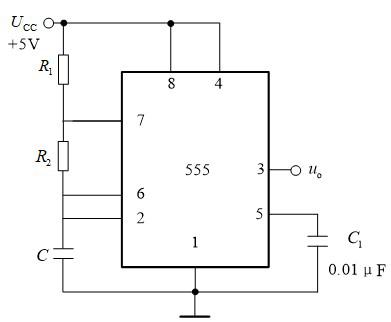
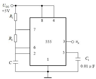
7、单选题:
图示所示电路实现的功能是?

选项:
A: 单稳态电路
B: 多谐振荡器
C: 施密特触发器
D: 压控振荡电路
答案: 【 单稳态电路】
8、单选题:
图示电路的暂稳态时间应为?

选项:
A: tw
1.1RC
B: tw
2.1RC
C: tw
3RC
D: tw
3.1RC
答案: 【 tw
1.1RC】
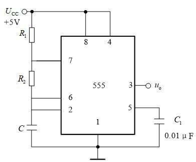
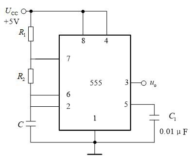
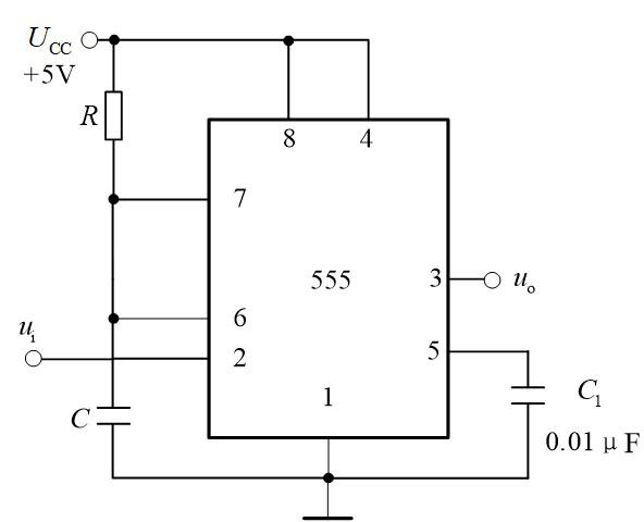
9、单选题:
图示电路实现的是什么功能?

选项:
A: 单稳态电路
B: 多谐振荡器
C: 压控振荡器
D: 施密特触发器
答案: 【 多谐振荡器】
10、单选题:
对于图示所示的电路,如果增大电阻R1,则输出波形

选项:
A: 周期增大,占空比增大
B: 周期减小,占空比增大
C: 周期增大,占空比减小
D: 周期减小,占空比减小
答案: 【 周期增大,占空比增大】
11、单选题:
图示电路中,如果增大电容C,则输出波形的

选项:
A: 周期增大,占空比增大
B: 周期增大,占空比不变
C: 周期减小,占空比减小
D: 周期减小,占空比不变
答案: 【 周期增大,占空比不变】
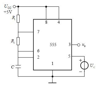
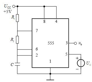
12、单选题:
图示所示电路实现什么功能?

选项:
A: 单稳态电路
B: 多谐振荡器
C: 压控振荡器
D: 施密特触发器
答案: 【 压控振荡器】
13、单选题:
多谐振荡器中引脚2和引脚6外接的电容电压最大值和最小值分别为
选项:
A: +Ucc和0
B: +2/3Ucc和+1/3Ucc
C: ±1/3Ucc
D: 1/3Ucc和0
答案: 【 +2/3Ucc和+1/3Ucc】
14、单选题:
单稳态触发器的暂稳时间tw与输入信号的关系应为
选项:
A: tw 小于输入信号的周期
B: tw 小于输入信号的低电平时间
C: tw 小于输入信号的高电平时间
D: tw 大于输入信号的低电平时间
答案: 【 tw 大于输入信号的低电平时间】
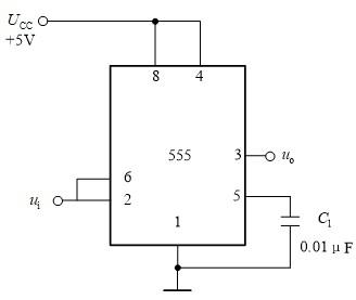
15、单选题:
图示所示的电路实现什么功能?

选项:
A: 单稳态电路
B: 多谐振荡器
C: 压控振荡器
D: 施密特触发器
答案: 【 施密特触发器】
16、单选题:
图示所示电路,电压控制端引脚5不外加控制电压,此时高低电平的触发电压应为

选项:
A: 都是2Ucc/3
B: 分别是2Ucc/3和Ucc/3
C: 都是Ucc/3
D: 分别是Ucc和Ucc/3
答案: 【 分别是2Ucc/3和Ucc/3】
17、单选题:
对于图示所示的电路,如果减小电容C,则输出波形?

选项:
A: 周期增大,占空比增大
B: 周期增大,占空比不变
C: 周期减小,占空比不变
D: 周期减小,占空比减小
答案: 【 周期减小,占空比不变】
18、多选题:
对于555集成定时器,以下说法正确的有?
选项:
A: 555定时器芯片一共有8个引脚;
B: 实验中555定时器的供电电压为+5V;
C: 555定时器的引脚1为接地端
D: 555定时器的引脚3为输出端
E: 555定时器的引脚4为电源端
答案: 【 555定时器芯片一共有8个引脚;;
实验中555定时器的供电电压为+5V;;
555定时器的引脚1为接地端;
555定时器的引脚3为输出端】
19、多选题:
图示所示电路的振荡周期由那几个参数决定?(多选题)

选项:
A: 电阻R1
B: 电阻R2
C: 电容C
D: 电容C1
E: 电源Ucc
答案: 【 电阻R1;
电阻R2;
电容C】
20、判断题:
图示电路的暂稳态时间由电阻R和电容C1决定。

选项:
A: 正确
B: 错误
答案: 【 错误】
21、判断题:
对于图示所示的电路,改变控制端电压Uc就可以改变输出信号的周期和频率

选项:
A: 正确
B: 错误
答案: 【 正确】
22、填空题:
555定时器芯片共有()个引脚。注意:请填写数字
答案: 【 8】
1、单选题:
本次电路实验使用的芯片的供电电压Vcc应为
选项:
A: ±12V
B: ±5V
C: +5V
D: -5V
答案: 【 +5V】
2、单选题:
一片74LS161芯片有几个引脚
选项:
A: 6脚
B: 8脚
C: 14脚
D: 16脚
答案: 【 16脚】
3、单选题:
中规模集成计数器74LS161的Vcc是第几引脚
选项:
A: 1脚
B: 8脚
C: 14脚
D: 16脚
答案: 【 16脚】
4、单选题:
74LS161的异步复位端为
选项:
A: 第9引脚
B: 第1引脚
C: 第7引脚EP
D: 第10引脚ET
答案: 【 第1引脚
】
5、单选题:
驱动74LS161的时钟动作沿是
选项:
A: 时钟上升沿
B: 时钟下降沿
C: 上升和下降沿都有效
D: 上升沿和下降沿随机
答案: 【 时钟上升沿】
6、单选题:
74LS161的计数功能选择控制端为
选项:
A: 第9引脚
B: 第1引脚
C: 第7引脚EP和第10引脚ET
D: 第15脚RCO
答案: 【 第7引脚EP和第10引脚ET】
7、单选题:
对于74LS161,当计数功能选择控制端为 ,计数器处于计数状态
选项:
A: EP=1;ET=0
B: EP=1;ET=1
C: EP=0;ET=1
D: EP=0;ET=0
答案: 【 EP=1;ET=1】
8、单选题:
对于74LS161,以下几个引脚优先级最高的是
选项:
A:
备案号:冀ICP备20010840号 2020-2099辉辉网络科技 All Rights Reserved