

1、填空题:
在本征半导体中掺入微量的杂质(某种元素),形成 。
答案: 【 杂质半导体】
2、填空题:
半导体按导电类型分为 型半导体与 型半导体。
答案: 【 N P##%_YZPRLFH_%##P N##%_YZPRLFH_%##N,P##%_YZPRLFH_%##P,N】
3、填空题:
在 P 型半导体中 是多数载流子, 是少数载流子。
答案: 【 空穴 自由电子##%_YZPRLFH_%##空穴,自由电子】
4、填空题:
在N 型半导体中 是多数载流子, 是少数载流子。
答案: 【 自由电子 空穴##%_YZPRLFH_%##自由电子,空穴】
5、填空题:
N型半导体主要靠 导电,P型半导体主要靠 导电。
答案: 【 自由电子 空穴##%_YZPRLFH_%##自由电子,空穴】
1、填空题:
PN结具有 性能,即加正向电压时,PN结 ,加反向电压时,PN结 。
答案: 【 单向导电 导通 截止##%_YZPRLFH_%##单向导电,导通,截止】
2、填空题:
PN结的正向接法是P型区接电源的 极,N型区接电源的 极。
答案: 【 正 负##%_YZPRLFH_%##正,负】
3、填空题:
PN 结加正向电压时,其正向电阻 ,正向电流 ,PN结处于 状态。
答案: 【 较小 较大 导通##%_YZPRLFH_%##较小,较大,导通】
4、填空题:
PN 结加反向电压时,其反向电阻 ,反向电流 ,PN结处于 状态。
答案: 【 较大 较小 截止##%_YZPRLFH_%##很大 很小 截止##%_YZPRLFH_%##较大,较小,截止##%_YZPRLFH_%##很大,很小,截止】
1、单选题:
二极管接在电路中,若测得a、b 两端电位如图所示,则二极管工作状态为( )。

选项:
A: 截止
B: 导通
C: 击穿
D: 不确定
答案: 【 导通】
2、单选题:
电路如图所示,二极管D为理想元件,US = 5V,则电压uO =( )。

选项:
A: 5V
B: US/2
C: 0V
D: 不确定
答案: 【 5V】
3、单选题:
电路如图所示,二极管为同一型号的理想元件,电阻R=4kW,电位uA=1V,uB=3V,则电位UF等于( )。

选项:
A: 1V
B: 3V
C: 12V
D: -3V
答案: 【 1V】
4、单选题:
电路如图所示,输入信号ui = 6sint V时,二极管D承受的最高反向电压为( )。

选项:
A: 6V
B: 3V
C: 9V
D: 0V
答案: 【 3V 】
5、填空题:
二极管的伏安特性可简单理解为 导通, 截止的特性。
答案: 【 正向 反向##%_YZPRLFH_%##正向, 反向】
1、单选题:
电路如图所示, 二极管D为理想元件,当输入信号 ui=12sinwtV时,输出电压的最大值为( )。

选项:
A: 12 V
B: – 6 V
C: 0 V
D: 6 V
答案: 【 6 V】
2、单选题:
电路如图所示,二极管D1、D2为理想元件,则在电路中( )。

选项:
A: D1起箝位作用,D2起隔离作用
B: D1起隔离作用,D2起箝位作用
C: D1、D2均起箝位作用
D: D1、D2均起隔离作用
答案: 【 D1起隔离作用,D2起箝位作用】
3、单选题:
电路如图所示,二极管D为理想元件,输入信号ui为如图所示的三角波,则输出电压uO的最大值为( )。

选项:
A: 5V
B: 10V
C: 2V
D: 7V
答案: 【 7V】
4、单选题:
工作在放大状态的晶体管,各极的电位应满足( )。
选项:
A: 发射结正偏,集电结反偏
B: 发射结反偏,集电结正偏
C: 发射结、集电结均反偏
D: 发射结、集电结均正偏
答案: 【 发射结正偏,集电结反偏】
5、单选题:
某晶体管处于放大状态,测得其三个极的电位分别为3.7V、9V 和 3V,则3.7V 所对应的电极为( )。
选项:
A: 发射极
B: 集电极
C: 基极
D: 不确定
答案: 【 基极】
6、单选题:
电路如图所示,稳压管的稳定电压UZ = 6 V,电源US = 4 V,则负载RL两端电压UO为( )。(稳压管承受正向电压时其管压降可视为0V)

选项:
A: 10V
B: 6V
C: -4V
D: 0V
答案: 【 -4V 】
7、单选题:
电路如图所示,二极管D1,D2 均为理想元件,则电压 UO =( )。

选项:
A: 6V
B: 0V
C: -12V
D: 12V
答案: 【 0V】
8、单选题:
电路如图所示,UCC=12V,晶体管T的电流放大系数 β=50,RB = 300 kΩ,RC= 3 kΩ,晶体管T处于( )。

选项:
A: 放大状态
B: 截止状态
C: 饱和状态
D: 开关状态
答案: 【 放大状态】
1、单选题:
PNP型和NPN型晶体管,其发射区和集电区均为同类型半导体(N型或P型)。所以在实际使用中发射极与集电极( )。
选项:
A: 可以调换使用
B: 不可以调换使用
C: PNP型可以调换使用,NPN型则不可以调换使用
D: 不确定
答案: 【 不可以调换使用】
2、单选题:
工作在放大状态的晶体管,各极的电位应满足( )。
选项:
A: 发射结正偏,集电结反偏
B: 发射结反偏,集电结正偏
C: 发射结、集电结均反偏
D: 发射结、集电结均正偏
答案: 【 发射结正偏,集电结反偏】
3、单选题:
晶体管处于饱和状态时,集电结和发射结的偏置情况为( )。
选项:
A: 发射结反偏,集电结正偏
B: 发射结、集电结均反偏
C: 发射结、集电结均正偏
D: 发射结正偏,集电结反偏
答案: 【 发射结、集电结均正偏】
4、单选题:
电路如图所示,晶体管处于( )。

选项:
A: 饱和状态
B: 放大状态
C: 截止状态
D: 不确定
答案: 【 饱和状态】
5、单选题:
已知某晶体管处于放大状态,测得其三个极的电位分别为 2V、2.7V 和 6V,则2.7V 所对应的电极为( )。
选项:
A: 发射极
B: 基极
C: 集电极
D: 不确定
答案: 【 基极】
1、填空题:
半导体的导电能力介乎于 和 之间。
答案: 【 导体绝缘体##%_YZPRLFH_%##绝缘体导体##%_YZPRLFH_%##导体, 绝缘体##%_YZPRLFH_%##绝缘体,导体】
2、填空题:
共价键中的两个电子,被称为 。
答案: 【 价电子】
3、填空题:
当半导体两端外加电压时,半导体中将出现两部分电流:一是自由电子作定向运动所形成的 电流;一是仍被原子核束缚的价电子递补空穴所形成的 电流。
答案: 【 电子空穴##%_YZPRLFH_%##电子,空穴】
1、单选题:
衡量稳压二极管稳压性能好坏最主要的是一个参数是( )。
选项:
A: 动态电阻rZ
B: 电压温度系数αu
C: 稳定电压UZ
D: 稳定电流IZ
答案: 【 动态电阻rZ】
2、单选题:
稳压管反向击穿后,其结果为( )。
选项:
A: 永久性损坏
B: 只要流过稳压管电流不超过规定值允许范围,管子无损
C: 由于击穿而导致性能下降
D: 由于击穿而导致短路
答案: 【 只要流过稳压管电流不超过规定值允许范围,管子无损】
3、单选题:
温度稳定性最好的稳压管是( )。
选项:
A: 具有正温度系数的管子
B: 具有负温度系数的管子
C: 温度稳定系数大的管子
D: 温度稳定系数小的管子
答案: 【 温度稳定系数小的管子】
4、单选题:
电路如图所示,稳压管的稳定电压UZ = 6V,电源US = 4V,则负载RL两端电压UO为( )。(稳压管正向压降视为0V)

选项:
A: 10V
B: 6V
C: 0V
D: -4V
答案: 【 -4V】
1、判断题:
TTL与非门电路具有0、1二种输出状态,其逻辑功能可归纳为有0出1,全1出0。
选项:
A: 正确
B: 错误
答案: 【 正确】
2、判断题:
三态输出与非门具有0、1和高阻三种输出状态。
选项:
A: 正确
B: 错误
答案: 【 正确】
3、判断题:
TTL门电路的电源电压通常为5V,CMOS门为5至18V。
选项:
A: 正确
B: 错误
答案: 【 正确】
1、单选题:
半加器逻辑符号如图所示,当A=“1”,B=“1”时,C 和 S 分别为( )。

选项:
A: C=0 S=0
B: C=0 S=1
C: C=1 S=0
D: C=1 S=1
答案: 【 C=1 S=0】
2、判断题:
能实现二进制加法运算的逻辑电路称为加法器。
选项:
A: 正确
B: 错误
答案: 【 正确】
3、判断题:
半加器是一种不考虑低位来的进位数,只能对本位上的两个二进制数求和的组合电路。
选项:
A: 正确
B: 错误
答案: 【 正确】
4、判断题:
全加器是一种将低位来的进位数连同本位的两个二进制数三者一起求和的组合电路。
选项:
A: 正确
B: 错误
答案: 【 正确】
5、判断题:
把 n 个全加器串联起来,低位全加器的进位输出,连接到相邻的高位全加器的进位输入,便构成了n 位串行进位加法器。
选项:
A: 正确
B: 错误
答案: 【 正确】
1、单选题:
逻辑电路如图所示,当输入A = 1,输入B为方波时,则输出F应为 ( (c) ) 。

选项:
A: “1”
B: “0”
C: 方波
D: 正弦波
答案: 【 方波】
2、单选题:
逻辑符号如图所示,表示“或”门的逻辑电路是( ) 。

选项:
A: (a)
B: (b)
C: (c)
D: (d)
答案: 【 (c)】
3、单选题:
逻辑图和输入 A、B的波形如图所示,试分析在 t 1 瞬间输出 F 为 ( )。

选项:
A: “1”
B: “0”
C: 不定
D: t1
答案: 【 “0”】
4、判断题:
在数字电路中,高电平和低电平指的是一定的电压范围,而不是一个固定不变的数值。
选项:
A: 正确
B: 错误
答案: 【 正确】
5、判断题:
数字电路中晶体管大多工作于开关状态。
选项:
A: 正确
B: 错误
答案: 【 正确】
6、判断题:
在数字电路的正逻辑中,高电平为“1”,低电平为“0”。
选项:
A: 正确
B: 错误
答案: 【 正确】
7、判断题:
下表为与非门的逻辑状态表。

选项:
A: 正确
B: 错误
答案: 【 正确】
1、判断题:
从一组输入数据选出其中需要的一个数据作为输出的过程叫做数据选择,具有数据选择功能的电路称为数据选择器。
选项:
A: 正确
B: 错误
答案: 【 正确】
2、判断题:
数据选择器简称MUX,又称多路选择器或翻译器。
选项:
A: 正确
B: 错误
答案: 【 错误】
3、判断题:
数据选择器功能是在选择输入信号作用下从多个数据输入通道中选择的数据送至输出端,也就是说它是一种多路输入,单路输出的逻辑部件
选项:
A: 正确
B: 错误
答案: 【 正确】
1、单选题:
图示逻辑电路的逻辑表达式为 ( )。

选项:
A: 
B: 
C: 
D: 
答案: 【
】
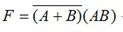
2、单选题:
逻辑电路如图所示,其逻辑功能相当于一个( )。

选项:
A: 与非门
B: 异或门
C: 与或非门
D: 或非门
答案: 【 与或非门 】
3、单选题:
逻辑图和输入 A,B的波形如图所示,分析当输出 F 为 “1” 的时刻应是( )。

选项:
A: t1
B: t2
C: t3
D: 0
答案: 【 t3 】
4、单选题:
已知一门电路的输入和对应的输出波形如图所示。分析可知它是( )电路。

选项:
A: 或门
B: 与门
C: 与非门
D: 非门
答案: 【 或门】
5、单选题:
已知一门电路的输入和对应的输出波形如图所示,分析可知它是( )电路。

选项:
A: 与非门
B: 或非门
C: 异或门
D: 同或门
答案: 【 异或门】
1、单选题:
编码器的逻辑功能是( ) 。
选项:
A: 把某种二进制代码转换成某种输出状态
B: 将某种状态转换成相应的二进制代码
C: 把二进制数转换成十进制数
D: 把十进制数转换成二进制数
答案: 【 将某种状态转换成相应的二进制代码】
2、单选题:
关于二—十进制编码器说法不正确的是( )。
选项:
A: 能实现输入0~9这10个数字时,输出是一组4位二进制代码的电路称为二—十进制编码器
B: 二—十进制编码器每次只允许一个输入端有信号
C: 二—十进制编码器也称10线—4线编码器
D: 普通二—十进制编码器可以同时允许多个信号同时提出编码请求
答案: 【 普通二—十进制编码器可以同时允许多个信号同时提出编码请求】
3、单选题:
关于优先编码器说法正确的是( )。
选项:
A: 优先编码器允许同时在多个输入端有信号,编码器对所有的输入信号按优先顺序排队,只对优先权高的信号进行编码
B: 优先编码器只允许任意时刻一个输入信号出现,如果同时有输入端有多个信号 ,会出现错误
C: 优先编码器只对输入信号中的低电平进行编码
D: 优先编码器只对输入信号中的高电平进行编码
答案: 【 优先编码器允许同时在多个输入端有信号,编码器对所有的输入信号按优先顺序排队,只对优先权高的信号进行编码】
4、判断题:
二进制编码是将某种信号编写成二进制代码的电路。
选项:
A: 正确
B: 错误
答案: 【 正确】
5、判断题:
二-十进制编码是将十进制的十个数码编写成二进制代码的电路。
选项:
A: 正确
B: 错误
答案: 【 正确】
1、单选题:
译码器的逻辑功能是 ( )。
选项:
A: 把某种二进制代码转换成某种输出状态
B: 把某种状态转换成相应的二进制代码
C: 把十进制数转换成二进制数
D: 把二进制数转换成十进制数
答案: 【 把某种二进制代码转换成某种输出状态】
2、单选题:
把代码的特定含义“翻译”出来,即将输入代码的状态翻译成相应的输出信号,以表示其原意,称为( )。
选项:
A: 编码
B: 译码
C: 转换
D: 选择
答案: 【 译码】
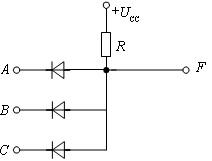
3、单选题:
一个8421BCD码为1001,则其对应的十进制数为( )。
选项:
A: 9
B: 8
C: 5
D: 10
答案: 【 9】
4、单选题:
十进制数 6 的 8421 BCD 码为( )。
选项:
A: 1000
B: 0111
C: 0110
D: 0101
答案: 【 0110】
5、单选题:
LED数码管可以分为共阳和共阴两种,共阳 LED是将各发光二极管阳极连在一起,接( )电平。
选项:
A: 低
B: 高
C: 0
D: 不确定
答案: 【 高】
1、判断题:
逻辑变量有原变量和反变量两类,普通代数中无反变量。
选项:
A: 正确
B: 错误
答案: 【 正确】
2、判断题:
逻辑变量的取值只有“0”和“1”,而普通代数中变量可取任意值。
选项:
A: 正确
B: 错误
答案: 【 正确】
3、填空题:
逻辑代数中的变量称为 ,其取值只有 和 。
答案: 【 逻辑变量 1 0】
1、单选题:
数字电路中晶体管大多工作于( )。
选项:
A: 放大状态
B: 开关状态
C: 击穿状态
D: 短路状态
答案: 【 开关状态】
2、单选题:
在正逻辑条件下,如图所示逻辑电路为 ( ) 。

选项:
A: “与非”门
B: “与”门
C: “或”门
D: “或非”门
答案: 【 “与”门】
3、单选题:

选项:
A: 
B: 
C: 
D: 不确定
答案: 【
】
4、单选题:
. 逻辑图和输入 A、B 的波形如图所示,试分析 t1 瞬间输出 F 为 ( )。

选项:
A: “1”
B: “0”
C: 不定
D: A
答案: 【 “0” 】
5、单选题:
图示逻辑电路的逻辑式为 ( )。

选项:
A: 
B: 
C: 
D: 不确定
答案: 【
】
6、单选题:
已知一门电路的输入和对应的输出波形如图所示,分析可知它是( )电路。

选项:
A: 与非门
B: 或非门
C: 异或门
D: 同或门
答案: 【 异或门】
7、单选题:
编码器的逻辑功能是( )。
选项:
A: 把某种二进制代码转换成某种输出状态
B: 将某种状态转换成相应的二进制代码
C: 把二进制数转换成十进制数
D: 不确定
答案: 【 将某种状态转换成相应的二进制代码】
8、单选题:
译码器的逻辑功能是( )。
选项:
A: 把某种二进制代码转换成某种输出状态
B: 把十进制数转换成二进制数
C: 把某种状态转换成相应的二进制代码
D: 不确定
答案: 【 把某种二进制代码转换成某种输出状态】
1、单选题:
电路如图所示,该电路为 ( )。

选项:
A: 加法运算电路
B: 减法运算电路
C: 比例运算电路
D: 比例运算电路
答案: 【 减法运算电路 】
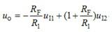
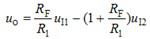
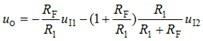
2、单选题:
减法运算电路如图所示,其输出电压的表达式为( )。

选项:
A: 
B: 
C: 
D: 
答案: 【
】
3、单选题:
电路如图所示,欲满足 uO = ui2 – ui1的运算关系,则 R 1,R 2,R3,R4的阻值必须满足(  
备案号:冀ICP备20010840号 2020-2099辉辉网络科技 All Rights Reserved