

1、单选题:
有关场效应管,以下说法错误的是( )
选项:
A: 场效应管主要靠导电沟道中的多数载流子实现导电
B: 在恒流区,漏极电流基本不受漏源极电压的控制
C: 在恒流区,场效应管的漏极电流和栅源极电压之间是平方率关系
D: 发生预夹断后,场效应管的漏极电流因为沟道被部分夹断而会减小
答案: 【 发生预夹断后,场效应管的漏极电流因为沟道被部分夹断而会减小】
1、判断题:
P–N结正偏时, 内外电场迭加时, 使势垒降低, 扩散运动占优势, 形成了较大的正向电流。
选项:
A: 正确
B: 错误
答案: 【 正确】
2、判断题:
P–N结反偏时, 空间电荷区变厚变宽, 故势垒电容变大。
选项:
A: 正确
B: 错误
答案: 【 错误】
1、判断题:
N型半导体的自由电子比空穴多,故N型半导体带负电,P型半导体的空穴比自由电子多,故P型半导体带正电。
选项:
A: 正确
B: 错误
答案: 【 错误】
2、判断题:
载流子浓度越大, 漂移电流与扩散电流也越大。
选项:
A: 正确
B: 错误
答案: 【 错误】
1、判断题:
降低工作点电流和提高β值可以增大管子的输入电阻rbe 。
选项:
A: 正确
B: 错误
答案: 【 正确】
2、判断题:
rce 和 rds 分别表示晶体管和场效应管的输出电阻,他们的计算公式均为 厄尔利电压UA/工作点电流ICQ(IDQ)。
选项:
A: 正确
B: 错误
答案: 【 正确】
1、判断题:
晶体管结构特点是:发射区重掺杂, 基区轻掺杂且很薄, 集电区面积大。
选项:
A: 正确
B: 错误
答案: 【 正确】
2、判断题:

选项:
A: 正确
B: 错误
答案: 【 正确】
1、判断题:
测得三极管三个电极的电压如图所示, 则判断该管属硅NPN管,
且工作在放大区, 其中U1对应的是发射极e, U2对应的是集电极c,
U3对应的是基极b。

选项:
A: 正确
B: 错误
答案: 【 正确】
1、判断题:
晶体三极管放大区的条件是e结正偏、c结反偏,特点是iB对iC的控制能力强, 随着iB增大, 曲线基本平行上升, 其间隔大小表示β值大小。uCE变化对iC影响不大,具有基本的恒流特性。
选项:
A: 正确
B: 错误
答案: 【 正确】
2、判断题:
晶体三极管饱和区的条件是e结正偏、c结正偏,特点是iB对iC的控制能力很弱, β值很小, 甚至趋向于零。
选项:
A: 正确
B: 错误
答案: 【 正确】
1、单选题:

选项:
A: N沟道JFET
B: P沟道JFET
C: N沟道增强型MOSFET
D: P沟道耗尽型MOSFET
答案: 【 N沟道增强型MOSFET】
1、单选题:
N 型半导体是在本征半导体内掺入
选项:
A: 三价元素, 如硼等
B: 四价元素, 如锗等
C: 五价元素, 如磷等
D: 二价元素
答案: 【 五价元素, 如磷等 】
2、单选题:
双极型晶体三极管工作在放大区的条件是
选项:
A: e结正偏, c结正偏
B: e结反偏, c结正偏
C: e结正偏, c结反偏
D: e结反偏, c结反偏
答案: 【 e结正偏, c结反偏】
3、单选题:
测得工作在放大区的双极型晶体三极管各极电压如图所示,则该管的类型以
及各管脚为

选项:
A: 锗管, U1对应为基极b, U2对应为发射极e, U3对应为集电极c
B: 锗管, U3对应为基极b, U2对应为发射极e, U1对应为集电极c
C: 硅管, U3对应为基极b, U1对应为发射极e, U2对应为集电极c
D: 硅管, U1对应为基极b, U2对应为发射极e, U3对应为集电极c
答案: 【 硅管, U3对应为基极b, U1对应为发射极e, U2对应为集电极c】
4、单选题:
测得工作在放大区的双极型晶体三极管各极电流如图所示,则该管的类型、各管脚电流以及β值为

选项:
A:
NPN管

B: PNP管
C: PNP管
D: NPN管
答案: 【
NPN管
】
5、单选题:
某管特性曲线如下图所示, 则该为

选项:
A: P沟道增强型MOS场效应管
B: N沟道结型场效应管
C: N沟道耗尽型MOS场效应管
D: N沟道增强型MOS场效应管
答案: 【 N沟道增强型MOS场效应管】
6、判断题:
N 型半导体多数载流子是自由电子, P型半导体多数载流子是空穴
选项:
A: 正确
B: 错误
答案: 【 正确】
7、判断题:
漂移电流与电场强度成正比
选项:
A: 正确
B: 错误
答案: 【 正确】
8、判断题:
扩散电流与载流子浓度梯度成正比
选项:
A: 正确
B: 错误
答案: 【 正确】
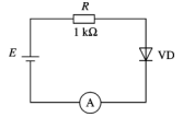
9、判断题:
二极管电路如下图,当E=4V, 电流表指示I=3.35mA, 则可判断该二极管为硅管

选项:
A: 正确
B: 错误
答案: 【 正确】
10、判断题:
本征半导体温度升高后自由电子和空穴浓度增大, 但二者仍然相等
选项:
A: 正确
B: 错误
答案: 【 正确】
11、判断题:
施主电离产生等量的自由电子和正离子, 受主电离产生等量的空穴和负离子
选项:
A: 正确
B: 错误
答案: 【 正确】
12、判断题:
二极管特性符合指数特性, 并存在一定的死区电压.硅约为0.5-0.7V, 锗约为0.2–0.3V
选项:
A: 正确
B: 错误
答案: 【 正确】
13、判断题:
二极管所加正向电压增大时, 其动态电阻增大
选项:
A: 正确
B: 错误
答案: 【 错误】
14、判断题:
只要在稳压管两端加反向电压就能起稳压作用
选项:
A: 正确
B: 错误
答案: 【 错误】
15、判断题:
二极管最重要的特性是单向导电性,在整流、限幅、电平选择、开关等应用中,一定要保证不能反向击穿
选项:
A: 正确
B: 错误
答案: 【 正确】
16、判断题:
PN结加正向偏压时, 其耗尽层变厚, 加反向偏压时, 其耗尽层变薄
选项:
A: 正确
B: 错误
答案: 【 错误】
17、判断题:
温度上升会使二极管反向饱和电流增大, 死区电压变小。 硅管的温度稳定性比锗管好
选项:
A: 正确
B: 错误
答案: 【 正确】
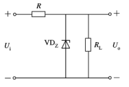
18、判断题:
稳压管电路如下图, 若Ui=20V, RL=250Ω, 稳压管击穿电压UZ=10V, 限流电阻R=100Ω, 则稳压管流过的工作电流为60mA

选项:
A: 正确
B: 错误
答案: 【 正确】
19、判断题:
理想二极管的正向导通电阻为零, 反向截止阻抗为无穷大
选项:
A: 正确
B: 错误
答案: 【 正确】
20、判断题:
双极型晶体三极管的集电极电流与发射结电压成指数关系
选项:
A: 正确
B: 错误
答案: 【 正确】
21、判断题:
场效应管的漏极电流与栅源之间的电压成平方率关系
选项:
A: 正确
B: 错误
答案: 【 正确】
22、判断题:
双极型晶体三极管的集电极与发射极可以互换使用
选项:
A: 正确
B: 错误
答案: 【 错误】
23、判断题:
结型场效应管的漏极与源极可互换使用
选项:
A: 正确
B: 错误
答案: 【 正确】
24、判断题:
场效应管的栅流趋于零, 输入电阻趋于旡穷大
选项:
A: 正确
B: 错误
答案: 【 正确】
25、判断题:
无论在放大区或饱和区, 集电极电流总随着基极电流增大而增大
选项:
A: 正确
B: 错误
答案: 【 错误】
26、判断题:
场效应管的跨导gm表示栅源电压对漏极电流的控制能力
选项:
A: 正确
B: 错误
答案: 【 正确】
27、判断题:
在相同工艺和外加电压情况下, MOS场效应管的尺寸越大(即宽长比W/L越大),漏极电流将越大, 跨导gm也越大
选项:
A: 正确
B: 错误
答案: 【 正确】
28、判断题:
MOS场效应管的导电沟道是平行于器件表面的,且是多数载流子的漂移电流,故温度稳定性较好,抗辐射能力较强
选项:
A: 正确
B: 错误
答案: 【 正确】
1、判断题:
理想二极管等效于一个理想开关, 正偏导通时相当于短路,反偏截止时相当于开路。
选项:
A: 正确
B: 错误
答案: 【 正确】
1、判断题:
稳压二极管的工作区在反向击穿区, 而不是在正向导通区。
选项:
A: 正确
B: 错误
答案: 【 正确】
2、判断题:
某稳压二极管的允许功耗为300mW, 稳定电压为6V, 则稳压管最大允许的反向电流为50mA。
选项:
A: 正确
B: 错误
答案: 【 正确】
1、判断题:

选项:
A: 正确
B: 错误
答案: 【 正确】
1、判断题:
三种组态放大器中, 唯有共射放大器的输出信号与输入信号相位相反, 共集和共基放大器的输出与输入信号是同相的
选项:
A: 正确
B: 错误
答案: 【 正确】
2、判断题:
三种组态放大器中,共集的输出电阻最小, 带负载能力最强
选项:
A: 正确
B: 错误
答案: 【 正确】
1、单选题:
有关晶体管基本放大器,以下说法错误的是( )
选项:
A: 电压放大倍数和输入电阻可能和负载电阻有关
B: 输出电阻可能和信号源内阻有关,和负载电阻无关
C: 输入电压从基极引入时,集电极的输出电压反相,发射极的输出电压同相
D: 共集电极放大器电压放大倍数很小,不能有效放大交流信号的功率
答案: 【 共集电极放大器电压放大倍数很小,不能有效放大交流信号的功率】
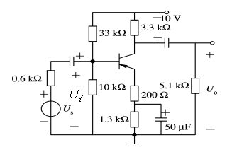
2、单选题:
带负反馈的共发射极放大器如图所示,晶体管的rbe = 2 kW,b = 100。电路的电压放大倍数、输入电阻和输出电阻是( )

选项:
A: Au = – 0.49,Ri = 20.3 kW,Ro = 10 kW
B: Au = – 250,Ri = 20.8 kW,Ro = 10 kW
C: Au = – 0.49,Ri = 2 kW,Ro = 5 kW
D: Au = -250,Ri = 20.8 kW,Ro = 5 kW
答案: 【 Au = – 0.49,Ri = 20.3 kW,Ro = 10 kW】
1、判断题:
共射放大器放大倍数与集电极交流负载电阻(RC//RL)成正比
选项:
A: 正确
B: 错误
答案: 【 正确】
2、判断题:
共射放大器放大倍数与β值成正比
选项:
A: 正确
B: 错误
答案: 【 错误】
3、判断题:
共射放大器放大倍数大小与工作点电流ICQ无关
选项:
A: 正确
B: 错误
答案: 【 错误】
1、判断题:
因为场效应管本身输入电阻为无穷大, 所以场效应管放大器的输入电阻完全取决于偏置电路的电阻
选项:
A: 正确
B: 错误
答案: 【 正确】
2、判断题:
漏放大器的输出电阻
选项:
A: 正确
B: 错误
答案: 【 正确】
1、判断题:
共集放大器输出电压太小与输入信号差不多, 而且相位相同, 所以共集放大器又称射极跟随器
选项:
A: 正确
B: 错误
答案: 【 正确】
2、判断题:
在共集放大器中, 将发射极电阻拆合到基极去要乘以(1+β), 反之, 将基极电阻拆合到发射极去要除以(1+β)。原因是发射极电流是基极的(1+β)倍
选项:
A: 正确
B: 错误
答案: 【 正确】
1、判断题:
放大器待放大信号必须要加到基极和发射极回路, 因为发射结电压对集电极电流有很强的控制能力
选项:
A: 正确
B: 错误
答案: 【 正确】
2、判断题:
三种组态电路结构的不同点在于信号的输入、输出回路的不同
选项:
A: 正确
B: 错误
答案: 【 正确】
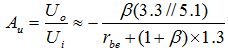
1、单选题:
放大电路如下图如示, 则该放大器增益近似等于

选项:
A: 
B: 
C: 
D: 
答案: 【
】
2、单选题:
放大电路如下图如示, 则该放大器增益等于

选项:
A: 
B: 
C: 
D: 
答案: 【
】
3、单选题:
放大电路如下图如示, 则该放大器输入电阻为

选项:
A: 
B: 
C: 
D: 
备案号:冀ICP备20010840号 2020-2099辉辉网络科技 All Rights Reserved