

1、多选题:

以上四个元件哪些实际吸收了功率?
选项:
A: 甲
B: 乙
C: 丙
D: 丁
答案: 【 丙;
丁】
2、多选题:

以上四个元件中电压电流设定为关联参考方向的有哪些?
选项:
A: 甲
B: 乙
C: 丙
D: 丁
答案: 【 乙;
丁】
3、判断题:

两图中元件的吸收功率相同
选项:
A: 正确
B: 错误
答案: 【 错误】
4、判断题:
某元件的电压为10V,如果改变所设定的电压参考方向,则电压应为-10V。
选项:
A: 正确
B: 错误
答案: 【 正确】
5、判断题:
如无特殊说明,直流是指大小和方向均不随时间变化的恒定直流.
选项:
A: 正确
B: 错误
答案: 【 正确】
6、判断题:
如无特殊说明,交流是指电流随时间作周期变化,并且一周期内的平均值为零。
选项:
A: 正确
B: 错误
答案: 【 正确】
7、判断题:
直流简记作DC,交流简记作AC
选项:
A: 正确
B: 错误
答案: 【 正确】
8、判断题:
当计算得出电流为负值时,说明此时电流的实际方向与参考方向相反。
选项:
A: 正确
B: 错误
答案: 【 正确】
9、判断题:
某点的电位是指该点与参考点之间的电压
选项:
A: 正确
B: 错误
答案: 【 正确】
10、判断题:
通常电路参考点的电位可以随意设定
选项:
A: 正确
B: 错误
答案: 【 错误】
11、判断题:
关联参考方向称为无源惯例,非关联参考方向称为有源惯例
选项:
A: 正确
B: 错误
答案: 【 正确】
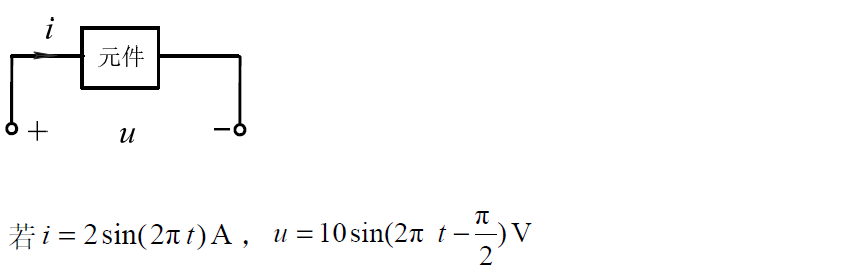
12、填空题:

元件供出的功率P出= W
答案: 【 10】
13、填空题:

元件吸收的功率P吸= W
答案: 【 -10】
1、单选题:

则该元件为
选项:
A: 电阻
B: 电感
C: 电容
D: 受控源
答案: 【 电容】
2、单选题:

图中含有
选项:
A: 流控压源CCVS
B: 压控流源VCCS
C: 压控压源VCVS
D: 流控流源CCCS
答案: 【 流控压源CCVS】
3、单选题:

图中含有
选项:
A: 流控压源CCVS
B: 压控流源VCCS
C: 压控压源VCVS
D: 流控流源CCCS
答案: 【 压控流源VCCS】
4、多选题:
理想电容元件和理想电感元件两者都是
选项:
A: 动态元件
B: 无源元件
C: 无损元件
D: 储能元件
E: 记忆元件
答案: 【 动态元件;
无源元件;
无损元件;
储能元件;
记忆元件】
5、多选题:
关于理想独立电流源,以下说法哪些是正确的?
选项:
A: 电流源是向电路提供特定电流的元件,因此没有电压
B: 电流源有电压,但没办法确定
C: 电流源有电压,具体数值取决于与其相连接的外电路,可通过对电路的计算确定
D: 电流源两端可以被短路,但不应开路
答案: 【 电流源有电压,具体数值取决于与其相连接的外电路,可通过对电路的计算确定;
电流源两端可以被短路,但不应开路】
6、多选题:
关于理想独立电压源,以下说法哪些是正确的?
选项:
A: 电压源是向电路提供特定电压的元件,因此没有电流
B: 电压源的电流即使有也没办法确定
C: 电压源能输出电流,电流的具体数值取决于与其相连接的外电路,可通过对电路的计算确定
D: 电压源两端可以被开路,但不能被短路
答案: 【 电压源能输出电流,电流的具体数值取决于与其相连接的外电路,可通过对电路的计算确定;
电压源两端可以被开路,但不能被短路】
7、判断题:

选项:
A: 正确
B: 错误
答案: 【 错误】
8、判断题:

选项:
A: 正确
B: 错误
答案: 【 错误】
9、判断题:
电路在直流激励下稳定后,电感元件相当于短路
选项:
A: 正确
B: 错误
答案: 【 正确】
10、判断题:
电路在直流激励下稳定后,电容元件相当于开路
选项:
A: 正确
B: 错误
答案: 【 正确】
11、判断题:
电阻、电感、电容元件常按无源惯例标定其电压电流参考方向。
选项:
A: 正确
B: 错误
答案: 【 正确】
12、判断题:
电压源、电流源的电压电流常按非关联参考方向标定
选项:
A: 正确
B: 错误
答案: 【 正确】
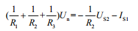
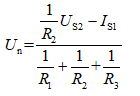
13、填空题:

图中U2= V
答案: 【 -10】
14、填空题:

图中I2= A
答案: 【 10】
1、多选题:

选项:
A: i1+i2+i3+i4+i5=0
B: i1-i2+i3-i4+i5=0
C: -i1+i2-i3+i4-i5=0
D: i2+i4=i1+i3+i5
答案: 【 i1-i2+i3-i4+i5=0;
-i1+i2-i3+i4-i5=0;
i2+i4=i1+i3+i5】
2、多选题:

选项:
A: 
B: 
C: 
D:
)
答案: 【
;
】
3、多选题:

选项:
A: 
B: 
C: 
D: 
答案: 【
;
】
4、多选题:

选项:
A: I3=2A
B: U12=0.5V
C: U32=1.6V
D: U14=10.3V
答案: 【 I3=2A ;
U14=10.3V】
5、多选题:

选项:
A: 支路电流 I=0.4A
B: 1、2节点之间的电压 U12=6V
C: 开路端口电压Uab=0
D: ab之间的电压Uab无法确定
答案: 【 支路电流 I=0.4A;
开路端口电压Uab=0】
6、判断题:

选项:
A: 正确
B: 错误
答案: 【 正确】
7、判断题:

选项:
A: 正确
B: 错误
答案: 【 正确】
8、填空题:

答案: 【 2】
9、填空题:

答案: 【 -2】
1、判断题:

选项:
A: 正确
B: 错误
答案: 【 正确】
2、判断题:

选项:
A: 正确
B: 错误
答案: 【 正确】
3、判断题:

选项:
A: 正确
B: 错误
答案: 【 错误】
4、判断题:

选项:
A: 正确
B: 错误
答案: 【 错误】
5、判断题:
应当尽量避免将多个电流源串联
选项:
A: 正确
B: 错误
答案: 【 正确】
6、判断题:
理想电压源不能等效成理想电流源
选项:
A: 正确
B: 错误
答案: 【 正确】
7、判断题:
应当尽量避免将多个电压源并联
选项:
A: 正确
B: 错误
答案: 【 正确】
8、填空题:

答案: 【 10】
9、填空题:

答案: 【 1.5】
10、填空题:

答案: 【 1.5】
11、填空题:

答案: 【 4】
12、填空题:

答案: 【 2】
13、填空题:

答案: 【 7】
14、填空题:

答案: 【 0】
15、填空题:

答案: 【 1】
1、单选题:

选项:
A: 3Ω
B: 6Ω
C: 8Ω
D: 10Ω
答案: 【 10Ω】
2、单选题:
选项:
A: A
B: B
C: C
D: D
答案: 【 C】
3、判断题:
等效变换的基础是等效电路的外特性的表达式相同
选项:
A: 正确
B: 错误
答案: 【 正确】
1、单选题:

选项:
A: 8
B: 6
C: 4
D: 2
答案: 【 4】
2、单选题:
已知a、b两点,电压Uab=10V,a点电位为Va=4V,则b点电位Vb为()
选项:
A: 14
B: -6
C: 6
D: 4
答案: 【 -6】
3、多选题:
选项:
A: A
B: B
C: C
D: D
答案: 【 A;
C】
4、多选题:

选项:
A: A
B: B
C: C
D: D
答案: 【 B;
D】
1、单选题:

选项:
A: 35W
B: -35W
C: 25W
D: -25W
答案: 【 -35W】
2、单选题:

选项:
A: 为零
B: 一定为正值
C: 一定为负值
D: 不能确定是正值还是负值
答案: 【 一定为负值】
3、单选题:

选项:
A: 没有等效变换关系
B: 有等效变换关系
C: 有条件下的等效关系
D: 是相同的
答案: 【 没有等效变换关系】
4、单选题:

选项:
A: 75Ω
B: 50Ω
C: 100Ω
D: 150Ω
答案: 【 150Ω】
5、单选题:

选项:
A: 20Ω
B: 30Ω
C: 40Ω
D: 50Ω
答案: 【 40Ω】
6、单选题:

选项:
A: 5mA
B: 3mA
C: 4mA
D: 6mA
答案: 【 5mA】
7、单选题:

选项:
A: 0Ω
B: 10Ω
C: 12Ω
D: 5Ω
答案: 【 10Ω】
8、单选题:

选项:
A: -75W
B: 75W
C: -25W
D: 25W
答案: 【 -75W】
9、单选题:

选项:
A: 150W
B: 100W
C: 250W
D: 125W
答案: 【 125W】
10、单选题:

选项:
A: 20V
B: 40V
C: 50V
D: 60V
答案: 【 20V】
11、单选题:

选项:
A: 
B: 
C: 
D: 
答案: 【
】
12、单选题:

选项:
A: 2A
B: 3A
C: 1A
D: 4A
答案: 【 2A】
13、单选题:

选项:
A: -72W
B: 72W
C: -36W
D: 36W
答案: 【 72W】
14、单选题:

选项:
A: 
B: 
C: 
D: 
答案: 【
】
15、单选题:

选项:
A: 1V
B: 2V
C: 3V
D: 4V
答案: 【 3V】
16、多选题:

选项:
A: 能正常工作
B: 40W的灯丝烧毁
C: 100W的灯丝烧毁
D: 100W的白炽灯不能正常工作
E: 灯丝都被烧毁
答案: 【 40W的灯丝烧毁;
100W的白炽灯不能正常工作】
17、多选题:

选项:
A: 
B: 
C: 
D: 
答案: 【
;
】
18、多选题:

选项:
A: 
B: 
C: 
D: 
答案: 【
;
】
19、判断题:

选项:
A: 正确
B: 错误
答案: 【 错误】
20、判断题:

选项:
A: 正确
B: 错误
答案: 【 正确】
21、判断题:

选项:
A: 正确
B: 错误
答案: 【 正确】
22、判断题:

选项:
A: 正确
B: 错误
答案: 【 错误】
23、判断题:
两个等效的一端口,其内部结构和元件参数可以完全不同。
选项:
A: 正确
B: 错误
答案: 【 正确】
24、判断题:
对于某个实际电源的电压源模型和电流源模型,在负载相同的工作状态下,电压源模型中电压源供出的功率与电流源模型中电流源供出的功率一定相等。
选项:
A: 正确
B: 错误
答案: 【 错误】
25、判断题:
在同一个电路中,所有电源供出的功率一定等于所有元件吸收的功率。
选项:
A: 正确
B: 错误
答案: 【 正确】
26、填空题:

答案: 【 40】
27、填空题:

答案: 【 100】
28、填空题:

答案: 【 -5】
29、填空题:

答案: 【 11】
30、填空题:

答案: 【 2】
31、填空题:

答案: 【 18】
1、多选题:
电路的基本变量包括:
选项:
A: 电流
B: 电压
C: 电荷
D: 磁通(链)
答案: 【 电流;
电压;
电荷 ;
磁通(链)】
1、单选题:

选项:
A: 2,3
B: 1,3
C: 3,3
D: 3,2
答案: 【 2,3】
2、单选题:

选项:
A: 2,3
B: 3,3
C: 3,2
D: 4,3
答案: 【 2,3】
3、单选题:

选项:
A: 4,4
B: 5,4
C: 5,3
D: 4,3
答案: 【 4,4】
4、单选题:

选项:
A: 3,3
B: 3,2
C: 4,3
D: 4,4
答案: 【 3,3】
5、单选题:

选项:
A: 2,3
B: 3,3
C: 1,2
D: 2,2
答案: 【 2,3】
6、单选题:

选项:
A: 2,3
B: 3,3
C: 2,4
D: 3,2
答案: 【 2,3】
7、判断题:
n个节点,b条支路的电路,独立节点数为(n-1)。
选项:
A: 正确
B: 错误
答案: 【 正确】
8、判断题:
可以任取一个节点为电路中的参考节点。
选项:
A: 正确
B: 错误
答案: 【 正确】
9、判断题:
n个节点、b条支路的电路,有(b-n+1)个独立的KCL方程。
选项:
A: 正确
B: 错误
答案: 【 错误】
10、判断题:
n个节点、b条支路的电路,有(b-n+1)个独立的KVL方程。
选项:
A: 正确
B: 错误
答案: 【 正确】
11、判断题:
对于n个节点的电路,任意(n-1)个节点的KCL方程独立。
选项:
A: 正确
B: 错误
答案: 【 正确】
12、判断题:
参考节点可以任意选取,也可以选择多个节点作为参考节点。
选项:
A: 正确
B: 错误
答案: 【 错误】
13、判断题:
n个节点、b条支路的电路,任意(b-n+1)个回路都独立。
选项:
A: 正确
B: 错误
答案: 【 错误】
14、判断题:
平面电路中,对网孔列写的KVL方程一定独立。
选项:
A: 正确
B: 错误
答案: 【 正确】
15、判断题:
选择回路时,如果每次选取新回路,都包含新的支路,则所选回路一定独立。
选项:
A: 正确
B: 错误
答案: 【 正确】
1、单选题:
2b法的b,指的是( )
选项:
A: 节点数
B: 支路数
C: 电阻数
D: 电源数
答案: 【 支路数】
2、单选题:

选项:
A: 4,4,16
B: 5,4,16
C: 4,5,8
D: 4,4,4
答案: 【 4,4,16】
3、单选题:

选项:
A: 1,2,6
B: 2,2,4
C: 1,3,6
D: 2,3,5
答案: 【 1,2,6】
4、单选题:

选项:
A: 4
B: 8
C: 5
D: 2
答案: 【 8】
5、单选题:

选项:
A: 2,3,5
B: 3,3,5
C: 2,3,4
D: 2,2,5
答案: 【 2,3,5】
6、多选题:
2b法需要列写的方程包括( )
选项:
A: n个节点的KCL方程
B: n-1个节点的KCL方程
C: b-n+1个回路的KVL方程
D: b-n+1个独立回路的KVL方程
E: b个支路的VCR方程
F: b个元件的VCR方程
答案: 【 n-1个节点的KCL方程;
b-n+1个独立回路的KVL方程;
b个支路的VCR方程】
7、多选题:

选项:
A: 
B: 
C: 
D: 
E: 
答案: 【
;
;
】
8、多选题:

选项:
A: 
B: 
C: 
D: 
E: 
F: 
G: 
H: 
答案: 【
;
;
;
】
9、多选题:

选项:
A: 
B: 
C: 
D: 
E: 
F: 
G: 
H: 
答案: 【
;
;
;
】
1、单选题:
下图中,回路电流方向都为顺时针

选项:
A: 
B: 
C: 
D: 
答案: 【
】
2、单选题:
下图中,回路电流方向都为顺时针

选项:
A: 
B: 
C: 
D: 
答案: 【
】
3、单选题:
下图中,回路电流方向都为顺时针

选项:
A: 
B: 
C: 
D: 
答案: 【
】
4、单选题:
下图中,回路电流方向都为顺时针

选项:
A: 
B: 
C: 
D: 
答案: 【
】
5、单选题:
下图中,回路电流方向都为顺时针

选项:
A: 
B: 
C: 
D: 
答案: 【
】
6、单选题:
下图中,回路电流方向都为顺时针

选项:
A: 
B: 
C: 
D: 
答案: 【
】
7、多选题:

选项:
A: 
B: 
C: 
D: 
E: 
答案: 【
;
】
8、多选题:

选项:
A: 
B: 
C: 
D: 
答案: 【
;
】
9、多选题:

对图示电路用回路电流法分析求解所列写的下述方程中,错误的有( )
选项:
A: 
B: 
C: 
D: 
答案: 【
;
;
】
10、多选题:

选项:
A: 
B: 
C: 
D: 
答案: 【
;
;
】
11、多选题:

选项:
A: 
B: 
C: 
D: 
E: 
答案: 【
;
;
】
12、多选题:

选项:
A: 
B: 
C: 
D: 
E: 
答案: 【
;
;
】
13、多选题:

选项:
A: 
B: 
C: 
D: 
答案: 【
;
;
】
14、多选题:

选项:
A: 
B: 
C: 
D: 
答案: 【
;
】
15、判断题:
回路电流是在电路中实际存在的电流。
选项:
A: 正确
B: 错误
答案: 【 错误】
16、判断题:
回路电流法的方程中,左边为回路中所有电阻的电压降,右边为所有电压源的电位升,电流源两端电压为0。
选项:
A: 正确
B: 错误
答案: 【 错误】
17、判断题:
用回路电流法列方程时,自阻一定是正值,当两个回路电流以相同方向通过互阻时互阻前的符号取正,反之取负。
选项:
A: 正确
B: 错误
答案: 【 正确】
18、判断题:
欲使某独立回路电流等于某独立电流源电流,必须保证其他独立回路电流不经过该电流源。
选项:
A: 正确
B: 错误
答案: 【 正确】
19、判断题:
当两个或多个独立回路经过同一电流源时,一般情况下任一回路电流不等于该电流源的电流,需要列写各回路KVL方程,且方程中一定要包含电流源两端电压,最后要补充电流源电流和各回路电流的关系式。
选项:
A: 正确
B: 错误
答案: 【 正确】
20、判断题:
用网孔法分析求解电路,互阻一定是负的,和网孔电流方向无关。
选项:
A: 正确
B: 错误
答案: 【 错误】
21、判断题:
用回路电流法分析求解各支路电流时,当只有一个回路电流流经某一电流源时,该回路电流等于该电流源电流,且不用列写此回路的KVL方程。
选项:
A: 正确
B: 错误
答案: 【 正确】
1、单选题:

选项:
A: (1)
B: (2)(3)
C: (1)(3)
D: (1)(2)(3)
答案: 【 (1)(2)(3)】
2、单选题:

选项:
A: (1)
B: (2)
C: (1)(3)
D: (1)(2)(3)
答案: 【 (1)(3)】
3、单选题:

选项:
A: 
B: 
C: 
D: 
答案: 【
】
4、单选题:

选项:
A: 
B: 
C: 
D: 
答案: 【
】
5、单选题:

选项:
A: 
B: 
C: 
D: 以上都不对
答案: 【
】
6、单选题:

选项:
A: 
B: 
C: 
D: 
答案: 【
】
7、判断题:
用节点法分析电路时,只能选择一个参考点,且可以任选一个节点为参考点。
选项:
A: 正确
B: 错误
答案: 【 正确】
8、判断题:
由理想导线即短路线连接的点为同一节点。
选项:
A: 正确
B: 错误
答案: 【 正确】
9、判断题:
列写电路的节点法方程时,自导都是正的,互导都是负的。
选项:
A: 正确
B: 错误
答案: 【 正确】
10、判断题:
节点法方程列写的是节点的KCL方程,每一项的量纲都是电流的量纲。
选项:
A: 正确
B: 错误
答案: 【 正确】
11、判断题:
当电路中有两个无伴电压源时,两个无伴电压源的负极性端可以同时选作参考点。
选项:
A: 正确
B: 错误
答案: 【 错误】
12、判断题:
当电路中含有无伴电压源时,用节点法分析电路,不能选择无伴电压源的正极性端为参考点。
选项:
A: 正确
B: 错误
答案: 【 错误】
13、判断题:
与电流源串联的电阻不会出现在节点法的KCL方程中,是因为该支路的电流与电阻无关,等于电流源电流。
选项:
A: 正确
B: 错误
答案: 【 正确】
14、判断题:
与电流源串联的电阻对电路的响应没有任何影响,可以删除。
选项:
A: 正确
B: 错误
答案: 【 错误】
15、判断题:

选项:
A: 正确
B: 错误
答案: 【 错误】
1、单选题:

选项:
A: A
B: B
C: C
D: D
答案: 【 A】
2、单选题:

选项:
A: A
B: B
C: C
D: D
答案: 【 D】
3、多选题:

选项:
A: A
B: B
C: C
D: D
答案: 【 A;
B;
C;
D】
4、判断题:
节点电压法列写的是KCL方程
选项:
A: 正确
B: 错误
答案: 【 正确】
5、判断题:
节点电压法列写的是KVL方程
选项:
A: 正确
B: 错误
答案: 【 错误】
6、判断题:
节点电压法的基本思路是用节点电压表示支路电流,对节点列写KCL方程,然后求解变量。
选项:
A: 正确
B: 错误
答案: 【 正确】
7、判断题:
对n个节点,b条支路的电路来讲,用节点电压法求解电路的时候,通常需要列写n-1个独立的KCL方程。
选项:
A: 正确
B: 错误
答案: 【 正确】
1、单选题:
对于包含n个节点、b条支路的线性电路,描述该电路的独立KCL方程数为 。
选项:
A: 2b
B: n-1
C: b-n+1
D: b
答案: 【 n-1】
2、单选题:
对于有4个节点的线性电路,其独立节点数为 个。
选项:
A: 4
B: 3
C: 2
D: 1
答案: 【 3】
3、单选题:
对于包含n个节点、b条支路的线性电路,描述该电路的独立KVL方程数目为 ,支路VCR方程数目为 。
选项:
A: 2b, b-n+1
B: n-1, 2b
C: b-n+1, b
D: n-1, b
答案: 【 b-n+1, b】
4、单选题:
对于包含4个节点、6条支路的线性电路,其独立回路数为 个。
选项:
A: 5
B: 4
C: 3
D: 2
答案: 【 3】
5、单选题:
如下所示电路,不属于支路电流法得到的方程为 。

选项:
A: 
B: 
C: 
D: 
答案: 【
】
6、单选题:
下图所示电路,采用支路电流法所列方程数为 。

选项:
A: 4
B: 5
C: 7
D: 8
答案: 【 8】
7、单选题:
电路如图所示,如果
,则
,
。

选项:
A: 4A 16V
B: 4A 12V
C: 2A 16V
D: 2A 12V
答案: 【 2A 16V】
8、单选题:
电路如图所示,电压源
。

选项:
A: 16V
B: 17V
C: 13V
D: 20V
答案: 【 17V】
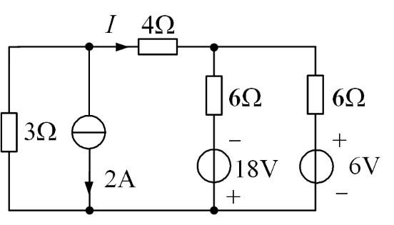
9、单选题:
下图所示电路,回路电流法列写方程数为 。

选项:
A: 4
B: 5
C: 7
D: 8
答案: 【 4】
10、单选题:
电路如图所示,则流过各电阻的电流
、
、
分别为 。
选项:
A: 2A,1A,2A
B: 2A,2A,4A
C: 1A,2A,5A
D: 1A,2A,4A
答案: 【 2A,1A,2A】
11、单选题:
下图所示电路,包含节点电压法方程数为 。

选项:
A: 4
B: 5
C: 7
D: 8
答案: 【 4】
12、单选题:
下图所示电路,求电路中电流I和电压U分别为 。

选项:
A: 2A、5V
B: 0.5A、5V
C: 1.5A、6V
D: 1A、6V
答案: 【 1A、6V】
13、多选题:
如下所示电路,采用支路电流法得到的方程包括有 。

选项:
A: 
B: 
C: 
D: 
答案: 【
;
;
;
】
14、多选题:
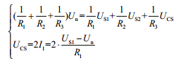
电路如图所示,下列回路电流方程中,正确的是 。

选项:
A: 
B: 
C: 
D: 
答案: 【
;
】
15、多选题:
如下所示电路,采用自然网孔法选择回路,回路电流都按顺时针方向设定,则回路电流法得到的方程为 。

选项:
A: 
B: 
C: 
D: 
答案: 【
;
;
】
16、多选题:
如下所示电路,选择独立回路如图,则以下关于回路电流方程正确的是 。

选项:
A: 
B: 
C: 
D: 
答案: 【
;
】
17、多选题:
如下所示电路,按图中所示选择回路,则回路电流法所列方程组中应包含以下哪些方程 。

选项:
A: 
B: 
C: 
D: 
答案: 【
;
;
;
】
18、多选题:
如下所示电路,按图中所示选择接地点,则以下哪些方程是正确的 。

选项:
A: 
B: 
C: 
D: 
答案: 【
;
;
】
19、多选题:
如下所示电路,按图中所示选择接地点,则以下关于节点电压的方程正确的有 。

选项:
A: 
B: 
C: 
D: 
答案: 【
;
;
】
20、多选题:
如下所示电路,按图中所示选择接地点,则以下关于节点电压的方程正确的是 。

选项:
A: 
B: 
C: 
D: 
答案: 【
;
】
21、多选题:
关于节点电压法,以下哪些说法是正确的 。
选项:
A: 节点电压法所列方程的本质是关于节点的KCL方程。
B: 对于某节点的节点电压法方程,其等号一侧是通过电阻流出该节点的电流代数和,另一侧是通过电源流入该节点的电流代数和。
C: 对于电压源与电阻相串联的支路,该支路电流应列写于节点电压方程的等号右边。
D: 无伴电压源支路的电流未知,因此列方程时可忽略,不予考虑。
答案: 【 节点电压法所列方程的本质是关于节点的KCL方程。;
对于某节点的节点电压法方程,其等号一侧是通过电阻流出该节点的电流代数和,另一侧是通过电源流入该节点的电流代数和。】
22、判断题:
支路电流法分析电路时,如果电路含有受控源,列方程时其外特性可先按一般电源处理,再增列用独立变量表达控制量的方程式。
选项:
A: 正确
B: 错误
答案: 【 正确】
23、判断题:
当回路含有电流源(或受控电流源)时,因其端电压未知,因此其端电压不计入回路KVL方程。
选项:
A: 正确
B: 错误
答案: 【 错误】
24、判断题:
回路电流法以独立回路电流为变量,所列方程式中各项的量纲皆为电流的量纲。
选项:
A: 正确
B: 错误
答案: 【 错误】
25、判断题:
在仅由独立源和二端电阻组成的电路中,回路电流法方程式中回路电阻矩阵具有对称性。
选项:
A: 正确
B: 错误
答案: 【 正确】
26、判断题:
节点电压法以节点电压为待求变量,所以方程式中各项的量纲皆为电压的量纲。
选项:
A: 正确
B: 错误
答案: 【 错误】
27、判断题:
在仅有独立源和电阻元件组成的电路中,采用节点电压法时节点电导矩阵具有对称性。
选项:
A: 正确
B: 错误
答案: 【 正确】
28、填空题:
电路图如图所示,求图中所示电流I= A。

答案: 【 0】
29、填空题:
电路的结构和参数如图所示,求I= A。

答案: 【 0.5】
30、填空题:
图中的U= V。

答案: 【 5】
1、单选题:
1.叠加定理只适用于( )。
选项:
A: 交流电路
B: 直流电路
C: 线性电路
D: 非线性电路
答案: 【 线性电路】
2、单选题:
2.关于齐次性原理叙述错误的是( )。
选项:
A: 适合含受控源的线性电路
B: 描述了线性电路的比例特性
C: 某个激励增大k倍时,则电路的总响应也将增大K倍
D: 线性电路当只有一个激励是,激励和响应成正比
答案: 【 某个激励增大k倍时,则电路的总响应也将增大K倍】
3、单选题:
3.图示电路,若u2=10V,则us和i分别为( )和( )。

选项:
A: 45V、3A
B: 70V、2A
C: 45V、2A
D: 70V、3A
答案: 【 70V、3A】
1、多选题:
在应用叠加定理时,独立源置零是指?
选项:
A: 独立电压源移去,原处开路
B: 独立电压源移去,原处短路
C: 独立电流源移去,原处开路
D: 独立电流源移去,原处短路
答案: 【 独立电压源移去,原处短路;
独立电流源移去,原处开路】
2、多选题:
在应用叠加定理时,关于受控源的正确描述有?
选项:
A: 叠加定理不适用于含受控源的电路
B: 受控源不视为激励源,不产生相应的响应分量
C: 各分电路中保留受控源及控制变量
D: 将受控源按独立源对待,并计算所产生的响应分量
答案: 【 受控源不视为激励源,不产生相应的响应分量;
各分电路中保留受控源及控制变量】
3、多选题:
下列描述正确的有?
选项:
A: 在线性电路中,网络函数满足线性关系
B: 在线性电阻电路中,任一电压响应都是电路中各激励的线性组合
C: 在线性电阻电路中,任一电流响应都是电路中各激励的线性组合
D: 节点电压法和回路电流法中也体现了线性电路的线性关系性质
答案: 【 在线性电路中,网络函数满足线性关系;
在线性电阻电路中,任一电压响应都是电路中各激励的线性组合;
在线性电阻电路中,任一电流响应都是电路中各激励的线性组合;
节点电压法和回路电流法中也体现了线性电路的线性关系性质】
4、判断题:
在含有多个激励的线性电路中,所有激励同时增大或减小k倍(k为实数)时,电压、电流响应也同时增大或减小k倍。
选项:
A: 正确
B: 错误
答案: 【 正确】
5、判断题:
叠加定理适用于直接分析电路中的电压响应、电流响应和功率。
选项:
A: 正确
B: 错误
答案: 【 错误】
6、判断题:
图示电路中的电流I=1A。

选项:
A: 正确
B: 错误
答案: 【 错误】
7、填空题:
电路如下图所示。当US=44V时,利用齐次性原理求电路中的电流响应I=_______A。(填写答案时,不需要写单位!)

答案: 【 0.5】
8、填空题:
利用叠加定理求下图中的电压U=_______V。(填写答案时,不需要写单位!)

答案: 【 12】
9、填空题:
电路如图。当三个电源共同作用时UR=8V;当4V电压源置零后,UR=4V;当两个电压源同时置零时,U
备案号:冀ICP备20010840号 2020-2099辉辉网络科技 All Rights Reserved