

1、填空题:
在本征半导体中掺入微量的杂质(某种元素),形成 。
答案: 【 杂质半导体】
2、填空题:
半导体按导电类型分为 型半导体与 型半导体。
答案: 【 N P】
3、填空题:
在 P 型半导体中 是多数载流子, 是少数载流子。
答案: 【 空穴 自由电子】
4、填空题:
在N 型半导体中 是多数载流子, 是少数载流子。
答案: 【 自由电子 空穴】
5、填空题:
N型半导体主要靠 来导电,P型半导体主要靠 来导电。
答案: 【 自由电子 空穴】
1、填空题:
PN结具有 性能,即加正向电压时,PN结 ,加反向电压时,PN结 。
答案: 【 单向导电 导通 截止】
2、填空题:
PN结的正向接法是P型区接电源的 极,N型区接电源的 极。
答案: 【 正 负】
3、填空题:
PN 结加正向电压时,其正向电阻 ,正向电流 ,PN结处于 状态。
答案: 【 较小 较大 导通】
4、填空题:
PN 结加反向电压时,其反向电阻 ,反向电流 ,PN结处于 状态。
答案: 【 较大 较小 截止】
1、单选题:
电路如图所示,二极管D为理想元件,US = 5V,则电压uO=( )。

选项:
A: Us
B: US/2
C: 零
D: 5V
答案: 【 Us 】
2、单选题:
二极管D和灯泡HL相串联,电路如图所示。设电源电压 u =1.414U sinw t,且二极管的正向压降及反向漏电流可忽略,则灯泡两端的电压平均值UAB 为( )。

选项:
A: 0.5U
B: 0.707U
C: 0.45U
D: U
答案: 【 0.45U】
3、单选题:
电路如图所示,二极管为同一型号的理想元件,电阻R=4kW,电位uA=1V,uB=3V,则电位UF等于( )。

选项:
A: 1V
B: 3V
C: 12V
D: -3V
答案: 【 1V】
4、单选题:
电路如图所示,输入信号ui = 6sint V时,二极管D承受的最高反向电压为( )。

选项:
A: 6V
B: 3V
C: 9V
D: 0V
答案: 【 3V 】
5、填空题:
二极管的伏安特性可简单理解为 导通, 截止的特性。
答案: 【 正向 反向】
1、单选题:
1.二极管导通的条件是加在二极管两端的电压( )。
选项:
A: 正向电压大于PN结的死区电压
B: 正向电压等于零
C: 必须加反向电压
D: 正向电压小于零
答案: 【 正向电压大于PN结的死区电压】
2、单选题:
电路如图所示, 二极管D为理想元件,当输入信号 ui=12sinwtV时,输出电压的最大值为( )。

选项:
A: 12 V
B: – 6 V
C: 0 V
D: 6 V
答案: 【 6 V】
3、单选题:
电路如图所示,二极管D1、D2为理想元件,则在电路中( )。

选项:
A: D1起箝位作用,D2起隔离作用
B: D1起隔离作用,D2箝位作用
C: D1、D2均起箝位作用
D: D1、D2均起隔离作用
答案: 【 D1起隔离作用,D2箝位作用】
4、单选题:
电路如图所示,二极管D为理想元件,输入信号ui为如图所示的三角波,则输出电压uO的最大值为( )。

选项:
A: 5V
B: 10V
C: 2V
D: 7V
答案: 【 7V】
5、单选题:
PNP型和NPN型晶体管,其发射区和集电区均为同类型半导体(N型或P型)。所以在实际使用中发射极与集电极( )。
选项:
A: 可以调换使用
B: 不可以调换使用
C: PNP型可以调换使用,NPN型则不可以调换使用
D: NPN型可以调换使用,PNP型则不可以调换使用
答案: 【 不可以调换使用】
6、单选题:
工作在放大状态的晶体管,各极的电位应满足( )。
选项:
A: 发射结正偏,集电结反偏
B: 发射结反偏,集电结正偏
C: 发射结、集电结均反偏
D: 发射结、集电结均正偏
答案: 【 发射结正偏,集电结反偏】
7、单选题:
已知某晶体管处于放大状态,测得其三个极的电位分别为3.7V、9V 和 3V,则 3.7V 所对应的电极为( )。
选项:
A: 发射极
B: 集电极
C: 基极
D: 不确定
答案: 【 基极】
8、单选题:
动态电阻 rZ是表示稳压管的一个重要参数,它的大小对稳压性能的影响是( )。
选项:
A: rZ 小则稳压性能差
B: rZ小则稳压性能好
C: rZ 的大小不影响稳压性能
D: 不确定
答案: 【 rZ小则稳压性能好】
9、单选题:
稳压管反向击穿后,其后果为( )。
选项:
A: 永久性损坏
B: 只要流过稳压管电流不超过规定值允许范围,管子无损
C: 由于击穿而导致性能下降
D: 由于击穿而导致性能不变
答案: 【 只要流过稳压管电流不超过规定值允许范围,管子无损】
10、单选题:
电路如图所示,稳压管的稳定电压UZ = 6 V,电源US = 4 V,则负载RL两端电压UL为( )

选项:
A: 10V
B: 6V
C: -4V
D: 0V
答案: 【 -4V 】
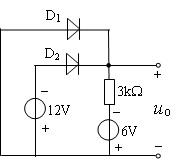
11、单选题:
电路如图所示,二极管D1,D2 均为理想元件,则电压 uO =( )。

选项:
A: 6V
B: 0V
C: -12V
D: 12V
答案: 【 0V】
12、单选题:
电路如图所示,晶体管T的电流放大系数 b = 50,RB = 300 kW,RC= 3 kW,晶体管T处于( )。

选项:
A: 放大状态
B: 截止状态
C: 饱和状态
D: 开关状态
答案: 【 放大状态】
1、单选题:
PNP型和NPN型晶体管,其发射区和集电区均为同类型半导体(N型或P型)。所以在实际使用中发射极与集电极( )。
选项:
A: 可以调换使用
B: 不可以调换使用
C: PNP型可以调换使用,NPN型则不可以调换使用
D: 不确定
答案: 【 不可以调换使用】
2、单选题:
工作在放大状态的晶体管,各极的电位应满足( )。
选项:
A: 发射结正偏,集电结反偏
B: 发射结反偏,集电结正偏
C: 发射结、集电结均反偏
D: 发射结、集电结均正偏
答案: 【 发射结正偏,集电结反偏】
3、单选题:
晶体管处于饱和状态时,集电结和发射结的偏置情况为( )。
选项:
A: 发射结反偏,集电结正偏
B: 发射结、集电结均反偏
C: 发射结、集电结均正偏
D: 发射结正偏,集电结反偏
答案: 【 发射结、集电结均正偏】
4、单选题:
根据图中已标出各晶体管电极的电位,判断处于饱和状态的晶体管是( )。

选项:
A: ( a)
B: ( b )
C: ( c )
D: ( d )
答案: 【 ( c ) 】
5、单选题:
电路如图所示,晶体管处于( )。

选项:
A: 饱和状态
B: 放大状态
C: 截止状态
D: 不确定
答案: 【 饱和状态】
6、单选题:
已知某晶体管处于放大状态,测得其三个极的电位分别为 2V、2.7V 和 6V,则2.7V 所对应的电极为( )。
选项:
A: 发射极
B: 基极
C: 集电极
D: 不确定
答案: 【 基极】
1、单选题:
某绝缘栅场效应管的符号如图所示,则该绝缘栅场效应管应为( )。

选项:
A: P沟道增强型
B: N沟道增强型
C: P沟道耗尽型
D: N沟道耗尽型
答案: 【 N沟道增强型】
2、单选题:
某绝缘栅场效应管的符号如图所示,则该绝缘栅场效应管应为( )。

选项:
A: P沟道增强型
B: N沟道增强型
C: P沟道耗尽型
D: N沟道耗尽型
答案: 【 P沟道耗尽型】
3、判断题:
与晶体三极管相同,场效应晶体管也是电流控制元件。
选项:
A: 正确
B: 错误
答案: 【 正确】
4、判断题:
绝缘栅场效晶体管按其工作状态可分为增强型和耗尽型两类,每类又有N沟道和P沟道之分。
选项:
A: 正确
B: 错误
答案: 【 正确】
5、判断题:
N沟道增强型场效晶体管,当栅源电压UGS >UGS(th)(开启电压)时,场效晶体管导通,产生漏极电流ID,随栅源电压UGS的变化ID随之变化。
选项:
A: 正确
B: 错误
答案: 【 正确】
6、判断题:
场效应晶体管只依靠电子或空穴一种载流子的运动而工作,因此又称场效应晶体管为单极性晶体管。
选项:
A: 正确
B: 错误
答案: 【 正确】
1、填空题:
半导体的导电能力介乎于 和 之间。
答案: 【 导体 绝缘体】
2、填空题:
共价键中的两个电子,被称为 。
答案: 【 价电子】
3、填空题:
当半导体两端外加电压时,半导体中将出现两部分电流:一是自由电子作定向运动所形成的 ;一是仍被原子核束缚的价电子递补空穴所形成的 。
答案: 【 电子电流 空穴电流】
4、填空题:
当半导体两端外加电压时,半导体中将出现两部分电流:一是自由电子作定向运动所形成的 ;一是仍被原子核束缚的价电子递补空穴所形成的 。
答案: 【 产生 复合 动态平衡】
1、单选题:
衡量稳压二极管稳压性能好坏最主要的是一个参数是( )。
选项:
A: 动态电阻 rZ
B: 电压温度系数au
C: 稳定电压 UZ
D: 稳定电流 IZ
答案: 【 动态电阻 rZ】
2、单选题:
稳压管反向击穿后,其结果为( )。
选项:
A: 永久性损坏
B: 只要流过稳压管电流不超过规定值允许范围,管子无损
C: 由于击穿而导致性能下降
D: 由于击穿而导致性短路
答案: 【 只要流过稳压管电流不超过规定值允许范围,管子无损】
3、单选题:
温度稳定性最好的稳压管是( )。
选项:
A: 稳定电压UZ = 3V的管子
B: 稳定电压UZ > 6V的管子
C: 稳定电压UZ < 6V的管子
D: 稳定电压UZ = 6V的管子
答案: 【 稳定电压UZ = 6V的管子】
4、单选题:
电路如图所示,稳压管的稳定电压UZ = 6V,电源US=4V,则负载RL两端电压UL为( )。

选项:
A: 10V
B: 6V
C: 0V
D: 4V
答案: 【 0V】
1、判断题:
TTL与非门电路具有0、1二种输出状态,其逻辑功能可归纳为有0出1,全1出0。
选项:
A: 正确
B: 错误
答案: 【 正确】
2、判断题:
三态输出与非门具有0、1和高阻三种输出状态。
选项:
A: 正确
B: 错误
答案: 【 正确】
3、判断题:
TTL门电路的电源电压通常为5V,CMOS门为5至18V。
选项:
A: 正确
B: 错误
答案: 【 正确】
1、单选题:
半加器逻辑符号如图所示,当A=“1”,B=“1”时,C 和 S 分别为( )。

选项:
A: C=0 S=0
B: C=0 S=1
C: C=1 S=0
D: C=1 S=1
答案: 【 C=1 S=0】
2、判断题:
能实现二进制加法运算的逻辑电路称为加法器。
选项:
A: 正确
B: 错误
答案: 【 正确】
3、判断题:
半加器是一种不考虑低位来的进位数,只能对本位上的两个二进制数求和的组合电路。
选项:
A: 正确
B: 错误
答案: 【 正确】
4、判断题:
全加器是一种将低位来的进位数连同本位的两个二进制数三者一起求和的组合电路。
选项:
A: 正确
B: 错误
答案: 【 正确】
5、判断题:
把 n 个全加器串联起来,低位全加器的进位输出,连接到相邻的高位全加器的进位输入,便构成了n 位串行进位加法器。
选项:
A: 正确
B: 错误
答案: 【 正确】
1、单选题:
逻辑电路如图所示,当输入A = 1,输入B为方波时,则输出F应为 ( (c) ) 。

选项:
A: “1”
B: “0”
C: 方波
D: 正弦波
答案: 【 方波】
2、单选题:
逻辑符号如图所示,表示“或”门的逻辑电路是( ) 。

选项:
A: (a)
B: (b)
C: (c)
D: (d)
答案: 【 (c)】
3、单选题:
逻辑图和输入 A、B的波形如图所示,试分析
备案号:冀ICP备20010840号 2020-2099辉辉网络科技 All Rights Reserved