

1、单选题:
在下列功率电子器件中开关频率最高的是()
选项:
A: SCR
B: GTR
C: IGBT
D: POWER MOSFET
答案: 【 POWER MOSFET】
2、单选题:
下面论述不属于电力电子器件优点的是()
选项:
A: 关断状态时能承受较高端电压,并且漏泄电流近似为零
B: 开关处于导通状态时能流过较大电流,而且这时的端电压近似为零
C: 导通、关断切换时所需开关时间近似为零
D: 器件可以工作在放大状态
答案: 【 器件可以工作在放大状态】
3、单选题:
下面的描述不是电力二极管的特点的是()
选项:
A: 不可控性和单向导电性
B: 由于通流能力强,压降很大
C: 由于PN结的电容效应的存在,开关速度受限
D: 存在较大反向电流和反向电压过冲
答案: 【 由于通流能力强,压降很大】
4、单选题:
下列电力电子器件既属于单极型又属于电压驱动型器件的是()
选项:
A: POWER MOSFET
B: GTR
C: GTO
D: IGBT
答案: 【 POWER MOSFET】
5、单选题:
下面的描述()不属于电力MOSFET的特性
选项:
A: 驱动电路简单,需要的驱动功率小,开关速度快
B: 耐压高,电流容量大
C: 反型层形成沟道导电
D: 通态电阻具有正温度系数,对器件并联时的均流有利
答案: 【 耐压高,电流容量大】
6、单选题:
宽禁带半导体材料用于制作新型电力电子开关,下列描述()不属于它的特点
选项:
A: 耐受高电压的能力
B: 较高的通态电阻
C: 更好的导热性能
D: 热稳定性好,抗辐射的能力强
答案: 【 较高的通态电阻】
1、单选题:
在如下图所示的晶闸管双晶体管模型中,()是体现晶闸管半控性特征?

选项:
A: IG增大,IC2增大,IC1增大,IK达到饱和导通电流。IG移除,IK不变
B: IG增大,IC2增大,IC1减小,IK达到饱和导通电流。IG移除,IK不变
C: IG增大,IC2增大,IC1增大,IK达到饱和导通电流。IG移除,IC2减小,IC1减小,IK减小至0
D: IG增大,IC2增大,IC1减小,IK达到饱和导通电流。IG移除,IC2减小,IC1减小,IK减小至0
答案: 【 IG增大,IC2增大,IC1增大,IK达到饱和导通电流。IG移除,IC2减小,IC1减小,IK减小至0】
2、单选题:
晶闸管正常工作特性中,()的描述是正确的
选项:
A: 由于负载电感的作用,晶闸管可能流过反向阳极电流
B: 只要门极有触发电流,晶闸管就能开通
C: 晶闸管一旦导通,门极就失去控制作用
D: 若要使已导通的晶闸管关断,只需使流过晶闸管的阳极电流降到擎住电流以下
答案: 【 晶闸管一旦导通,门极就失去控制作用】
3、单选题:
对于如下图所示的电路,下列哪种说法是不正确的?

选项:
A: 变压器副边的电压和电流是同相的
B: 在u2的正半周,输出电压ud = u2
C: 二极管端电压uVD的最高反向电圧等于u2的峰值电压
D: 输出电压平均值
答案: 【 二极管端电压uVD的最高反向电圧等于u2的峰值电压】
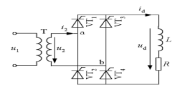
4、单选题:
单相桥式全控整流电路为大感性负载供电时,其导通角q为()
选项:
A: a
B: 90°
C: 180°-a
D: 180°
答案: 【 180°】
5、单选题:
如图所示的单相桥式全控整流电路,晶闸管触发相位范围()

选项:
A: a
B: 90°
C: 180°-a
D: 180°
答案: 【 180°】
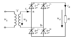
6、单选题:
如图所示的单相桥式全控整流电路,U2=200V,a=60°,此时整流电压平均值
()
选项:
A: 127
B: 90
C: 180
D: 200
答案: 【 90】
7、单选题:
单相桥式半控整流电路,存在的主要问题是()
选项:
A: 输出电压调节困难
B: 失控现象
C: 不能带感性负载
D: 整流变压器存在直流磁化现象
答案: 【 失控现象】
8、单选题:
三相半波可控整流电路换流过程中关于自然换相点的描述()是不对的
选项:
A: 假设晶闸管换为二极管,出现换流的时刻
B: 晶闸管能触发导通的最早时刻
C: 相电压的交点时刻
D: 线电压的交点时刻
答案: 【 相电压的交点时刻】
9、单选题:
三相半波可控整流电路电阻负载晶闸管承受最大反向电压和最大正向电压分别为()
选项:
A: 
B: 
C: 
D: 
答案: 【
】
10、单选题:
如图所示的三相半波可控整流电路,计算整流电压平均值公式为()

选项:
A: 
B: 
C: 
D:
备案号:冀ICP备20010840号 2020-2099辉辉网络科技 All Rights Reserved