

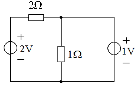
1、单选题:
电路如图所示,求电压U=

选项:
A: 14V
B: -2V
C: 2V
D: -14V
答案: 【 2V】
2、单选题:
电路如图所示,计算1V电压源的功率,并说明是吸收还是发出

选项:
A: 发出0.5W的功率
B: 发出1W的功率
C: 吸收1W的功率
D: 吸收0.5W的功率
答案: 【 发出0.5W的功率】
3、多选题:
电路的无源元件有
选项:
A: 电阻
B: 电感
C: 电容
D: 电池
答案: 【 电阻;
电感;
电容】
4、多选题:
电压的参考方向,说法正确的是
选项:
A: 为正极“+”指向负极“-”的方向
B: 电压源的电压参考方向由“-”指向“+”
C: Uab,a为假设的高电位,b为低电位
D: 电阻的电压参考方向和电流参考方向相同
答案: 【 为正极“+”指向负极“-”的方向;
Uab,a为假设的高电位,b为低电位】
5、多选题:
开路和短路是电路中2种特殊的状态,说法正确的是
选项:
A: 开路的特征是电流为0
B: 短路的特征是电压为0
C: 电容可看作开路
D: 电容在直流稳态电路中可看作开路
答案: 【 开路的特征是电流为0;
短路的特征是电压为0;
电容在直流稳态电路中可看作开路】
6、多选题:
应用KVL列方程,说法正确的是
选项:
A: 回路绕行方向的选择是任意的
B: KVL讨论的结构是结点
C: 如果规定电压的参考方向和绕向相同为正,当电阻电流I的参考方向和绕向相同时,电阻的电压IR取正。
D: KVL可以推广到开口电路
答案: 【 回路绕行方向的选择是任意的;
如果规定电压的参考方向和绕向相同为正,当电阻电流I的参考方向和绕向相同时,电阻的电压IR取正。;
KVL可以推广到开口电路】
1、单选题:
通过等效变换化简电路,最后的电路结构为
选项:
A: Y形
B: Δ形
C: 桥式电路
D: 单回路
答案: 【 单回路】
2、单选题:
关于结点电压法,说法错误的是
选项:
A: 所列的电路方程为KCL方程
B: 所列的电路方程为KVL方程
C: 参考结点的极性假设为“-”
D: 和电流源串联的电阻不出现在方程中
答案: 【 所列的电路方程为KVL方程】
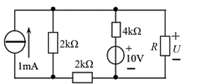
3、单选题:
电路如图所示,已知U=3V,求R =?

选项:
A: 1kΩ
B: 2kΩ
C: 3kΩ
D: 4kΩ
答案: 【 2kΩ】
4、单选题:


选项:
备案号:冀ICP备20010840号 2020-2099辉辉网络科技 All Rights Reserved