

1、单选题:
实现电能的输送和变换的电路称为____电路。
选项:
A: 电工
B: 电子
C: 强电
D: 弱电
答案: 【 电工】
2、单选题:
两个电容C1=3μF,C2=6μF串联时,其等效电容值为_____μF
选项:
A: 9
B: 3
C: 6
D: 2
答案: 【 2】
3、单选题:
图示电路中电流 I 的大小为:

选项:
A: 1A
B: 2A
C: 3A
D: 4A
答案: 【 4A】
4、单选题:
图示电路中a、b端的等效电阻Rab在开关K打开与闭合时分别为_____。

选项:
A: 10Ω,10Ω
B: 10Ω,8Ω
C: 10Ω,16Ω
D: 8Ω,10Ω
答案: 【 10Ω,10Ω】
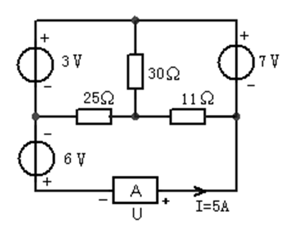
5、单选题:
在下图所示电路中,电源电压U=6V。若使电阻R上的电压U1=4 V,则电阻R为____欧。

选项:
A: 2
B: 4
C: 6
D: 8
答案: 【 4】
6、单选题:
电路理论的研究对象是
选项:
A: 实际电路
B: 模型化电路
C: 电路
D: 其余选项都不对
答案: 【 模型化电路】
7、单选题:
当电路中电流的参考方向与电流的真实方向相反时,该电流()
选项:
A: 一定为正值
B: 一定为负值
C: 不能肯定是正值或负值
D: 正负都可以
答案: 【 一定为负值】
8、单选题:
当电阻r上的u、i参考方向为非关联时,欧姆定律的表达式应为
选项:
A: u = r i
B: u = – r i
C: u = r | i |
D: 其余选项都不对
答案: 【 u = – r i】
9、单选题:
实现信息的传送和处理的电路称为_____电路。
选项:
A: 电工
B: 电子
C: 强电
D: 弱电
答案: 【 电子】
10、单选题:
实际电路的几何尺寸远小于其工作信号波长,这种电路称为_______电路。
选项:
A: 分布参数
B: 集总参数
C: 短波
D: 长波
答案: 【 集总参数】
11、单选题:
若描述电路特性的所有方程都是线性代数方程或线性微积分方程,则这类电路是_______电路。
选项:
A: 线性
B: 非线性
C: 简单
D: 复杂
答案: 【 线性】
12、单选题:
电压和电流的关联方向是指电压、电流______ 一致。
选项:
A: 实际方向
B: 参考方向
C: 电位降方向
D: 其余选项都不对
答案: 【 参考方向 】
13、单选题:
电容器C的端电压从0升至U时,电容器吸收的电能为______ 。
选项:
A: 0.5*C*U^2
B: 2*C*U^2
C: C*U^2
D: 其余选项都不对
答案: 【 0.5*C*U^2】
14、单选题:
图示电路中,RL为2欧电阻,可获得功率2W,此时电流源输出的功率为:( ____)

选项:
A: 4W
B: 12W
C: 10W
D: 8W
答案: 【 12W】
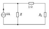
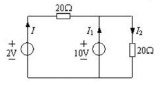
15、单选题:
下图电路中,I1等于:( ____)

选项:
A: 0.4A
B: 0.5A
C: 0.9A
D: 0.1A
答案: 【 0.9A】
16、单选题:
下图为某电路的一部分,则其中的Uab为:(____ )

选项:
A: 3V
B: -28V
C: -25V
D: -22V
答案: 【 -28V】
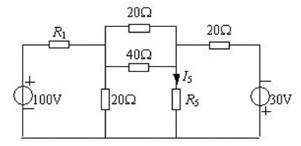
17、单选题:
下图电路中,R5中无电流,求R1=____ 欧姆

选项:
A: 32
B: 50
C: 48
D: 25
答案: 【 32】
18、单选题:
下图电路中的U为_____

选项:
A: 0.4V
B: 2.5V
C: 2V
D: 3V
答案: 【 0.4V】
19、单选题:
如图所示电路,则电压源发出的功率等于:( ____)

选项:
A: 1 W
B: -4/3 W
C: 4/3 W
D: 1/3 W
答案: 【 4/3 W】
20、单选题:
下图电路中的电流 I 为:(____ )

选项:
A: 5/6 A
B: -1/6 A
C: 1/3 A
D: 1/2 A
答案: 【 -1/6 A】
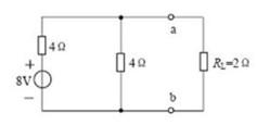
21、单选题:
电路如图所示,已知RL=2Ω的电阻从a、b左侧电路中吸收的最大功率为2W,则该电路中电压源发出的功率为:

选项:
A: 4 W
B: 12 W
C: -4 W
D: -12 W
答案: 【 12 W】
22、单选题:
若P>0(正值),说明该元件_____功率,该元件为_______。
选项:
A: 消耗(或吸收);负载
B: 消耗(或吸收);电源
C: 产生(或发出);负载
D: 产生(或发出);电源
答案: 【 消耗(或吸收);负载】
23、单选题:
基尔霍夫电流定律(KCL)说明在集总参数电路中,在任一时刻,流出(或流出)任一节点或封闭面的各支路电流的_______。
选项:
A: 代数和为零
B: 代数和为正
C: 代数和为负
D: 不确定
答案: 【 代数和为零】
24、单选题:
端电压恒定,与流过它的电流无关的二端元件称为:
选项:
A: 电压源
B: 电流源
C: 电阻
D: 电感
答案: 【 电压源】
25、单选题:
电容是______元件,电容上的电压______。
选项:
A: 记忆;不能跃变
B: 记忆;能跃变
C: 无记忆;不能跃变
D: 无记忆;能跃变
答案: 【 记忆;不能跃变】
26、单选题:
下列属于独立电源的是:
选项:
A: 独立电流源
B: 受控电压源
C: 受控电流源
D: 其余都不是
答案: 【 独立电流源】
27、单选题:
电容器在直流稳态电路中相当于:
选项:
A: 开路
B: 短路
C: 电阻
D: 负载
答案: 【 开路】
28、单选题:
当电容的容量足够大的时候,交流电路中电容可以认为是:
选项:
A: 短路
B: 开路
C: 电阻
D: 电感
答案: 【 短路】
29、单选题:
流过电感的电流具有连续性,电感具有:
选项:
A: 记忆电压的作用
B: 记忆电流的作用
C: 记忆功率的作用
D: 无记忆功能
答案: 【 记忆电压的作用】
30、单选题:
用u—q平面的曲线表示其特性的二端元件称为_____元件
选项:
A: 电容
B: 电感
C: 电阻
D: 其余说法都不对
答案: 【 电容】
31、单选题:
求下图U=_____V

选项:
A: -10
B: 10
C: 16
D: 4
答案: 【 -10】
32、单选题:
电路中端电压U为______V

选项:
A: 8V
B: 6V
C: 2V
D: 4V
答案: 【 8V】
33、单选题:
图中U为:

选项:
A: -2V
B: 2V
C: 5V
D: 3V
答案: 【 -2V】
34、单选题:
已知图a中的US1 = 4 V,IS1 = 2 A 。用图b所示的等效理想电流源代替图a所示的电路,该等效电流源的参数为

选项:
A: -2A
B: 2A
C: 4A
D: -4A
答案: 【 -2A】
35、单选题:
在下图所示电路中,电源电压U=6V。若使电阻R上的电压U1=4V,则电阻R为____Ω

选项:
A: 4
B: 2
C: 6
D: 8
答案: 【 4】
36、单选题:
图示电路中a、b端的等效电阻为:

选项:
A: 
B: 
C: 
D: 
答案: 【
】
37、单选题:
图示电路中2Ω电阻的消耗功率P等于______ 。

选项:
A: 8W
B: 4W
C: 2W
D: 1W
答案: 【 8W】
38、单选题:
沿顺时针和逆时针列写KVL方程,其结果是_____。
选项:
A: 相同的
B: 不同的
C: 不能确定
D: 只有单回路电路才是相同的
答案: 【 相同的】
39、单选题:
下面说法正确的是:
选项:
A: 通常电灯接通的越多,总负载电阻越小。
B: 通常电灯接通的越多,总负载电阻越大。
C: 通常电灯接通的越多,总负载功率越小。
D: 其余说法都不对
答案: 【 通常电灯接通的越多,总负载电阻越小。】
40、单选题:
任一电路中,产生的功率和消耗的功率应该相等,称为:
选项:
A: 功率守恒定律
B: KCL定律
C: KVL定律
D: 其余说法均不对
答案: 【 功率守恒定律】
41、单选题:
基尔霍夫电压定律(KVL)说明在集总参数电路中,在任一时刻,沿任一回路巡行一周,各元件的______代数和为零
选项:
A: 电压
B: 电流
C: 功率
D: 阻抗
答案: 【 电压】
42、单选题:
几个电压源串联的等效电压等于所有电压源的________
选项:
A: 电压代数和
B: 最大电压值
C: 最小电压值
D: 平均电压值
答案: 【 电压代数和】
43、单选题:
下面说法正确的是:
选项:
A: 基尔霍夫定律只适应于线性电路
B: 基尔霍夫定律既适应于线性电路,也适用于非线性电路
C: 基尔霍夫定律既不适应于线性电路,也不适用于非线性电路
D: 其余说法均不对
答案: 【 基尔霍夫定律既适应于线性电路,也适用于非线性电路】
44、单选题:
求图中所示直流电路的电流 I=___

选项:
A: 4A
B: 2A
C: 1A
D: 3A
答案: 【 4A】
45、单选题:
所示直流电路中,已知R1=5Ω,R2=R3=2Ω,Us=2V,Is=3A,求电压源发出的功率

选项:
A: -1.2W
B: 1.2W
C: 0.8W
D: 2W
答案: 【 -1.2W】
46、单选题:
一个输出电压几乎不变的设备有载运行,当负载增大时是指:
选项:
A: 负载电阻增大
B: 负载电阻减小
C: 电源输出电流增大
D: 电源输出电流减小
答案: 【 电源输出电流增大】
47、单选题:
已知A、B两点,电压UAB=8V,A点的电位为2V,那么B点的电位为
选项:
A: -6V
B: 6V
C: 10V
D: -10V
答案: 【 -6V】
1、单选题:
下图所示电路中A、B 两点间的等效电阻与电路中的RL相等,则RL为_____Ω。

选项:
A: 40
B: 30
C: 20
D: 10
答案: 【 20】
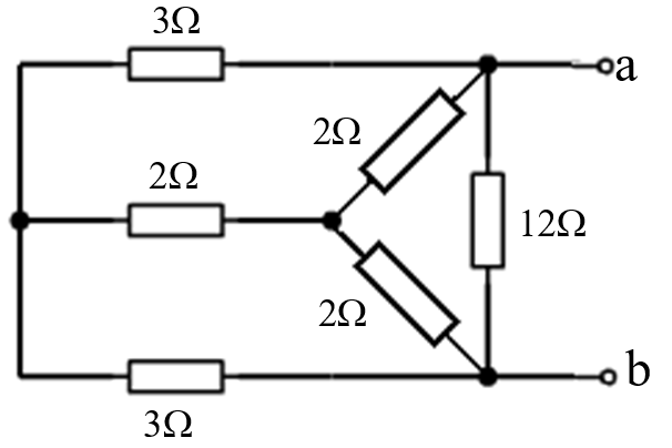
2、单选题:
图示电路中a、b端的等效电阻为____Ω。

选项:
A: 2
B: 6
C: 8
D: 10
答案: 【 2】
3、单选题:
下列说法错误的是:
选项:
A: 通常电灯接通的越多,总负载电阻越小。
B: 两个理想电压源一个为6V,另一个为9V,极性相同并联,其等效电压为15V。
C: 一个6V的电压源与一个2A的电流源并联,等效仍是一个6V的电压源。
D: 回路分析法与网孔分析法的方法相同,只是用独立回路代替网孔而已。
答案: 【 两个理想电压源一个为6V,另一个为9V,极性相同并联,其等效电压为15V。】
4、单选题:
在有 n个节点、b条支路的连通电路中,可以列出独立KCL 方程和独立KVL方程的个数分别为:
选项:
A: n ;b
B: b-n+1;n+1
C: n-1 ;b-1
D: n-1; b-n+1
答案: 【 n-1; b-n+1】
5、单选题:
图示电路中节点a的节点电压方程为:

选项:
A: 1.7Ua-0.5Ub=2
B: 1.7Ua-0.5Ub=-2
C: 1.7Ua+0.5Ub=2
D: 8Ua-2Ub=2
答案: 【 1.7Ua-0.5Ub=2】
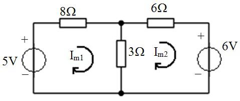
6、单选题:
图示电路中网孔1的网孔电流方程为:

选项:
A: 11Im1-3Im2=5
B: 11Im1+3Im2=5
C: 11Im1+3Im2=-5
D: 11Im1-3Im2=-5
答案: 【 11Im1-3Im2=5】
7、单选题:
某电路的图如图所示,下面论述正确的是:

选项:
A: 该电路的图是连通图,它的一个树具有3条树支,3条链支
B: 该电路独立的KVL方程为4个
C: 该电路独立的KCL方程为2个
D: 利用回路电流法求解该电路,需要列出4个独立回路电流方程
答案: 【 该电路的图是连通图,它的一个树具有3条树支,3条链支】
8、单选题:
具有n个节点,b条支路的连通图G,其独立节点数为:____
选项:
A: n-1
B: n
C: b
D: b-n+1
答案: 【 n-1】
9、单选题:
受控源在叠加定理时,下列说法正确的是____。
选项:
A: 受控源不能当独立源单独作用
B: 受控源当独立源看待
C: 受控源当独立电压源看待
D: 受控源当独立电流源看待
答案: 【 受控源不能当独立源单独作用】
10、单选题:
最大功率传输定理说明,当负载电阻RL等于电源内阻RS时,负载可获得最大功率,该定理成立的条件是____。
选项:
A: 电源电压和其内阻不变,负载RL可变
B: 任何条件下都成立
C: 电源内阻不变
D: 负载RL不变,电源内阻可变
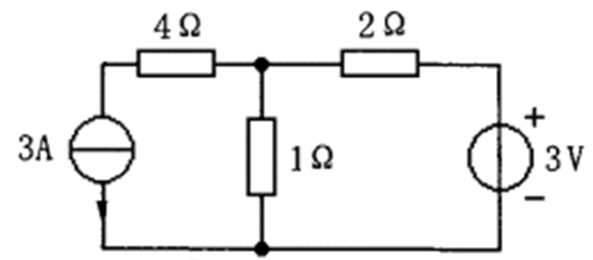
答案: 【 电源电压和其内阻不变,负载RL可变】
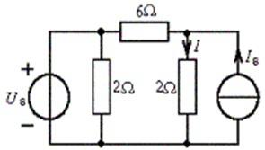
11、单选题:
下图电路中,Is = 0 时,I = 2 A , 则 当Is= 8 A 时,I 为___ A。(提示:Is = 0 时,该支路断开,由叠加原理考虑)

选项:
A: 8
B: 6
C: 4
D: 10
答案: 【 8】
12、单选题:
若电流表A示数为0,则R与I的值分别为:

选项:
A: 6Ω,2.5A
B: 8Ω,-2.5A
C: 6Ω,1A
D: 0.6Ω,2.5A
答案: 【 6Ω,2.5A】
13、单选题:

选项:
A: 2V
B: -6V
C: 4V
D: -8V
答案: 【 2V】
14、单选题:

选项:
A: 50V
B: 40V
C: 30V
D: 20V
答案: 【 50V】
15、单选题:

选项:
A: Id=4/5A, Rd=5/2Ω
B: Id=1A, Rd=5/2Ω
C: Id=1A, Rd=4Ω
D: Id=2A, Rd=3Ω
答案: 【 Id=4/5A, Rd=5/2Ω】
16、单选题:
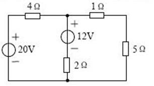
图中5Ω电阻消耗的功率为:

选项:
A: 20W
B: 10W
C: 15W
D: 5W
答案: 【 20W】
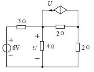
17、单选题:
图中4Ω电阻两端的电压U为:

选项:
A: 6V
B: 10V
C: 12V
D: 3V
答案: 【 6V】
18、单选题:
图示电流I2为:

选项:
A: 1A
B: 1.5A
C: 2A
D: 2.5A
答案: 【 1.5A】
19、单选题:
下图电路ab端的等效电阻为____ Ω

选项:
A: 0.4
B: 1
C: 2
D: 1.2
答案: 【 0.4】
20、单选题:
几个电流源并联的等效电流等于_____
选项:
A: 所有电流源的电流代数和
B: 最大电流源的电流
C: 最小电流源的电流
D: 所有电流源的平均电流
答案: 【 所有电流源的电流代数和】
21、单选题:
诺顿定理说明任何一个线性有源二端网络N,都可以用一个等效电流源即网络N二端子的_____电流和内阻R0____来代替。
选项:
A: 短路,并联
B: 短路,串联
C: 开路,并联
D: 开路,串联
答案: 【 短路,并联】
22、单选题:
在应用叠加定理分析时,各个独立电源单独作用时,而其他独立电源为零,即其他电压源_____,而电流源_____。
选项:
A: 短路,开路
B: 短路,短路
C: 开路,开路
D: 开路,短路
答案: 【 短路,开路】
23、单选题:
最大功率传输定理说明,当电源电压US和其串联的内阻RS不变时,负载RL可变,则RL_____RS时,RL可获得最大功率为Pmax=_______。
选项:
A: 
B: 
C: 
D: 
答案: 【
】
24、单选题:
平面图的回路内再无任何支路的闭合回路称为_____。
选项:
A: 网孔
B: 节点
C: 环形网络
D: 连支
答案: 【 网孔】
25、单选题:
&
备案号:冀ICP备20010840号 2020-2099辉辉网络科技 All Rights Reserved